Вернуться на главную
Поиск
Каталоги запчастей к технике
Спецтехника
DYNAPAC
Dynapac CC422
Exhaust system
Каталог запасных частей к технике: DYNAPAC Dynapac CC422. Exhaust system
zoom-in
zoom-out
enlarge
shrink
circle-right
circle-left
file-text2
info
cart
Тип техники
Не выбрано
Легковые автомобили
Грузовые автомобили и прицепы
Автобусы
Сельхозтехника
Спецтехника
Двигатели
Мототехника
Марка
Не выбрано
Ammann
BOMAG
CARMIX
CASE IH
Changlin
ChengGong
Dimex
Doosan
DYNAPAC
Foton
HAMM
Hidromek
Hitachi
Hyundai
JCB
JLG
John Deere
Komatsu
LIEBHERR
LiuGong
Lonking (LongGong)
Luneng
MANITOU
Mitsuber
New Holland
PENGPU
RM-Terex
SANY
SDLG
SEM
Shantui
Shehwa HBXG
Soosan
TIGARBO
VOGELE
Volvo
WAY
WIRTGEN
XCMG
XGMA
Xiamen
YTO
Yuchai
Zoomlion
Автокран
АЗСМ
Алтайлесмаш
Амкодор
АОМЗ
Атек
АТЗ
Балканкар Рекорд
БелАЗ
Беловеж
Борекс
Брянский Арсенал
Булат
ВЭКС
ГАЗ
Геомаш
Гидромаш
Донекс
Дормаш
Дормашина
Дорэлектромаш
ДЭЗ
ЕлАЗ
ЗЗГТ
Ижнефтемаш
Канаш-электрокар
КЗКТ
ККЗ
Клевер
Клинцовский автокрановый завод
КМЗ
КМЗ 1 Мая
Ковровец
Коммаш
Кранэкс
КЭЗ
КЭМЗ
ЛЗА
МАЗ
МЗИК
МЗКМ
МЗКТ
Михневский РМЗ
МоАЗ
Мозырский МЗ
МТЗ
ОЗП
Онежец
ПАО "ТЗА"
ППС Детва
Промтрактор
ПТЗ
Раскат
СпецАгрегат
ТВЭКС
ТТМ
УВЗ
Угличмаш
УЗТМ
ХТЗ
ЧЗКМ
ЧСДМ
ЧТЗ
ЭКСКО
ЭКСМАШ
ЮрМаш
Модель
Не выбрано
CA1400 (2016)
CA2500D (2016)
CA2500D (2018)
CA2500D-PD (2018)
CA250D (2011)
CA252D (2008)
CA2800D (2017)
CA3500D (2016)
CA4000D (2017)
CA4000D (2020)
CA4600D (2019)
CA5500D (2015)
CA610PD (2014)
CA6500 (2018)
CC1000 (2019)
CC1100CC (2015)
CC1200C Plus (2015)
CC1200C VI (2018)
CC1200CC (2018)
CC125 (2015)
CC1250 (2015)
CC1300 (2018)
CC1300C (2015)
CC1300C (2016)
CC2200 (2018)
CC2200 (2020)
CC2300C (2018)
CC3300 (2018)
CC4000 VI (2018)
CC4200C VI (2020)
CC5200C (2018)
CC6200 VI (2020)
CC800 (2019)
CC900 (2018)
CC900S (2018)
CG2300 (2018)
CP142 (2015)
CP275 (2014)
Dynapac CA1500 (2017)
Dynapac CA2500 (2012)
Dynapac CA302D (2008)
Dynapac CA302D (2010)
Dynapac CA5000D (2017)
Dynapac CC142 (2009)
Dynapac CC2200C (2015)
Dynapac CC224HF (2012)
Dynapac CC322 (2008)
Dynapac CC422 (2010)
Dynapac CC5200 (2014)
Dynapac CC5200 (2017)
Dynapac CC5200 (2017)
Dynapac CC5200 VI (2017)
Dynapac CC800 (2013)
Dynapac CC800 (2014)
Dynapac F1200C/CS (2018)
Dynapac F1200CS/CS (2018)
Dynapac F1800C (2018)
Dynapac F181C (2010)
Dynapac PL2000LS (2010)
Dynapac PL2000LS (2010)
Dynapac PL2000S (2010)
Dynapac PL2000S (2010)
Dynapac SCC1300 (2014)
Dynapac SD2500C (ч. 1) (2018)
Dynapac SD2500C (ч. 2) (2018)
Dynapac SD2550C (ч. 1) (2018)
Dynapac SD2550C (ч. 2) (2018)
F2500C (2018)
SD2550CS (2015)
Схема
>
Не выбрано
Dynapac Compaction Equipment AB СС422 SN 42520422, -CC422106
Service kits
Service kits
939563 Service kit 50 h
939564 Service kit 500 h
939565 Service kit 1000 h
Repair kits
Repair kits
938905 Eccentric shaft kit
938891 Drum rotation kit
938917 Scraper kit CC322/422/432
945720 Scraper kit CC322/422/432
938888 Shock absorber kit, drum
938558 Steering hitch kit
Frames
Covers, ladders
Scrapers, standard, front drum Up to 42520969
Scrapers, standard, rear drum Up to 42520969
Scrapers, standard From 42520970
Scrapers, spring loaded Foldable Up to 42520969
Scrapers, spring loaded, front drum From 42520970
Scrapers, spring loaded, rear drum From 42520970
Articulated link
Structure
Noise suppression
Noise reduction hood
Sprinkler systems, tanks
Sprinkler system, front Up to 42520969
Sprinkler system, front From 42520970
Sprinkler system, rear Up to 42520969
Sprinkler system, rear From 42520970
Drum, standard, front/rear
Diesel engine Cummins 4B3.9 TAA Up to 42520716
Diesel engine Cummins 4B3.9 TAA From 42520717
Cooling system
Intake system
Fuel system
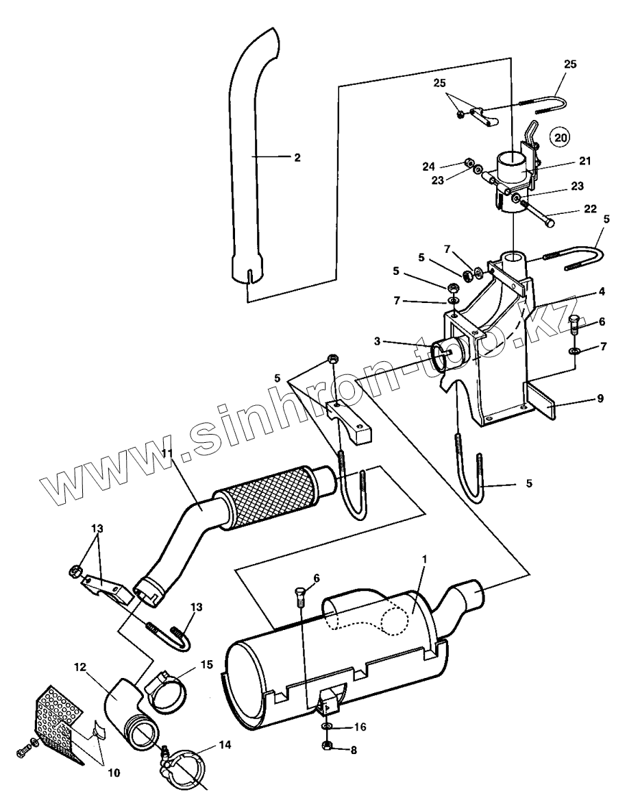
Exhaust system
Pumpdrive and coupling
373354 Gear box
Propulsion system, pump Up to 42520696
359142 Hydraulic pump, propulsion
Propulsion system, pump From 42520697
Propulsion system, motors Up to 42520696
Propulsion system, motors From 42520697
Vibration system, pump
359140 Valve Vibration
Vibration system, motors
370260 Hydraulic motor, vibration
Steering system Up to 42520906
359145 Steering valve
375031 Hydraulic cylinder
Hydraulic oil tank
Steering system From 42520907
Offset drum
381217 Direction control valve
380780 Direction control valve
Brake system
Electrical equipment
Electric battery switch
Instrument box
Instrument panel, main
Speed and frequency, sensors
Instrument panel, upper left
Instrument panel, upper right
Instrument panel, lower left
Instrument panel, lower right
Instrument panel, relay, fuses
Emergency stop panel
Driving lights Direction & licenseplate light
Working lights with/without Rops
Working lights, cab
Working lights, Xenon lamp
Protection cover, Head light
Rotating beacon
Tachograph
Drivers platform
Drivers platform, for cab
Drivers seat, turn-over Up to 42520933
Drivers seat, turn-over From 42520934
Drivers seat turn-over in cab Up to 42520933
Drivers seat, turn-over in cab From 42520934
359918 Steering column Up to 42520933
391163 Steering column From 42520934
Cross sliding Controls
Cross sliding Carrier
Forward and reverse control
Speed limiter Option
Engine control
Rear mirror
Rops/fops
Cab, interior
Cab, screens
Cab, inside panels
Cab, wipers, right side
Cab, wipers, front and rear
Cab, door, left side
Cab, door, left side (3-split)
Cab, heater and, fan system
385770 Heater unit
Cab, roof mounted, electrical switches
Cab Interior
Cab Screens
Cab Inside panels
Cab, water tank wipers
Cab, sun curtain, first aid kit, int mirror
Exterior rear mirrors
Radio and cassette/cd player
Plates and decals
Standard equipment
Compaction meter
Edge cutter
Edge cutter Hydraulics without offset
Edge cutter Hydraulics with offset
Edge cutter Sprinkler system
Eyelet
SMV sign
Tool equipment
Air conditioner assembly
Condensor assembly
385587 Heater/AC unit
Compressor assembly
Roof hatch
Asphalt temperature meter
1
2
3
4
5
5
5
5
5
6
6
7
7
7
8
9
10
11
12
13
13
14
15
16
20
21
22
23
23
24
25
25
Позиция на иллюстрации
Заводской номер детали
Название детали
1
382179
Muffler
2
370491
Exhaust pipe
3
370618
Exhaust pipe
4
370492
Bracket
5
313094
Pipe clamp
6
500022
Screw
7
904556
Washer 8,4x16x3,0
8
586003
Lock nut M8
9
902166
Edge trim
10
387776
Heat protection
11
382537
Exhaust pipe
12
372491
Exhaust pipe
13
313094
Pipe clamp
14
929185
Clamp
15
313022
Hose clamp
16
904229
Washer 8,4x16x1,5
20
373694
Hinged exhaust pipe, cpl
21
Hingedexhaustpipe
Hinged exhaust pipe
22
500267
Screw
23
600009
Washer
24
586019
Lock nut M12
25
313094
Pipe clamp
Содержащиеся в справочниках-каталогах запасные части и детали не предлагаются к продаже, а носят исключительно информационный характер
Дополнительная информация
×
Название:
Номер:
Примечание: