Каталог запасных частей к технике: DYNAPAC Dynapac CC422. Electrical equipment
1
2
2
2
2
3
3
4
4
5
5
6
6
7
8
9
9
10
11
12
13
14
15
16
17
18
20
21
22
23
24
25
26
27
28
30
31
32
33
34
34
35
35
36
36
37
38
38
38
38
38
38
38
39
39
39
39
39
40
42
43
43
44
44
44
44
44
44
45
46
46
46
47
48
49
50
50
51
51
52
53
54
61
62
62
63
64
65
66
67
68
69
69
70
70
70
70
72
73
74
75
75
76
76
76
77
78
79
80
81
82
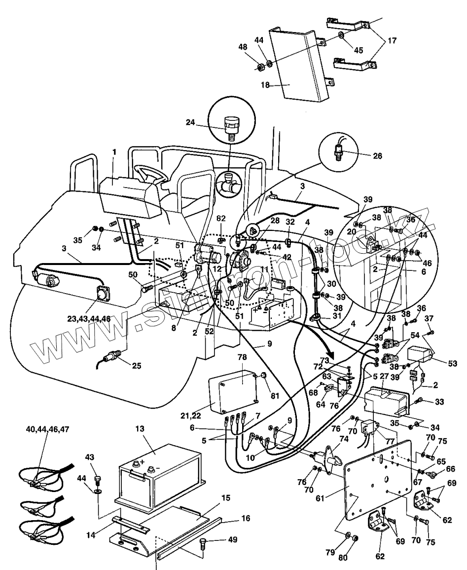
| Позиция на иллюстрации | Заводской номер детали | Название детали | |
|---|---|---|---|
| 1 | Controlpanel | Control panel | |
| 2 | 387331 | Cable harness | |
| 3 | 384101 | Cable harness | |
| 4 | 387723 | Cable harness | |
| 5 | 791518 | Connection cable, coarse | |
| 6 | 791519 | Connection cable, coarse | |
| 7 | 791520 | Connection cable, coarse | |
| 8 | 903760 | Connection cable | |
| 9 | 901851 | Connection cable | |
| 10 | 348347 | Battery cable | |
| 11 | 903758 | Battery cable | |
| 12 | 792277 | Connection cable | |
| 13 | 470021 | Battery | |
| 14 | 371122 | Battery holder | |
| 15 | 376287 | Battery holder | |
| 16 | 371121 | Slide rail | |
| 17 | 372775 | Cable holder | |
| 18 | 372774 | Casing | |
| 20 | 791551 | Junction block | |
| 21 | 791556 | Fuse | |
| 22 | 791557 | Fuse | |
| 23 | 999027 | Horn | |
| 24 | 929023 | Indicator | |
| 25 | 903631 | Temperature sensor Hydraulic oil | |
| 26 | 903632 | Temperature sensor Engine | |
| 27 | 387722 | Protecting cover | |
| 28 | 904780 | Hose clamp | |
| 29 | 921031 | Clamp | |
| 30 | 921028 | Clamp | |
| 31 | 960727 | Clamp | |
| 32 | 921132 | Clamp | |
| 33 | 500008 | Screw | |
| 34 | 904281 | Washer 5,3x10x1 | |
| 35 | 586001 | Lock nut M5 | |
| 36 | 500015 | Screw | |
| 37 | 500061 | Screw | |
| 38 | 904228 | Washer 6,4x12x1,5 | |
| 39 | 586002 | Lock nut M6 | |
| 40 | 903768 | Threaded stud | |
| 42 | 500053 | Screw | |
| 43 | 500021 | Screw | |
| 44 | 904229 | Washer 8,4x16x1,5 | |
| 45 | 904044 | Washer | |
| 46 | 586003 | Lock nut M8 | |
| 47 | 570005 | Nut | |
| 48 | 902286 | Lock nut M8 | |
| 49 | 500043 | Hex. screw | |
| 50 | 500051 | Hex. screw | |
| 51 | 904231 | Washer 13x24x2 | |
| 52 | 904346 | Clamp | |
| 53 | 939408 | Heater control module | |
| 54 | 939409 | Pre-heater relay | |
| 61 | 387329 | Holder plate | |
| 62 | 903907 | Hinge | |
| 63 | 387422 | Bracket | |
| 64 | 903344 | Lock | |
| 65 | 791487 | Washer | |
| 66 | 904914 | Tap | |
| 67 | 903342 | Retaining ring | |
| 68 | 923253 | Rivet | |
| 69 | 513008 | Screw | |
| 70 | 904228 | Washer 6,4x12x1,5 | |
| 71 | 904563 | Lock nut | |
| 72 | 928467 | Washer | |
| 73 | 500013 | Hex. screw | |
| 74 | 903640 | Battery switch | |
| 75 | 500040 | Screw | |
| 76 | 586002 | Lock nut M6 | |
| 77 | 904448 | Relay | |
| 78 | 791532 | Fuse box | |
| 79 | 904229 | Washer 8,4x16x1,5 | |
| 80 | 791182 | Lock nut | |
| 81 | 891539 | Plug unthreaded | |
| 82 | 921039 | Pipe clamp |
Содержащиеся в справочниках-каталогах запасные части и детали не предлагаются к продаже, а носят исключительно информационный характер