Каталог запасных частей к технике: DYNAPAC Dynapac CC322. Fuel system
1
2
3
4
5
6
7
8
9
9
9
9
10
10
11
11
12
12
12
12
13
13
13
14
14
15
15
17
18
18
19
20
20
21
22
22
23
23
24
24
24
25
26
27
28
29
30
30
30
31
32
33
33
34
35
36
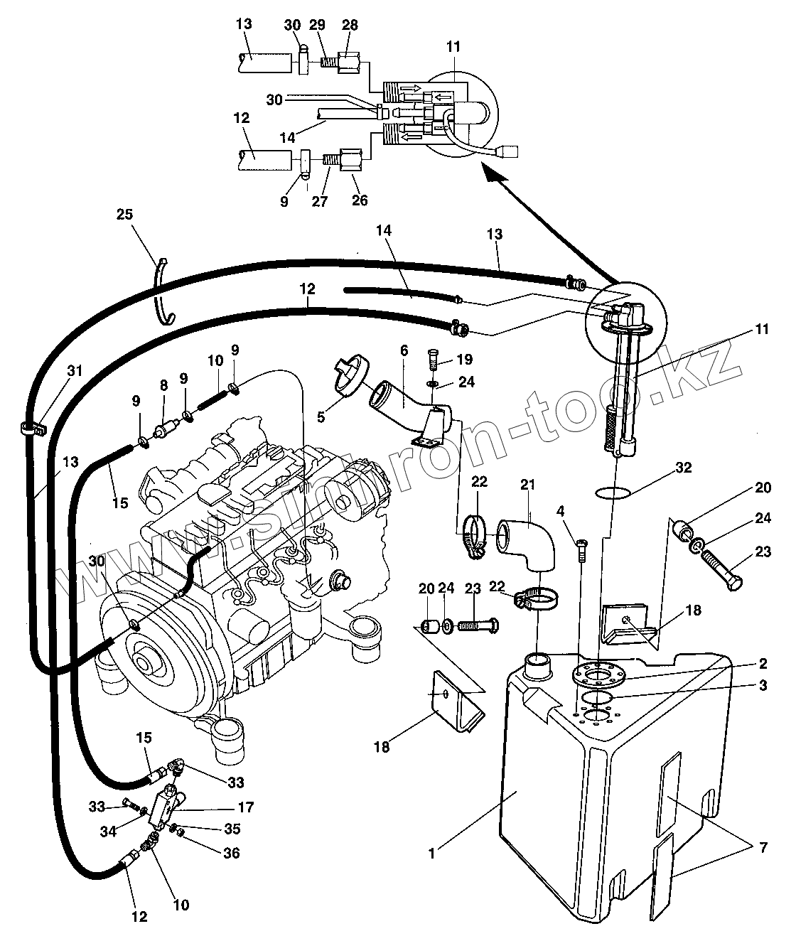
| Позиция на иллюстрации | Заводской номер детали | Название детали | |
|---|---|---|---|
| 902866 | 902866 | Key Marked 455 | |
| 1 | 359522 | Fuel tank | |
| 2 | 380447 | Flange | |
| 3 | 160058 | O-ring | |
| 4 | 792274 | Screw | |
| 5 | 373304 | Cap | |
| 6 | 373302 | Filling pipe | |
| 7 | 357459 | Rubber cloth | |
| 8 | 929322 | Fuel strainer | |
| 9 | 313001 | Hose clamp | |
| 10 | 904985 | Fuel hose | |
| 11 | 386058 | Level sender | |
| 12 | 377699 | Fuel hose | |
| 12 | 904985 | Fuel hose | |
| 13 | 904984 | Fuel hose | |
| 14 | 371254 | Plastic hose | |
| 15 | 377673 | Fuel hose | |
| 16 | 791431 | Elbow 90, O-ring | |
| 17 | 940259 | Fuel supply pump | |
| 18 | 359618 | Holder | |
| 19 | 500048 | Screw | |
| 20 | 359434 | Spacer sleeve | |
| 21 | 359390 | Rubber hose | |
| 22 | 313038 | Hose clamp | |
| 23 | 500030 | Screw | |
| 24 | 904230 | Washer 10,5x22x2 | |
| 25 | 925802 | Cable ties | |
| 26 | 903685 | Hose connection socket | |
| 27 | 903683 | Hose connection | |
| 28 | 903684 | Hose connection socket | |
| 29 | 904211 | Hose connection | |
| 30 | 313075 | Hose clamp | |
| 31 | 921080 | Clamp | |
| 32 | 904707 | O-ring | |
| 33 | 500016 | Screw | |
| 34 | 904228 | Washer 6,4x12x1,5 | |
| 35 | 904735 | Washer | |
| 36 | 586002 | Lock nut M6 |
Содержащиеся в справочниках-каталогах запасные части и детали не предлагаются к продаже, а носят исключительно информационный характер