Вернуться на главную
Поиск
Каталоги запчастей к технике
Спецтехника
DYNAPAC
Dynapac CC224HF
Hydraulic valve 391563
Каталог запасных частей к технике: DYNAPAC Dynapac CC224HF. Hydraulic valve 391563
zoom-in
zoom-out
enlarge
shrink
circle-right
circle-left
file-text2
info
cart
Тип техники
Не выбрано
Легковые автомобили
Грузовые автомобили и прицепы
Автобусы
Сельхозтехника
Спецтехника
Двигатели
Мототехника
Марка
Не выбрано
Ammann
BOMAG
CARMIX
CASE IH
Changlin
ChengGong
Dimex
Doosan
DYNAPAC
Foton
HAMM
Hidromek
Hitachi
Hyundai
JCB
JLG
John Deere
Komatsu
LIEBHERR
LiuGong
Lonking (LongGong)
Luneng
MANITOU
Mitsuber
New Holland
PENGPU
RM-Terex
SANY
SDLG
SEM
Shantui
Shehwa HBXG
Soosan
TIGARBO
VOGELE
Volvo
WAY
WIRTGEN
XCMG
XGMA
Xiamen
YTO
Yuchai
Zoomlion
Автокран
АЗСМ
Алтайлесмаш
Амкодор
АОМЗ
Атек
АТЗ
Балканкар Рекорд
БелАЗ
Беловеж
Борекс
Брянский Арсенал
Булат
ВЭКС
ГАЗ
Геомаш
Гидромаш
Донекс
Дормаш
Дормашина
Дорэлектромаш
ДЭЗ
ЕлАЗ
ЗЗГТ
Ижнефтемаш
Канаш-электрокар
КЗКТ
ККЗ
Клевер
Клинцовский автокрановый завод
КМЗ
КМЗ 1 Мая
Ковровец
Коммаш
Кранэкс
КЭЗ
КЭМЗ
ЛЗА
МАЗ
МЗИК
МЗКМ
МЗКТ
Михневский РМЗ
МоАЗ
Мозырский МЗ
МТЗ
ОЗП
Онежец
ПАО "ТЗА"
ППС Детва
Промтрактор
ПТЗ
Раскат
СпецАгрегат
ТВЭКС
ТТМ
УВЗ
Угличмаш
УЗТМ
ХТЗ
ЧЗКМ
ЧСДМ
ЧТЗ
ЭКСКО
ЭКСМАШ
ЮрМаш
Модель
Не выбрано
CA1400 (2016)
CA2500D (2016)
CA2500D (2018)
CA2500D-PD (2018)
CA250D (2011)
CA252D (2008)
CA2800D (2017)
CA3500D (2016)
CA4000D (2017)
CA4000D (2020)
CA4600D (2019)
CA5500D (2015)
CA610PD (2014)
CA6500 (2018)
CC1000 (2019)
CC1100CC (2015)
CC1200C Plus (2015)
CC1200C VI (2018)
CC1200CC (2018)
CC125 (2015)
CC1250 (2015)
CC1300 (2018)
CC1300C (2015)
CC1300C (2016)
CC2200 (2018)
CC2200 (2020)
CC2300C (2018)
CC3300 (2018)
CC4000 VI (2018)
CC4200C VI (2020)
CC5200C (2018)
CC6200 VI (2020)
CC800 (2019)
CC900 (2018)
CC900S (2018)
CG2300 (2018)
CP142 (2015)
CP275 (2014)
Dynapac CA1500 (2017)
Dynapac CA2500 (2012)
Dynapac CA302D (2008)
Dynapac CA302D (2010)
Dynapac CA5000D (2017)
Dynapac CC142 (2009)
Dynapac CC2200C (2015)
Dynapac CC224HF (2012)
Dynapac CC322 (2008)
Dynapac CC422 (2010)
Dynapac CC5200 (2014)
Dynapac CC5200 (2017)
Dynapac CC5200 (2017)
Dynapac CC5200 VI (2017)
Dynapac CC800 (2013)
Dynapac CC800 (2014)
Dynapac F1200C/CS (2018)
Dynapac F1200CS/CS (2018)
Dynapac F1800C (2018)
Dynapac F181C (2010)
Dynapac PL2000LS (2010)
Dynapac PL2000LS (2010)
Dynapac PL2000S (2010)
Dynapac PL2000S (2010)
Dynapac SCC1300 (2014)
Dynapac SD2500C (ч. 1) (2018)
Dynapac SD2500C (ч. 2) (2018)
Dynapac SD2550C (ч. 1) (2018)
Dynapac SD2550C (ч. 2) (2018)
F2500C (2018)
SD2550CS (2015)
Схема
>
Не выбрано
Service kits
4700950174 Service kit 50h, Cummins QSB 3.3
4700939076 Service kit 250 / 750 h
4700950175 Service kit 500h, Cummins QSB 3.3
4700950176 Service kit 1000h, Cummins QSB 3.3
Repair kits
4812155792 Eccentric shaft kit CC224HF/324HF/384HF
4812155791 Scraper kit CC224HF/234HF
4812155158 Shock absorber kit, drum CC224HF/324HF/384HF
Front frame module 379861
4700391023 Steering cylinder 18811
Steering hitch lock 393520
Tank structure module 396738
Sprinkler tank structure mount 392880F
4700391307 Cover 391307
Hose support 394022B
Hitch module 391615
Hitch link 390532
Grab handle module 394819A
Rear frame AR0031
Rear frame 379863G
Cover 394364
Engine structure, module 392800
Engine structure 390315F
Engine cover, left 392647
Engine cover, right 392650
Oil cooler 392388
Radiator assembly 391885
Fan 391938A
Fan assembly 391939
Noise suppression plates 392801A
4700396638 Noise suppression kit, covers 396638
Stabilizer module 397138A
Sprinkler system 18645 (Only for CC224/324 with offset drum)
Sprinkler pump module 396722
Sprinkler pump 391971D
Sprinkler pump, backup 391617B
Sprinkler pump, additonal sprinkler/cocoa mat 396663
Sprinkler pump mount 396664A
Filling pipe module 391627
Filling pipe 392098A
Locking device module 394928A
Water hoses 3965411
End frame, front CC224100100010
End frame, front 393104
Frame assy 393102
Fork, vibration side 390112
Fork, propulsion side 390111
Cover plate 391642
Hose clamp, propulsion side 395424B
Hose clamp, vibration side 395424B
Step, vibration side 394352
Step 394353
Scraper module, without nozzles 392993
Scraper assy 395346A
Scraper module, with nozzles 392994
Scraper assy with nozzles 395347
4700394340 Scraper bracket, cpl 394340
Grab handle, release 393551C
Grab handle, release 397235A
Grab handle, lift 393486C
Eyelet module 392464
Cocoa mat module 397246A
Cocoa mat assembly 397092B
Cocoa mat bracket module 397120A
Cocoa mat bracket 397119A
End frame, rear CC224100100020
End frame, rear 393104
End frame, rear offset 393131A
Frame 393288B
Connection block 393269A
Micro switch 395695
SMV-sign module 392289
SMV-sign
Grab handle, lift offset 396052A
Drum 18784
Drum bearing module 391279
Drum bearing 392465
Propulsion motor module 392455A
Drive unit 392454
4700392453 Drum gear 392453_1
Vibration motor module 392380
Vibrating unit 392379
Engine room CC224100300010
Engine 392958B
Engine module 392392E
Air cooler hoses 391915
Water cooler hoses 395868B
Air cleaner module 392677
Air cleaner hose module 391911
Muffler 393167
Exhaust pipe module 392080
Fuel hose module 392694
Charge air cooler 39238
Water cooler 392387
Radiator, cpl 391883
Expansion tank assembly 394156
Coolant hoses 395508
Hydraulic system, front drum 393719
Hydraulic system, rear drum std 393723
Hydraulic system, rear drum offset 19028
Hydraulic valve module, offset 391575
Hydraulic valve 391574
4700391017 Hydraulic valve 391017_1
Hydraulic system, frame
Hydraulic system, engine room 393714_2
Hydraulic valve module 391564
Hydraulic valve 391563
4700391016 Hydraulic valve 18872
4700395924 Hydraulic valve 18872
Hydraulic pump module 392988
Hydraulic pump 392987C
Hydraulic system, steering Std 393714_1
Hose bracket 391096B
Hydraulic steering, sliding seat Std 18649
Steering, slideable 392708
Electric cables, power supply 393753_1
Battery disconnector 391634A
Battery disconnector 391635A
Electric cables, power supply cab 392792
Electric cables, engine - ECU 393753_2
Standard ECU module 391632
Standard ECU assembly 391633
Electric cables, sensors/ horn/ back-up alarm 18992
Horn module 396836
Horn 396837
Back-up alarm module 396834
Back-up alarm 396835
Tachograph 18687
Tachograph holder module 393812
Cable harness kit 394930
Power supply module 394698
Driving & side direction lights 18646
Accessories ECU module 391643
Driving lights, front RH 391644
Driving lights, front LH 391645
Turn signals 392278
Driving lights, rear 391652
Steering column switch module 392449
Cable harness and switch module 392279
Registration plate light module 392375
Registration plate light 392376
Rotating beacon, working light 18647
Rotating beacon module 392356
Rotating beacon module 392356C
Rotating beacon mount 397515
Working light module H3 392036
Working light module Xenon 393539
Platform, no cab AR0070
Platform with 4-post ROPS 391064
Rear covers 395848
Platform no ROPS 393042
Hand rail, left 391569
Hand rail 392999
Hand rail, right 391568
Hand rail 391557
Hand rail 392426
Lunch box module 394307
Canopy option 18868
Canopy assy 397081
Bracket 397082
Cab, asymmetric 391068
4700390865 Cab, cpl 390865
Cab frame, right side 395736
General parts 395738
Windshield wiper, front 395739
Windshield wiper, rear 395740
Windshield washer reservoir 395741
Electric equipment 395742
Door frame 395744
4700395806 Door 395806
Air channel 395752
Heater unit 395754
Heater 393617
Heater controls 393617_2
Manual box 394119
Cab heater system 18848
Heater hoses 394138A_B
Cab noise cover 393148
Radio and cd player 18686
Radio and cd player module 394098
Rear view mirror module 392330
Drivers seat AR0075
Seat frame structure 391062
Seat frame 379731
Steering column 18412
Seat, galon suspensioned 391081
Seat, fabric suspensioned 391090A
Controls, slidable and turning 391065
Cross sliding 392707
Carrier 379727C
Drive control, cpl 391102
Drive control 391100D
Control panel cover 391085
Display unit 391103
Display 391101
Decals 18638
Air conditioning 18856
Compressor module 395733B
Compressor complete 393343A
Condensor module 393528
Condensor 393529
Evaporator module 393583B
4700393584 Evaporator unit 393584
Hose kit AC 394017
Hose kit AC 394018
Hose kit Compressor 394019
Hose kit AC 394020
ACC module 393631
ACC controls 393795
Belt guard module 396000
Fire extinguisher/First Aid Cushion 19014
Fire extinguisher assembly 393861B
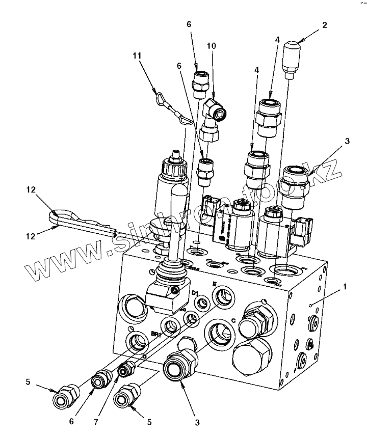
1
1
2
3
3
4
4
5
5
6
6
6
7
10
11
12
12
Позиция на иллюстрации
Заводской номер детали
Название детали
1
4700391016
Hydraulic valve
1
4700395924
Hydraulic valve
2
4700910162
Measuring nipple
3
4700791823
Adapter
4
4700791743
Straight connector orfs
5
4700791799
Straight connector orfs
6
4700791409
Straight connector orfs
7
4700791744
Adapter
10
4700791401
Elbow 90, O-ring with swivel
11
4700358732
Wire
12
4700635057
Hair pin
Содержащиеся в справочниках-каталогах запасные части и детали не предлагаются к продаже, а носят исключительно информационный характер
Дополнительная информация
×
Название:
Номер:
Примечание: