Вернуться на главную
Поиск
Каталоги запчастей к технике
Спецтехника
DYNAPAC
Dynapac CC2200C
End frame, rear
Каталог запасных частей к технике: DYNAPAC Dynapac CC2200C. End frame, rear
zoom-in
zoom-out
enlarge
shrink
circle-right
circle-left
file-text2
info
cart
Тип техники
Не выбрано
Легковые автомобили
Грузовые автомобили и прицепы
Автобусы
Сельхозтехника
Спецтехника
Двигатели
Мототехника
Марка
Не выбрано
Ammann
BOMAG
CARMIX
CASE IH
Changlin
ChengGong
Dimex
Doosan
DYNAPAC
Foton
HAMM
Hidromek
Hitachi
Hyundai
JCB
JLG
John Deere
Komatsu
LIEBHERR
LiuGong
Lonking (LongGong)
Luneng
MANITOU
Mitsuber
New Holland
PENGPU
RM-Terex
SANY
SDLG
SEM
Shantui
Shehwa HBXG
Soosan
TIGARBO
VOGELE
Volvo
WAY
WIRTGEN
XCMG
XGMA
Xiamen
YTO
Yuchai
Zoomlion
Автокран
АЗСМ
Алтайлесмаш
Амкодор
АОМЗ
Атек
АТЗ
Балканкар Рекорд
БелАЗ
Беловеж
Борекс
Брянский Арсенал
Булат
ВЭКС
ГАЗ
Геомаш
Гидромаш
Донекс
Дормаш
Дормашина
Дорэлектромаш
ДЭЗ
ЕлАЗ
ЗЗГТ
Ижнефтемаш
Канаш-электрокар
КЗКТ
ККЗ
Клевер
Клинцовский автокрановый завод
КМЗ
КМЗ 1 Мая
Ковровец
Коммаш
Кранэкс
КЭЗ
КЭМЗ
ЛЗА
МАЗ
МЗИК
МЗКМ
МЗКТ
Михневский РМЗ
МоАЗ
Мозырский МЗ
МТЗ
ОЗП
Онежец
ПАО "ТЗА"
ППС Детва
Промтрактор
ПТЗ
Раскат
СпецАгрегат
ТВЭКС
ТТМ
УВЗ
Угличмаш
УЗТМ
ХТЗ
ЧЗКМ
ЧСДМ
ЧТЗ
ЭКСКО
ЭКСМАШ
ЮрМаш
Модель
Не выбрано
CA1400 (2016)
CA2500D (2016)
CA2500D (2018)
CA2500D-PD (2018)
CA250D (2011)
CA252D (2008)
CA2800D (2017)
CA3500D (2016)
CA4000D (2017)
CA4000D (2020)
CA4600D (2019)
CA5500D (2015)
CA610PD (2014)
CA6500 (2018)
CC1000 (2019)
CC1100CC (2015)
CC1200C Plus (2015)
CC1200C VI (2018)
CC1200CC (2018)
CC125 (2015)
CC1250 (2015)
CC1300 (2018)
CC1300C (2015)
CC1300C (2016)
CC2200 (2018)
CC2200 (2020)
CC2300C (2018)
CC3300 (2018)
CC4000 VI (2018)
CC4200C VI (2020)
CC5200C (2018)
CC6200 VI (2020)
CC800 (2019)
CC900 (2018)
CC900S (2018)
CG2300 (2018)
CP142 (2015)
CP275 (2014)
Dynapac CA1500 (2017)
Dynapac CA2500 (2012)
Dynapac CA302D (2008)
Dynapac CA302D (2010)
Dynapac CA5000D (2017)
Dynapac CC142 (2009)
Dynapac CC2200C (2015)
Dynapac CC224HF (2012)
Dynapac CC322 (2008)
Dynapac CC422 (2010)
Dynapac CC5200 (2014)
Dynapac CC5200 (2017)
Dynapac CC5200 (2017)
Dynapac CC5200 VI (2017)
Dynapac CC800 (2013)
Dynapac CC800 (2014)
Dynapac F1200C/CS (2018)
Dynapac F1200CS/CS (2018)
Dynapac F1800C (2018)
Dynapac F181C (2010)
Dynapac PL2000LS (2010)
Dynapac PL2000LS (2010)
Dynapac PL2000S (2010)
Dynapac PL2000S (2010)
Dynapac SCC1300 (2014)
Dynapac SD2500C (ч. 1) (2018)
Dynapac SD2500C (ч. 2) (2018)
Dynapac SD2550C (ч. 1) (2018)
Dynapac SD2550C (ч. 2) (2018)
F2500C (2018)
SD2550CS (2015)
Схема
>
Не выбрано
CC2200C (IIIB/T4i) SN 10000337x FA015716-CC2200C (IIIB/T4i) SN 10000337x FA015716
4812159352 Service kit, 50h Plus
4812159381 Service kit, 500h
4812159382 Service kit, 500h Plus
4812159383 Service kit, 1000h
4812159384 Service kit, 1000h Plus
4812159672 Start up kit
4812155792 Eccentric shaft kit
4700938891 Drum rotation kit
4812155791 Scraper kit
4812155158 Shock absorber kit, drum
4812155698 Sprinkler kit
Keys
Fuses
Front frame
Front frame module
4700391023 Steering cylinder
Tank structure module
Sprinkler tank structure mount
4700391307 Cover
Hose support
Hitch module
4812117737 Articulated joint
Filling pipe
Locking device module
Grab handle module
Rear frame
Rear frame
Cover
Engine structure, module
Engine structure
4812121578 Engine cover, right
4812121581 Engine cover, left
4812114521 Battery box
Radiator assembly
Fan assembly
4812117865 Noise suppression kit, covers
Sprinkler system
Sprinkler pump module
Sprinkler pump
Water hoses
Emulsion tank module
Emulsion tank mount
Sprinkler pump module, emulsion
Sprinkler pump mounted
Sprinkler box cpl
Sprinkler pipe module, wheel
Sprinkler pipe
Sprinkler pump, backup
End frame, front
End frame, front
Frame assy
Fork, vibration side
Fork, propulsion side
Cover plate
Hose clamp, vibration side
Hose clamp, propulsion side
Step, vibration side
Scraper module, without nozzles
Scraper assy
Scraper module, with nozzles
Scraper assy with nozzles
Scraper assy
4700394340 Scraper bracket, cpl
Grab handle, release
Grab handle, release
Grab handle, lift
Grab handle, lift offset/cocoa mat
Eyelet module
Cocoa mat module
Cocoa mat assembly
Cocoa mat bracket module
Cocoa mat bracket
Process mirrors
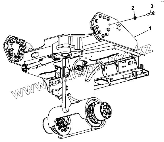
End frame, rear
End frame, rear
Combi unit, basic kit
4700394922 Gear
Hydraulic motor
Frame assy
Connection block
Micro switch
Wheel module
Wheel
Wheel spacer module
Scraper bracket
Scraper module
Scraper assy
Step assy
SMV-sign
Protecting covers
Drum
Drum bearing
Drive unit
4700392453 Drum gear
Vibrating suspension
Vibration motor, mount
4700395915 Hydraulic motor Vibration
Engine
Engine
4812114075 Diesel engine Deutz TCD3.6 L04 IIIB/T4i
Clutch module
Air cooler hoses
Water cooler hoses
Air cleaner module
Air cleaner hoses
Exhaust pipe module
Fuel hose module
Charge air cooler
Water cooler
Expansion tank assembly
Coolant hoses
Belt guard module
Hydraulic system, front drum
Hydraulic system, frame
Hydraulic system, engine room
Hydraulic pump module
4812115098 Hydraulic pump assembly
Hydraulic pump module
Hydraulic pump
Hydraulic valve module
Hydraulic valve
4700395924 Hydraulic valve
Radiator assembly
Hydraulic hoses, rear ending
Hydraulic valve module, offset/combi
Hydraulic valve
4700391017 Hydraulic valve
Hydraulic system, steering Std
Hose bracket
Hydraulic steering, sliding seat
Carrier
Steering, slideable
Electric cables, power supply
Battery disconnector module
Battery disconnector
Electric cables, power supply cab
Electric cables, engine-ECU
ECU std module
Standard ECU assembly
Electric cables, sensors/ horn/ back-up alarm
Horn module
Horn
Back-up alarm module
Back-up alarm
Driving & side direction lights
Driving lights, front RH
Driving lights, front LH
Steering column switch module
Cable harness and switch module
Registration plate light module
Registration plate light
Driving lights, rear
Turn signals
Rotating beacon, working light
Rotating beacon module
Working light module H3
Tachograph, Car stereo
Tachograph with holder
Car stereo module 12V
Drum edge lights and Reading light
Bracket
Bracket
Reading light
GPS/DCA, Asphalt temp meter
GPS/DCA equipment assy
Asphalt temp module
Computer with holder
Platform, no cab
Platform with 4-post ROPS
4812119368 Platform with 4-post ROPS
Roof
ROPS interior
Decals basic kit
Manual box
Hand rail
Hand rail, left
Hand rail
Hand rail, right
Hand rail
Lunch box module
Cab, asymmetric
4812119359 Cab, cpl
Screen front and rear
Corner screens left and AC hood
Wiper side left and front ceiling
24V socket and air nozzels
Cab frame harness
Heating installation
Heater cover plate
AC-kit
Switch kit
Screens asymmetric right
Door sliding screens
Door complete
4812119358 Cab comfort, cpl
Interior Cab
Evaporator AC-ACC
4812113623 Evaporator, cpl
ACC kit
4812113624 ACC kit
Decals basic kit
Cab noise cover
Radio and cd player
Radio and cd player module
Power supply module
Rear view mirror
Drivers seat
Seat frame structure
4700391163 Steering column
Seat, galon suspensioned
Seat, fabric suspensioned
Seat belt 2dm
Seat belt 2dm with reminder
Seat belt 3dm
Seat belt 3dm with reminder
Controls, slidable and turning
Cross sliding
Drive control, cpl
Drive control
Display unit
Control panel cover
Seat frame adapter module, rotating
Decals
Air conditioning
Compressor module
Condensor module
Condensor
AC-ACC, Hose kit
Hose kit
Hose kit Compressor
Fire extinguisher/First Aid Cushion
Fire extinguisher assembly
Edge cutter
Edge cutter, module
4700390998 Edge cutter, cpl
4700390999 Holder
4700391009 Bearing unit
4700387275 Hydraulic cylinder
Cutting disc module
Pressing roller, module
Hydraulic valve module
Hydraulic valve
4700391018 Hydraulic valve
Disc/Roller holder
1
2
3
Позиция на иллюстрации
Заводской номер детали
Название детали
1
Frameassy
Frame assy
2
4700904234
Steel plain washer
3
4700500146
Hex. screw
Содержащиеся в справочниках-каталогах запасные части и детали не предлагаются к продаже, а носят исключительно информационный характер
Дополнительная информация
×
Название:
Номер:
Примечание: