Каталог запасных частей к технике: DYNAPAC Dynapac CC142. Frames From 60214140
1
2
3
4
4
5
5
5
5
6
6
6
7
7
7
7
7
7
7
7
8
8
8
8
8
8
8
9
10
11
11
12
13
13
14
14
15
15
15
15
16
16
17
17
18
19
19
19
19
19
19
20
21
21
21
21
22
22
23
23
24
24
25
25
26
26
27
27
27
27
28
28
28
28
28
29
29
30
31
32
33
34
35
36
37
37
37
37
38
38
40
41
41
42
43
44
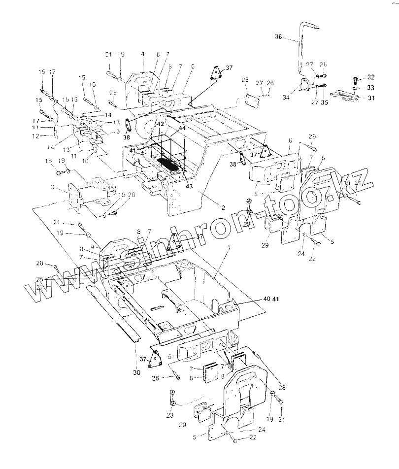
| Позиция на иллюстрации | Заводской номер детали | Название детали | |
|---|---|---|---|
| 1 | 4700378365 | Frame, rear | |
| 2 | 4700378363 | Frame, front | |
| 3 | Steeringhitch | Steering hitch | |
| 4 | 4700357237 | Fork | |
| 5 | 4700357238 | Fork | |
| 6 | 4700357217 | Spacer block | |
| 7 | 4700357222 | Shim | |
| 8 | 4700357221 | Shim | |
| 9 | 4700357486 | Shaft | |
| 10 | 4700357488 | Spring | |
| 11 | 4700343775 | Wire | |
| 12 | 4700357483 | Hair pin | |
| 13 | 4700902171 | Clamp | |
| 14 | 4700902172 | Cover plate | |
| 15 | 4700500016 | Screw | |
| 16 | 4700600004 | Washer | |
| 17 | 4700615076 | Washer | |
| 18 | 4700902100 | Screw | |
| 19 | 4700904232 | Steel plain washer | |
| 20 | 4700927396 | Screw | |
| 21 | 4700500272 | Screw | |
| 22 | 4700500195 | Screw | |
| 23 | 4700383436 | Holder | |
| 24 | 4700904231 | Washer | |
| 25 | 4700378868 | Cover | |
| 26 | 4700792187 | Screw | |
| 27 | 4700904281 | Washer | |
| 28 | 4700902376 | Screw | |
| 29 | Shockabsorber | Shock absorber | |
| 30 | 4700357412 | Cover | |
| 31 | 4700358743 | Towing device | |
| 32 | 4700947687 | Screw | |
| 33 | 4700904231 | Washer | |
| 34 | 4700358861 | Mirror bracket | |
| 35 | 4700500188 | Screw | |
| 36 | 4700373999 | Rod | |
| 37 | 4700393540 | Threaded plate | |
| 38 | 4700396847 | Threaded plate | |
| 40 | 4700500053 | Hex. screw | |
| 41 | 4700904229 | Washer | |
| 42 | 4700349879 | Cover | |
| 43 | 4700349880 | O-ring | |
| 44 | 4700500019 | Hex. screw |
Содержащиеся в справочниках-каталогах запасные части и детали не предлагаются к продаже, а носят исключительно информационный характер