Каталог запасных частей к технике: DYNAPAC Dynapac CC142. Engine Up to 602X3529 DEUTZ F3L 2011
1
2
3
4
4
5
6
7
8
9
10
11
12
12
13
14
15
16
16
17
18
18
19
19
19
19
20
20
20
20
20
20
20
20
21
22
22
22
22
23
23
23
23
23
23
23
24
25
26
27
28
29
30
31
32
33
34
35
36
37
38
39
40
41
42
43
44
45
46
47
48
49
50
50
51
51
52
53
54
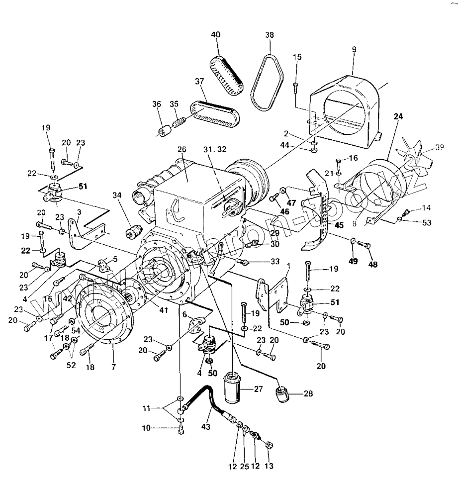
| Позиция на иллюстрации | Заводской номер детали | Название детали | |
|---|---|---|---|
| 4700508029 | 4700508029 | Cylinder screw | |
| 1 | 4700358370 | Engine bracket | |
| 2 | 4700904640 | Washer | |
| 3 | 4700358371 | Engine bracket | |
| 4 | 4700357506 | Shock absorber | |
| 5 | 4700357165 | Engine bracket | |
| 6 | 4700357166 | Engine bracket | |
| 7 | 4700357005 | Pump bracket | |
| 8 | 4700387491 | Cover | |
| 9 | 4700370355 | Cover | |
| 10 | 4700904292 | Hollow screw | |
| 11 | 4700330331 | Washer | |
| 12 | 4700230515 | Connector | |
| 13 | 4700330383 | Cap JIC, steel | |
| 14 | 4700500053 | Hex. screw | |
| 15 | 4700500047 | Hexagon head screw | |
| 16 | 4700500021 | Hex. screw | |
| 17 | 4700508096 | Hexagon socket head cap screw | |
| 18 | 4700508053 | Cylinder screw | |
| 19 | 4700500122 | Screw | |
| 20 | 4700500050 | Screw | |
| 21 | 4700904640 | Washer | |
| 22 | 4700904231 | Washer | |
| 23 | 4700904214 | Washer | |
| 24 | 4700288129 | Rubber edge trim | |
| 25 | 4700904233 | Steel plain washer | |
| 26 | 4700388501 | Diesel engine | |
| 27 | 4700939515 | Oil filter | |
| 28 | 4700903938 | Fuel filter | |
| 29 | Solenoid | Solenoid | |
| 30 | Oiltempguard | Oil temp guard | |
| 31 | 4700909370 | Alternator | |
| 32 | 4700939478 | Charging regulator | |
| 33 | Oilpressuresender | Oil pressure sender | |
| 34 | 4700939593 | Starter | |
| 35 | Splinedshaft | Splined shaft | |
| 36 | Splinedsleeve | Splined sleeve | |
| 37 | 4700939976 | Toothed belt | |
| 38 | 4700902521 | V-belt | |
| 39 | 4700902548 | Fan | |
| 40 | 4700939840 | Toothed belt kit | |
| 41 | 4700357003 | Coupling | |
| 42 | 4700508095 | Screw | |
| 43 | 4700386133 | Hydraulic hose | |
| 44 | 4700586003 | Hexagon lock nut | |
| 45 | 4700390722 | Belt guard | |
| 46 | 4700508025 | Bolt | |
| 47 | 4700904228 | Steel plain washer | |
| 48 | 4700500185 | Screw | |
| 49 | 4700904228 | Steel plain washer | |
| 50 | 4700586019 | Lock nut | |
| 51 | 4700903320 | Shock absorber | |
| 52 | 4700904230 | Washer | |
| 53 | 4700904229 | Washer | |
| 54 | 4700904557 | Washer |
Содержащиеся в справочниках-каталогах запасные части и детали не предлагаются к продаже, а носят исключительно информационный характер