Вернуться на главную
Поиск
Каталоги запчастей к технике
Спецтехника
DYNAPAC
Dynapac CA302D
Cab Heater system 17685
Каталог запасных частей к технике: DYNAPAC Dynapac CA302D. Cab Heater system 17685
zoom-in
zoom-out
enlarge
shrink
circle-right
circle-left
file-text2
info
cart
Тип техники
Не выбрано
Легковые автомобили
Грузовые автомобили и прицепы
Автобусы
Сельхозтехника
Спецтехника
Двигатели
Мототехника
Марка
Не выбрано
Ammann
BOMAG
CARMIX
CASE IH
Changlin
ChengGong
Dimex
Doosan
DYNAPAC
Foton
HAMM
Hidromek
Hitachi
Hyundai
JCB
JLG
John Deere
Komatsu
LIEBHERR
LiuGong
Lonking (LongGong)
Luneng
MANITOU
Mitsuber
New Holland
PENGPU
RM-Terex
SANY
SDLG
SEM
Shantui
Shehwa HBXG
Soosan
TIGARBO
VOGELE
Volvo
WAY
WIRTGEN
XCMG
XGMA
Xiamen
YTO
Yuchai
Zoomlion
Автокран
АЗСМ
Алтайлесмаш
Амкодор
АОМЗ
Атек
АТЗ
Балканкар Рекорд
БелАЗ
Беловеж
Борекс
Брянский Арсенал
Булат
ВЭКС
ГАЗ
Геомаш
Гидромаш
Донекс
Дормаш
Дормашина
Дорэлектромаш
ДЭЗ
ЕлАЗ
ЗЗГТ
Ижнефтемаш
Канаш-электрокар
КЗКТ
ККЗ
Клевер
Клинцовский автокрановый завод
КМЗ
КМЗ 1 Мая
Ковровец
Коммаш
Кранэкс
КЭЗ
КЭМЗ
ЛЗА
МАЗ
МЗИК
МЗКМ
МЗКТ
Михневский РМЗ
МоАЗ
Мозырский МЗ
МТЗ
ОЗП
Онежец
ПАО "ТЗА"
ППС Детва
Промтрактор
ПТЗ
Раскат
СпецАгрегат
ТВЭКС
ТТМ
УВЗ
Угличмаш
УЗТМ
ХТЗ
ЧЗКМ
ЧСДМ
ЧТЗ
ЭКСКО
ЭКСМАШ
ЮрМаш
Модель
Не выбрано
CA1400 (2016)
CA2500D (2016)
CA2500D (2018)
CA2500D-PD (2018)
CA250D (2011)
CA252D (2008)
CA2800D (2017)
CA3500D (2016)
CA4000D (2017)
CA4000D (2020)
CA4600D (2019)
CA5500D (2015)
CA610PD (2014)
CA6500 (2018)
CC1000 (2019)
CC1100CC (2015)
CC1200C Plus (2015)
CC1200C VI (2018)
CC1200CC (2018)
CC125 (2015)
CC1250 (2015)
CC1300 (2018)
CC1300C (2015)
CC1300C (2016)
CC2200 (2018)
CC2200 (2020)
CC2300C (2018)
CC3300 (2018)
CC4000 VI (2018)
CC4200C VI (2020)
CC5200C (2018)
CC6200 VI (2020)
CC800 (2019)
CC900 (2018)
CC900S (2018)
CG2300 (2018)
CP142 (2015)
CP275 (2014)
Dynapac CA1500 (2017)
Dynapac CA2500 (2012)
Dynapac CA302D (2008)
Dynapac CA302D (2010)
Dynapac CA5000D (2017)
Dynapac CC142 (2009)
Dynapac CC2200C (2015)
Dynapac CC224HF (2012)
Dynapac CC322 (2008)
Dynapac CC422 (2010)
Dynapac CC5200 (2014)
Dynapac CC5200 (2017)
Dynapac CC5200 (2017)
Dynapac CC5200 VI (2017)
Dynapac CC800 (2013)
Dynapac CC800 (2014)
Dynapac F1200C/CS (2018)
Dynapac F1200CS/CS (2018)
Dynapac F1800C (2018)
Dynapac F181C (2010)
Dynapac PL2000LS (2010)
Dynapac PL2000LS (2010)
Dynapac PL2000S (2010)
Dynapac PL2000S (2010)
Dynapac SCC1300 (2014)
Dynapac SD2500C (ч. 1) (2018)
Dynapac SD2500C (ч. 2) (2018)
Dynapac SD2550C (ч. 1) (2018)
Dynapac SD2550C (ч. 2) (2018)
F2500C (2018)
SD2550CS (2015)
Схема
>
Не выбрано
CA302D SN 68410303 - 68411199
939568 Service kit 50 h
939569 Service kit 500 h
939570 Service kit 1000 h
938558 Steering hitch kit
938894 Eccentric shaft kit
938891 Drum rotation kit
938881 Shock absorber kit, drum
Frames
Beam
17543 Scrapers, Spring Steel
18012 Scrapers, Spring Steel
17646 Scrapers, Urethan Rubber Option
18014 Scrapers, Urethan Rubber Option
16083 Hitch
17057-2 Structure
17108 Hood latch control Option
17654 Noise suppression, air inlet Option
18169 Drum shroud Option
16118 Drum
18126 Drum, DCO, Option Option
18127 Gear Assy, DCO Option
16961 Drum cartridge Vibration side
18388-1 Drum cartridge Vibration side
16963 Drum cartridge Drive side
16963 Drum cartridge Drive side
372987 Drum gear 16115
Engine Up to 68X10468 Deutz BF4M2012C
Engine From 68X10469 Deutz BF4M2012C
17752 Cooling system
17756 Combustion air system Up to 68X10323
17756-1 Combustion air system From 68X10324
17760 Fuel system
17750-1 Exhaust system
17856 High mounted exhaust system Option
Rear axle and wheels Up to 68X10705
Rear axle and wheels From 68X10706 Up to 68X10720
Rear axle and wheels From 68X10721 Up to 68X10842
Rear axle and wheels From 68X10843
383857 Rear axle
17672 Differential with limited slip
17670 Differential housing and brakes
17673 Planet gear
383856 Rear axle No-Spin, Option 17671
17689 Differential with No-Spin
17673 Planet gear
16613 Propulsion system, Front
371509 Propulsion motor 16542
17730 Propulsion system, Rear
374137 Propulsion motor Up to 68X10373
373361 Propulsion motor From 68X20374
16615 Vibration system
18317 Vibration system DCO, Option
380145 Hydraulic motor, vibration 16978
Steering system CA302200500030
392002 Steering cylinder
375031 Steering cylinder 16490 Up to 68X10966
372424 Pilot valve, steering 15981
Brake system 16617
Hydraulic oil tank 16054-1
Hydraulic oil tank CA252200500470
Central test panel hydraulic 17119-2
Dual speed drum drive Option 17293
Electric system 17737-1
Electric system, additional DCO, Option 18134-1
Relay and Fuses 16843
Instrument box 17021
Instrument panel Main 17020
Instrument panel Upper left 15989
Instrument panel Upper right 15991
Instrument panel Lower left 17035
Instrument panel Lower right 17764
Instrument panel Lower right, DCO, Option 18318
Emergency stop panel 15963-1
Emergency stop panel 18063
Driving lights Option 17488
Working lights Option 17505
Rotating beacon Option 16850
Compaction meter Option 17096 Up to 68X10371
Compaction meter Option 18064 From 68X10372
Speedometer and frequency meter Option 17095
Speedometer and frequency meter Option 18017
Tachograph, platform Option 17805
Tachograph , cab Option 17806
Tachograph, simple cab Option 18161
Back-up alarm Option 17114 Up to 68X10565
Back-up alarm Option 17983 From 68X10566
Protecting cover, Headlight Option 17344
Field computer assembly Option 17804-2
Compaction Analyzer Option 17913 From 68X10372
Geodynamic Compaction indicator Option 18162
Drivers platform 17754
Drivers platform, for cab 17650-1
Drivers seat Standard platform 16010-1
Drivers seat Turn-over platform 17036
Drivers seat Turn-over in cab 17037
359918 Steering column 15944
Steering system 17038-1
Turning Controls 17040
Turning Carrier 17041
Forward and reverse control 17465
Speed limiter Option 17657
Engine control 17755 Up to 68X10461
Engine control 17987 From 68X10462
Rops and fops 17738
Cab Interior 17678
Cab Inside panels 17679
Cab Screens
Cab Door 17681
Cab Wipers front and rear 17682
Cab Mirror, Sun curtain 17683
Cab Electric 17684
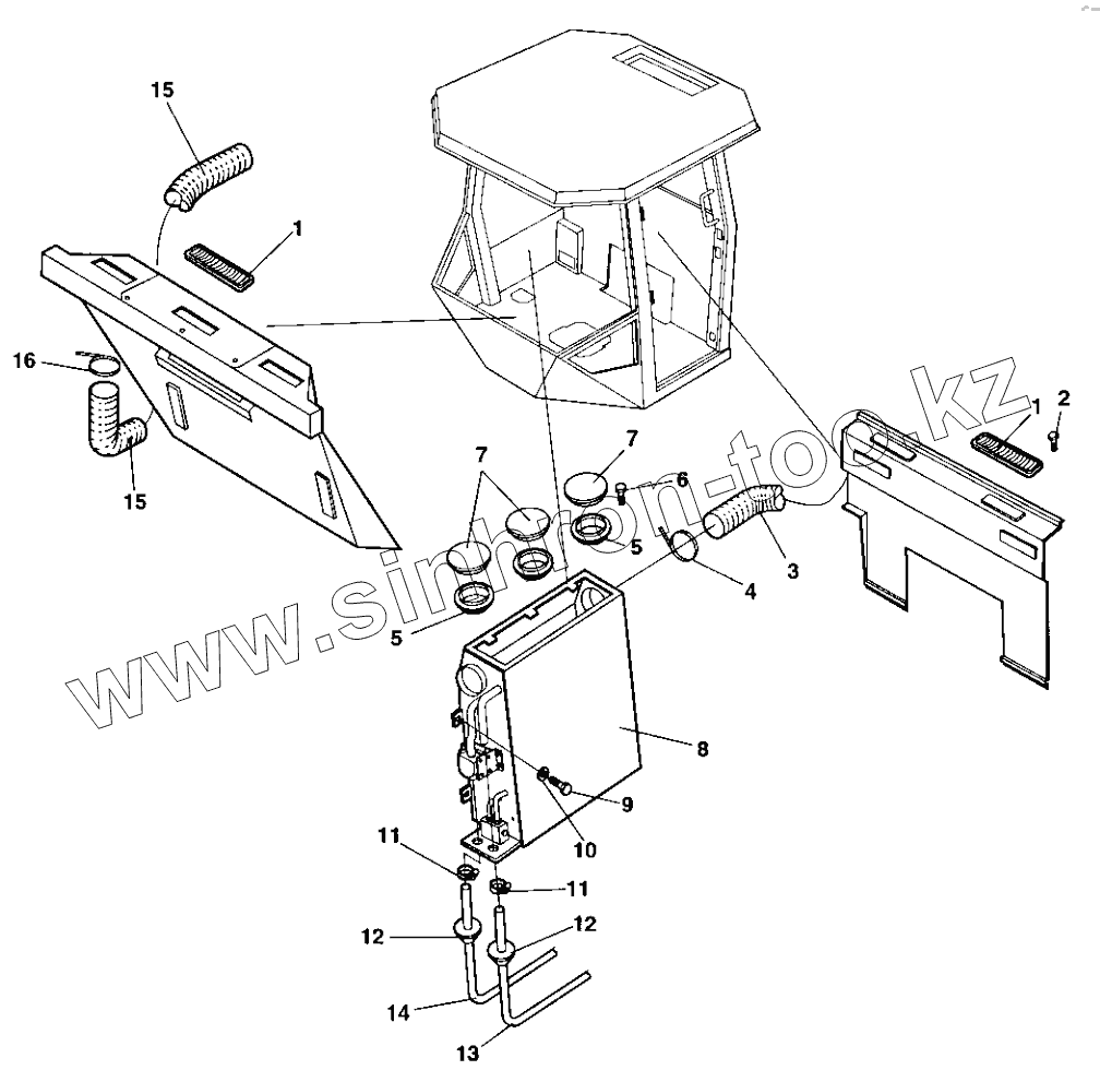
Cab Heater system 17685
385434 Cab heater, cpl 17686
Cab Cable harness 17694-1
Cab Work lights 16007
Cab Exterior, rear mirror 16009
Radio and cassette/cd player Option 15883-1
Cab, 12V contact 17912
Rear mirror Option 17120
Simple Cab mounting Option 16966
Cab Screens 17435
Cab Door, left side 16967-1
Cab Interior rear mirror 16008
Wiper arm with blade, front 16968
Cab Electric 17377
Cab mounting 18429
Cab Screens
Cab Door, left side 16967-1
Decals
Decals 17017-1
Standard equipment 15639-1
Tool equipment 17111-1
SMV-sign, First aid box 17113
Canopy 17121
Levelling blade, metal parts 17132-1
Levelling blade, hydraulic parts 18160
Levelling blade control 17134
Air conditioner assembly 17674
Condensor assembly 17676-1
Compressor assembly 17675
Evaporator assembly 17677-1
Anti-spin CA 17343 Up to ECN04171
Anti-spin CA 17343-2 From ECN04171
Anti spin, Potentiometer installation 17356
Anti spin, Hydraulic 17293
Roof hatch 17374
Pad shell 17506
Scraper and beam 17373
Pad shell assy, Special field kt 18176
Pad shell 18170
Fire extinguisher assembly 17810
Heater, Simple cab Option 18163
385222 Heater 17784
1
1
2
3
4
5
5
6
7
7
8
9
10
11
11
12
12
13
14
15
15
16
Позиция на иллюстрации
Заводской номер детали
Название детали
1
908598
Nozzle
2
938680
Screw
3
935572
Hose
4
935570
Clamp
5
385443
Ring
6
938691
Screw
7
385442
Air nozzle
8
385434
Cab heater, cpl
9
500015
Screw
10
904229
Washer 8,4x16x1,5
11
313003
Hose clamp
12
908496
Grommet
13
937737
Hose
14
937737
Hose
15
908599
Hose
16
908600
Clamp
Содержащиеся в справочниках-каталогах запасные части и детали не предлагаются к продаже, а носят исключительно информационный характер
Дополнительная информация
×
Название:
Номер:
Примечание: