Вернуться на главную
Поиск
Каталоги запчастей к технике
Спецтехника
DYNAPAC
Dynapac CA302D
Exhaust system Version 1
Каталог запасных частей к технике: DYNAPAC Dynapac CA302D. Exhaust system Version 1
zoom-in
zoom-out
enlarge
shrink
circle-right
circle-left
file-text2
info
cart
Тип техники
Не выбрано
Легковые автомобили
Грузовые автомобили и прицепы
Автобусы
Сельхозтехника
Спецтехника
Двигатели
Мототехника
Марка
Не выбрано
Ammann
BOMAG
CARMIX
CASE IH
Changlin
ChengGong
Dimex
Doosan
DYNAPAC
Foton
HAMM
Hidromek
Hitachi
Hyundai
JCB
JLG
John Deere
Komatsu
LIEBHERR
LiuGong
Lonking (LongGong)
Luneng
MANITOU
Mitsuber
New Holland
PENGPU
RM-Terex
SANY
SDLG
SEM
Shantui
Shehwa HBXG
Soosan
TIGARBO
VOGELE
Volvo
WAY
WIRTGEN
XCMG
XGMA
Xiamen
YTO
Yuchai
Zoomlion
Автокран
АЗСМ
Алтайлесмаш
Амкодор
АОМЗ
Атек
АТЗ
Балканкар Рекорд
БелАЗ
Беловеж
Борекс
Брянский Арсенал
Булат
ВЭКС
ГАЗ
Геомаш
Гидромаш
Донекс
Дормаш
Дормашина
Дорэлектромаш
ДЭЗ
ЕлАЗ
ЗЗГТ
Ижнефтемаш
Канаш-электрокар
КЗКТ
ККЗ
Клевер
Клинцовский автокрановый завод
КМЗ
КМЗ 1 Мая
Ковровец
Коммаш
Кранэкс
КЭЗ
КЭМЗ
ЛЗА
МАЗ
МЗИК
МЗКМ
МЗКТ
Михневский РМЗ
МоАЗ
Мозырский МЗ
МТЗ
ОЗП
Онежец
ПАО "ТЗА"
ППС Детва
Промтрактор
ПТЗ
Раскат
СпецАгрегат
ТВЭКС
ТТМ
УВЗ
Угличмаш
УЗТМ
ХТЗ
ЧЗКМ
ЧСДМ
ЧТЗ
ЭКСКО
ЭКСМАШ
ЮрМаш
Модель
Не выбрано
CA1400 (2016)
CA2500D (2016)
CA2500D (2018)
CA2500D-PD (2018)
CA250D (2011)
CA252D (2008)
CA2800D (2017)
CA3500D (2016)
CA4000D (2017)
CA4000D (2020)
CA4600D (2019)
CA5500D (2015)
CA610PD (2014)
CA6500 (2018)
CC1000 (2019)
CC1100CC (2015)
CC1200C Plus (2015)
CC1200C VI (2018)
CC1200CC (2018)
CC125 (2015)
CC1250 (2015)
CC1300 (2018)
CC1300C (2015)
CC1300C (2016)
CC2200 (2018)
CC2200 (2020)
CC2300C (2018)
CC3300 (2018)
CC4000 VI (2018)
CC4200C VI (2020)
CC5200C (2018)
CC6200 VI (2020)
CC800 (2019)
CC900 (2018)
CC900S (2018)
CG2300 (2018)
CP142 (2015)
CP275 (2014)
Dynapac CA1500 (2017)
Dynapac CA2500 (2012)
Dynapac CA302D (2008)
Dynapac CA302D (2010)
Dynapac CA5000D (2017)
Dynapac CC142 (2009)
Dynapac CC2200C (2015)
Dynapac CC224HF (2012)
Dynapac CC322 (2008)
Dynapac CC422 (2010)
Dynapac CC5200 (2014)
Dynapac CC5200 (2017)
Dynapac CC5200 (2017)
Dynapac CC5200 VI (2017)
Dynapac CC800 (2013)
Dynapac CC800 (2014)
Dynapac F1200C/CS (2018)
Dynapac F1200CS/CS (2018)
Dynapac F1800C (2018)
Dynapac F181C (2010)
Dynapac PL2000LS (2010)
Dynapac PL2000LS (2010)
Dynapac PL2000S (2010)
Dynapac PL2000S (2010)
Dynapac SCC1300 (2014)
Dynapac SD2500C (ч. 1) (2018)
Dynapac SD2500C (ч. 2) (2018)
Dynapac SD2550C (ч. 1) (2018)
Dynapac SD2550C (ч. 2) (2018)
F2500C (2018)
SD2550CS (2015)
Схема
>
Не выбрано
938466 Service kit 50h
938527 Service kit 250/750 h
938520 Service kit 500 h
938467 Service kit 1000 h
938558 Steering hitch kit
938894 Eccentric shaft kit
938891 Drum rotation kit
938881 Shock absorber kit, drum
Frames
Scrapers Up to 68220746
Scraper and beam From 68220747
Scrapers, Urethan Rubber Option Up to 68X20840
Scrapers, Urethan Rubber Option From 68X20841
Scrapers, Spring Steel Option Up to 68220843
Scrapers, Spring Steel Option From 68220844
Hitch
Structure 16125-1 Up to 68X20663
Structure 17057-2 From 68X20664
Hood latch control Option
Noise suppressed hood Option
Noise suppression, air inlet Option
Drum
Drum cartridge Vibration side Up to 68X20494
Drum cartridge Vibration side From 68X20495 Up to 68X20602
Drum cartridge Vibration side From 68X20603
Drum cartridge Drive side Up to 68X20494
Drum cartridge Drive side From 68X20495 Up to 68X20602
Drum cartridge Drive side From 68X20603
372987 Drum gear
Engine Cummins 4BTA 3.9 ELITE
Cooling system Up to 68X20521
372052 Radiator Up to 68X20388
375479 Radiator From 68X20389
Cooling system From 68X20522
Combustion air system
Fuel system
Exhaust system Version 1
Exhaust system Version 2
Rear axle and wheels Up to 68X20840
Rear axle and wheels From 68X20841
Rear axle Up to 68X20840
Rear axle From 68X20841
Differential with limited slip Up to 68X20840
Differential with limited slip From 68X20841
Differential housing and brakes Up to 68X20840
Differential housing and brakes From 68X20841
Planet gear Up to 68X20840
Planet gear From 68X20841
372941 Rear axle No-Spin, Option Up to 68X20840
Differential with No-Spin
Differential housing and brakes
Planet gear
383856 Rear axle No-Spin, Option From 68X20841
Differential with No-Spin
Planet gear
Propulsion system, Front
371509 Propulsion motor
Propulsion system, Rear
371545 Propulsion pump Up to 68X20612
374137 Propulsion motor
Vibration system
372624 Vibration pump pump Up to 68X20534
381151 Vibration pump From 68X20535 Up to 68X20744
937167 Rotary group, cpl
937168 Valve block, cpl
355778 Vibration motor Up to 68X20444
380145 Vibration motor From 68X20445
Steering system
373610 Steering pump Up to 68X20434
374995 Steering pump From 68X20435 Up to 68X20617
381727 Steering pump From 68X20618
373410 Hydraulic cylinder Up to 68X20414
375031 Hydraulic cylinder From 68X20415
372424 Pilot valve
Brake system
Hydraulic oil tank
Central test panel hydraulic
Dual speed drum drive Option
Electrical system
Relay and Fuses
Instrument box
Instrument panel Main Up to 68X20576
Instrument panel Main From 68X20577
Instrument panel Upper left
Instrument panel Upper right
Instrument panel Lower left
Instrument panel Lower right
Emergency stop panel
Driving lights Option Up to 68X20746
Driving lights Option From 68X20747
Working lights Option Up to 68X20746
Working lights Option From 68X20747
Rotating beacon Option
Compaction meter Option
Speedometer and frequency meter Option
Tachograph Option
Back-up alarm Option
Protection cover, Head light Option
Drivers platform
Drivers platform, for cab Up to 68X20851
Drivers platform, for cab From 68X20852
Drivers seat Standard platform
Drivers seat Turn-over platform Up to 68X20579
Drivers seat Turn-over platform From 68X20580
Drivers seat Turn-over incab Up to 68X20579
Drivers seat Turn-over incab From 68X20580
Steering column
Steering system Up to 68X20579
Steering system From 68X20580
Turning Controls
Turning Carrier
Forward and reverse control Up to 68X20612
Forward and reverse control From 68X20613 Up to 68X20697
Forward and reverse control From 68X20698
Speed limiter Option
Engine controls
Rops and fops
Cab Interior (Cab Up to 68X20851)
Cab Inside panels (Cab Up to 68X20851)
Cab Screens (Cab Up to 68X20851)
Cab Wipers front and rear (Cab Up to 68X20851)
Cab Water tank, wipers (Cab Up to 68X20851)
Cab Door (Cab Up to 68X20851)
Cab Heater and fan system Up to 68X20495
Cab Heater and fan system Up to From 68X20496
Cab Wiring harness (Cab Up to 68X20851)
Cab Roof mounted electr. switches (Cab Up to 68X20851)
Cab Interior (From 68X20852)
Cab Inside panels (From 68X20852)
Cab Screens (From 68X20852)
Cab Door (From 68X20852)
Cab Wipers front and rear (From 68X20852)
Cab Mirror, Sun curtain (From 68X20852)
Cab Electric (From 68X20852)
Cab Heater system (From 68X20852)
385434 Cab heater, cpl (From 68X20852)
Cab Cable harness (From 68X20852)
Cab Work lights
Cab Exterior rear mirror
Radio and cassette player Option
Rear mirror Option
Simple Cab mounting Option
Simple Cab mounting Electric, Option
Decals
Decals
Standard equipment
Tool equipment
Sign SMV, First aid box
Canopy
Levelling blade, metal parts
Levelling blade, hydraulic parts
Levelling blade control
Air conditioner assembly Up to 68X20851
Air conditioner unit
Air conditioner assembly From 68X20852
Condensor assembly
Compressor assembly
Evaporator assambly
Anti spin CA
Anti spin, Potentiometer installation
Anti spin, Hydraulic
Roof hatch
Pad shell
Scraper and beam
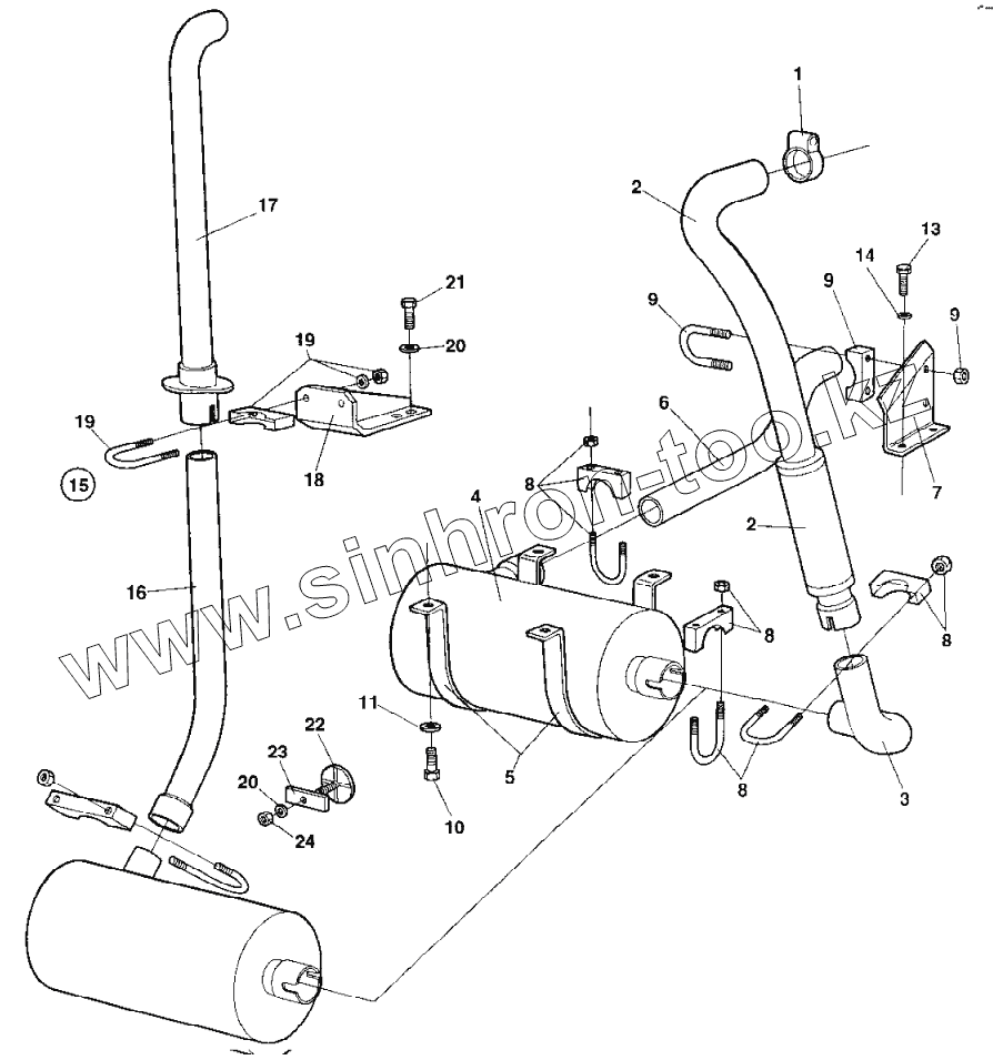
1
2
2
2
2
3
4
5
6
7
8
8
8
8
9
9
9
10
11
13
14
15
16
17
18
19
19
20
20
21
22
23
24
Позиция на иллюстрации
Заводской номер детали
Название детали
1
929185
Clamp
2
371163
Exhaust hose
2
376234
Exhaust hose
3
371895
Exhaust pipe
4
373624
Muffler
5
373625
Clamp
6
371896
Exhaust pipe
7
371172
Bracket
8
313094
Pipe clamp
9
313093
Pipe clamp
10
500029
Screw
11
600008
Washer
13
500053
Screw
14
600006
Washer
15
Exhaustpipe
Exhaust pipe, cpl
16
373048
Exhaust pipe
17
375182
Exhaust pipe
18
375041
Bracket
19
313094
Pipe clamp
20
600006
Washer
21
500053
Screw
22
372722
Cover plate
23
372725
Holder
24
586003
Lock nut M8
Содержащиеся в справочниках-каталогах запасные части и детали не предлагаются к продаже, а носят исключительно информационный характер
Дополнительная информация
×
Название:
Номер:
Примечание: