Каталог запасных частей к технике: DYNAPAC Dynapac CA302D. Engine Cummins 4BTA 3.9 ELITE
1
2
3
4
5
6
7
8
9
11
12
13
13
13
13
14
14
14
14
15
15
15
16
17
17
18
19
20
21
22
23
24
25
26
27
27
28
28
29
29
30
30
30
30
31
31
32
32
33
33
34
35
36
37
38
39
40
41
42
43
44
45
46
47
48
49
50
51
60
61
62
63
64
65
66
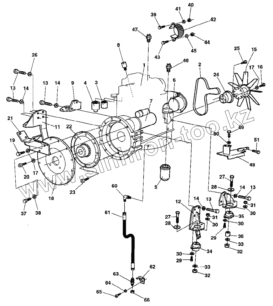
| Позиция на иллюстрации | Заводской номер детали | Название детали | |
|---|---|---|---|
| 1 | 372445 | Engine | |
| 2 | 901449 | V-belt | |
| 3 | 900829 | Fuel filter | |
| 4 | 900827 | Fuel filter cartridge | |
| 5 | 212373 | Oil filter | |
| 6 | 935950 | Alternator | |
| 7 | 901448 | Starter | |
| 8 | 935952 | Fuel solenoid | |
| 9 | 372492 | Engine bracket | |
| 10 | 372493 | Engine bracket | |
| 11 | 371481 | Engine bracket | |
| 12 | 371482 | Engine bracket | |
| 13 | 500037 | Hex. screw | |
| 14 | 904638 | Washer 12x22x2 | |
| 15 | 372156 | Fan | |
| 15 | 382718 | Fan | |
| 16 | 500161 | Screw | |
| 17 | 904637 | Washer 10x18x2 | |
| 18 | 372772 | Bracket | |
| 19 | 508080 | Cylinder screw | |
| 20 | 508053 | Screw | |
| 21 | 372358 | Bracket | |
| 22 | 370229 | Coupling | |
| 23 | 509025 | Screw | |
| 24 | 373782 | Connector | |
| 25 | 904204 | Screw | |
| 26 | 904703 | Washer 13x24x4 | |
| 27 | 500228 | Screw | |
| 28 | 347512 | Washer | |
| 29 | 500194 | Screw | |
| 30 | 904231 | Washer 13x24x2 | |
| 31 | 586019 | Lock nut M12 | |
| 32 | 586022 | Lock nut M20 | |
| 33 | 904233 | Washer 21x36x3 | |
| 34 | 372983 | Shock absorber | |
| 35 | 372984 | Shock absorber | |
| 36 | 370258 | Spacer washer | |
| 37 | 508092 | Screw | |
| 38 | 904229 | Washer 8,4x16x1,5 | |
| 39 | 904379 | Screw | |
| 40 | 586018 | Lock nut M10 | |
| 41 | 904230 | Washer 10,5x22x2 | |
| 42 | 380101 | V-belt cover | |
| 43 | 904241 | Screw M8x40 | |
| 44 | 586003 | Lock nut M8 | |
| 45 | 904640 | Washer 8,4x22x3 | |
| 46 | 935044 | Oil pressure switch | |
| 47 | 903632 | Temperature sensor Engine | |
| 48 | 383842 | Thermal guard | |
| 49 | 500048 | Screw | |
| 50 | 904557 | Washer 10,5x22x4 | |
| 51 | Screw | Screw | |
| 60 | 904210 | Adapter | |
| 61 | 375004 | Drain hose | |
| 62 | 372357 | Bracket | |
| 63 | 230516 | Adapter | |
| 64 | 904232 | Washer 17x30x3 | |
| 65 | 500154 | Screw | |
| 66 | 230384 | Cap |
Содержащиеся в справочниках-каталогах запасные части и детали не предлагаются к продаже, а носят исключительно информационный характер