Каталог запасных частей к технике: DYNAPAC Dynapac CA302D. Cooling system Up to 68X20521
1
1
1
2
3
4
5
5
5
6
7
8
8
8
8
8
9
9
10
11
12
12
12
13
14
15
16
17
18
19
19
19
19
19
20
21
22
23
23
23
24
24
26
26
26
26
27
28
29
30
31
32
33
33
34
36
37
38
39
39
40
40
41
42
43
44
45
45
45
46
46
46
47
47
47
48
49
49
49
50
50
51
52
53
54
55
56
57
58
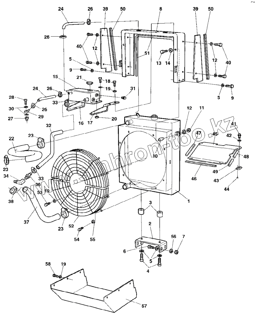
| Позиция на иллюстрации | Заводской номер детали | Название детали | |
|---|---|---|---|
| 904486 | 904486 | Quick lock | |
| 926985 | 926985 | Quick lock washer | |
| 1 | 375479 | Radiator | |
| 1 | 372052 | Radiator | |
| 2 | 370938 | Radiator bracket | |
| 3 | 371773 | Shock absorber | |
| 4 | 500043 | Hex. screw | |
| 5 | 904230 | Washer 10,5x22x2 | |
| 6 | 500031 | Screw | |
| 7 | 586018 | Lock nut M10 | |
| 8 | 371958 | Cooler frame | |
| 8 | 375478 | Cooler frame | |
| 8 | 376165 | Cooler frame | |
| 9 | 500029 | Screw | |
| 10 | 371774 | Shock absorber | |
| 11 | 586002 | Lock nut M6 | |
| 12 | 904228 | Washer 6,4x12x1,5 | |
| 13 | 500012 | Screw | |
| 14 | 615065 | Washer | |
| 15 | 371983 | Expansion tank | |
| 16 | 373154 | Bracket | |
| 17 | 373155 | Bracket | |
| 18 | 500021 | Screw | |
| 19 | 904229 | Washer 8,4x16x1,5 | |
| 19 | 600006 | Washer | |
| 20 | 586003 | Lock nut M8 | |
| 21 | 903714 | Cap | |
| 22 | 372224 | Coolant hose | |
| 23 | 313010 | Hose clamp | |
| 24 | 373775 | Rubber hose | |
| 26 | 313075 | Hose clamp | |
| 27 | 372544 | Connector | |
| 28 | 903915 | Hollow screw | |
| 29 | 903916 | Banjo coupling | |
| 30 | 330328 | Washer 10x14x1 | |
| 31 | 372597 | Level glass | |
| 32 | 373687 | Coolant hose | |
| 33 | 313004 | Hose clamp | |
| 34 | 234365 | Elbow 90 | |
| 36 | 370840 | Hose connection | |
| 37 | 372225 | Coolant hose | |
| 38 | 313023 | Hose clamp | |
| 39 | 371959 | Air leading plate | |
| 40 | 500040 | Screw | |
| 41 | 904297 | Trunnion | |
| 42 | 903601 | Washer | |
| 43 | 903950 | Lock device | |
| 44 | 624011 | Pop rivet | |
| 45 | 372257 | Air inlet | |
| 45 | 375469 | Air inlet | |
| 46 | 902166 | Edge trim | |
| 46 | 902166 | Edge trim | |
| 47 | 902166 | Edge trim | |
| 47 | 902166 | Edge trim | |
| 48 | 902166 | Edge trim | |
| 49 | 902166 | Edge trim | |
| 49 | 902166 | Edge trim | |
| 50 | 902166 | Edge trim | |
| 51 | 903953 | Edge trim | |
| 52 | 373771 | Fan guard | |
| 53 | 500018 | Screw | |
| 54 | 500019 | Screw | |
| 55 | 615043 | Conical spring washer 8,4x18x2 | |
| 56 | 603023 | Washer M10 | |
| 57 | 373144 | Air leading plate | |
| 58 | 500053 | Screw |
Содержащиеся в справочниках-каталогах запасные части и детали не предлагаются к продаже, а носят исключительно информационный характер