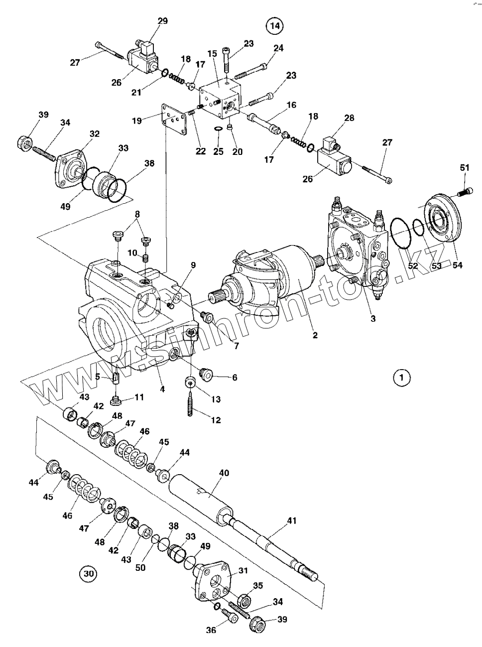
Каталог запасных частей к технике: DYNAPAC Dynapac CA302D. 381151 Vibration pump From 68X20535 Up to 68X20744
1
2
3
4
5
6
7
8
9
10
11
12
13
14
15
16
17
17
18
18
19
20
21
22
23
23
24
25
26
26
27
27
28
29
30
31
32
33
33
34
34
35
36
38
38
39
39
40
41
42
42
43
43
44
44
45
45
46
46
47
47
48
48
49
49
50
51
52
53
54
| Позиция на иллюстрации | Заводской номер детали | Название детали | |
|---|---|---|---|
| 937200 | 937200 | Spring, inner | |
| 1 | Vibrationpump | Vibration pump, Housing | |
| 2 | 937167 | Rotary group, cpl | |
| 3 | 937168 | Valve block, cpl | |
| 4 | 937986 | Housing | |
| 5 | 935158 | Pin | |
| 6 | 935219 | Plug | |
| 7 | 902724 | Plug | |
| 8 | 936803 | Plug | |
| 9 | 909514 | Pin | |
| 10 | 936308 | Orifice | |
| 11 | 902624 | Screw | |
| 12 | 902687 | Pin | |
| 13 | 902695 | Nut | |
| 14 | 908381 | Control valve | |
| 15 | 936683 | Housing | |
| 16 | 936684 | Piston | |
| 17 | 936685 | Spring collar | |
| 18 | 936686 | Spring | |
| 19 | 935218 | Gasket | |
| 20 | 936687 | Pin | |
| 21 | 927253 | O-ring | |
| 22 | 936688 | Pin | |
| 23 | 927358 | Screw | |
| 24 | 908383 | Screw | |
| 25 | 936418 | O-ring | |
| 26 | 937994 | Solenoid | |
| 27 | 901430 | Screw | |
| 28 | 927354 | Socket | |
| 29 | 927355 | Socket | |
| 30 | 937985 | Hydraulic control | |
| 31 | 937998 | Cover | |
| 32 | 937999 | Cover | |
| 33 | 938003 | Guide ring | |
| 34 | 937195 | Pin | |
| 35 | 936340 | Nut | |
| 36 | 902856 | Screw | |
| 38 | 938004 | O-ring | |
| 39 | 936393 | Seal lock nut | |
| 40 | 938005 | Piston | |
| 41 | 937198 | Rod | |
| 42 | 938006 | Ring 5,77 | |
| 43 | 938014 | Sleeve | |
| 44 | 937199 | Spring collar | |
| 45 | 936648 | Spacer ring | |
| 46 | 937531 | Spring, outer | |
| 47 | 937201 | Spring collar | |
| 48 | 938015 | V-ring | |
| 49 | 938001 | O-ring | |
| 50 | 936371 | O-ring | |
| 51 | 902655 | Screw | |
| 52 | 936678 | O-ring | |
| 53 | 936679 | O-ring | |
| 54 | 936677 | Cover |
Содержащиеся в справочниках-каталогах запасные части и детали не предлагаются к продаже, а носят исключительно информационный характер