Вернуться на главную
Поиск
Каталоги запчастей к технике
Спецтехника
DYNAPAC
Dynapac CA2500
Battery disconnector module
Каталог запасных частей к технике: DYNAPAC Dynapac CA2500. Battery disconnector module
zoom-in
zoom-out
enlarge
shrink
circle-right
circle-left
file-text2
info
cart
Тип техники
Не выбрано
Легковые автомобили
Грузовые автомобили и прицепы
Автобусы
Сельхозтехника
Спецтехника
Двигатели
Мототехника
Марка
Не выбрано
Ammann
BOMAG
CARMIX
CASE IH
Changlin
ChengGong
Dimex
Doosan
DYNAPAC
Foton
HAMM
Hidromek
Hitachi
Hyundai
JCB
JLG
John Deere
Komatsu
LIEBHERR
LiuGong
Lonking (LongGong)
Luneng
MANITOU
Mitsuber
New Holland
PENGPU
RM-Terex
SANY
SDLG
SEM
Shantui
Shehwa HBXG
Soosan
TIGARBO
VOGELE
Volvo
WAY
WIRTGEN
XCMG
XGMA
Xiamen
YTO
Yuchai
Zoomlion
Автокран
АЗСМ
Алтайлесмаш
Амкодор
АОМЗ
Атек
АТЗ
Балканкар Рекорд
БелАЗ
Беловеж
Борекс
Брянский Арсенал
Булат
ВЭКС
ГАЗ
Геомаш
Гидромаш
Донекс
Дормаш
Дормашина
Дорэлектромаш
ДЭЗ
ЕлАЗ
ЗЗГТ
Ижнефтемаш
Канаш-электрокар
КЗКТ
ККЗ
Клевер
Клинцовский автокрановый завод
КМЗ
КМЗ 1 Мая
Ковровец
Коммаш
Кранэкс
КЭЗ
КЭМЗ
ЛЗА
МАЗ
МЗИК
МЗКМ
МЗКТ
Михневский РМЗ
МоАЗ
Мозырский МЗ
МТЗ
ОЗП
Онежец
ПАО "ТЗА"
ППС Детва
Промтрактор
ПТЗ
Раскат
СпецАгрегат
ТВЭКС
ТТМ
УВЗ
Угличмаш
УЗТМ
ХТЗ
ЧЗКМ
ЧСДМ
ЧТЗ
ЭКСКО
ЭКСМАШ
ЮрМаш
Модель
Не выбрано
CA1400 (2016)
CA2500D (2016)
CA2500D (2018)
CA2500D-PD (2018)
CA250D (2011)
CA252D (2008)
CA2800D (2017)
CA3500D (2016)
CA4000D (2017)
CA4000D (2020)
CA4600D (2019)
CA5500D (2015)
CA610PD (2014)
CA6500 (2018)
CC1000 (2019)
CC1100CC (2015)
CC1200C Plus (2015)
CC1200C VI (2018)
CC1200CC (2018)
CC125 (2015)
CC1250 (2015)
CC1300 (2018)
CC1300C (2015)
CC1300C (2016)
CC2200 (2018)
CC2200 (2020)
CC2300C (2018)
CC3300 (2018)
CC4000 VI (2018)
CC4200C VI (2020)
CC5200C (2018)
CC6200 VI (2020)
CC800 (2019)
CC900 (2018)
CC900S (2018)
CG2300 (2018)
CP142 (2015)
CP275 (2014)
Dynapac CA1500 (2017)
Dynapac CA2500 (2012)
Dynapac CA302D (2008)
Dynapac CA302D (2010)
Dynapac CA5000D (2017)
Dynapac CC142 (2009)
Dynapac CC2200C (2015)
Dynapac CC224HF (2012)
Dynapac CC322 (2008)
Dynapac CC422 (2010)
Dynapac CC5200 (2014)
Dynapac CC5200 (2017)
Dynapac CC5200 (2017)
Dynapac CC5200 VI (2017)
Dynapac CC800 (2013)
Dynapac CC800 (2014)
Dynapac F1200C/CS (2018)
Dynapac F1200CS/CS (2018)
Dynapac F1800C (2018)
Dynapac F181C (2010)
Dynapac PL2000LS (2010)
Dynapac PL2000LS (2010)
Dynapac PL2000S (2010)
Dynapac PL2000S (2010)
Dynapac SCC1300 (2014)
Dynapac SD2500C (ч. 1) (2018)
Dynapac SD2500C (ч. 2) (2018)
Dynapac SD2550C (ч. 1) (2018)
Dynapac SD2550C (ч. 2) (2018)
F2500C (2018)
SD2550CS (2015)
Схема
>
Не выбрано
CA2500D/PD (IIIA/T3) SN 10000137x 0A009753-
Service kits
4812156993 Service kit, 50h incl. oil
4812158281 Service kit, 500h incl. oil Cummins QSB 4.5
4812158369 Service kit, 500h Cummins QSB 4.5
4812158282 Service kit, 1000h incl. oil Cummins QSB 4.5
4812158283 Service kit 1000h Cummins QSB 4.5
4812158370 Service kit, up to 1000h Cummins QSB 4.5
4812158582 Service kit, 2000h incl. oil Cummins QSB 4.5
4812158583 Service kit 2000h Cummins QSB 4.5
Repair kits
Eccentric shaft kit
4812157275 Drum rotation kit
4812158580 Shock absorber kit, drum
4812158581 Shock absorber kit, drum
Steering hitch kits
Frame, front
4812113132 Steering hitch, cpl
Scraper module
Scraper module Rubber
Scraper assy
Scraper module PD Hardox
Scraper module PD Heavy duty
Scraper mount
Frame, rear
Cover assembly
Articulated Joint Module
Bumper
Bumper, rear lights, option
Tool box module, Option
Step module
Step assy
Engine hood module
Fender module
Hinge module
Lock handle module
4812114363 Lock handle, cpl
Gas spring module
Safety link module
Drum, cpl
4812113266 Drum gear
4812112198 Hydraulic motor
Vibration motor adapter
Tooth wheel module
4812158090 Drum cartridge, vibration side (PD version)
4812158091 Drum cartridge, vibration side (D version)
4812158093 Drum cartridge, vibration side (PD, comp. data high)
4812158095 Drum cartridge with shaft nut, vibration side (PD version)
4812158096 Drum cartridge with shaft nut, vibration side (D version)
4812158098 Drum cartridge with shaft nut, vibration side (PD, comp. data high)
4812158085 Drum cartridge, drive side (PD version)
4812158086 Drum cartridge, drive side (D version)
4812158088 Drum cartridge, drive side (PD, comp. data high)
Pad shell, option
Engine
Diesel engine
Belt guard module
Bracket module
Cooling system
Cooler stand
Hose assy kit
Air cleaner
Air cleaner module
Fuel system
Fuel tank module
Fuel tank
Brackets assy
Fuel hoses
Draining module, option
Fuel system
Fuel tank module
Fuel tank
Fuel hoses
Exhaust system
Expansion tank assembly
Rear axle and wheels
4812113344 Rear axle, limited slip
Differential & Bevel gear
Hub reduction
4812113341 Rear axle No spin
Differential
Central housing and brakes
Hub reduction
Hydraulic system, drum (D) Traction control, dual speed
Hydraulic motor
4812112216 Hydraulic motor, vibration
Rotary group
Flush & boost pressure valve with orifice
Cover
Hydraulic motor
4812112215 Hydraulic motor
Rotary group
Flush and boost pressure valve
Cover with shaft seal ring
Hydraulic valve module
4812113687 Hydraulic valve
Hydraulic system, drum (PD) Traction control, dual speed
Hydraulic motor
4812112200 Drum motor
Loop flushing
Hydraulic system, drum Anti-spin system
Hydraulic motor
4812112202 Drum motor
Drum motor. Front section
Loop flushing
Drum motor. Rear section
Hydraulic system, rear axle Traction control, limited slip
Hydraulic motor
4812112208 Rear axle motor
Front section
Rear section
Hose holder
Hydraulic system, rear axle Traction control, no slip
Hydraulic motor
4812112211 Rear axle motor
Loop flusing
Hydraulic system, rear axle Anti-spin system
Hydraulic motor
4812112210 Rear axle motor
Front section
Rear section
Hydraulic system, rear axle Dual speed
Hydraulic motor
4812112207 Axle motor
Hydraulic system, oil tank
Hydraulic oil tank assembly
Hydraulic valve module
4812112238 Hydraulic valve
Connector assy
Fan module
4812112106 Hydraulic motor
Hydraulic system, frame rear
Connector kit
Connector kit
Hydraulic system, steering
Hydraulic cylinder
4812113826 Hydraulic cylinder
Steering valve module
Hydraulic hoses, steering
Emergency steering valve module
4812110361 Steering valve
Hydraulic system, engine room
Hydraulic pump module
4812112170 Hydraulic pump, propel pump
Front section
Rear section
Hydraulic pump module
Hydraulic oil filter assy
Hydraulic pump module
4812110927 Hydraulic pump
Hydraulic system, engine room Adjustable frequency, eco opti
Hydraulic pump
Hydraulic pump module
4812112192 Hydraulic pump
Electric cables, power supply, 1-pole
Battery module
Battery disconnector module
Electric cables, power supply, 2-pole, option
Battery disconnector, 2-pole
Electrical cables, engine - ECU Horn, back-up alarm
Standard ECU assembly
Power converter module
Inclination sensor module
Back-up alarm module
Back-up alarm module
Bracket module
Driving & side direction lights, number plate light, option
Steering column switch module
Cable harness kit
Registration plate light module
Registration plate light
Holder module Registration plate light
Reversing light, option
Reversing light
GPS equipment module, option
Holder
GPS equipment module
GPS equipment assy
Rotating beacon, working light, option
Rotating beacon module
Rotating beacon
Working light module H3
Speed sensor, frequency sensor, option
Pulse sensor module
Pre-heater installation, option
Heater
Cable harness kit Power supply cab
Compaction meter, option
Power supply
Tachograph, option
Holder assy
Power supply module
Displacement shift
External emergency stop, option
Platform, rops
4812112278 Platform with 4-post ROPS
Basic kit Rops, roof, front handrail
Rear cover
Handrail
Cab, basic kit
Manual box
Cab symmetric module
4812112301 Cab, cpl Comfort
Screens
4812115202 Cab door, cpl
4812115200 Sliding screen, left hand
Windshield wiper
Roof
Heater assy
Hose kit heater
Cab Interior
Heater controls
Cab cabel harness
Cab, electrical equipment
Emergency hammer, hook
Cab, rear cover
Cab, front cover
Floor mat
Step light, wiper switch
Air channel
Sun-blind, inner light
4812112302 Cab, cpl Basic
Cab, rear cover
Cab, front cover
Wiper switch, front
Drivers seat
Seat frame structure
4700391163 Steering column
Seat frame adapter module, rotating
Seat frame adapter module, fixed
Floor cassette module
Seat, fabric suspensioned (option)
Seat, galon suspensioned
Control module
Forward reverse control module
Display unit
Seat belt 2" with reminder
Seat belt 3" with reminder
Reading light
Control panel cover
Car stereo module, option
Rear view mirror
Rear view mirror module
Heater hoses
Decals
Decals
Fire extinguisher/First Aid Cushion
Fire extinguisher
Level sensor module, option
SMV-sign
Drying filter module
Condensor assembly
ACC module
ACC kit
AC module
Hose kit AC
Compressor module
Hose assy kit for AC
1
2
3
4
5
6
7
8
8
9
9
10
11
12
13
14
15
16
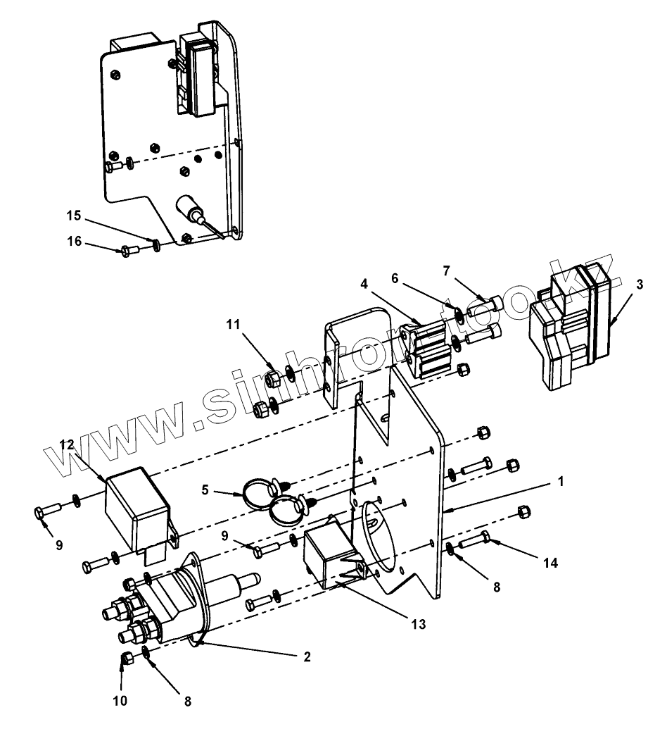
Позиция на иллюстрации
Заводской номер детали
Название детали
1
4812116861
Holder
2
4700903640
Battery switch
3
4812111981
Fuse holder
4
4812112000
Fuse holder
5
4700792441
Cable tie with holder
6
4700904229
Washer
7
4700508019
Cylinder screw
8
4700904228
Steel plain washer
9
4700500040
Screw
10
4700586002
Lock nut
11
4700586003
Hexagon lock nut
12
4700792310
Relay
13
4700792309
Relay
14
4700500075
Screw,
15
4700904556
Steel plain washer
16
4700500019
Hex. screw
Содержащиеся в справочниках-каталогах запасные части и детали не предлагаются к продаже, а носят исключительно информационный характер
Дополнительная информация
×
Название:
Номер:
Примечание: