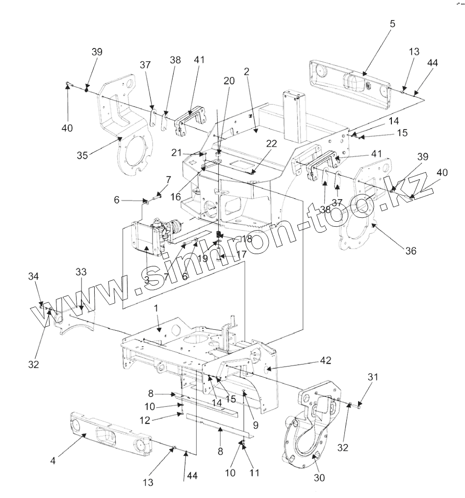
Каталог запасных частей к технике: DYNAPAC CC900S. Frames
1
2
3
4
5
6
6
7
7
8
8
9
10
10
11
12
13
13
14
14
15
15
16
17
18
19
20
21
22
30
31
32
32
33
34
35
36
37
37
38
38
39
39
40
40
41
41
42
44
44
| Позиция на иллюстрации | Заводской номер детали | Название детали | |
|---|---|---|---|
| 1 | 4812121059 | Frame, front | |
| 2 | 4812119982 | Frame, rear | |
| 3 | 4700377621 | Hitch | |
| 4 | 4700387376 | Cover, frame | |
| 5 | 4700387886 | Cover, frame | |
| 6 | 4700904214 | Washer | |
| 7 | 4700500176 | Screw | |
| 8 | 4812120569 | Press plate | |
| 9 | 4700929191 | Bolt | |
| 10 | 4700904640 | Washer | |
| 11 | 4700586003 | Hexagon lock nut | |
| 12 | 4700500021 | Hex. screw | |
| 13 | 4700387949 | Rubber nut | |
| 14 | 4700904228 | Steel plain washer | |
| 15 | 4700792149 | Screw | |
| 16 | 4812125943 | Lock link | |
| 17 | 4700500208 | Screw | |
| 18 | 4700349332 | Pressure spring | |
| 19 | 4700904233 | Steel plain washer | |
| 20 | 4700586022 | Lock nut | |
| 21 | 4700530027 | Clevis pin | |
| 22 | 4700635061 | Hair clip | |
| 30 | 4700377806 | Fork | |
| 31 | 4700500175 | Hex. screw | |
| 32 | 4700904231 | Washer | |
| 33 | 4700389459 | Lifting lug | |
| 34 | 4700500269 | Screw | |
| 35 | 4812120655 | Fork | |
| 36 | 4812120575 | Fork, vibration side | |
| 37 | 4700387425 | Shim | |
| 38 | 4700387424 | Shim | |
| 39 | 4700904231 | Washer | |
| 40 | 4700500122 | Screw | |
| 41 | 4700388153 | Spacer | |
| 42 | Reflector | Reflector | |
| 44 | 4700928647 | Washer |
Содержащиеся в справочниках-каталогах запасные части и детали не предлагаются к продаже, а носят исключительно информационный характер