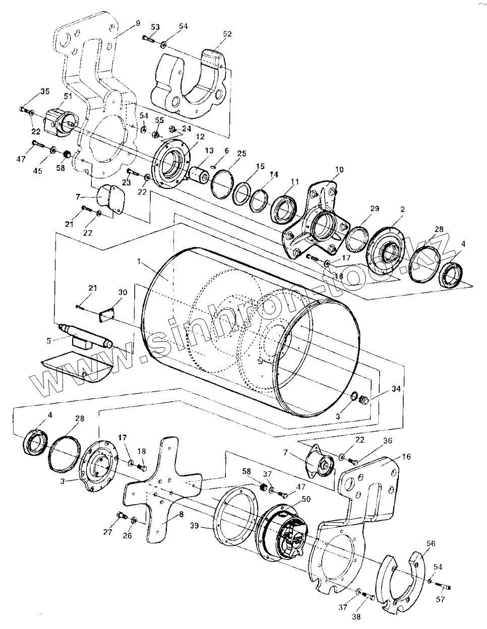
Каталог запасных частей к технике: DYNAPAC CC800. Drum
1
2
3
3
4
4
5
6
7
7
8
9
10
11
12
13
14
15
16
17
17
18
18
21
21
22
22
22
22
23
24
25
26
27
28
28
29
30
34
35
36
37
37
38
39
45
47
47
50
51
52
53
54
54
54
55
56
57
58
58
| Позиция на иллюстрации | Заводской номер детали | Название детали | |
|---|---|---|---|
| 1 | 4812120632 | Drum | |
| 2 | 4700386619 | Bearing housing | |
| 3 | 4700386620 | Bearing housing | |
| 4 | 4700791433 | Spherical roller bearing | |
| 5 | 4700386907 | Eccentric shaft | |
| 6 | 4700350029 | Key | |
| 7 | 4700391984 | Shock absorber | |
| 8 | 4700386622 | Drive disc | |
| 9 | Fork | Fork | |
| 10 | 4700386241 | Bearing housing | |
| 11 | 4700111018 | Ball bearing | |
| 12 | 4700358666 | Adapter | |
| 13 | 4700349202 | Coupling | |
| 14 | 4700358689 | Spacer ring | |
| 15 | 4700903154 | Retaining ring | |
| 16 | Fork | Fork | |
| 17 | 4700904640 | Washer | |
| 18 | 4700500022 | Hex. screw | |
| 19 | 4700904228 | Steel plain washer | |
| 20 | 4700500012 | Hex. screw | |
| 21 | 4812110596 | Hexagon head screw | |
| 22 | 4700904557 | Washer | |
| 23 | 4700500029 | Hex. screw | |
| 24 | 4700343490 | Air breather | |
| 25 | 4700160132 | O-ring 70 | |
| 26 | 4700904558 | Washer | |
| 27 | 4700947694 | Screw | |
| 28 | 4700791425 | O-ring | |
| 29 | 4700791426 | Radial lip seal | |
| 30 | Signplate | Sign plate | |
| 31 | 4700527002 | Drive screw | |
| 33 | 4700162017 | Seal ring | |
| 34 | 4700343744 | Magnetic plug | |
| 35 | 4700508029 | Cylinder screw | |
| 36 | 4812110663 | Hexagon head screw | |
| 37 | 4700904703 | Plain washer | |
| 38 | 4700925519 | Screw | |
| 39 | 4700387137 | Thread ring | |
| 45 | 4700904231 | Washer | |
| 47 | 4812110595 | Hexagon head screw | |
| 49 | 4700903374 | Protective plug | |
| 50 | Hydraulicmotor | Hydraulic motor, Cpl | |
| 51 | Hydraulicmotor | Hydraulic motor, Cpl | |
| 52 | 4700389434 | Ballast | |
| 53 | 4700925228 | Hexagon head screw | |
| 54 | 4700904703 | Plain washer | |
| 55 | 4700570007 | Hex. nut | |
| 56 | 4700389432 | Ballast | |
| 57 | 4700928198 | Screw | |
| 58 | 4812110346 | Spacer |
Содержащиеся в справочниках-каталогах запасные части и детали не предлагаются к продаже, а носят исключительно информационный характер