Вернуться на главную
Поиск
Каталоги запчастей к технике
Спецтехника
DYNAPAC
CC6200 VI
Seat frame adapter module
Каталог запасных частей к технике: DYNAPAC CC6200 VI. Seat frame adapter module
zoom-in
zoom-out
enlarge
shrink
circle-right
circle-left
file-text2
info
cart
Тип техники
Не выбрано
Легковые автомобили
Грузовые автомобили и прицепы
Автобусы
Сельхозтехника
Спецтехника
Двигатели
Мототехника
Марка
Не выбрано
Ammann
BOMAG
CARMIX
CASE IH
Changlin
ChengGong
Dimex
Doosan
DYNAPAC
Foton
HAMM
Hidromek
Hitachi
Hyundai
JCB
JLG
John Deere
Komatsu
LIEBHERR
LiuGong
Lonking (LongGong)
Luneng
MANITOU
Mitsuber
New Holland
PENGPU
RM-Terex
SANY
SDLG
SEM
Shantui
Shehwa HBXG
Soosan
TIGARBO
VOGELE
Volvo
WAY
WIRTGEN
XCMG
XGMA
Xiamen
YTO
Yuchai
Zoomlion
Автокран
АЗСМ
Алтайлесмаш
Амкодор
АОМЗ
Атек
АТЗ
Балканкар Рекорд
БелАЗ
Беловеж
Борекс
Брянский Арсенал
Булат
ВЭКС
ГАЗ
Геомаш
Гидромаш
Донекс
Дормаш
Дормашина
Дорэлектромаш
ДЭЗ
ЕлАЗ
ЗЗГТ
Ижнефтемаш
Канаш-электрокар
КЗКТ
ККЗ
Клевер
Клинцовский автокрановый завод
КМЗ
КМЗ 1 Мая
Ковровец
Коммаш
Кранэкс
КЭЗ
КЭМЗ
ЛЗА
МАЗ
МЗИК
МЗКМ
МЗКТ
Михневский РМЗ
МоАЗ
Мозырский МЗ
МТЗ
ОЗП
Онежец
ПАО "ТЗА"
ППС Детва
Промтрактор
ПТЗ
Раскат
СпецАгрегат
ТВЭКС
ТТМ
УВЗ
Угличмаш
УЗТМ
ХТЗ
ЧЗКМ
ЧСДМ
ЧТЗ
ЭКСКО
ЭКСМАШ
ЮрМаш
Модель
Не выбрано
CA1400 (2016)
CA2500D (2016)
CA2500D (2018)
CA2500D-PD (2018)
CA250D (2011)
CA252D (2008)
CA2800D (2017)
CA3500D (2016)
CA4000D (2017)
CA4000D (2020)
CA4600D (2019)
CA5500D (2015)
CA610PD (2014)
CA6500 (2018)
CC1000 (2019)
CC1100CC (2015)
CC1200C Plus (2015)
CC1200C VI (2018)
CC1200CC (2018)
CC125 (2015)
CC1250 (2015)
CC1300 (2018)
CC1300C (2015)
CC1300C (2016)
CC2200 (2018)
CC2200 (2020)
CC2300C (2018)
CC3300 (2018)
CC4000 VI (2018)
CC4200C VI (2020)
CC5200C (2018)
CC6200 VI (2020)
CC800 (2019)
CC900 (2018)
CC900S (2018)
CG2300 (2018)
CP142 (2015)
CP275 (2014)
Dynapac CA1500 (2017)
Dynapac CA2500 (2012)
Dynapac CA302D (2008)
Dynapac CA302D (2010)
Dynapac CA5000D (2017)
Dynapac CC142 (2009)
Dynapac CC2200C (2015)
Dynapac CC224HF (2012)
Dynapac CC322 (2008)
Dynapac CC422 (2010)
Dynapac CC5200 (2014)
Dynapac CC5200 (2017)
Dynapac CC5200 (2017)
Dynapac CC5200 VI (2017)
Dynapac CC800 (2013)
Dynapac CC800 (2014)
Dynapac F1200C/CS (2018)
Dynapac F1200CS/CS (2018)
Dynapac F1800C (2018)
Dynapac F181C (2010)
Dynapac PL2000LS (2010)
Dynapac PL2000LS (2010)
Dynapac PL2000S (2010)
Dynapac PL2000S (2010)
Dynapac SCC1300 (2014)
Dynapac SD2500C (ч. 1) (2018)
Dynapac SD2500C (ч. 2) (2018)
Dynapac SD2550C (ч. 1) (2018)
Dynapac SD2550C (ч. 2) (2018)
F2500C (2018)
SD2550CS (2015)
Схема
>
Не выбрано
4812160752 Service kit, 50h
4812161474 Service kit, 500h
4812163270 Service kit, 500h Plus
4812161475 Service kit, 1000h
4812163272 Service kit, 1000h Plus
4812161476 Service kit, 2000h
4812163274 Service kit, 2000h Plus (not for machines with PANOLIN)
4700945903 Eccentric shaft kit
4700938891 Drum rotation kit
4812161597 Shock absorber kit, drum
4812161596 Scraper blade kit
Frame and hitch
Front frame module
Cover assembly
Drum cover module
Hitch module
4812117737 Articulated joint
Ballast module
Rear frame module To A021377
Rear frame module From A021378
Front ending module
Cover plates, front ending
Step and handle, front right
Rear ending module
Cover plates, rear ending
Towing eyelet
Scrapers
Scraper module
4700394340 Scraper bracket, cpl
Bracket module
Bracket module
Bracket module
Grab handle, lift
Grab handle module
Grab handle, release
Sprinkler system
Sprinkler pump module
Water tank module
Filling pipe module
Locking device
Sprinkler hoses
Scraper module, with nozzles
Sprinkler tank module, rear
Sprinkler tank, rear
Sprinkler hose module, extra tank rear
Drum
Drum drive
4812123057, 4812123058 Hydraulic motor
Drum bearing
Drum suspension
Weight module 40kg
Engine assembly
Engine bracket module
Belt guard module
4812124294 Engine Cummins QSF 3.8 T4
Air filter module
Exhaust system module
Cooling system
Cooler stand module
Cooling air casing
Charge air cooler mounted
Water cooler system
Expansion tank module
Fuel system std
Fuel tank module
Bracket kit
Fuel hose assembly
Draining module
DEF/Urea system
DEF Equipment module
Urea pump module
Hose kit, urea To A022735
Hose kit, urea From A022736
Engine hoods
Engine hood module right
Engine hood module left
Engine hood module center
Rear frame cover module, right
Rear frame cover module, left
Expansion tank cover module
Engine hoods
Engine hood module right
Engine hood module left
Engine hood module center
Rear frame cover module, left
Rear frame cover module, right
Hydraulic system, filter, oil and leak - Std To 022079, Eco To 021550
Hydraulic system, filter, oil and leak - Std From 022080, Eco From 021551
Main hydraulic valve, cpl
4812128092 Hydraulic valve
4812123244 Hydraulic valve
Hydraulic pump & connectors Std To 022079, Eco To 021550
4700390602 Hydraulic pump
4812155785 Hydraulic pump
Rotating group, cpl
Valve block, cpl
Control module
Flushing valve
4812155786 Hydraulic pump
Rotary group, cpl
Valve block, cpl
4812155787 Hydraulic pump
Rotary group, cpl
Valve block, cpl
Hydraulic pump & connectors Std From 022080, Eco From 021551
Hydraulic tank mounted
Propulsion system
Vibration system
4700395915 Hydraulic motor Vibration
Hydraulic system, fan & steering
Fan module
Hose bracket, cross sliding
Brake system
Electric system, main harness
Fuse and relay central module
Ecu module
Back-up alarm module
Cable harnesses, speed and frequency
Power supply, std
Battery shelf module
Battery holder
Power supply, cab
Driving-, direction- & Licence plate lights
Driving lights module
Turn signals
Registration plate light
Steering column switch module
Driving lights module, left rear
Driving lights module, right rear
Rotating beacon
Drum edge lights
Working lights Rops/Cab
Dyn@Link
Dyn@lyzer
Holder module, Computer
Holder module
Tachograph
DCM Compaction meter with Evib
Cab module
4812122868 Cab asymmetric comfort
Roof edges
Windscreen and wipers, front
Ceiling, lower panels
Screens, wipers and switches, cab right side
4812125328 Sliding window
Interior, celing (lights, nozzles, hammer, hook, switch 2&3)
Ventilation hoses, rear washer/wiper, power sockets
Interior, front (air channel, loud speakers, antenna, relays, switch 1)
AC Box
Air condition installation (ACC)
4812125276 ACC Unit
Door, left
4812122883 Door
4812125321 Sliding window, left
Horn, power converter, protections
Rear screen
4812127299 Cab asymmetric comfort
Door, left
Door assembly
Door window openable
4812122869 Cab asymmetric std
Heater installation
4812126358 Heater unit
Rear screen
4812127300 Cab asymmetric std
Door, left
Door assembly
Sliding window
ROPS module
4812122870 ROPS
Handrails, harness, power sockets
Handrail assembly
Roof edges
Rear covers, storage
Manual box
Mirrors
Seat frame module
Seat frame adapter module
Control module, sliding/turning
Floor cassette module
Seat, galon suspensioned
Seat comfort, fabric suspensioned
Seat comfort, galon suspensioned
Seat belt 2"
Seat belt 2" with reminder
Seat belt 3"
Seat belt 3" with reminder
Control module, 4 buttons
Forward-reverse control module
Display module
Instrument panel cover module
SMV sign
Fire extinguisher, Cab
Fire extinguisher, ROPS
Plain Dynapac decals, kit
Color
Air conditioning
Condensor module
Drying filter module
4812114257 Drying filter assy
Compressor module
Refrigerant hose kit
Car stereo module 12V
Asphalt temp meter
Edge cutter, front right
Edge cutter, right
Holder, edge cutter
4812120738 Hydraulic cylinder
Bearing unit
Edge cutter, left
Holder, edge cutter
Holder module
Pressing roller, module
Cutting disc module
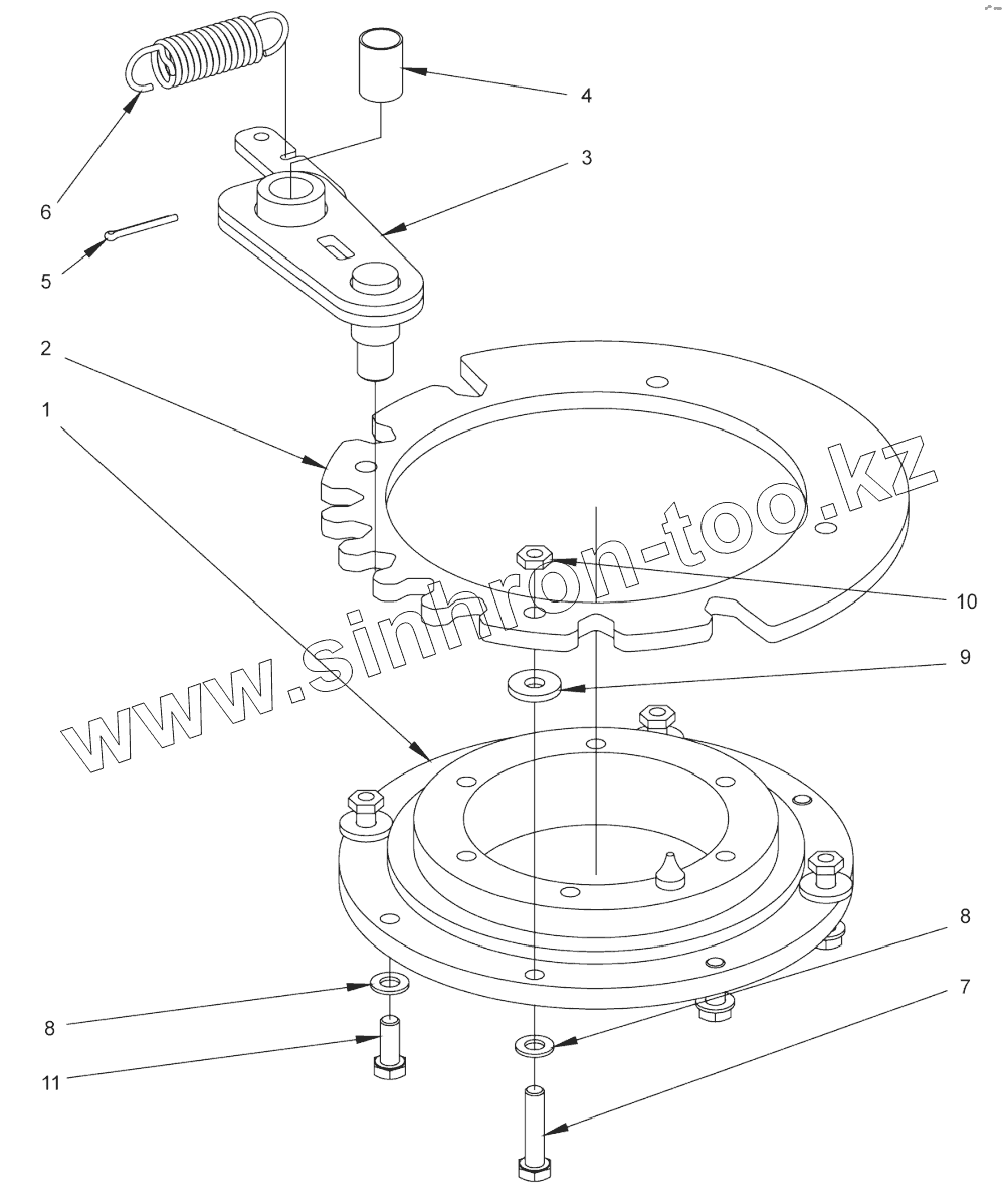
1
2
3
4
5
6
7
8
8
9
10
11
Позиция на иллюстрации
Заводской номер детали
Название детали
1
4700359125
Ball bearing
2
4812120847
Locking disc
3
4812119788
Coupling link
4
4700359819
Bushing
5
4700630008
Pin
6
4700359043
Spring
7
4700792678
Screw
8
4700904229
Washer
9
4700904640
Washer
10
4700573008
Nut
11
4700947679
Hex screw
Содержащиеся в справочниках-каталогах запасные части и детали не предлагаются к продаже, а носят исключительно информационный характер
Дополнительная информация
×
Название:
Номер:
Примечание: