Вернуться на главную
Поиск
Каталоги запчастей к технике
Спецтехника
DYNAPAC
CC5200C
Combi unit, additional kit
Каталог запасных частей к технике: DYNAPAC CC5200C. Combi unit, additional kit
zoom-in
zoom-out
enlarge
shrink
circle-right
circle-left
file-text2
info
cart
Тип техники
Не выбрано
Легковые автомобили
Грузовые автомобили и прицепы
Автобусы
Сельхозтехника
Спецтехника
Двигатели
Мототехника
Марка
Не выбрано
Ammann
BOMAG
CARMIX
CASE IH
Changlin
ChengGong
Dimex
Doosan
DYNAPAC
Foton
HAMM
Hidromek
Hitachi
Hyundai
JCB
JLG
John Deere
Komatsu
LIEBHERR
LiuGong
Lonking (LongGong)
Luneng
MANITOU
Mitsuber
New Holland
PENGPU
RM-Terex
SANY
SDLG
SEM
Shantui
Shehwa HBXG
Soosan
TIGARBO
VOGELE
Volvo
WAY
WIRTGEN
XCMG
XGMA
Xiamen
YTO
Yuchai
Zoomlion
Автокран
АЗСМ
Алтайлесмаш
Амкодор
АОМЗ
Атек
АТЗ
Балканкар Рекорд
БелАЗ
Беловеж
Борекс
Брянский Арсенал
Булат
ВЭКС
ГАЗ
Геомаш
Гидромаш
Донекс
Дормаш
Дормашина
Дорэлектромаш
ДЭЗ
ЕлАЗ
ЗЗГТ
Ижнефтемаш
Канаш-электрокар
КЗКТ
ККЗ
Клевер
Клинцовский автокрановый завод
КМЗ
КМЗ 1 Мая
Ковровец
Коммаш
Кранэкс
КЭЗ
КЭМЗ
ЛЗА
МАЗ
МЗИК
МЗКМ
МЗКТ
Михневский РМЗ
МоАЗ
Мозырский МЗ
МТЗ
ОЗП
Онежец
ПАО "ТЗА"
ППС Детва
Промтрактор
ПТЗ
Раскат
СпецАгрегат
ТВЭКС
ТТМ
УВЗ
Угличмаш
УЗТМ
ХТЗ
ЧЗКМ
ЧСДМ
ЧТЗ
ЭКСКО
ЭКСМАШ
ЮрМаш
Модель
Не выбрано
CA1400 (2016)
CA2500D (2016)
CA2500D (2018)
CA2500D-PD (2018)
CA250D (2011)
CA252D (2008)
CA2800D (2017)
CA3500D (2016)
CA4000D (2017)
CA4000D (2020)
CA4600D (2019)
CA5500D (2015)
CA610PD (2014)
CA6500 (2018)
CC1000 (2019)
CC1100CC (2015)
CC1200C Plus (2015)
CC1200C VI (2018)
CC1200CC (2018)
CC125 (2015)
CC1250 (2015)
CC1300 (2018)
CC1300C (2015)
CC1300C (2016)
CC2200 (2018)
CC2200 (2020)
CC2300C (2018)
CC3300 (2018)
CC4000 VI (2018)
CC4200C VI (2020)
CC5200C (2018)
CC6200 VI (2020)
CC800 (2019)
CC900 (2018)
CC900S (2018)
CG2300 (2018)
CP142 (2015)
CP275 (2014)
Dynapac CA1500 (2017)
Dynapac CA2500 (2012)
Dynapac CA302D (2008)
Dynapac CA302D (2010)
Dynapac CA5000D (2017)
Dynapac CC142 (2009)
Dynapac CC2200C (2015)
Dynapac CC224HF (2012)
Dynapac CC322 (2008)
Dynapac CC422 (2010)
Dynapac CC5200 (2014)
Dynapac CC5200 (2017)
Dynapac CC5200 (2017)
Dynapac CC5200 VI (2017)
Dynapac CC800 (2013)
Dynapac CC800 (2014)
Dynapac F1200C/CS (2018)
Dynapac F1200CS/CS (2018)
Dynapac F1800C (2018)
Dynapac F181C (2010)
Dynapac PL2000LS (2010)
Dynapac PL2000LS (2010)
Dynapac PL2000S (2010)
Dynapac PL2000S (2010)
Dynapac SCC1300 (2014)
Dynapac SD2500C (ч. 1) (2018)
Dynapac SD2500C (ч. 2) (2018)
Dynapac SD2550C (ч. 1) (2018)
Dynapac SD2550C (ч. 2) (2018)
F2500C (2018)
SD2550CS (2015)
Схема
>
Не выбрано
4812160580 Service kit, 50h Plus
4700945806 Service kit 500 h, Cummins QSB 4.5 T3
4812160269 Service kit 1000 h, Cummins QSB 4.5 T3
4700945903 Eccentric shaft kit
4700938891 Drum rotation kit
4700945904 Shock absorber kit, drum
4812155698 Sprinkler kit
Keys
Fuses
Front frame
Front frame
4700391023 Steering cylinder
Tank structure module
Tank structure module
4700391307 Cover
Hose support
Hitch module
4812117737 Articulated joint
Filling pipe
Locking device module
Grab handle module
Rear frame
Frame, rear
Cover, cpl
Engine structure, module
Engine structure
4812121586 Cover left, cpl
4812121583 Cover right, cpl
Noise suppression plates
Noise suppression, covers
Grab handle module
Sprinkler system
Sprinkler pump module
Sprinkler pump
Water hoses
Emulsion tank module
Emulsion tank mount
Sprinkler pump module, emulsion
Sprinkler pump mounted
Sprinkler box cpl
Sprinkler pipe module, wheel
Sprinkler pipe
Sprinkler pump, backup
End frame, front
End frame, front
Frame
End frame, extra tank
Frame assy
Fork, vibration side
Fork, propulsion side
Cover plate
Hose clamp, propulsion side
Hose clamp, vibration side
Step, vibration side
Step, propulsion side
Scraper module, without nozzles
Scraper assy
Scraper module, with nozzles
Scraper assy with nozzles
4700394340 Scraper bracket, cpl
Grab handle, release
Grab handle, release
Grab handle, release
Grab handle, lift
Grab handle, lift offset/cocoa mat
Cocoa mat module
Cocoa mat assembly
Cocoa mat bracket module
Cocoa mat bracket
Cocoa mat bracket module
Cocoa mat bracket
Process mirrors
End frame, rear
End frame, rear
Frame assy
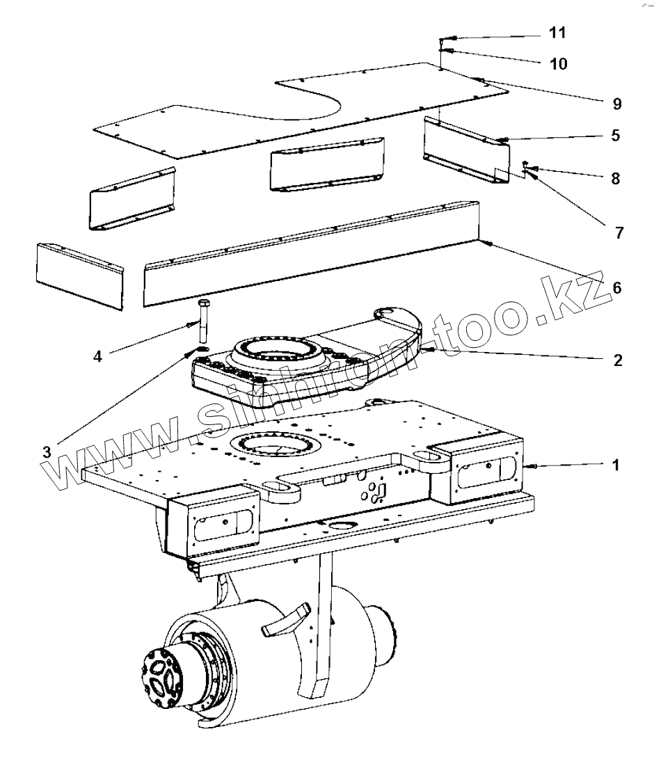
Combi unit, additional kit
Combi unit, basic kit
4700394922 Gear
Hydraulic motor
Connection block
Micro switch
4700391024 Steering cylinder
Wheel module
Wheel
Wheel spacer module
Scraper bracket
Scraper module
Scraper assy
Step assy
SMV-sign
Protecting covers
Drum
Drum bearing
Drive unit, To A014206
4700390604 Drum gear, To A014206
4700390603 Hydraulic motor, To A014206
Engine hydraulic part, To A014206
End plate, To A014206
Drive unit, From A014207
4812269526 Gear, From A014207
4812120567 Hydraulic motor, From A014207
Housing, cpl, From A014207
Rotary group, From A014207
Connection plate, cpl, From A014207
Sensor, From A014207
Vibration unit To A016644 Vibrating unit Sauer
4700395915 Hydraulic motor Vibration. To A016644, From A016645
Vibration unit From A016645 Vibrating unit Sauer
Engine room
Engine
Engine module
Diesel engine Cummins QSB4.5 T3 - 93kW
Air cooler hoses
Air cleaner module
Air cleaner hose module
Muffler
Exhaust pipe module
Fuel hose module
Charge air cooler
Water cooler, To A014202
Water cooler hoses, To A014202
Water cooler, From A014203
Water cooler hoses, From A014203
Coolant hoses
Expansion tank assembly
Hydraulic system, front drum
Hydralic system, wheels
Hydraulic valve module, offset/combi
Hydraulic valve
4700391017 Hydraulic valve
Hydraulic hoses, frame
Hydraulic hoses, engine room
Fan module
Hydraulic pump module
Oil cooler
Hydraulic valve module
Hydraulic valve
4700395924 Hydraulic valve
Pump bracket
Hydraulic pump module
Hydraulic pump
Hydraulic system, steering Std
Hose bracket
Hydraulic steering, sliding seat
Carrier
Steering, slideable
4700372424 Pilot valve, steering
Electric cables, power supply
Battery disconnector
Battery disconnector
Electric cables, power supply cab
Electric cables, engine - ECU
Standard ECU module
Standard ECU assembly
Electric cables, engine - ECU
Standard ECU module
Standard ECU assembly
Driving & side direction lights
Driving lights, front RH
Driving lights, front LH
Steering column switch module
Cable harness and switch module
Registration plate light module
Registration plate light
Driving lights, rear
Turn signals
Rotating beacon, working light
Rotating beacon module
Working light module H3
Drum edge lights
Bracket
Bracket
GPS/DCA, Asphalt temp meter
Cable harness kit, GPS
Cable and Gateway
GPS/DCA equipment assy
Temp sensor module
Temp sensor module
Computer with holder
Platform, no cab
Platform with 4-post ROPS
4812119369 Platform with 4-post ROPS
Roof
ROPS interior
Decals basic kit
Manual box
Hand rail, left
Hand rail
Hand rail, right
Hand rail
Hand rail
Lunch box module
Cab, asymmetric
4812119361 Cab, cpl
Screens front/rear and ceiling
Corner screens left and AC hood
24V socket and air nozzels
Wipers front/rear and front ceiling
Cab frame harness
Heating installation
Heater cover plate
AC-kit
Switch kit
Door sliding screens
Door complete
Screens asymmetric right
Lower screens front/rear and rear cover
Lower screen and water system, left
Lower screens and water system, right
4812119360 Cab comfort, cpl
Interior Cab
Evaporator kit
ACC kit
4812113624 ACC kit
Decals basic kit
Cab noise cover
Rear view mirror
Drivers seat
Seat frame structure
4700391163 Steering column
Seat, galon suspensioned
Seat comfort, galon suspensioned
Seat comfort, fabric suspensioned
Seat belt 2"
Seat belt 2" with reminder
Seat belt 3"
Seat belt 3" with reminder
Controls, slidable and turning
Cross sliding
Carrier
Drive control To A015392
Drive control To A015392
Drive control From A01539
Drive control From A01539
Control handle From A01539
Display unit
Control panel cover
Seat frame adapter module, rotating
Decals
Plain Dynapac decals, kit
Air conditioning
Compressor module
Condensor module
Condensor
4812113623 Evaporator, cpl
Hose kit Compressor
Hose kit AC
Radio and cd player
Radio and cd player module
Power supply module
Tachograph
Tachograph holder module
Tachograph holder
Cable harness kit
Tachograph, Car stereo
Tachograph with holder
Car stereo module 12V
Edge cutter
Edge cutter, module
4700390998 Edge cutter, cpl
4700390999 Holder
4700391009 Bearing unit
4700387275 Hydraulic cylinder
Cutting disc module
Pressing roller, module
Hydraulic valve module
Hydraulic valve
4700391018 Hydraulic valve
Disc/Roller holder
Fire extinguisher/First Aid Cushion
Fire extinguisher assembly
Asphalt temperature meter
Dyn@Link module
4812013038 GPS module
Dyn@lyzer
1
2
3
4
5
6
7
8
9
10
11
Позиция на иллюстрации
Заводской номер детали
Название детали
1
Combiunit,basickit
Combi unit, basic kit
2
4700395457
Spacer
3
4700904234
Steel plain washer
4
4700792543
Hexagon head screw
5
4700395612
Bracket
6
4700395611
Bracket
7
4700904230
Washer
8
4700500043
Hex. screw
9
4700397440
Cover plate
10
4700904556
Steel plain washer
11
4700500019
Hex. screw
Содержащиеся в справочниках-каталогах запасные части и детали не предлагаются к продаже, а носят исключительно информационный характер
Дополнительная информация
×
Название:
Номер:
Примечание: