Каталог запасных частей к технике: DYNAPAC CA610PD. Propulsion system, Front
1
2
3
3
4
4
4
4
4
5
5
6
6
7
7
8
8
9
10
11
12
13
14
15
15
16
17
18
18
19
19
20
21
22
23
24
24
25
26
27
28
29
30
31
32
32
33
33
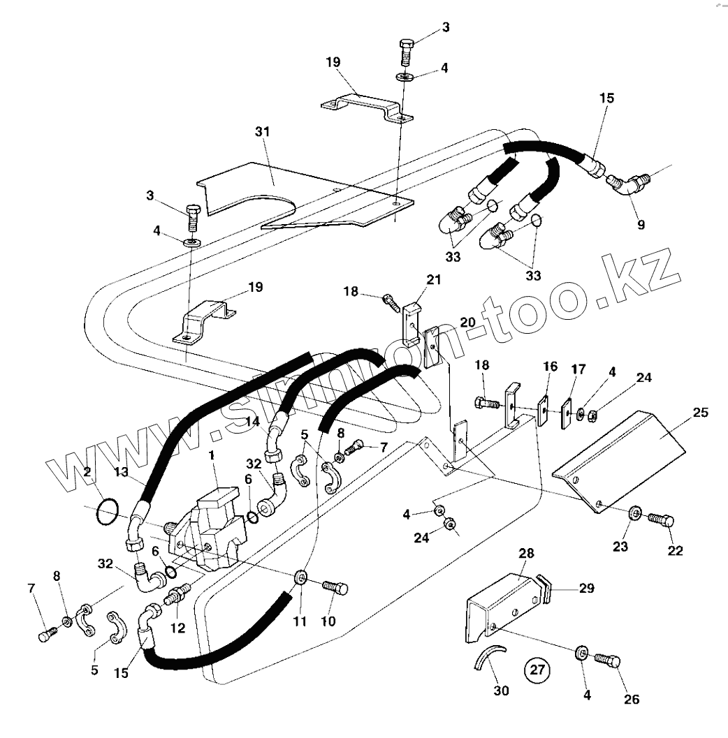
| Позиция на иллюстрации | Заводской номер детали | Название детали | |
|---|---|---|---|
| 1 | 4700389564 | Hydraulic motor | |
| 2 | 4700160272 | O-ring | |
| 3 | 4700500028 | Screw | |
| 4 | 4700904230 | Washer | |
| 5 | 4700923384 | Split flange | |
| 6 | 4700904005 | O-ring | |
| 7 | 4700502132 | Screw | |
| 8 | 4700904638 | Washer | |
| 9 | 4700334132 | Elbow | |
| 10 | 4700500101 | Screw | |
| 11 | 4700903290 | Steel plain washer | |
| 12 | 4700334138 | Adapter | |
| 13 | 4700483028 | Hydraulic hose | |
| 14 | 4700483029 | Hydraulic hose | |
| 15 | 4700483022 | Hydraulic hose | |
| 16 | 4700372580 | Rubber part | |
| 17 | 4700372578 | Hose clamp | |
| 18 | 4700500092 | Screw | |
| 19 | 4700349909 | Hose clamp | |
| 20 | 4700372580 | Rubber part | |
| 21 | 4700372586 | Hose clamp | |
| 22 | Not used on this model | Not used on this model | |
| 23 | Not used on this model | Not used on this model | |
| 24 | 4700586018 | Lock nut | |
| 25 | Not used on this model | Not used on this model | |
| 26 | 4700500192 | Hexagon head screw | |
| 27 | 4700394646 | Protecting cover | |
| 28 | 4700394650 | Protecting cover | |
| 29 | 4700287724 | Edge trim | |
| 30 | 4700902166 | Edge trim | |
| 31 | 4700372235 | Hose guard | |
| 32 | 4700903750 | Elbow | |
| 33 | 4700813499 | Elbow |
Содержащиеся в справочниках-каталогах запасные части и детали не предлагаются к продаже, а носят исключительно информационный характер