Каталог запасных частей к технике: DYNAPAC CA610PD. Electrical system
2
2
2
2
2
2
2
2
3
3
3
4
4
4
5
5
6
6
7
7
8
9
10
11
12
12
13
13
14
15
15
16
17
18
19
22
27
28
29
29
30
30
31
31
32
33
34
34
35
35
35
35
35
36
37
38
38
38
39
39
40
42
42
44
45
46
47
48
49
50
57
57
61
62
63
64
65
66
67
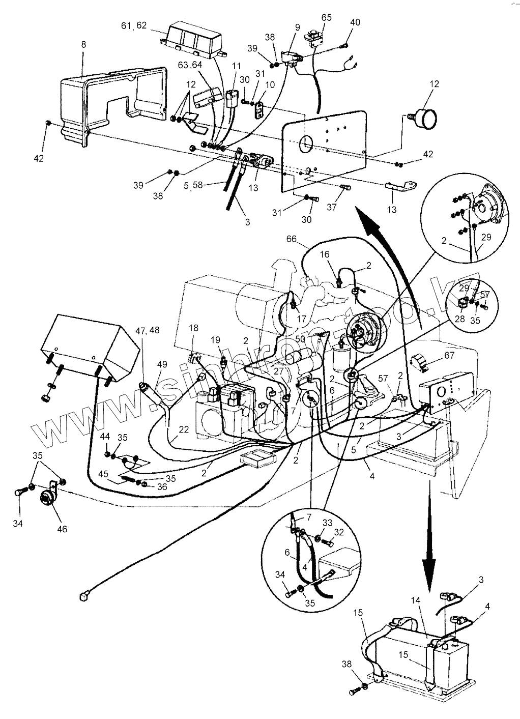
| Позиция на иллюстрации | Заводской номер детали | Название детали | |
|---|---|---|---|
| 1 | Instrument panel | Instrument panel | |
| 2 | 4812273418 | Frame cable harness | |
| 3 | 4700791503 | Battery cable | |
| 4 | 4700791511 | Battery cable | |
| 5 | 4812274176 | Connection cable coarse | |
| 6 | 4700791510 | Connection cable coarse | |
| 7 | 4812274177 | Connection cable coarse | |
| 8 | 4700373891 | Protection cover | |
| 9 | 4700904448 | Relay | |
| 10 | 4700904036 | Fuse holder | |
| 11 | 4700904037 | Fuse | |
| 12 | 4700801567 | Hour meter | |
| 13 | 4700903640 | Battery switch | |
| 14 | 4700792682 | Battery | |
| 15 | 4700389662 | Strap | |
| 16 | 4812270107 | Coolent temperature sensor | |
| 17 | 4700929023 | Indicator | |
| 18 | 4812270108 | Oil pressure switch | |
| 19 | 4812270110 | Hydraulic temperature switch | |
| 22 | 4700357583 | Cable harness | |
| 27 | 4700921104 | Clamp | |
| 28 | 4700921106 | Clamp | |
| 29 | 4700792277 | Connection cable | |
| 30 | 4700500060 | Screw | |
| 31 | 4700904281 | Washer | |
| 32 | 4700500035 | Hex. screw | |
| 33 | 4700904638 | Washer | |
| 34 | 4700500053 | Hex. screw | |
| 35 | 4700904229 | Washer | |
| 36 | 4700500021 | Hex. screw | |
| 37 | 4700500040 | Screw | |
| 38 | 4700904639 | Washer | |
| 39 | 4700902285 | Nut | |
| 40 | 4700500075 | Screw, | |
| 42 | 4700902284 | Nut | |
| 44 | 4700902286 | Lock nut | |
| 45 | 4700903768 | Threaded stud | |
| 46 | 4700999027 | Horn | |
| 47 | 4700928497 | Push button | |
| 48 | 4700285911 | Bushing | |
| 49 | 4700285909 | Grab handle | |
| 50 | 4812270109 | Fuel level sensor | |
| 57 | 4700921072 | Clamp | |
| 61 | 4812273640 | Fuse | |
| 62 | 4812270113 | Fuse | |
| 63 | 4812270114 | Fuse holder | |
| 64 | 4812273639 | Fuse holder | |
| 65 | 4812270111 | Contactor | |
| 66 | 4812273638 | Preheat wiring harness | |
| 67 | 4700388753 | Back-up alarm |
Содержащиеся в справочниках-каталогах запасные части и детали не предлагаются к продаже, а носят исключительно информационный характер