Вернуться на главную
Поиск
Каталоги запчастей к технике
Спецтехника
DYNAPAC
CA4000D
Battery disconnector module
Каталог запасных частей к технике: DYNAPAC CA4000D. Battery disconnector module
zoom-in
zoom-out
enlarge
shrink
circle-right
circle-left
file-text2
info
cart
Тип техники
Не выбрано
Легковые автомобили
Грузовые автомобили и прицепы
Автобусы
Сельхозтехника
Спецтехника
Двигатели
Мототехника
Марка
Не выбрано
Ammann
BOMAG
CARMIX
CASE IH
Changlin
ChengGong
Dimex
Doosan
DYNAPAC
Foton
HAMM
Hidromek
Hitachi
Hyundai
JCB
JLG
John Deere
Komatsu
LIEBHERR
LiuGong
Lonking (LongGong)
Luneng
MANITOU
Mitsuber
New Holland
PENGPU
RM-Terex
SANY
SDLG
SEM
Shantui
Shehwa HBXG
Soosan
TIGARBO
VOGELE
Volvo
WAY
WIRTGEN
XCMG
XGMA
Xiamen
YTO
Yuchai
Zoomlion
Автокран
АЗСМ
Алтайлесмаш
Амкодор
АОМЗ
Атек
АТЗ
Балканкар Рекорд
БелАЗ
Беловеж
Борекс
Брянский Арсенал
Булат
ВЭКС
ГАЗ
Геомаш
Гидромаш
Донекс
Дормаш
Дормашина
Дорэлектромаш
ДЭЗ
ЕлАЗ
ЗЗГТ
Ижнефтемаш
Канаш-электрокар
КЗКТ
ККЗ
Клевер
Клинцовский автокрановый завод
КМЗ
КМЗ 1 Мая
Ковровец
Коммаш
Кранэкс
КЭЗ
КЭМЗ
ЛЗА
МАЗ
МЗИК
МЗКМ
МЗКТ
Михневский РМЗ
МоАЗ
Мозырский МЗ
МТЗ
ОЗП
Онежец
ПАО "ТЗА"
ППС Детва
Промтрактор
ПТЗ
Раскат
СпецАгрегат
ТВЭКС
ТТМ
УВЗ
Угличмаш
УЗТМ
ХТЗ
ЧЗКМ
ЧСДМ
ЧТЗ
ЭКСКО
ЭКСМАШ
ЮрМаш
Модель
Не выбрано
CA1400 (2016)
CA2500D (2016)
CA2500D (2018)
CA2500D-PD (2018)
CA250D (2011)
CA252D (2008)
CA2800D (2017)
CA3500D (2016)
CA4000D (2017)
CA4000D (2020)
CA4600D (2019)
CA5500D (2015)
CA610PD (2014)
CA6500 (2018)
CC1000 (2019)
CC1100CC (2015)
CC1200C Plus (2015)
CC1200C VI (2018)
CC1200CC (2018)
CC125 (2015)
CC1250 (2015)
CC1300 (2018)
CC1300C (2015)
CC1300C (2016)
CC2200 (2018)
CC2200 (2020)
CC2300C (2018)
CC3300 (2018)
CC4000 VI (2018)
CC4200C VI (2020)
CC5200C (2018)
CC6200 VI (2020)
CC800 (2019)
CC900 (2018)
CC900S (2018)
CG2300 (2018)
CP142 (2015)
CP275 (2014)
Dynapac CA1500 (2017)
Dynapac CA2500 (2012)
Dynapac CA302D (2008)
Dynapac CA302D (2010)
Dynapac CA5000D (2017)
Dynapac CC142 (2009)
Dynapac CC2200C (2015)
Dynapac CC224HF (2012)
Dynapac CC322 (2008)
Dynapac CC422 (2010)
Dynapac CC5200 (2014)
Dynapac CC5200 (2017)
Dynapac CC5200 (2017)
Dynapac CC5200 VI (2017)
Dynapac CC800 (2013)
Dynapac CC800 (2014)
Dynapac F1200C/CS (2018)
Dynapac F1200CS/CS (2018)
Dynapac F1800C (2018)
Dynapac F181C (2010)
Dynapac PL2000LS (2010)
Dynapac PL2000LS (2010)
Dynapac PL2000S (2010)
Dynapac PL2000S (2010)
Dynapac SCC1300 (2014)
Dynapac SD2500C (ч. 1) (2018)
Dynapac SD2500C (ч. 2) (2018)
Dynapac SD2550C (ч. 1) (2018)
Dynapac SD2550C (ч. 2) (2018)
F2500C (2018)
SD2550CS (2015)
Схема
>
Не выбрано
4812156993 Service kit, 50h Plus
4812160777 Service kit, 500h
4812160779 Service kit, 1000h
4812160785 Service kit, 2000h
Eccentric shaft kit
4812157275 Drum rotation kit
4812158578 Shock absorber kit, drum
Frame, front
4812117507 Steering hitch, cpl
Scrapers, option
Scraper module Steel
Scraper module Rubber
Scraper assy
Scraper module PD
Scraper module PD Heavy duty
Scraper mount
Rear frame module
Cover assembly
Step module
Step assy
Tool box module, Option
Engine structure
Engine hood
4812128176 Engine hood, cpl
4812118994 Lock handle, cpl
Fender module
Hinge module
Lock handle assy
Gas spring module
Safety link module
Drum, cpl
Tooth wheel
4812158092 Drum cartridge, vibration side (D version)
4812158093 Drum cartridge, vibration side (VM4-class) version)
4812158097 Drum cartridge with shaft nut, vibration side (D verison)
4812158098 Drum cartridge with shaft nut, vibration side (VM4-class)
4812158087 Drum cartridge, drive side (D version)
4812158088 Drum cartridge, drive side (VM4-class)
Pad shell, option
Engine
4812129829 Engine
Engine brackets
Belt guard module
Air cleaner module
Cooling system
Cooler stand module
Water cooler and hoses
Fuel system
Fuel tank module
Fuel tank
Brackets, fuel tank
Filling module
Fuel cooler and hoses
Fuel draining module
Exhaust module
Expansion tank system
Urea/DEF equipment system
DEF/Urea equipment module
Urea pump and hoses
DEF/Urea box
Step, DEF box
Rear axle and wheels
4812113344 Rear axle, limited slip
Differential and Bevel gear
Brakes
Hub reduction
Central housing
Differential
Input
Hub reduction
Brakes
4812113341 Rear axle No spin
Differential
Central housing and brakes
Hub reduction
Hydraulic system, drum Traction control
Hydraulic motor module, vibration
Hydraulic motor
4812112200 Hydraulic motor
Loop flushing
Hydraulic system, drum Anti-spin system
Hydraulic motor
4812112202 Drum motor
Drum motor. Front section
Loop flushing
Drum motor. Rear section
Hydraulic system, rear axle Traction control, limited slip
Hydraulic motor
Hydraulic system, rear axle Traction control, no slip
Hydraulic motor
4812122932 Hydraulic motor
Hydraulic system, rear axle Anti-spin option
Hydraulic motor
4812112210 Rear axle motor
Front section
Rear section
Hydraulic system, leak, fan and filter
Hydraulic oil tank assembly
Hydraulic valve module
4812128090 Hydraulic valve
Connector assy
Fan module, front
Fan module, rear
Hydraulic system, pumps
Propulsion pump module
4812112170 Hydraulic pump, propul pump
Front section
Rear section
Vibration pump module
Hose brackets
Hydraulic system, frame rear
Connector kit
Connector kit
Hydraulic system, steering
Steering valve module
Hydraulic cylinder
4812121946 Hydraulic cylinder
Hydraulic hoses, steering
Electric cables, power supply, 1-pole
Battery module
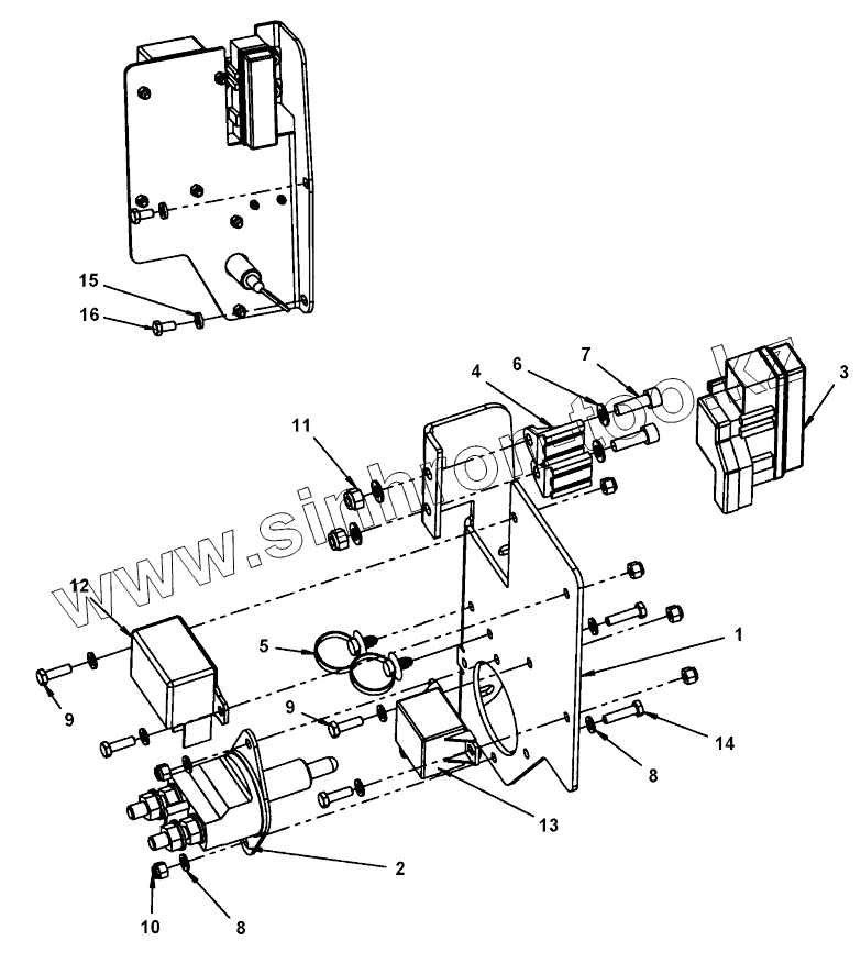
Battery disconnector module
Electric cables, power supply, 2-pole, option
Battery disconnector, 2-pole
Electric cables, engine - ECU Horn, back-up alarm, sensor
ECU, Inclination sensor, Power converter, fuses
Standard ECU assembly
Inclination sensor module
Horn module
Back-up alarm module
Back-up alarm module, Quacker
Bracket module, Quacker
Cable harness kit Power supply cab
Driving and side direction lights, number plate light, option
Steering column switch module
Cable harness kit
Registration plate light module
Registration plate light
Holder, Registration plate light
Reversing light module
DCA/GPS equipment module, option
Holder
GPS equipment module
GPS equipment assy
Computer
Tachograph, option
Holder assy
Power supply module
Speed sensor, frequency sensor, option
Pulse sensor module (6-pol)
Pre-heater installation, option
Rotating beacon, working light, option
Rotating beacon module
Bracket, Rotating beacon
Working light module H3
Cable harness, emergency steering, option
Regenering delay, displacement shift
Compaction meter, option
Power supply
External emergency stop, option
Platform, rops
4812120544 Platform with 4-post ROPS
Basic kit Rops, roof, front handrail
Rear cover
Handrail
Cab, basic kit
Decals basic kit
Manual box
Cab symmetric module From A026449 To A026449
Cab symmetric module excl A026449
4812119364 Cab, cpl Comfort
Screens
4812115202 Cab door, cpl
4812115200 Sliding screen, left hand
Windshield wiper
Roof
Heater assy
Hose kit heater
Cab cable harness
Cab Interior
Cab, electrical equipment
Emergency hammer, hook
Cab, rear cover
Cab, front cover
Floor mat
Step light, front wiper switches
Air channel
Sun-blind, inner light
4812119365 Cab, cpl Basic
4812114588 Sliding screen
Cab Interior
Heater and ac controls
Cab, rear cover
Cab, front cover
Wiper switch, front
4812124074 Cab, cpl Basic manual ac
Heater mounts
Basic kit AC-ACC
4812113623 Evaporator, cpl
Hose assy kit for AC
Car stereo module, option
Rear view mirror
Drivers seat
Seat frame structure
4700391163 Steering column
Seat frame adapter module, rotating
Seat frame adapter module, fixed
Seat comfort, fabric suspensioned
Seat, galon suspensioned
Floor cassette module
Seat belt 2"
Seat belt 3"
Seat belt 2" with reminder
Seat belt 3" with reminder
Control module
Forward reverse control module
Display unit
Control panel cover
Decals
Decals
Air conditioning
Drying filter module
4812114257 Drying filter assy
Condensor assembly
ACC module
4812113624 ACC kit
AC module
Hose kit AC
Compressor module
Dyn@Link module
4812013038 GPS module
Compaction meter (DCM)
Compaction Seismic
1
2
2
3
4
5
6
7
8
8
9
9
10
11
12
13
14
15
16
Позиция на иллюстрации
Заводской номер детали
Название детали
1
4812116861
Holder
2
4700903640
Battery switch
2
4700903641
Key
3
4812111981
Fuse holder
4
4812112000
Fuse holder
5
4700792441
Cable tie with holder
6
4700904229
Washer
7
4700508019
Cylinder screw
8
4700904228
Steel plain washer
9
4700500040
Screw
10
4700586002
Lock nut
11
4700586003
Hexagon lock nut
12
4700792310
Relay
13
4700792309
Relay
14
4700500075
Screw,
15
4700904556
Steel plain washer
16
4700500019
Hex. screw
Содержащиеся в справочниках-каталогах запасные части и детали не предлагаются к продаже, а носят исключительно информационный характер
Дополнительная информация
×
Название:
Номер:
Примечание: