Вернуться на главную
Поиск
Каталоги запчастей к технике
Спецтехника
DYNAPAC
CA4000D
Hydraulic system, emergency steering
Каталог запасных частей к технике: DYNAPAC CA4000D. Hydraulic system, emergency steering
zoom-in
zoom-out
enlarge
shrink
circle-right
circle-left
file-text2
info
cart
Тип техники
Не выбрано
Легковые автомобили
Грузовые автомобили и прицепы
Автобусы
Сельхозтехника
Спецтехника
Двигатели
Мототехника
Марка
Не выбрано
Ammann
BOMAG
CARMIX
CASE IH
Changlin
ChengGong
Dimex
Doosan
DYNAPAC
Foton
HAMM
Hidromek
Hitachi
Hyundai
JCB
JLG
John Deere
Komatsu
LIEBHERR
LiuGong
Lonking (LongGong)
Luneng
MANITOU
Mitsuber
New Holland
PENGPU
RM-Terex
SANY
SDLG
SEM
Shantui
Shehwa HBXG
Soosan
TIGARBO
VOGELE
Volvo
WAY
WIRTGEN
XCMG
XGMA
Xiamen
YTO
Yuchai
Zoomlion
Автокран
АЗСМ
Алтайлесмаш
Амкодор
АОМЗ
Атек
АТЗ
Балканкар Рекорд
БелАЗ
Беловеж
Борекс
Брянский Арсенал
Булат
ВЭКС
ГАЗ
Геомаш
Гидромаш
Донекс
Дормаш
Дормашина
Дорэлектромаш
ДЭЗ
ЕлАЗ
ЗЗГТ
Ижнефтемаш
Канаш-электрокар
КЗКТ
ККЗ
Клевер
Клинцовский автокрановый завод
КМЗ
КМЗ 1 Мая
Ковровец
Коммаш
Кранэкс
КЭЗ
КЭМЗ
ЛЗА
МАЗ
МЗИК
МЗКМ
МЗКТ
Михневский РМЗ
МоАЗ
Мозырский МЗ
МТЗ
ОЗП
Онежец
ПАО "ТЗА"
ППС Детва
Промтрактор
ПТЗ
Раскат
СпецАгрегат
ТВЭКС
ТТМ
УВЗ
Угличмаш
УЗТМ
ХТЗ
ЧЗКМ
ЧСДМ
ЧТЗ
ЭКСКО
ЭКСМАШ
ЮрМаш
Модель
Не выбрано
CA1400 (2016)
CA2500D (2016)
CA2500D (2018)
CA2500D-PD (2018)
CA250D (2011)
CA252D (2008)
CA2800D (2017)
CA3500D (2016)
CA4000D (2017)
CA4000D (2020)
CA4600D (2019)
CA5500D (2015)
CA610PD (2014)
CA6500 (2018)
CC1000 (2019)
CC1100CC (2015)
CC1200C Plus (2015)
CC1200C VI (2018)
CC1200CC (2018)
CC125 (2015)
CC1250 (2015)
CC1300 (2018)
CC1300C (2015)
CC1300C (2016)
CC2200 (2018)
CC2200 (2020)
CC2300C (2018)
CC3300 (2018)
CC4000 VI (2018)
CC4200C VI (2020)
CC5200C (2018)
CC6200 VI (2020)
CC800 (2019)
CC900 (2018)
CC900S (2018)
CG2300 (2018)
CP142 (2015)
CP275 (2014)
Dynapac CA1500 (2017)
Dynapac CA2500 (2012)
Dynapac CA302D (2008)
Dynapac CA302D (2010)
Dynapac CA5000D (2017)
Dynapac CC142 (2009)
Dynapac CC2200C (2015)
Dynapac CC224HF (2012)
Dynapac CC322 (2008)
Dynapac CC422 (2010)
Dynapac CC5200 (2014)
Dynapac CC5200 (2017)
Dynapac CC5200 (2017)
Dynapac CC5200 VI (2017)
Dynapac CC800 (2013)
Dynapac CC800 (2014)
Dynapac F1200C/CS (2018)
Dynapac F1200CS/CS (2018)
Dynapac F1800C (2018)
Dynapac F181C (2010)
Dynapac PL2000LS (2010)
Dynapac PL2000LS (2010)
Dynapac PL2000S (2010)
Dynapac PL2000S (2010)
Dynapac SCC1300 (2014)
Dynapac SD2500C (ч. 1) (2018)
Dynapac SD2500C (ч. 2) (2018)
Dynapac SD2550C (ч. 1) (2018)
Dynapac SD2550C (ч. 2) (2018)
F2500C (2018)
SD2550CS (2015)
Схема
>
Не выбрано
Dynapac CA4000D/PD (IIIB/T4i) SN 10000150xxA016902-
4812156993 Service kit, 50h Plus
4812159996 Service kit, 50h Plus Limited slip Rear axle
4812158687 Service kit, 500h Plus Cummins QSB 4.5
4812158688 Service kit, 500h Cummins QSB 4.5
4812158689 Service kit, 1000h Plus Cummins QSB 4.5
4812158690 Service kit, 1000h Cummins QSB 4.5
4812158691 Start up kit Cummins QSB 4.5
4812158692 Service kit, 2000h Plus Cummins QSB 4.5
4812158693 Service kit, 2000h Cummins QSB 4.5
Eccentric shaft kit
4812157275 Drum rotation kit
4812158578 Shock absorber kit, drum
Fuses
Keys
Frame, front
4812117507 Steering hitch, cpl
Scrapers, option
Scraper module Steel
Scraper module Rubber
Scraper assy
Scraper module PD Hardox
Scraper module PD Heavy duty
Scraper mount
Engine structure
Engine hood
4812120749 Engine hood, cpl
4812118994 Lock handle, cpl
Fender module
Hinge module
Lock handle assy
Gas spring module
Safety link module
Frame, rear
Frame, rear
Cover assembly
Step module
Step assy
Tool box module, Option
Drum, cpl
4812158092 Drum cartridge, vibration side (D version)
4812158097 Drum cartridge with shaft nut, vibration side (D verison)
4812158087 Drum cartridge, drive side (D version)
4812158093 Drum cartridge, vibration side (PD version)
4812158098 Drum cartridge with shaft nut, vibration side (PD version)
4812158088 Drum cartridge, drive side (PD version)
Pad shell, option
Engine
Diesel engine
Belt guard module
Bracket module
Cooling system
Cooler stand module
Hose assy kit
Air cleaner
Air cleaner module
Fuel system
Fuel hoses
Fuel tank module
Fuel tank
Brackets assy
Draining module
Exhaust system
Expansion tank assembly
Rear axle and wheels
4812113344 Rear axle, limited slip
Differential and Bevel gear
Brakes
Hub reduction
4812113341 Rear axle No spin
Differential
Central housing and brakes
Hub reduction
Hydraulic system, drum Traction control
Hydraulic motor module, vibration
4812112216 Hydraulic motor, vibration
Rotary group
Flush and boost pressure valve with orifice
Cover
Hydraulic motor
4812112200 Hydraulic motor
Loop flushing
Hydraulic system, drum Anti-spin system
Hydraulic motor
4812112202 Drum motor
Drum motor. Front section
Loop flushing
Drum motor. Rear section
Hydraulic system, drum Traction control, static linear load high
Hydraulic system, drum Anti spin system, static linear load high
Hydraulic system, rear axle Traction control, limited slip
Hydraulic motor
4812112208 Rear axle motor
Front section
Rear section
Hose holder
Hydraulic system, rear axle Traction control, no slip
Hydraulic motor
4812112211 Rear axle motor
Loop flusing
4812122932 Hydraulic motor
Hydraulic system, rear axle Anti-spin system
Hydraulic motor
4812112210 Rear axle motor
Front section
Rear section
Hydraulic system, rear axle Dual speed
Hydraulic motor
4812112207 Axle motor
Hydraulic system, oil tank
Hydraulic oil tank assembly
Hydraulic valve module
4812112238 Hydraulic valve
Connector assy
Fan module
4812117796 Hydraulic motor
Hydraulic system, engine room
Hydraulic pump module
4812112170 Hydraulic pump, propul pump
Front section
Rear section
Hydraulic pump module
Hydraulic oil filter assy
Hydraulic pump module
4812118150 Hydraulic pump, steering
Hydraulic system, engine room Adjustable frequency, eco opti
Hydraulic pump
4812112180 Hydraulic pump
Hydraulic pump module, Eco
4812118151 Hydraulic pump
Hydraulic system, frame rear
Connector kit
Connector kit
Hydraulic system, steering
Hydraulic cylinder
4812113826 Hydraulic cylinder
Steering valve module
Hydraulic hoses, steering
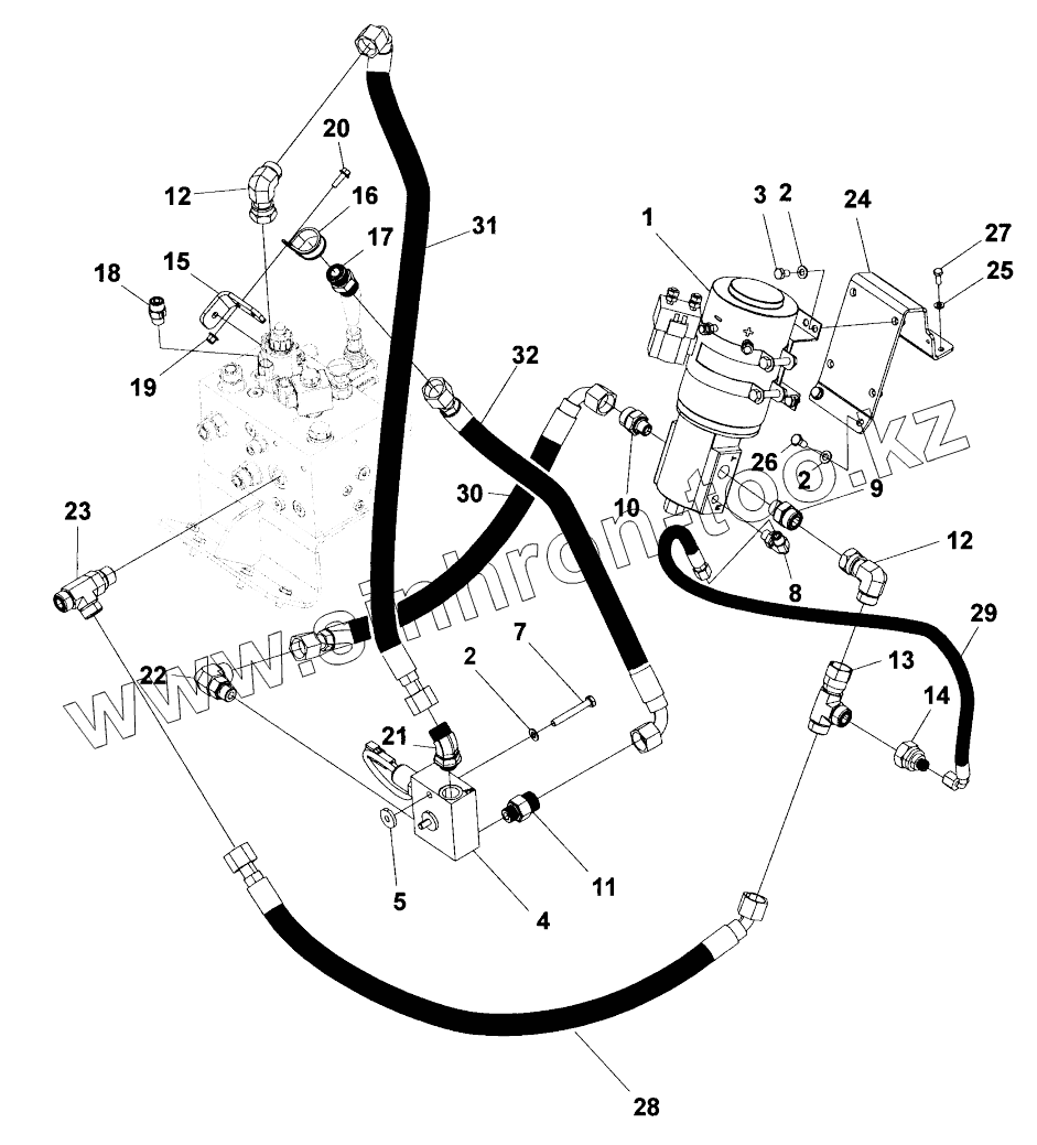
Hydraulic system, emergency steering
4812112188 Hydraulic pump Emergency steering unit
4812112236 Hydraulic valve
Electric cables, power supply, 1-pole
Battery module
Battery disconnector module
Electric cables, power supply, 2-pole, option
Battery disconnector, 2-pole
Electrical cables, engine - ECU Horn, back-up alarm
Standard ECU assembly
Power converter module
Inclination sensor module
Inclination sensor module
Back-up alarm module
Back-up alarm module, Quacker
Horn module
Bracket module
Cable harness kit Power supply cab
Driving and side direction lights, number plate light, option
Steering column switch module
Cable harness kit
Registration plate light module
Registration plate light
Holder, Registration plate light
Reversing light module
DCA/GPS equipment module, option
Holder
GPS equipment module
GPS equipment assy
Computer
Tachograph, option
Holder assy
Power supply module
Speed sensor, frequency sensor, option
Pulse sensor module
Pre-heater installation, option
Heater
Rotating beacon, working light, option
Rotating beacon module
Bracket, Rotating beacon
Working light module H3
Cable harness, emergency steering, option
Displacement shift
Compaction meter, option
Power supply
External emergency stop, option
Platform, rops
4812120544 Platform with 4-post ROPS
Basic kit Rops, roof, front handrail
Rear cover
Handrail
Cab, basic kit
Decals basic kit
Manual box
Cab symmetric module
4812119364 Cab, cpl Comfort
Screens
4812115202 Cab door, cpl
4812115200 Sliding screen, left hand
Windshield wiper
Roof
Heater assy
Hose kit heater
Cab cable harness
Cab Interior
Heater controls
Cab, electrical equipment
Emergency hammer, hook
Cab, rear cover
Cab, front cover
Floor mat
Step light, front wiper switches
Air channel
Sun-blind, inner light
4812119365 Cab, cpl Basic
Cab, rear cover
Cab, front cover
Wiper switch, front
Car stereo module, option
Rear view mirror
Rear view mirror module
Heater hoses
Drivers seat
Seat frame structure
4700391163 Steering column
Seat frame adapter module, rotating
Seat frame adapter module, fixed
Seat, fabric suspensioned
Seat, galon suspensioned
Floor cassette module
Seat belt 2dm
Seat belt 3dm
Seat belt 2dm with reminder
Seat belt 3dm with reminder
Control module
Forward reverse control module
Display unit
Reading light
Control panel cover
Decals
Decals
Strike of blade kit
Hydraulic and Electrical kit
4812121948 Hydraulic cylinder
Strike off blade, mount
Locking device, module
Indicator, module
Fire extinguisher/First Aid Cushion
Fire extinguisher
Level sensor module, option
SMV-sign
Air conditioning
Drying filter module
4812114257 Drying filter assy
Condensor assembly
ACC module
4812113624 ACC kit
AC module
4812113623 Evaporator, cpl
Hose kit AC
Compressor module
Hose assy kit for AC
Cooling box module
Lunch box
FleetLink module
Compaction meter (DCM)
Dyn@lyzer
1
2
2
2
3
4
5
7
8
9
10
11
12
12
13
14
15
16
17
18
19
20
21
22
23
24
25
26
27
28
29
30
31
32
Позиция на иллюстрации
Заводской номер детали
Название детали
1
4812112188
Hydraulic pump Emergency steering unit
2
4700904229
Washer
3
4700500018
Hex. screw
4
4812112236
Hydraulic valve
5
4700904734
Washer
7
4700500026
Screw
8
4700791397
Elbow 90, O-ring
9
4700792074
Straight connector
10
4700792093
Straight connector orfs
11
4811000074
Straight connector orfs
12
4700904766
Elbow connector
13
4700791832
Tee-connector
14
4811000305
Reducer
15
4812116807
Bracket
16
4700921084
Pipe clamp
17
4700904943
Connector
18
4812117024
Check valve
19
4700902285
Nut
20
4700500501
Screw
21
4700792809
Elbow 90 orfs
22
5501178300
Connector elbow
23
4700791834
Adapter ORFS
24
4812118887
Bracket
25
4700904228
Steel plain washer
26
4700500019
Hex. screw
27
4700500013
Hex. screw
28
4812118917
Hydraulic hose
29
4812118918
Hydraulic hose
30
4811000393
Hydraulic hose
31
4812118920
Hydraulic hose
32
4812118921
Hydraulic hose
Содержащиеся в справочниках-каталогах запасные части и детали не предлагаются к продаже, а носят исключительно информационный характер
Дополнительная информация
×
Название:
Номер:
Примечание: