Вернуться на главную
Поиск
Каталоги запчастей к технике
Спецтехника
DYNAPAC
CA3500D
Sun-blind, inner light
Каталог запасных частей к технике: DYNAPAC CA3500D. Sun-blind, inner light
zoom-in
zoom-out
enlarge
shrink
circle-right
circle-left
file-text2
info
cart
Тип техники
Не выбрано
Легковые автомобили
Грузовые автомобили и прицепы
Автобусы
Сельхозтехника
Спецтехника
Двигатели
Мототехника
Марка
Не выбрано
Ammann
BOMAG
CARMIX
CASE IH
Changlin
ChengGong
Dimex
Doosan
DYNAPAC
Foton
HAMM
Hidromek
Hitachi
Hyundai
JCB
JLG
John Deere
Komatsu
LIEBHERR
LiuGong
Lonking (LongGong)
Luneng
MANITOU
Mitsuber
New Holland
PENGPU
RM-Terex
SANY
SDLG
SEM
Shantui
Shehwa HBXG
Soosan
TIGARBO
VOGELE
Volvo
WAY
WIRTGEN
XCMG
XGMA
Xiamen
YTO
Yuchai
Zoomlion
Автокран
АЗСМ
Алтайлесмаш
Амкодор
АОМЗ
Атек
АТЗ
Балканкар Рекорд
БелАЗ
Беловеж
Борекс
Брянский Арсенал
Булат
ВЭКС
ГАЗ
Геомаш
Гидромаш
Донекс
Дормаш
Дормашина
Дорэлектромаш
ДЭЗ
ЕлАЗ
ЗЗГТ
Ижнефтемаш
Канаш-электрокар
КЗКТ
ККЗ
Клевер
Клинцовский автокрановый завод
КМЗ
КМЗ 1 Мая
Ковровец
Коммаш
Кранэкс
КЭЗ
КЭМЗ
ЛЗА
МАЗ
МЗИК
МЗКМ
МЗКТ
Михневский РМЗ
МоАЗ
Мозырский МЗ
МТЗ
ОЗП
Онежец
ПАО "ТЗА"
ППС Детва
Промтрактор
ПТЗ
Раскат
СпецАгрегат
ТВЭКС
ТТМ
УВЗ
Угличмаш
УЗТМ
ХТЗ
ЧЗКМ
ЧСДМ
ЧТЗ
ЭКСКО
ЭКСМАШ
ЮрМаш
Модель
Не выбрано
CA1400 (2016)
CA2500D (2016)
CA2500D (2018)
CA2500D-PD (2018)
CA250D (2011)
CA252D (2008)
CA2800D (2017)
CA3500D (2016)
CA4000D (2017)
CA4000D (2020)
CA4600D (2019)
CA5500D (2015)
CA610PD (2014)
CA6500 (2018)
CC1000 (2019)
CC1100CC (2015)
CC1200C Plus (2015)
CC1200C VI (2018)
CC1200CC (2018)
CC125 (2015)
CC1250 (2015)
CC1300 (2018)
CC1300C (2015)
CC1300C (2016)
CC2200 (2018)
CC2200 (2020)
CC2300C (2018)
CC3300 (2018)
CC4000 VI (2018)
CC4200C VI (2020)
CC5200C (2018)
CC6200 VI (2020)
CC800 (2019)
CC900 (2018)
CC900S (2018)
CG2300 (2018)
CP142 (2015)
CP275 (2014)
Dynapac CA1500 (2017)
Dynapac CA2500 (2012)
Dynapac CA302D (2008)
Dynapac CA302D (2010)
Dynapac CA5000D (2017)
Dynapac CC142 (2009)
Dynapac CC2200C (2015)
Dynapac CC224HF (2012)
Dynapac CC322 (2008)
Dynapac CC422 (2010)
Dynapac CC5200 (2014)
Dynapac CC5200 (2017)
Dynapac CC5200 (2017)
Dynapac CC5200 VI (2017)
Dynapac CC800 (2013)
Dynapac CC800 (2014)
Dynapac F1200C/CS (2018)
Dynapac F1200CS/CS (2018)
Dynapac F1800C (2018)
Dynapac F181C (2010)
Dynapac PL2000LS (2010)
Dynapac PL2000LS (2010)
Dynapac PL2000S (2010)
Dynapac PL2000S (2010)
Dynapac SCC1300 (2014)
Dynapac SD2500C (ч. 1) (2018)
Dynapac SD2500C (ч. 2) (2018)
Dynapac SD2550C (ч. 1) (2018)
Dynapac SD2550C (ч. 2) (2018)
F2500C (2018)
SD2550CS (2015)
Схема
>
Не выбрано
CA3500D/PD (T4F) s/n 10000168xxA018468-
4812156993 Service kit, 50h Plus
4812160777 Service kit, 500h
4812160778 Service kit, 500h Plus
4812160779 Service kit, 1000h
4812160780 Service kit, 1000h Plus
4812160781 Start up kit
4812160785 Service kit, 2000h
4812160786 Service kit, 2000h Plus
Eccentric shaft kit
4812157275 Drum rotation kit
4812158579 Shock absorber kit, drum
Fuses
Keys
Frame, front
Scrapers, option
Scraper module Steel
Scraper module Rubber
Scraper assy
Scraper module PD Hardox
Scraper module PD Heavy duty
Scraper mount
Steering hitch module
4812114990 Steering hitch, cpl
Engine structure
Engine hood
4812120749 Engine hood, cpl
4812118994 Lock handle, cpl
Fender module
Hinge module
Lock handle assy
Gas spring module
Safety link module
Frame rear
Cover assembly
Step module
Step assy
Drum, cpl
Tooth wheel module
4812113266 Drum gear
Toothed wheel
4812161263 Drum cartridge, vibration side (D version)
4812161264 Drum cartridge with shaft nut, vibration side (D version)
4812161262 Drum cartridge, drive side (D version)
Drum suspension
Pad shell, option
Engine mounting
4812124294 Engine Cummins QSF 3
Belt guard module
Bracket module
Air cleaner module
Cooling system
Cooler stand module
Water cooler and hoses
Expansion tank system
Fuel system
Fuel hose assembly
Fuel tank module
Fuel tank
Brackets, fuel tank
Draining module
Exhaust system
Urea/DEF equipment system
Urea pump and hoses
DEF equipment module
DEF Box
Step, DEF box
Rear axle and wheels
4812113341 Rear axle No spin
Differential
Central housing and brakes
Hub reduction
Hydraulic system, drum (D) Traction control, dual speed
Hydraulic valve module
Hydraulic system, rear axle Traction control, no slip
4812112210 Rear axle motor
Front section
Rear section
Hydraulic system, oil tank
Hydraulic oil tank assembly
Hydraulic valve module
Fan module
Hydraulic system, frame rear
Connector kit
Connector kit
Hydraulic system, engine room
Hydraulic propulsion pump module
Hydraulic vibration pump module
Hydraulic oil filter assy
Steering pump, module
Hydraulic system, steering
Hydraulic hoses, steering
Steering valve module
Hydraulic cylinder
Cable harness kit Power supply cab
Driving & side direction lights, number plate light, option
Steering column switch module
Cable harness kit
Registration plate light module
Registration plate light
Holder, Registration plate light
Reversing light module
Rotating beacon, working light, option
Working light module H3
Rotating beacon module
Bracket, Rotating beacon
External emergency stop, option
Platform, rops
4812120545 Platform with 4-post ROPS
Basic kit Rops, roof, front handrail
Rear cover
Handrail
Cab, basic kit
Manual box
Decals basic kit
Cab symmetric module
4812119366 Cab, cpl Comfort
Screens
4812115202 Cab door, cpl
4812115200 Sliding screen, left hand
Windshield wiper
Roof
Heater assy
Hose kit heater
Cab Interior
Heater controls
Cab cable harness
Cab, electrical equipment
Emergency hammer, hook
Cab, rear cover
Cab, front cover
Floor mat
Step light, wiper switch
Air channel
Sun-blind, inner light
4812119367 Cab, cpl Basic
Cab, rear cover
Cab, front cover
Wiper switch, front
Rear view mirror
Car stereo module, option
Heater hoses
Drivers seat
Seat frame structure
4700391163 Steering column
Seat frame adapter module, rotating
Seat frame adapter module, fixed
Seat, fabric suspensioned
Seat, galon suspensioned
Floor cassette module
Control module
Forward reverse control module
Display unit
Seat belt 2dm
Seat belt 3dm
Seat belt 2dm with reminder
Seat belt 3dm with reminder
Control panel cover
Decals
Decals
Color
Air conditioning
Drying filter module
4812114257 Drying filter assy
Condensor assembly
ACC module
4812113624 ACC kit
AC module
4812113623 Evaporator, cpl
Hose kit AC
Compressor module
Hose assy kit for AC
Cooling box module
Lunch box
SMV-sign
Level sensor module, option
Dyn@lyzer
Compaction meter (DCM)
FleetLink module
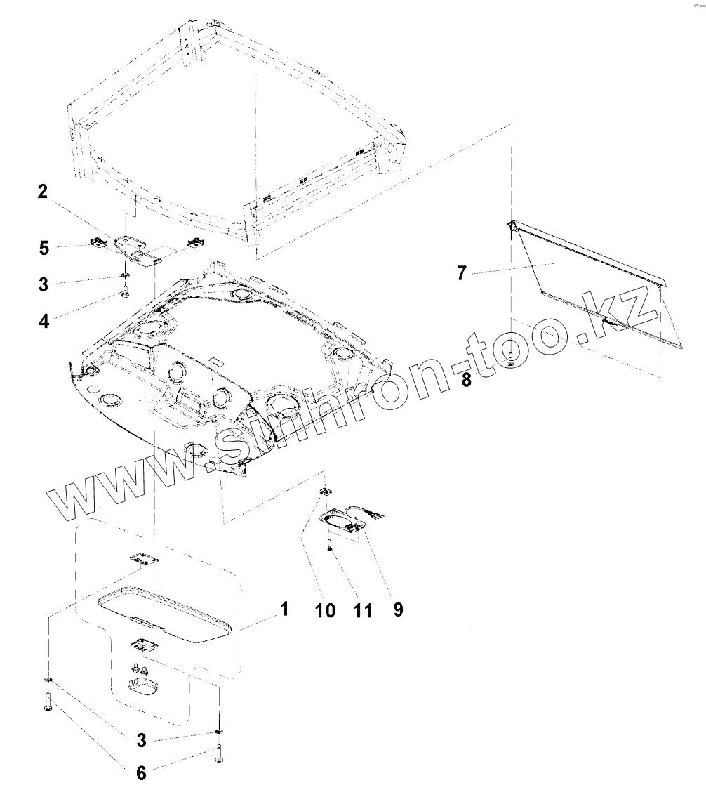
1
2
3
3
4
5
6
7
8
9
10
11
Позиция на иллюстрации
Заводской номер детали
Название детали
1
4812114582
Sun-blind
2
4812114583
Bracket
3
4700904228
Steel plain washer
4
4700500012
Hex. screw
5
4812114567
Speed nut
6
4700791171
Screw
7
4812114584
Sun-blind
8
4700904206
Screw
9
4812114585
Inner light
10
Nut
Nut
11
Screw
Screw
Содержащиеся в справочниках-каталогах запасные части и детали не предлагаются к продаже, а носят исключительно информационный характер
Дополнительная информация
×
Название:
Номер:
Примечание: