Вернуться на главную
Поиск
Каталоги запчастей к технике
Спецтехника
DYNAPAC
CA252D
Propulsion system, Front
Каталог запасных частей к технике: DYNAPAC CA252D. Propulsion system, Front
zoom-in
zoom-out
enlarge
shrink
circle-right
circle-left
file-text2
info
cart
Тип техники
Не выбрано
Легковые автомобили
Грузовые автомобили и прицепы
Автобусы
Сельхозтехника
Спецтехника
Двигатели
Мототехника
Марка
Не выбрано
Ammann
BOMAG
CARMIX
CASE IH
Changlin
ChengGong
Dimex
Doosan
DYNAPAC
Foton
HAMM
Hidromek
Hitachi
Hyundai
JCB
JLG
John Deere
Komatsu
LIEBHERR
LiuGong
Lonking (LongGong)
Luneng
MANITOU
Mitsuber
New Holland
PENGPU
RM-Terex
SANY
SDLG
SEM
Shantui
Shehwa HBXG
Soosan
TIGARBO
VOGELE
Volvo
WAY
WIRTGEN
XCMG
XGMA
Xiamen
YTO
Yuchai
Zoomlion
Автокран
АЗСМ
Алтайлесмаш
Амкодор
АОМЗ
Атек
АТЗ
Балканкар Рекорд
БелАЗ
Беловеж
Борекс
Брянский Арсенал
Булат
ВЭКС
ГАЗ
Геомаш
Гидромаш
Донекс
Дормаш
Дормашина
Дорэлектромаш
ДЭЗ
ЕлАЗ
ЗЗГТ
Ижнефтемаш
Канаш-электрокар
КЗКТ
ККЗ
Клевер
Клинцовский автокрановый завод
КМЗ
КМЗ 1 Мая
Ковровец
Коммаш
Кранэкс
КЭЗ
КЭМЗ
ЛЗА
МАЗ
МЗИК
МЗКМ
МЗКТ
Михневский РМЗ
МоАЗ
Мозырский МЗ
МТЗ
ОЗП
Онежец
ПАО "ТЗА"
ППС Детва
Промтрактор
ПТЗ
Раскат
СпецАгрегат
ТВЭКС
ТТМ
УВЗ
Угличмаш
УЗТМ
ХТЗ
ЧЗКМ
ЧСДМ
ЧТЗ
ЭКСКО
ЭКСМАШ
ЮрМаш
Модель
Не выбрано
CA1400 (2016)
CA2500D (2016)
CA2500D (2018)
CA2500D-PD (2018)
CA250D (2011)
CA252D (2008)
CA2800D (2017)
CA3500D (2016)
CA4000D (2017)
CA4000D (2020)
CA4600D (2019)
CA5500D (2015)
CA610PD (2014)
CA6500 (2018)
CC1000 (2019)
CC1100CC (2015)
CC1200C Plus (2015)
CC1200C VI (2018)
CC1200CC (2018)
CC125 (2015)
CC1250 (2015)
CC1300 (2018)
CC1300C (2015)
CC1300C (2016)
CC2200 (2018)
CC2200 (2020)
CC2300C (2018)
CC3300 (2018)
CC4000 VI (2018)
CC4200C VI (2020)
CC5200C (2018)
CC6200 VI (2020)
CC800 (2019)
CC900 (2018)
CC900S (2018)
CG2300 (2018)
CP142 (2015)
CP275 (2014)
Dynapac CA1500 (2017)
Dynapac CA2500 (2012)
Dynapac CA302D (2008)
Dynapac CA302D (2010)
Dynapac CA5000D (2017)
Dynapac CC142 (2009)
Dynapac CC2200C (2015)
Dynapac CC224HF (2012)
Dynapac CC322 (2008)
Dynapac CC422 (2010)
Dynapac CC5200 (2014)
Dynapac CC5200 (2017)
Dynapac CC5200 (2017)
Dynapac CC5200 VI (2017)
Dynapac CC800 (2013)
Dynapac CC800 (2014)
Dynapac F1200C/CS (2018)
Dynapac F1200CS/CS (2018)
Dynapac F1800C (2018)
Dynapac F181C (2010)
Dynapac PL2000LS (2010)
Dynapac PL2000LS (2010)
Dynapac PL2000S (2010)
Dynapac PL2000S (2010)
Dynapac SCC1300 (2014)
Dynapac SD2500C (ч. 1) (2018)
Dynapac SD2500C (ч. 2) (2018)
Dynapac SD2550C (ч. 1) (2018)
Dynapac SD2550C (ч. 2) (2018)
F2500C (2018)
SD2550CS (2015)
Схема
>
Не выбрано
Service kits
939568 Service kit 50 h
939569 Service kit 500 h
939570 Service kit 1000 h
938558 Steering hitch kit
938894 Eccentric shaft kit
938891 Drum rotation kit
938880 Shock absorber kit, drum
Frames
Scraper
Scrapers, Urethan Rubber Up to 66X10316
Scrapers, Urethan Rubber From 66X10317
Scrapers, Spring Steel Up to 66X10316
Scrapers, Spring Steel From 66X10317
Hitch
Structure
Hood latch control Option
Noise suppression, air inlet Option
Drum shroud From 66X10317
Drum
Drum cartridge Up to 66X10574 Drive side
Drum cartridge From 66X10575 Drive side
Drum cartridge Up to 66X10574 Vibration side
Drum cartridge From 66X10575 Vibration side
372987 Drum gear
Engine Up to 66X10329 Deutz BF4M2012C
Engine From 66X10330 Deutz BF4M2012C
Cooling system
Cooling system
Combustion air system Up to 66X10262
Combustion air system From 66X10263
Fuel system
Exhaust system
High mounted exhaust system
Rear axle and wheels Up to 66X10466
Rear axle and wheels From 66X10467 Up to 66X10519
Rear axle and wheels From 66X10520
383857 Rear axle
Differential with limited slip
Differential housing and brakes
Planet gear
383856 Rear axle No-Spin, Option
Differential with No-Spin
Planet gear
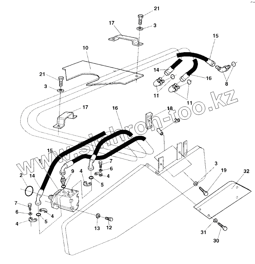
Propulsion system, Front
371509 Propulsion motor
Propulsion system, Rear
374137 Propulsion motor Up to 66X10287
373361 Propulsion motor From 66X10288
Vibration system
380145 Hydraulic motor, vibration
Steering system
392002 Steering cylinder
375031 Steering cylinder Up to 66X10572
372424 Pilot valve, steering
Brake system
Hydraulic oil tank
Hydraulic oil tank
Central test panel hydraulic
Dual speed drum drive Option
Electric system
Relay and Fuses
Instrument box
Instrument panel Main
Instrument panel Upper left
Instrument panel Upper right
Instrument panel Lower left
Instrument panel Lower right
Emergency stop panel Up to 66X10287
Emergency stop panel From 66X10288
Working lights Option
Driving lights Option
Rotating beacon Option
Compaction meter Option Up to 66X10285
Compaction meter Option From 66X10286
Speedometer and frequency meter Up to 66X10327 Option
Speedometer and frequency meter From 66X10328 Option
Tachograph, platform Option
Tachograph , cab Option
Tachograph, simple cab Option
Back-up alarm Up to 66X10374 Option
Back-up alarm From 66X10375 Option
Protecting cover, Headlight Option
Field computer assembly Option
Compaction Analyzer From 66X10286 Option
Geodynamic Compaction indicator Option
Drivers platform
Drivers platform, for cab
Drivers seat Standard platform
Drivers seat Turn-over platform
Drivers seat Turn-over in cab
359918 Steering column
Steering system
Turning Controls
Turning Carrier
Forward and reverse control
Speed limiter Option
Engine control Up to 66X10323
Engine control From 66X10324
Rops and fops
Cab Interior
Cab Inside panels
Cab Screens
Cab Door
Cab Wipers front and rear
Cab Mirror, Sun curtain
Cab Electric
Cab Heater system
385434 Cab heater, cpl
Cab Cable harness
Cab Work lights
Cab Exterior, rear mirror
Radio and cassette/cd player Option
Cab, 12V contact
Rear mirror Option
Simple Cab mounting Option
Cab Screens
Cab Door, left side
Cab Interior rear mirror
Wiper arm with blade, front
Cab Electric
Cab mounting
Cab Screens
Cab Door, left side
Decals
Decals
Standard equipment
Tool equipment
SMV-sign, First aid box
Canopy
Levelling blade, metal parts
Levelling blade, hydraulic parts
Levelling blade control
Air conditioner assembly
Condensor assembly
Compressor assembly
Evaporator assembly
Anti-spin CA
Anti-spin CA
Anti spin, Potentiometer installation
Anti spin, Hydraulic
Roof hatch
Pad shell
Scraper and beam
Pad shell
Fire extinguisher assembly
Heater, Simple cab Option
385222 Heater
1
2
3
3
3
4
4
4
4
5
5
6
6
7
7
8
9
10
11
11
12
13
14
14
15
15
16
16
17
17
18
19
20
21
21
30
31
32
Позиция на иллюстрации
Заводской номер детали
Название детали
1
371509
Propulsion motor
2
904058
O-ring
3
904230
Washer 10,5x22x2
4
923384
Flange half
5
904005
O-ring
6
904638
Washer 12x22x2
7
502132
Screw
8
334132
Elbow 45, O-ring
9
334138
Adapter
10
372235
Hose guard
11
813499
Adapter
12
500101
Screw M20x50
13
903290
Washer 21x36x6
14
483119
Hydraulic hose
15
483190
Hydraulic hose
16
483120
Hydraulic hose
17
373016
Hose clamp
18
373270
Hose clamp
19
500032
Hex. screw
20
373423
Spacer
21
500029
Screw
30
500019
Screw
31
904229
Washer 8,4x16x1,5
32
373136
Cover
Содержащиеся в справочниках-каталогах запасные части и детали не предлагаются к продаже, а носят исключительно информационный характер
Дополнительная информация
×
Название:
Номер:
Примечание: