Каталог запасных частей к технике: DYNAPAC CA252D. Engine Up to 66X10329 Deutz BF4M2012C
939418
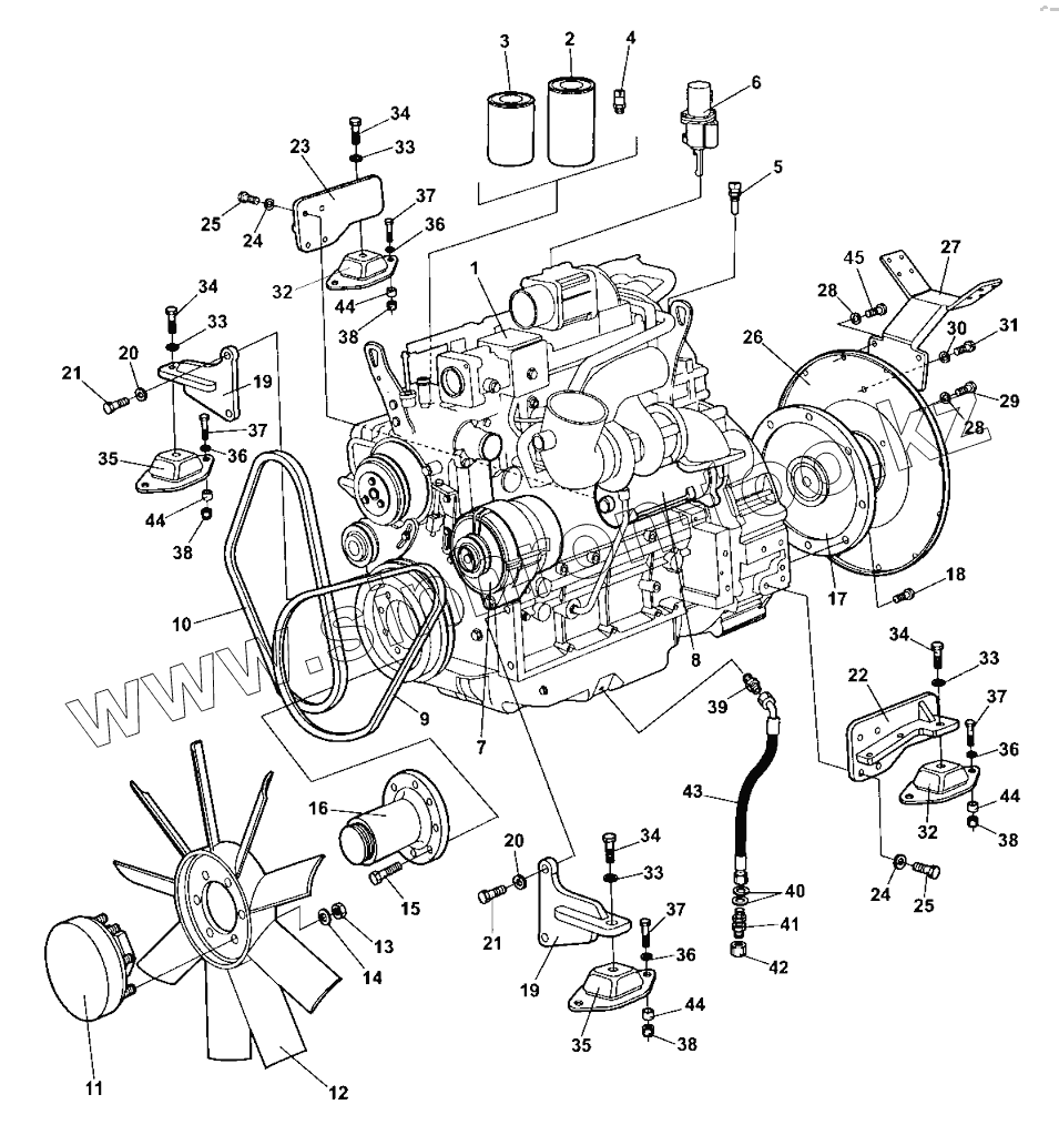
1
2
3
4
5
6
7
8
9
10
11
12
13
14
15
16
17
18
19
19
20
20
21
21
22
23
24
24
25
25
26
27
28
28
29
30
31
32
32
33
33
33
33
34
34
34
34
35
35
36
36
36
36
37
37
37
37
38
38
38
38
39
39
40
41
42
43
43
44
44
44
44
45
| Позиция на иллюстрации | Заводской номер детали | Название детали | |
|---|---|---|---|
| 939418 | 939418 | Charging relay | |
| 1 | 386926 | Engine | |
| 2 | 903942 | Oil filter element | |
| 3 | 939581 | Fuel filter element | |
| 4 | 939419 | Oil pressure sender | |
| 5 | 939416 | Oil temp sender | |
| 6 | 939415 | Fuel solenoid | |
| 7 | 939417 | Alternator | |
| 8 | 939431 | Starter | |
| 9 | 939420 | V-belt | |
| 10 | 939421 | V-belt | |
| 11 | 939423 | Fan coupling | |
| 12 | 939422 | Fan | |
| 13 | 939424 | Nut | |
| 14 | 939425 | Washer | |
| 15 | 939427 | Bolt | |
| 16 | 939426 | Fan adapter | |
| 17 | 370229 | Coupling | |
| 18 | 508053 | Screw | |
| 19 | 387107 | Engine bracket | |
| 20 | 904232 | Washer 17x30x3 | |
| 21 | 500093 | Screw | |
| 22 | 387108 | Engine bracket | |
| 23 | 387109 | Engine bracket | |
| 24 | 904638 | Washer 12x22x2 | |
| 25 | 500037 | Hex. screw | |
| 26 | 372772 | Bracket | |
| 27 | 372358 | Bracket | |
| 28 | 904637 | Washer 10x18x2 | |
| 29 | 500028 | Screw | |
| 30 | 904229 | Washer 8,4x16x1,5 | |
| 31 | 500053 | Screw | |
| 32 | 387128 | Shock absorber | |
| 33 | 904232 | Washer 17x30x3 | |
| 34 | 500070 | Screw M16x50 | |
| 35 | 387129 | Shock absorber | |
| 36 | 904703 | Washer 13x24x4 | |
| 37 | 500195 | Screw | |
| 38 | 586019 | Lock nut M12 | |
| 39 | 234382 | Adapter | |
| 39 | 904210 | Adapter | |
| 40 | 904234 | Washer 25x45x4 | |
| 41 | 230516 | Adapter | |
| 42 | 230384 | Cap | |
| 43 | 387708 | Oil drain hose | |
| 43 | 388779 | Oil drain hose | |
| 44 | 375152 | Spacer | |
| 45 | 500029 | Screw |
Содержащиеся в справочниках-каталогах запасные части и детали не предлагаются к продаже, а носят исключительно информационный характер