Каталог запасных частей к технике: DYNAPAC CA252D. Electric system
904032
791477
791514
928021
928021
2
2
2
2
2
2
2
2
4
5
5
6
6
6
7
7
7
8
8
8
9
9
10
11
12
14
15
16
17
20
21
23
24
25
26
29
29
29
29
30
30
30
30
30
30
30
31
32
32
33
33
33
34
34
34
34
34
34
34
35
35
35
35
35
36
36
37
37
38
38
39
40
41
42
45
48
48
48
49
50
51
52
53
54
54
54
55
56
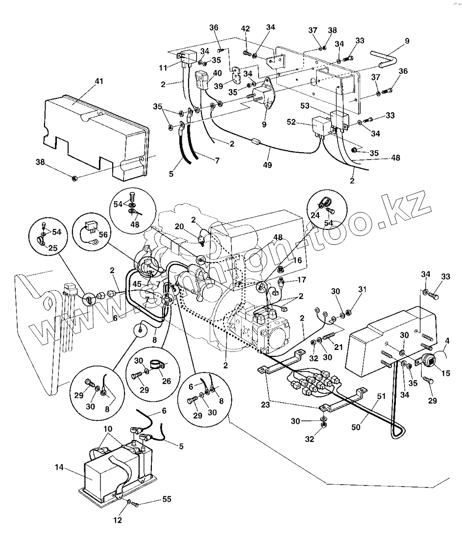
| Позиция на иллюстрации | Заводской номер детали | Название детали | |
|---|---|---|---|
| 904032 | 904032 | Fuse holder | |
| 791477 | 791477 | Fuse holder | |
| 791514 | 791514 | Fuse | |
| 928021 | 928021 | Key | |
| 2 | 386902 | Cable harness | |
| 4 | 372997 | Cable harness | |
| 5 | 791503 | Battery cable | |
| 6 | 791504 | Battery cable | |
| 7 | 791507 | Connection cable, coarse | |
| 8 | 791508 | Connection cable, coarse | |
| 9 | 930150 | Battery switch | |
| 10 | 791371 | Strap | |
| 11 | 904448 | Relay | |
| 12 | 904228 | Washer 6,4x12x1,5 | |
| 14 | 470021 | Battery | |
| 15 | 999027 | Horn | |
| 16 | 813434 | Reducer | |
| 17 | 903631 | Temperature sensor Hydraulic oil | |
| 20 | 924737 | Indicator | |
| 21 | 903768 | Threaded stud | |
| 23 | 372649 | Cable holder | |
| 24 | 921080 | Clamp | |
| 25 | 921072 | Clamp | |
| 26 | 921116 | Clamp | |
| 29 | 500053 | Screw | |
| 30 | 904229 | Washer 8,4x16x1,5 | |
| 31 | 570005 | Nut | |
| 32 | 586003 | Lock nut M8 | |
| 33 | 500040 | Screw | |
| 34 | 904639 | Washer 6,7x14x1,5 | |
| 35 | 902285 | Lock nut M6 | |
| 36 | 500006 | Screw | |
| 37 | 904281 | Washer 5,3x10x1 | |
| 38 | 902284 | Nut | |
| 39 | 904036 | Fuse holder | |
| 40 | 904037 | Fuse | |
| 41 | 373891 | Cover | |
| 42 | 513012 | Screw | |
| 45 | 791512 | Connection cable | |
| 48 | 387221 | Cable harness | |
| 49 | 387220 | Cable harness | |
| 50 | 381615 | Cable harness | |
| 51 | 387005 | Cable harness | |
| 52 | 939464 | Pre-heater relay | |
| 53 | 939465 | Heater control module | |
| 54 | Existing | Existing | |
| 55 | 500012 | Screw | |
| 56 | 791045 | Capacitor |
Содержащиеся в справочниках-каталогах запасные части и детали не предлагаются к продаже, а носят исключительно информационный характер