Каталог запасных частей к технике: DYNAPAC CA252D. Cab Door
1
2
3
3
4
5
5
5
5
5
5
5
5
5
6
7
8
9
10
12
13
14
15
16
17
18
19
20
21
22
23
24
25
25
25
25
26
26
26
26
27
28
29
30
31
32
33
34
35
36
37
38
39
40
41
42
43
44
45
46
46
47
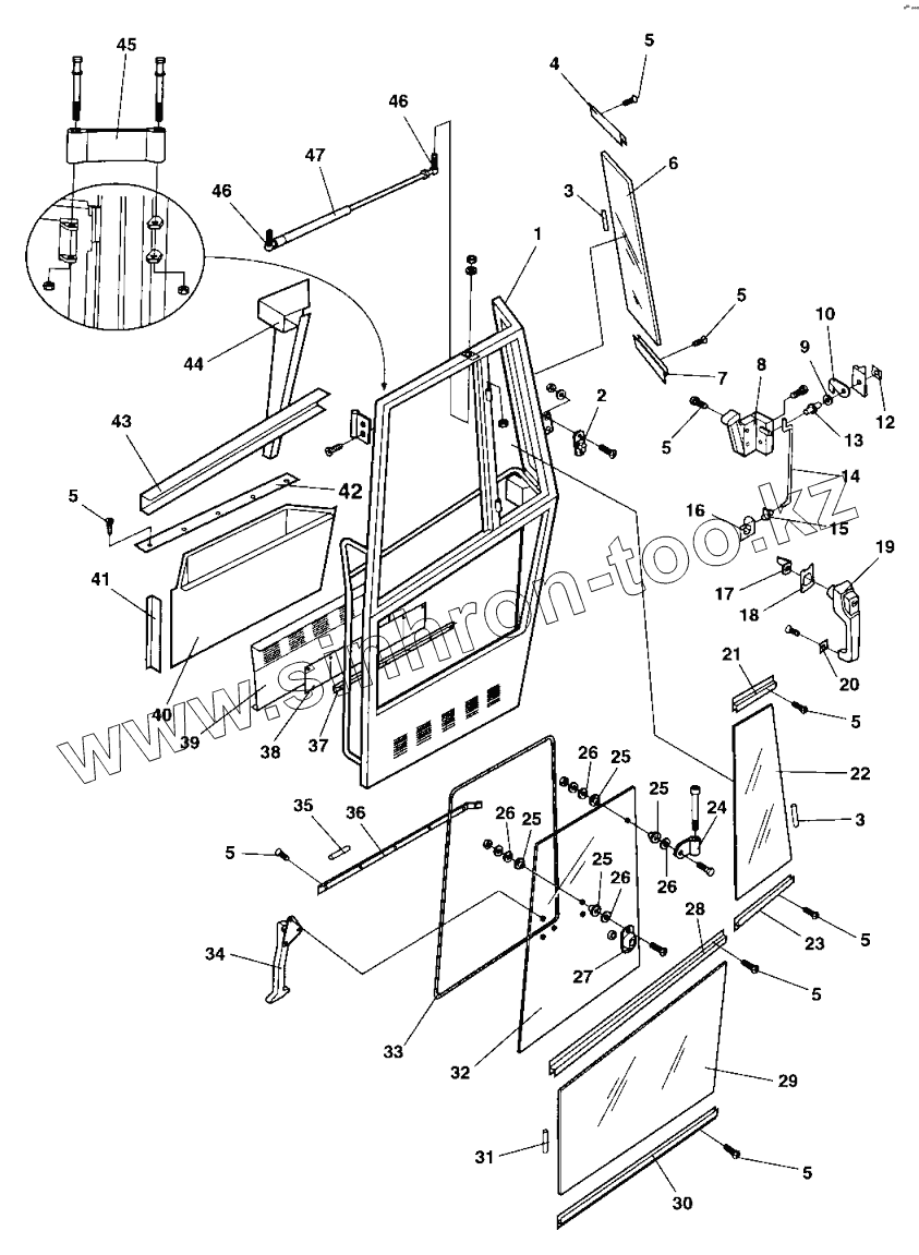
| Позиция на иллюстрации | Заводской номер детали | Название детали | |
|---|---|---|---|
| 938224 | 938224 | Door cpl | |
| 1 | 938016 | Door frame | |
| 2 | 935277 | Lock pin | |
| 3 | 908545 | Seal list | |
| 4 | 935268 | List | |
| 5 | 937932 | Screw | |
| 6 | 937391 | Screen | |
| 7 | 935267 | List | |
| 8 | 938017 | Lock | |
| 9 | 908581 | Washer | |
| 10 | 908582 | Cover | |
| 12 | 908583 | Bracket | |
| 13 | 908580 | Lock pin | |
| 14 | 935250 | Rod | |
| 15 | 935249 | Retainer | |
| 16 | 935248 | Turning mechanism | |
| 17 | 935247 | Leader | |
| 18 | 935246 | Seal | |
| 19 | 935244 | Door handle with key | |
| 20 | 935245 | Seal | |
| 21 | 935270 | List | |
| 22 | 937392 | Screen | |
| 23 | 935269 | List | |
| 24 | 935273 | Hinge | |
| 25 | 935271 | Washer, Flexible | |
| 26 | 935272 | Washer, Black | |
| 27 | 935276 | Bracket | |
| 28 | 935266 | List | |
| 29 | 937390 | Screen | |
| 30 | 935265 | List | |
| 31 | 908545 | Seal list | |
| 32 | 937393 | Screen | |
| 33 | 908499 | Rubber list | |
| 34 | 935253 | Lock | |
| 35 | 908987 | Seal | |
| 36 | 935255 | List | |
| 37 | 935256 | List | |
| 38 | 935257 | Ventilating grill | |
| 39 | 935258 | Panel plate | |
| 40 | 935260 | Panel | |
| 41 | 935261 | Panel | |
| 42 | 935262 | Support list | |
| 43 | 935263 | Panel | |
| 44 | 938043 | Panel | |
| 45 | 938024 | Door stop | |
| 46 | 937121 | Ball joint | |
| 47 | 938018 | Gas spring |
Содержащиеся в справочниках-каталогах запасные части и детали не предлагаются к продаже, а носят исключительно информационный характер