Вернуться на главную
Поиск
Каталоги запчастей к технике
Спецтехника
DYNAPAC
CA250D
Brake system
Каталог запасных частей к технике: DYNAPAC CA250D. Brake system
zoom-in
zoom-out
enlarge
shrink
circle-right
circle-left
file-text2
info
cart
Тип техники
Не выбрано
Легковые автомобили
Грузовые автомобили и прицепы
Автобусы
Сельхозтехника
Спецтехника
Двигатели
Мототехника
Марка
Не выбрано
Ammann
BOMAG
CARMIX
CASE IH
Changlin
ChengGong
Dimex
Doosan
DYNAPAC
Foton
HAMM
Hidromek
Hitachi
Hyundai
JCB
JLG
John Deere
Komatsu
LIEBHERR
LiuGong
Lonking (LongGong)
Luneng
MANITOU
Mitsuber
New Holland
PENGPU
RM-Terex
SANY
SDLG
SEM
Shantui
Shehwa HBXG
Soosan
TIGARBO
VOGELE
Volvo
WAY
WIRTGEN
XCMG
XGMA
Xiamen
YTO
Yuchai
Zoomlion
Автокран
АЗСМ
Алтайлесмаш
Амкодор
АОМЗ
Атек
АТЗ
Балканкар Рекорд
БелАЗ
Беловеж
Борекс
Брянский Арсенал
Булат
ВЭКС
ГАЗ
Геомаш
Гидромаш
Донекс
Дормаш
Дормашина
Дорэлектромаш
ДЭЗ
ЕлАЗ
ЗЗГТ
Ижнефтемаш
Канаш-электрокар
КЗКТ
ККЗ
Клевер
Клинцовский автокрановый завод
КМЗ
КМЗ 1 Мая
Ковровец
Коммаш
Кранэкс
КЭЗ
КЭМЗ
ЛЗА
МАЗ
МЗИК
МЗКМ
МЗКТ
Михневский РМЗ
МоАЗ
Мозырский МЗ
МТЗ
ОЗП
Онежец
ПАО "ТЗА"
ППС Детва
Промтрактор
ПТЗ
Раскат
СпецАгрегат
ТВЭКС
ТТМ
УВЗ
Угличмаш
УЗТМ
ХТЗ
ЧЗКМ
ЧСДМ
ЧТЗ
ЭКСКО
ЭКСМАШ
ЮрМаш
Модель
Не выбрано
CA1400 (2016)
CA2500D (2016)
CA2500D (2018)
CA2500D-PD (2018)
CA250D (2011)
CA252D (2008)
CA2800D (2017)
CA3500D (2016)
CA4000D (2017)
CA4000D (2020)
CA4600D (2019)
CA5500D (2015)
CA610PD (2014)
CA6500 (2018)
CC1000 (2019)
CC1100CC (2015)
CC1200C Plus (2015)
CC1200C VI (2018)
CC1200CC (2018)
CC125 (2015)
CC1250 (2015)
CC1300 (2018)
CC1300C (2015)
CC1300C (2016)
CC2200 (2018)
CC2200 (2020)
CC2300C (2018)
CC3300 (2018)
CC4000 VI (2018)
CC4200C VI (2020)
CC5200C (2018)
CC6200 VI (2020)
CC800 (2019)
CC900 (2018)
CC900S (2018)
CG2300 (2018)
CP142 (2015)
CP275 (2014)
Dynapac CA1500 (2017)
Dynapac CA2500 (2012)
Dynapac CA302D (2008)
Dynapac CA302D (2010)
Dynapac CA5000D (2017)
Dynapac CC142 (2009)
Dynapac CC2200C (2015)
Dynapac CC224HF (2012)
Dynapac CC322 (2008)
Dynapac CC422 (2010)
Dynapac CC5200 (2014)
Dynapac CC5200 (2017)
Dynapac CC5200 (2017)
Dynapac CC5200 VI (2017)
Dynapac CC800 (2013)
Dynapac CC800 (2014)
Dynapac F1200C/CS (2018)
Dynapac F1200CS/CS (2018)
Dynapac F1800C (2018)
Dynapac F181C (2010)
Dynapac PL2000LS (2010)
Dynapac PL2000LS (2010)
Dynapac PL2000S (2010)
Dynapac PL2000S (2010)
Dynapac SCC1300 (2014)
Dynapac SD2500C (ч. 1) (2018)
Dynapac SD2500C (ч. 2) (2018)
Dynapac SD2550C (ч. 1) (2018)
Dynapac SD2550C (ч. 2) (2018)
F2500C (2018)
SD2550CS (2015)
Схема
>
Не выбрано
DYNAPAC CA250D SN 10000107x 0A000001-
Service kits
4812156751 Service kit 50 h
4700938527 Service kit 250/750 h
4700950196 Service kit 500 h
4700950197 Service kit 1000 h
Repair kits
4700938558 Steering hitch kit
4700938894 Eccentric shaft kit
4700938891 Drum rotation kit
4700938878 Shock absorber kit, drum
Frame
Scraper and beam
Scrapers, Urethan Rubber Option
Scrapers, Spring Steel Option
Hitch
Structure
Side covers Option
Noise suppression
Drum shroud Option
Drum
Drum
4700380462 Drum gear
4700372987 Drum gear
Engine
Fan and Fan clutch
Cooling system
Combustion air system
Fuel system
Exhaust system
Pre air cleaner Option
Transmission
Rear axle and wheels
4700393002 Rear axle
Differential with limited slip
Differential housing and brakes
Planet gear
4700383856 Rear axle No-Spin, Option
Differential with no-spin
Differential housing and brakes
Planet gear
4700396309 Rear axle
Propulsion system, Front
4700371509 Propulsion motor
Propulsion system, Rear
4700395385 Hydraulic pump
Vibration system
4700395384 Vibration pump
4700395386 Hydraulic motor, vibration
Steering system
4700376000 Steering valve
4700392002 Steering cylinder
Brake system
Hydraulic oil tank
Central test panel hydraulic Option
Central test panel, Sauer Danfoss Option
Central test panel, Rexroth Option
Electric system
Control panel
Working lights Option
Working light rear
Rotating beacon Option
Back-up alarm Option
Compaction meter Option
Drivers platform
Control panel
Throttle controls
Forward and reverse control
Forward and reverse control handle
Steering column
Rops and fops
Cab mounting
Cab Screens
Cab Door, left side
Cab Interior rear mirror
Wiper arm with blade, front
Cab Electric
Cab Exterior, rear mirror
Cab Work light
Decals
Decals
Standard equipment
Tool equipment
Pad shell
Dy-Mic
Air conditioner and heater, Simple cab
Air conditioner and heater unit
4700383413 Condensor, cpl
Heater Simple cab
4700385222 Heater
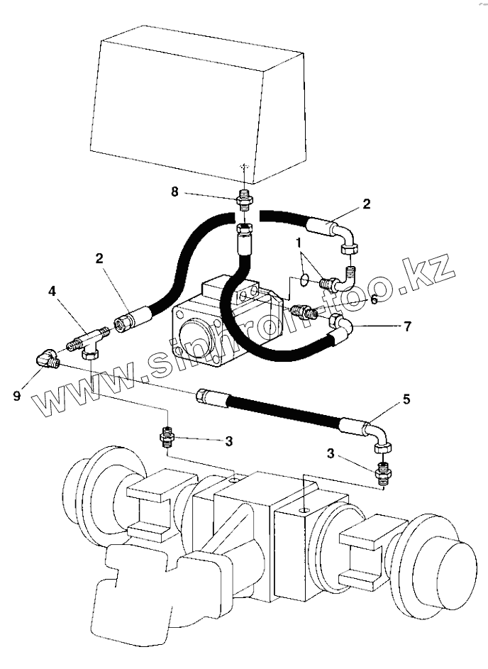
1
2
2
3
3
4
5
6
7
8
9
Позиция на иллюстрации
Заводской номер детали
Название детали
1
4700334389
Connector
2
4700482056
Hydraulic hose
3
4700900552
Adapter
4
4700234888
Tee-connector
5
4700482399
Hydraulic hose
6
4700234843
Adapter
7
4700482474
Hydraulic hose
8
4700334205
Straight connector
9
4700334524
Connector
Содержащиеся в справочниках-каталогах запасные части и детали не предлагаются к продаже, а носят исключительно информационный характер
Дополнительная информация
×
Название:
Номер:
Примечание: