Вернуться на главную
Поиск
Каталоги запчастей к технике
Спецтехника
DYNAPAC
CA2500D-PD
Floor cassette module
Каталог запасных частей к технике: DYNAPAC CA2500D-PD. Floor cassette module
zoom-in
zoom-out
enlarge
shrink
circle-right
circle-left
file-text2
info
cart
Тип техники
Не выбрано
Легковые автомобили
Грузовые автомобили и прицепы
Автобусы
Сельхозтехника
Спецтехника
Двигатели
Мототехника
Марка
Не выбрано
Ammann
BOMAG
CARMIX
CASE IH
Changlin
ChengGong
Dimex
Doosan
DYNAPAC
Foton
HAMM
Hidromek
Hitachi
Hyundai
JCB
JLG
John Deere
Komatsu
LIEBHERR
LiuGong
Lonking (LongGong)
Luneng
MANITOU
Mitsuber
New Holland
PENGPU
RM-Terex
SANY
SDLG
SEM
Shantui
Shehwa HBXG
Soosan
TIGARBO
VOGELE
Volvo
WAY
WIRTGEN
XCMG
XGMA
Xiamen
YTO
Yuchai
Zoomlion
Автокран
АЗСМ
Алтайлесмаш
Амкодор
АОМЗ
Атек
АТЗ
Балканкар Рекорд
БелАЗ
Беловеж
Борекс
Брянский Арсенал
Булат
ВЭКС
ГАЗ
Геомаш
Гидромаш
Донекс
Дормаш
Дормашина
Дорэлектромаш
ДЭЗ
ЕлАЗ
ЗЗГТ
Ижнефтемаш
Канаш-электрокар
КЗКТ
ККЗ
Клевер
Клинцовский автокрановый завод
КМЗ
КМЗ 1 Мая
Ковровец
Коммаш
Кранэкс
КЭЗ
КЭМЗ
ЛЗА
МАЗ
МЗИК
МЗКМ
МЗКТ
Михневский РМЗ
МоАЗ
Мозырский МЗ
МТЗ
ОЗП
Онежец
ПАО "ТЗА"
ППС Детва
Промтрактор
ПТЗ
Раскат
СпецАгрегат
ТВЭКС
ТТМ
УВЗ
Угличмаш
УЗТМ
ХТЗ
ЧЗКМ
ЧСДМ
ЧТЗ
ЭКСКО
ЭКСМАШ
ЮрМаш
Модель
Не выбрано
CA1400 (2016)
CA2500D (2016)
CA2500D (2018)
CA2500D-PD (2018)
CA250D (2011)
CA252D (2008)
CA2800D (2017)
CA3500D (2016)
CA4000D (2017)
CA4000D (2020)
CA4600D (2019)
CA5500D (2015)
CA610PD (2014)
CA6500 (2018)
CC1000 (2019)
CC1100CC (2015)
CC1200C Plus (2015)
CC1200C VI (2018)
CC1200CC (2018)
CC125 (2015)
CC1250 (2015)
CC1300 (2018)
CC1300C (2015)
CC1300C (2016)
CC2200 (2018)
CC2200 (2020)
CC2300C (2018)
CC3300 (2018)
CC4000 VI (2018)
CC4200C VI (2020)
CC5200C (2018)
CC6200 VI (2020)
CC800 (2019)
CC900 (2018)
CC900S (2018)
CG2300 (2018)
CP142 (2015)
CP275 (2014)
Dynapac CA1500 (2017)
Dynapac CA2500 (2012)
Dynapac CA302D (2008)
Dynapac CA302D (2010)
Dynapac CA5000D (2017)
Dynapac CC142 (2009)
Dynapac CC2200C (2015)
Dynapac CC224HF (2012)
Dynapac CC322 (2008)
Dynapac CC422 (2010)
Dynapac CC5200 (2014)
Dynapac CC5200 (2017)
Dynapac CC5200 (2017)
Dynapac CC5200 VI (2017)
Dynapac CC800 (2013)
Dynapac CC800 (2014)
Dynapac F1200C/CS (2018)
Dynapac F1200CS/CS (2018)
Dynapac F1800C (2018)
Dynapac F181C (2010)
Dynapac PL2000LS (2010)
Dynapac PL2000LS (2010)
Dynapac PL2000S (2010)
Dynapac PL2000S (2010)
Dynapac SCC1300 (2014)
Dynapac SD2500C (ч. 1) (2018)
Dynapac SD2500C (ч. 2) (2018)
Dynapac SD2550C (ч. 1) (2018)
Dynapac SD2550C (ч. 2) (2018)
F2500C (2018)
SD2550CS (2015)
Схема
>
Не выбрано
4812156993 Service kit, 50h Plus
4812159996 Service kit, 50h Plus Limited slip Rear axle
4812160173 Service kit, 500h Plus for Cummins QSB 4.5
4812160172 Service kit, 500h for Cummins QSB 4.5
4812160175 Service kit, 1000h Plus for Cummins QSB 4.5
4812160174 Service kit, 1000h for Cummins QSB 4.5
4812160178 Start up kit for Cummins QSB 4.5
4812160177 Service kit, 2000h Plus for Cummins QSB 4.5
4812160176 Service kit, 2000h for Cummins QSB 4.5
4812158281 Service kit, 500h Plus for Cummins QSB 4.5
4812158369 Service kit, 500h for Cummins QSB 4.5
4812158282 Service kit, 1000h Plus for Cummins QSB 4.5
4812158283 Service kit, 1000h for Cummins QSB 4.5
4812158370 Start up kit for Cummins QSB 4.5
4812158582 Service kit, 2000h Plus for Cummins QSB 4.5
4812158583 Service kit, 2000h for Cummins QSB 4.5
Eccentric shaft kit
4812157275 Drum rotation kit
4812158579 Shock absorber kit, drum
Frame, front
4812117507 Steering hitch, cpl To A016439
Steering hitch module From A016440
4812114990 Steering hitch, cpl From A016440
Scrapers, option
Scraper module Steel
Scraper module Rubber
Scraper assy
Scraper module PD
Scraper module PD Heavy duty
Scraper mount
Frame, rear
Frame, rear
Cover assembly
Step module
Step assy
Tool box module, Option
Engine structure
Engine hood
4812120749 Engine hood, cpl
4812118994 Lock handle, cpl
Fender module
Hinge module
Lock handle assy
Gas spring module
Safety link module
Drum, cpl
4812113266 Drum gear
4812112198 Hydraulic motor
Vibration motor adapter
Tooth wheel module
4812158091 Drum cartridge, vibration side (D version)
4812158096 Drum cartridge with shaft nut, vibration side (D version)
4812158086 Drum cartridge, drive side (D version)
4812158090 Drum cartridge, vibration side (PD version)
4812158095 Drum cartridge with shaft nut, vibration side (PD version)
4812158085 Drum cartridge, drive side (PD version)
Pad shell, option
Engine
Diesel engine
Belt guard module
Bracket module
Cooling system
Cooler stand module To A015844
Cooler stand module From A015845
Hose assy kit
Air cleaner
Air cleaner module
Fuel system
Fuel tank module
Fuel tank
Brackets assy
Fuel hoses
Draining module, option
Exhaust system
Expansion tank assembly
Rear axle and wheels
4812113344 Rear axle, limited slip
Differential & Bevel gear
Brakes
Hub reduction
4812113341 Rear axle No spin
Differential
Central housing and brakes
Hub reduction
Hydraulic system, drum (D) Traction control, dual speed
Hydraulic motor
4812112215 Hydraulic motor
Rotary group
Flush and boost pressure valve
Cover with shaft seal ring
Hydraulic valve module
4812113687 Hydraulic valve
Hydraulic system, drum (PD) Traction control, dual speed
Hydraulic motor
4812112200 Hydraulic motor
Loop flushing
Hydraulic system, drum Anti-spin system
Hydraulic motor
4812112202 Drum motor
Drum motor. Front section
Loop flushing
Drum motor. Rear section
Hydraulic system, rear axle Traction control, limited slip
Hydraulic motor
4812112208 Rear axle motor
Front section
Rear section
Hose holder
Hydraulic system, rear axle Traction control, no slip
Hydraulic motor
4812112211 Rear axle motor
Loop flusing
4812122932 Hydraulic motor
Hydraulic system, rear axle Anti-spin system
Hydraulic motor
4812112210 Rear axle motor
Front section
Rear section
Hydraulic system, rear axle Dual speed
Hydraulic motor
4812112207 Axle motor
Hydraulic system, oil tank
Hydraulic oil tank assembly
Hydraulic valve module
4812120840 Hydraulic valve
4812112238 Hydraulic valve
Connector assy
Fan module
4812117796 Hydraulic motor
Hydraulic system, engine room
Hydraulic pump module
4812112170 Hydraulic pump, propul pump
Front section
Rear section
Hydraulic pump module
Hydraulic oil filter assy
Hydraulic pump module
4812118150 Hydraulic pump, steering
Hydraulic system, engine room Adjustable frequency, eco opti
Hydraulic pump
4812112180 Hydraulic pump
Hydraulic pump module, Eco
4812118151 Hydraulic pump
Hydraulic system, frame rear
Connector kit
Connector kit
Hydraulic system, steering
Hydraulic cylinder
4812121946 Hydraulic cylinder
Hydraulic cylinder
Steering valve module
Hydraulic hoses, steering
Hydraulic system, emergency steering
4812112188 Hydraulic pump Emergency steering unit
4812112236 Hydraulic valve
Electric cables, power supply, 1-pole
Battery module
Battery disconnector module
Electric cables, power supply, 2-pole, option
Battery disconnector, 2-pole
Electrical cables, engine - ECU Horn, back-up alarm
Standard ECU assembly
Power converter module
Inclination sensor module
Inclination sensor module
Back-up alarm module
Back-up alarm module, Quacker
Bracket module
Cable harness kit Power supply cab
Driving & side direction lights, number plate light, option
Steering column switch module
Cable harness kit
Registration plate light module
Registration plate light
Holder, Registration plate light
Reversing light module
DCA/GPS equipment module, option
Holder
GPS equipment module
GPS equipment assy
Computer
Tachograph, option
Holder assy
Power supply module
Speed sensor, frequency sensor, option
Pulse sensor module (6-pol)
Pre-heater installation, option
Heater
Rotating beacon, working light, option
Rotating beacon module
Bracket, Rotating beacon
Working light module H3
Cable harness, emergency steering, option
Displacement shift
Compaction meter, option
Power supply
External emergency stop, option
Platform, rops
4812120545 Platform with 4-post ROPS
Basic kit Rops, roof, front handrail
Rear cover
Handrail
Cab, basic kit
Manual box
Decals basic kit
Cab symmetric module
4812119366 Cab, cpl Comfort
Screens
4812115202 Cab door, cpl
4812115200 Sliding screen, left hand
Windshield wiper
Roof
Heater assy
Hose kit heater
Cab Interior
Heater controls
Cab cable harness
Cab, electrical equipment
Emergency hammer, hook
Cab, rear cover
Cab, front cover
Floor mat
Step light, front wiper switches
Air channel
Sun-blind, inner light
4812119367 Cab, cpl Basic
Cab, rear cover
Cab, front cover
Wiper switch, front
Car stereo module, option
Rear view mirror
Drivers seat
Seat frame structure
4700391163 Steering column
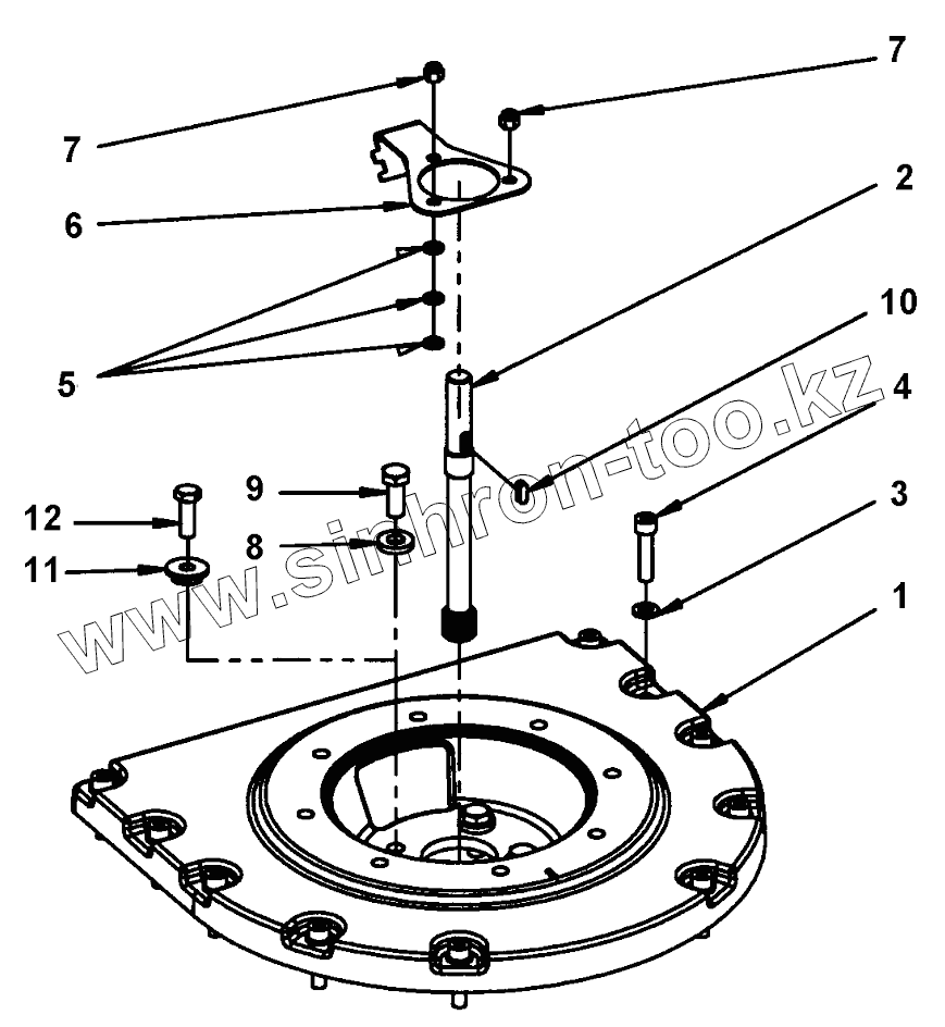
Floor cassette module
Control module
Seat comfort, fabric suspensioned
Seat, galon suspensioned
Forward reverse control module
Seat belt 2"
Seat belt 3"
Seat belt 2" with reminder
Seat belt 3" with reminder
Display unit
Control panel cover
Reading light
Seat frame adapter module, rotating
Seat frame adapter module, fixed
Heater hoses
Decals
Decals
Plain Dynapac decals, kit
Air conditioning
Drying filter module
4812114257 Drying filter assy
Condensor assembly
ACC module
4812113624 ACC kit
AC module
4812113623 Evaporator, cpl
Hose kit AC
Compressor module
Hose assy kit for AC
Strike of blade kit
Hydraulic and Electrical kit
4812113498 Hydraulic valve, Strike-off blade
4812121948 Hydraulic cylinder
Strike off blade, mount
Locking device, module
Indicator, module
Fire extinguisher/First Aid Cushion
Fire extinguisher
Level sensor module, option
SMV-sign
Cooling box module
Lunch box
DynaLink module
4812013038 GPS module
Compaction meter (DCM)
Dynalyzer
1
2
3
4
5
6
7
7
8
9
10
11
12
Позиция на иллюстрации
Заводской номер детали
Название детали
1
4812111294
Adapter
2
4812110885
Splined shaft
3
4700904229
Washer
4
4700508027
Screw
5
4700904228
Steel plain washer
6
4812114172
Bracket
7
4700586002
Lock nut
8
4700904557
Washer
9
4700500028
Screw
10
4700350009
Flat key
11
4812113478
Washer
12
4700500029
Hex. screw
Содержащиеся в справочниках-каталогах запасные части и детали не предлагаются к продаже, а носят исключительно информационный характер
Дополнительная информация
×
Название:
Номер:
Примечание: