Вернуться на главную
Поиск
Каталоги запчастей к технике
Спецтехника
Дормашина
ДС-143А
Гидросистема ДС-143.05.00.000
Каталог запасных частей к технике: Дормашина ДС-143А. Гидросистема ДС-143.05.00.000
zoom-in
zoom-out
enlarge
shrink
circle-right
circle-left
file-text2
info
cart
Тип техники
Не выбрано
Легковые автомобили
Грузовые автомобили и прицепы
Автобусы
Сельхозтехника
Спецтехника
Двигатели
Мототехника
Марка
Не выбрано
Ammann
BOMAG
CARMIX
CASE IH
Changlin
ChengGong
Dimex
Doosan
DYNAPAC
Foton
HAMM
Hidromek
Hitachi
Hyundai
JCB
JLG
John Deere
Komatsu
LIEBHERR
LiuGong
Lonking (LongGong)
Luneng
MANITOU
Mitsuber
New Holland
PENGPU
RM-Terex
SANY
SDLG
SEM
Shantui
Shehwa HBXG
Soosan
TIGARBO
VOGELE
Volvo
WAY
WIRTGEN
XCMG
XGMA
Xiamen
YTO
Yuchai
Zoomlion
Автокран
АЗСМ
Алтайлесмаш
Амкодор
АОМЗ
Атек
АТЗ
Балканкар Рекорд
БелАЗ
Беловеж
Борекс
Брянский Арсенал
Булат
ВЭКС
ГАЗ
Геомаш
Гидромаш
Донекс
Дормаш
Дормашина
Дорэлектромаш
ДЭЗ
ЕлАЗ
ЗЗГТ
Ижнефтемаш
Канаш-электрокар
КЗКТ
ККЗ
Клевер
Клинцовский автокрановый завод
КМЗ
КМЗ 1 Мая
Ковровец
Коммаш
Кранэкс
КЭЗ
КЭМЗ
ЛЗА
МАЗ
МЗИК
МЗКМ
МЗКТ
Михневский РМЗ
МоАЗ
Мозырский МЗ
МТЗ
ОЗП
Онежец
ПАО "ТЗА"
ППС Детва
Промтрактор
ПТЗ
Раскат
СпецАгрегат
ТВЭКС
ТТМ
УВЗ
Угличмаш
УЗТМ
ХТЗ
ЧЗКМ
ЧСДМ
ЧТЗ
ЭКСКО
ЭКСМАШ
ЮрМаш
Модель
Не выбрано
ДС-143А (1991)
Схема
>
Не выбрано
Установка сидений и тента ДС-143.01.20.000
Установка сидений и тента ДС-143.01.20.000
Установка сидений и тента ДС-143.01.20.000
Установка сидений и тента ДС-143.01.20.000
Капот двигателя и облицовки ДС-143А.34.00.000
Капот двигателя и облицовки ДС-143А.34.00.000
Капот двигателя и облицовки ДС-143А.34.00.000
Капот двигателя и облицовки ДС-143А.34.00.000
Капот двигателя и облицовки ДС-143А.34.00.000
Капот двигателя и облицовки ДС-143А.34.00.000
Капот двигателя и облицовки ДС-143А.34.00.000
Установка торцевых щитов ДС-143.02.09.000
Установка двигателя ДС-143А.31.02.000
Установка двигателя ДС-143А.31.02.000
Установка двигателя ДС-143А.31.02.000
Установка двигателя ДС-143А.31.02.000
Установка двигателя ДС-143А.31.02.000
Установка двигателя ДС-143А.31.02.000
Установка двигателя ДС-143А.31.02.000
Установка двигателя ДС-143А.31.02.000
Установка двигателя ДС-143А.31.02.000
Установка двигателя ДС-143А.31.02.000
Установка двигателя ДС-143А.31.02.000
Установка двигателя ДС-143А.31.02.000
Управление муфтами сцепления ДС-143.01.14.000
Управление муфтами сцепления ДС-143.01.14.000
Коробка перемены передач ДС-143.01.03.000
Коробка перемены передач ДС-143.01.03.000
Коробка перемены передач ДС-143.01.03.000
Коробка перемены передач ДС-143.01.03.000
Коробка перемены передач ДС-143.01.03.000
Коробка перемены передач ДС-143.01.03.000
Коробка перемены передач ДС-143.01.03.000
Коробка перемены передач ДС-143.01.03.000
Коробка перемены передач ДС-143.01.03.000
Коробка перемены передач ДС-143.01.03.000
Коробка перемены передач ДС-143.01.03.000
Управление коробкой перемены передач ДС-143.01.07.000
Управление коробкой перемены передач ДС-143.01.07.000
Управление коробкой перемены передач ДС-143.01.07.000
Система масла коробки перемены передач ДС-143.01.13.000
Установка гидромуфты привода хода ДС-143.01.04.000
Установка гидромуфты привода хода ДС-143.01.04.000
Установка гидромуфты привода хода ДС-143.01.04.000
Установка гидромуфты привода хода ДС-143.01.04.000
Управление гидромуфтами привода хода ДС-143.01.16.000
Управление гидромуфтами привода хода ДС-143.01.16.000
Управление гидромуфтами привода хода ДС-143.01.16.000
Управление гидромуфтами привода хода ДС-143.01.16.000
Управление гидромуфтами привода хода ДС-143.01.16.000
Управление гидромуфтами привода хода ДС-143.01.16.000
Ременная передача ДС-143А.31.05.000
Ременная передача ДС-143А.31.05.000
Ременная передача ДС-143А.31.05.000
Ременная передача ДС-143А.31.05.000
Натяжное устройство ДС-143.01.12.000
Шасси ДС-143А.31.00.000
Рама нижняя ДС-143А.31.10.000
Рама верхняя ДС-143А.31.11.000
Лонжерон правый ДС-143.02.07.000
Лонжерон левый ДС-143.02.08.000
Установка гусеничного хода ДС-143А.31.23.000
Установка гусеничного хода ДС-143А.31.23.000
Установка гусеничного хода ДС-143А.31.23.000
Установка гусеничного хода ДС-143А.31.23.000
Установка гусеничного хода ДС-143А.31.23.000
Установка гусеничного хода ДС-143А.31.23.000
Установка гусеничного хода ДС-143А.31.23.000
Установка гусеничного хода ДС-143А.31.23.000
Электрооборудование и система автоматики ДС-143А.33.00.000
Электрооборудование и система автоматики ДС-143А.33.00.000
Электрооборудование и система автоматики ДС-143А.33.00.000
Установка аккумуляторных батарей ДС-143.03.20.000
Установка пультов ДС-143А.33.03.000
Установка пультов ДС-143А.33.03.000
Установка пультов ДС-143А.33.03.000
Установка пультов ДС-143А.33.03.000
Установка пультов ДС-143А.33.03.000
Установка пультов ДС-143А.33.03.000
Установка пультов ДС-143А.33.03.000
Установка пульта тахометра и манометра ДС-143А.33.25.000
Установка датчиков ДКБ ДС-143.03.16.000
Установка датчиков уровня материала ДС-143А.31.24.000
Бункер ДС-143.01.01.000
Бункер ДС-143.01.01.000
Бункер ДС-143.01.01.000
Бункер ДС-143.01.01.000
Бункер ДС-143.01.01.000
Установка заслонок ДС-143.01.17.000
Установка заслонок ДС-143.01.17.000
Натяжное устройство цепи привода хода ДС-143.01.21.000
Установка ограждений цепей питателя ДС-143.01.18.000
Устройство натяжное цепи привода питателя ДС-143.01.22.000
Система смазки подшипников питателя ДС-143.01.25.000
Питатель ДС-143.01.27.000
Питатель ДС-143.01.27.000
Питатель ДС-143.01.27.000
Питатель ДС-143.01.27.000
Питатель ДС-143.01.27.000
Установка шнека ДС-143А.31.08.000
Установка шнека ДС-143А.31.08.000
Установка шнека ДС-143А.31.08.000
Установка шнека ДС-143А.31.08.000
Установка шнека ДС-143А.31.08.000
Рабочий орган ДС-143А.32.00.000
Рабочий орган ДС-143А.32.00.000
Облицовка рабочего органа ДС-143.02.05.000
Облицовка рабочего органа ДС-143.02.05.000
Облицовка рабочего органа ДС-143.02.05.000
Облицовка рабочего органа ДС-143.02.05.000
Облицовка рабочего органа ДС-143.02.05.000
Регулятор толщины ДС-126А.34.03.000
Обогрев плиты выглаживающей ДС-126А.34.10.000
Обогрев плиты выглаживающей ДС-126А.34.10.000
Обогрев плиты выглаживающей ДС-126А.34.10.000
Плита выглаживающая ДС-143.02.01.000
Щит отражательный ДС-143.02.03.000
Щит отражательный ДС-143.02.03.000
Привод бруса трамбующего ДС-143.02.04.000
Привод бруса трамбующего ДС-143.02.04.000
Привод бруса трамбующего ДС-143.02.04.000
Привод бруса трамбующего ДС-143.02.04.000
Привод бруса трамбующего ДС-143.02.04.000
Привод бруса трамбующего ДС-143.02.04.000
Брус трамбующий ДС-143А.32.01.000
Установка подвески датчика ДЩБ ДС-143.03.35.000
Трос направляющий Д699-0506-0
Трос направляющий Д699-0506-0
Установка лыж ДС-143.03.37.000
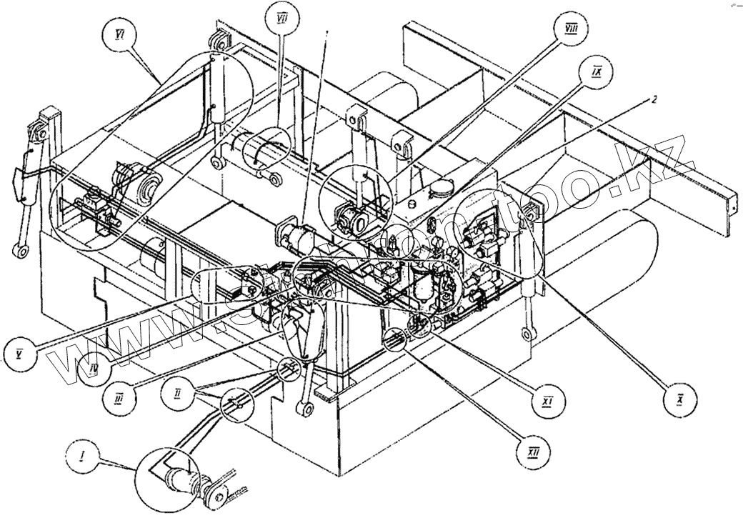
Гидросистема ДС-143.05.00.000
Гидросистема ДС-143.05.00.000
Гидросистема ДС-143.05.00.000
Гидросистема ДС-143.05.00.000
Гидросистема ДС-143.05.00.000
Гидросистема ДС-143.05.00.000
Гидросистема ДС-143.05.00.000
Гидросистема ДС-143.05.00.000
Гидросистема ДС-143.05.00.000
Гидросистема ДС-143.05.00.000
Гидросистема ДС-143.05.00.000
Гидросистема ДС-143.05.00.000
Гидросистема ДС-143.05.00.000
Гидросистема ДС-143.05.00.000
Гидросистема ДС-143.05.00.000
Гидросистема ДС-143.05.00.000
Гидросистема ДС-143.05.00.000
Гидросистема ДС-143.05.00.000
Гидросистема ДС-143.05.00.000
Гидросистема ДС-143.05.00.000
Гидросистема ДС-143.05.00.000
Гидросистема ДС-143.05.00.000
Гидросистема ДС-143.05.00.000
Гидросистема ДС-143.05.00.000
Гидросистема ДС-143.05.00.000
Гидросистема ДС-143.05.00.000
Гидросистема ДС-143.05.00.000
Установка гидромуфт привода питателя и шнека ДС-143.01.06.000
Установка гидромуфт привода питателя и шнека ДС-143.01.06.000
Установка гидромуфт привода питателя и шнека ДС-143.01.06.000
Установка гидромуфт привода питателя и шнека ДС-143.01.06.000
Установка гидромуфт привода питателя и шнека ДС-143.01.06.000
Установка гидромуфт привода питателя и шнека ДС-143.01.06.000
Комплект инструмента и принадлежностей ДС-143А.87.00.000
Комплект инструмента и принадлежностей ДС-143А.87.00.000
Комплект инструмента и принадлежностей ДС-143А.87.00.000
Асфальтоукладчик гусеничный ДС-143А.00.00.000
Расположение агрегатов и узлов на асфальтоукладчике
Расположение агрегатов и узлов на асфальтоукладчике
Расположение агрегатов и узлов на асфальтоукладчике
Расположение агрегатов и узлов на асфальтоукладчике
Расположение агрегатов и узлов на асфальтоукладчике
1
2
Позиция на иллюстрации
Заводской номер детали
Название детали
ДС-143.05.00.000
ДС-143.05.00.000
Гидросистема
1
НШ-10-3 ДС-143.05.03.000
Установка насоса
2
ДС-143.05.01.000
Блок гидроаппаратов
Содержащиеся в справочниках-каталогах запасные части и детали не предлагаются к продаже, а носят исключительно информационный характер
Дополнительная информация
×
Название:
Номер:
Примечание: