Вернуться на главную
Поиск
Каталоги запчастей к технике
Спецтехника
Дормаш
ДЗ-122A-6
Кабина ДЗ-122А.33.01.000
Каталог запасных частей к технике: Дормаш ДЗ-122A-6. Кабина ДЗ-122А.33.01.000
zoom-in
zoom-out
enlarge
shrink
circle-right
circle-left
file-text2
info
cart
Тип техники
Не выбрано
Легковые автомобили
Грузовые автомобили и прицепы
Автобусы
Сельхозтехника
Спецтехника
Двигатели
Мототехника
Марка
Не выбрано
Ammann
BOMAG
CARMIX
CASE IH
Changlin
ChengGong
Dimex
Doosan
DYNAPAC
Foton
HAMM
Hidromek
Hitachi
Hyundai
JCB
JLG
John Deere
Komatsu
LIEBHERR
LiuGong
Lonking (LongGong)
Luneng
MANITOU
Mitsuber
New Holland
PENGPU
RM-Terex
SANY
SDLG
SEM
Shantui
Shehwa HBXG
Soosan
TIGARBO
VOGELE
Volvo
WAY
WIRTGEN
XCMG
XGMA
Xiamen
YTO
Yuchai
Zoomlion
Автокран
АЗСМ
Алтайлесмаш
Амкодор
АОМЗ
Атек
АТЗ
Балканкар Рекорд
БелАЗ
Беловеж
Борекс
Брянский Арсенал
Булат
ВЭКС
ГАЗ
Геомаш
Гидромаш
Донекс
Дормаш
Дормашина
Дорэлектромаш
ДЭЗ
ЕлАЗ
ЗЗГТ
Ижнефтемаш
Канаш-электрокар
КЗКТ
ККЗ
Клевер
Клинцовский автокрановый завод
КМЗ
КМЗ 1 Мая
Ковровец
Коммаш
Кранэкс
КЭЗ
КЭМЗ
ЛЗА
МАЗ
МЗИК
МЗКМ
МЗКТ
Михневский РМЗ
МоАЗ
Мозырский МЗ
МТЗ
ОЗП
Онежец
ПАО "ТЗА"
ППС Детва
Промтрактор
ПТЗ
Раскат
СпецАгрегат
ТВЭКС
ТТМ
УВЗ
Угличмаш
УЗТМ
ХТЗ
ЧЗКМ
ЧСДМ
ЧТЗ
ЭКСКО
ЭКСМАШ
ЮрМаш
Модель
Не выбрано
ДЗ-122
ДЗ-122A-6 (2000)
ДЗ-122Б (2008)
Схема
>
Не выбрано
Установка кабины ДЗ-122А.33.00.000
Кабина ДЗ-122А.33.01.000
Кабина ДЗ-122А.33.01.000
Кабина ДЗ-122А.33.01.000
Кабина ДЗ-122А.33.01.000
Окно переднее ДЗ-31-2.13.01.200
Установка омывателя стекла ДЗ-122А.15.01.090
Стеклоочиститель ДЗ-122.15.01.790
Стеклоочиститель ДЗ-122.15.01.800
Установка вентилятора ДЗ-122.13.31.000
Установка вентилятора ДЗ-122.15.01.830
Отопитель ДЗ-122А.33.24.000
Солнцезащитный козырек ДЗ-122А.33.25.000
Установка ремня безопасности ДЗ-122А.13.01.000
Установка огнетушителя ДЗ-122.13.33.000
Установка зеркала ДЗ-122.13.36.000
Установка зеркала ДЗ-122.13.37.000
Термос ДЗ-122А-IXЛ.33.21.000
Капот ДЗ-122А.14.00.000
Установка крыльев колес ДЗ-122.25.00.000
Двигатель ДЗ-122А.10.00.000
Подвеска двигателя ДЗ-122.10.01.000
Механизм управления двигателем ДЗ-122.13.16.000
Механизм управления двигателем ДЗ-122.13.16.000
Привод декомпрессора ДЗ-122.13.26.000-01
Блок радиаторов ДЗ-122.10.02.000
Трубопроводы ДЗ-122.10.02.010, ДЗ-122.10.02.020
Радиатор водяной с кожухом в сборе 557-1.10.13.010
Жалюзи 557-1.10.16.010
Установка коробки передач ДЗ-122А.05.00.000
Коробка передач У35605.32.000
Коробка передач У35605.32.000
Коробка передач У35605.32.000
Коробка передач У35605.32.000
Коробка передач У35605.32.000
Коробка передач У35605.32.000
Коробка передач У35605.32.000
Коробка передач У35605.32.000
Коробка передач У35605.32.000
Коробка передач У35605.32.000
Коробка передач У35605.32.000
Коробка передач У35605.32.000
Коробка передач У35605.32.000
Коробка передач У35605.32.000
Коробка передач У35605.32.000
Привод гидравлический коробки передач ДЗ-122А-6.12.00.000
Привод гидравлический коробки передач ДЗ-122А-6.12.00.000
Привод гидравлический коробки передач ДЗ-122А-6.12.00.000
Привод гидравлический коробки передач ДЗ-122А-6.12.00.000
Привод управления коробкой передач ДЗ-122.13.30.000
Фрикцион У35605.01.000
Фрикцион двойной У35605.02.000
Коробка золотниковая У35605.03.000
Регулятор давления У35605.04.000
Подпорный клапан У35605.05.000
Передача карданная ДЗ-31-2.09.00.000
Рама ДЗ-122А-6.01.00.000
Тележка задняя ДЗ-122А.04.00.000
Тележка ДЗ-122А.04.00.000
Редуктор ДЗ-122А.04.05.000
Редуктор ДЗ-122А.04.05.0004
Балансир ДЗ-122.04.06.000
Балансир ДЗ-122.04.06.000
Мост передний ДЗ-122А.03.00.000
Ступица ДЗ-122А.03.03.000
Ступица ДЗ-122А.03.03.000-01
Тяга ДЗ-122А.03.04.000
Цилиндр ДЗ-122А.03.05.000
Цилиндр ДЗ-122А.03.05.000-01
Гидроцилиндр ДЗ-122А.03.25.000
Колесо 557.18.00.000
Управление направлением движения и рабочим оборудованием У7960.02.01.000-02
Привод стояночного тормоза ДЗ-122.13.19.000
Привод тормоза и муфты сцепления ДЗ-122А.33.21.000
Тормоз ручной ДЗ-31-2.04.07.000
Тормоз колесный ДЗ-122.04.09.000
Цилиндр 557-1.04.08.030
Привод тормозной ДЗ-122А.07.00.000
Привод тормозной ДЗ-122А.07.00.000
Гидроусилитель тормозов ДЗ-122А.07.01.000
Цилиндр тормозной главный 557-1.07.01.020-01
Гидроусилитель 567-1.28.01.000-01
Электрооборудование Дз-122А-6.15.00.000
Лампа подкапотная и розетка ДЗ-122А-6.15.00.060
Электрооборудование дизеля ДЗ-122А-6.15.00.080
Электрооборудование кабины ДЗ-122А-6.15.01.000-01
Электрооборудование кабины ДЗ-122А-6.15.01.000-01
Электрооборудование светосигнальное переднее ДЗ-122А.15.00.040
Электрооборудование светосигнальное заднее ДЗ-122А.15.00.050
Батарея аккумуляторная ДЗ-122А.15.00.070
Переключатель напряжения ДЗ-122А.15.00.080
Установка катадиоптрического фонаря и плафона ДЗ-122А.15.02.010
Пульт управления двигателем и отопителем ДЗ-122А-6.15.01.010
Пульт управления двигателем и отопителем ДЗ-122А-6.15.01.010
Пульт управления двигателем и отопителем ДЗ-122А-6.15.01.010
Щиток ДЗ-122А-6.15.01.020
Щиток ДЗ-122А-6.15.01.100-01
Рабочее оборудование ДЗ-122А.02.00.000
Рабочее оборудование ДЗ-122А.02.00.000
Рабочее оборудование ДЗ-122А.02.00.000
Отвал ДЗ-122.02.10.000
Бульдозер-кирковщик ДЗ-122А.30.00.000
Отвал бульдозера ДЗ-122А.30.01.000
Установка баков ДЗ-122А-6.41.00.000
Гидропривод с распределителем Р80 ДЗ-122А-6.08.00.000
Гидропривод с распределителем Р80 ДЗ-122А-6.08.00.000
Гидропривод с распределителем Р80 ДЗ-122А-6.08.00.000
Гидропривод с распределителем Р80 ДЗ-122А-6.08.00.000
Гидропривод с распределителем Р80 ДЗ-122А-6.08.00.000
Гидропривод с распределителем Р80 ДЗ-122А-6.08.00.000
Гидропривод с распределителем Р80 ДЗ-122А-6.08.00.000
Гидропривод с распределителем Р80 ДЗ-122А-6.08.00.000
Гидропривод с распределителем Р80 ДЗ-122А-6.08.00.000
Гидропривод с распределителем Р80 ДЗ-122А-6.08.00.000
Гидропривод с распределителем Р80 ДЗ-122А-6.08.00.000
Гидропривод с распределителем Р80 ДЗ-122А-6.08.00.000
Гидропривод с распределителем Р80 ДЗ-122А-6.08.00.000
Блок распределителей Р80 ДЗ-122А-6.08.02.000
Распределитель ДЗ-122А-6.08.02.010
Распределитель ДЗ-122А-6.08.02.020
Распределитель ДЗ-122.08.01.030
Гидроцилиндры ДЗ-122А-6.08.03.000, ДЗ-122А-6.08.03.000-01
Руль гидравлический ДЗ-122А-6.08.04.000
Гидрозамок ДЗ-122А-6.08.05.000
Гидрораспределитель ДЗ-122А-6.08.08.000
Гидроцилиндр подъема бульдозера ДЗ-122А.08.02.000-01
Бак масляный левый ДЗ-122А.08.03.000
Бак масляный правый ДЗ-122А.08.05.000
Гидрозамок с термоклапаном ДЗ-122А.08.10.000
Шарнир ДЗ-122А.08.30.000
Гидроцилиндр ДЗ-122А.08.32.000
Гидроцилиндр ДЗ-122А.08.32.010
Блок вентилей ДЗ-122А.08.33.000
Цилиндр фиксатора ДЗ-122.08.02.000
Гидроцилиндр ДЗ-122.08.05.000
Гидроцилиндр ДЗ-122.08.05.020
Гидроцилиндр ДЗ-122.08.06.000-01
Гидроцилиндр ДЗ-122.08.06.050-03
Гидроцилиндр ДЗ-122.08.12.000
Гидроцилиндр ДЗ-122.08.05.020-04
Редуктор 132Б.02.06.000
Редуктор ДЗ-122.08.60.000
Редуктор ДЗ-122.08.60.000
Гидрозамок с термоклапаном ДЗ-122.08.64.000
Термоклапан ДЗ-122.08.64.010
Гидрозамок 557-1.08.57.000
Гидроусилитель 557-1.26.01.000
Клапан ДЗ-31-2.12.12.000
Гидропривод ДЗ-122А-88.08.00.000
Гидропривод ДЗ-122А-6.88.00.000
Гидропривод ДЗ-122А-6.88.00.000
Гидропривод ДЗ-122А-6.88.00.000
Гидропривод ДЗ-122А-6.88.00.000
Гидропривод ДЗ-122А-6.88.00.000
Гидропривод ДЗ-122А-6.88.00.000
Гидропривод ДЗ-122А-6.88.00.000
Гидропривод ДЗ-122А-6.88.00.000
Гидропривод ДЗ-122А-6.88.00.000
Гидропривод ДЗ-122А-6.88.00.000
Гидропривод ДЗ-122А-6.88.00.000
Гидропривод ДЗ-122А-6.88.00.000
Гидропривод ДЗ-122А-6.88.00.000
Гидропривод ДЗ-122А-6.88.00.000
Гидропривод ДЗ-122А-6.88.00.000
Гидропривод ДЗ-122А-6.88.00.000
Блок гидрораспределительный ДЗ-6.08.01.000
Гидроцилиндры ДЗ-122А-6.08.03.000, ДЗ-122А-6.03.000-01
Руль гидровлический ДЗ-122А-6.08.04.000
Гидрозамок ДЗ-122А-6.08.05.000
Гидроцилиндр подъема бульдозера ДЗ-122А.08.02.000-01
Бак масляный левый ДЗ-122А.08.03.000
Бак масляный правый ДЗ-122А.08.05.000
Гидрозамок с термоклапаном ДЗ-122А.08.10.000
Предохранительный клапан ДЗ-122А.08.27.000
Шарнир ДЗ-122А.08.30.000
Гидроцилиндр ДЗ-122А.08.32.000
Гидроцилиндр ДЗ-122А.08.32.010
Блок вентилей ДЗ-122А.08.33.000
Цилиндр фиксатора ДЗ-122.08.02.000
Гидроцилиндр ДЗ-122.08.05.000
Гидроцилиндр ДЗ-122.08.05.020
Гидроцилиндр ДЗ-122.08.06.000-01
Гидроцилиндр ДЗ-122.08.06.050-03
Гидроцилиндр ДЗ-122.08.12.000
Гидроцилиндр ДЗ-122.08.05.020-04
Редуктор ДЗ-122.08.60.000
Редуктор ДЗ-122.08.60.000
Редуктор ДЗ-122.08.60.000
Гидрозамок с термоклапаном ДЗ-122.08.64.000 ДЗ-122.08.64.010
Термоклапан ДЗ-122.08.64.010
Гидрозамок 557-1.08.57.000
Гидроусилитель 557-1.28.01.000
ЗИП ДЗ-122А.21.00.000
ЗИП ДЗ-122А.21.00.000
Рукав всасывания ДЗ-122А.21.02.000
Автогрейдер ДЗ-122А-6 (с распределителями Р80)
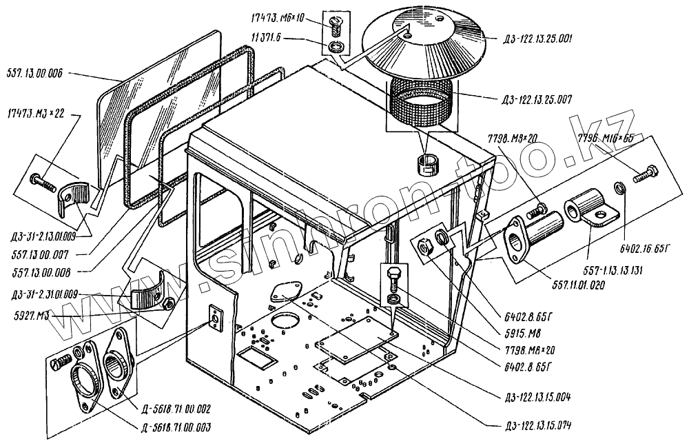
7796.M16х65
557.13.00.008
ДЗ-122.13.25.007
6402.16.65Г
557.1.13.13.131
6402.8.65Г
6402.8.65Г
Д-5618.71.00.002
Д-5618.71.00.003
5927.М3
11371.6
5915.M8
17473,M6x10
17473.М3х22
557.11.01.020
7798.М8х20
7798.М8х20
557.13.00.007
557.13.00.006
ДЗ-31-2.13.01.009
ДЗ-31-2.13.01.009
ДЗ-122.13.25.001
ДЗ-122.13.15.074
ДЗ-122.13.15.004
Позиция на иллюстрации
Заводской номер детали
Название детали
7796.M16х65
7796.M16х65
Болт
557.13.00.008
557.13.00.008
Вкладыш
ДЗ-122.13.25.007
ДЗ-122.13.25.007
Сетка
6402.16.65Г
6402.16.65Г
Шайба
557.1.13.13.131
557.1.13.13.131
Кронштейн
6402.8.65Г
6402.8.65Г
Шайба
Д-5618.71.00.002
Д-5618.71.00.002
Гнездо фиксатора
Д-5618.71.00.003
Д-5618.71.00.003
Крышка
5927.М3
5927.М3
Гайка
11371.6
11371.6
Шайба
5915.M8
5915.M8
Гайка
17473,M6x10
17473,M6x10
Винт
17473.М3х22
17473.М3х22
Винт
557.11.01.020
557.11.01.020
Кронштейн
7798.М8х20
7798.М8х20
Болт
Д561В.71.00.023
Д561В.71.00.023
Крышка
Д561В.71.00.022
Д561В.71.00.022
Гнездо фиксатора
557.13.00.131
557.13.00.131
Кронштейн
557.13.00.007
557.13.00.007
Уплотнитель
557.13.00.006
557.13.00.006
Стекло
ДЗ-31-2.13.01.009
ДЗ-31-2.13.01.009
Скоба
ДЗ-122.13.15.007
ДЗ-122.13.15.007
Сетка
ДЗ-122.13.25.001
ДЗ-122.13.25.001
Грибок
ДЗ-122.13.15.074
ДЗ-122.13.15.074
Крышка
ДЗ-122.13.15.004
ДЗ-122.13.15.004
Полюс
Содержащиеся в справочниках-каталогах запасные части и детали не предлагаются к продаже, а носят исключительно информационный характер
Дополнительная информация
×
Название:
Номер:
Примечание: