Каталог запасных частей к технике: Дорэлектромаш ДЭМ-114. Колонка
1
2
2
3
3
4
5
5
5
5
6
6
7
8
8
9
9
10
11
12
12
12
13
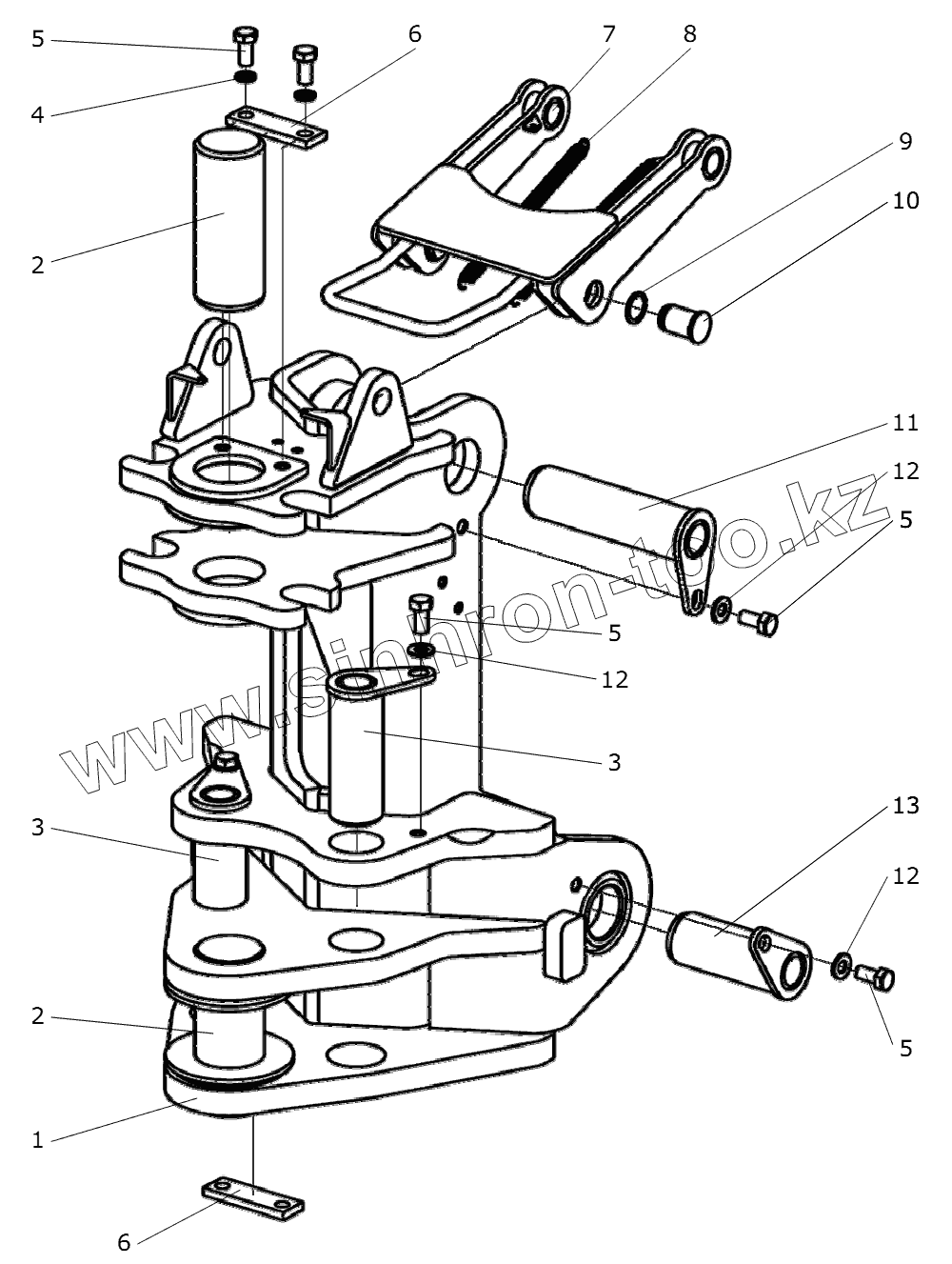
| Позиция на иллюстрации | Заводской номер детали | Название детали | |
|---|---|---|---|
| 1 | 114-46.21.000 | Колонка | |
| 2 | 114-00.00.001 | Ось | |
| 3 | 114-00.00.300-01 | Ось | |
| 4 | Шайба12.65Г.019 | Шайба 12.65Г.019 | |
| 5 | БолтМ12-6gx25.58.019 | Болт М12-6gx25.58.019 | |
| 6 | 114-00.00.008 | Пластина стопорная | |
| 7 | 114-46.70.000 | Стопор стрелы | |
| 8 | 70-4616033 | Пружина МТЗ | |
| 8 | УКИС010.04.023 | Пружина МТЗ | |
| 9 | Кольцо25 | Кольцо 25 | |
| 9 | Кольцо25 | Кольцо 25 | |
| 10 | 114-00.00.011 | Ось | |
| 11 | 114-00.00.300-02 | Ось | |
| 12 | Шайба12 | Шайба 12 | |
| 13 | 114-00.00.300 | Ось |
Содержащиеся в справочниках-каталогах запасные части и детали не предлагаются к продаже, а носят исключительно информационный характер