Каталог запасных частей к технике: Дорэлектромаш ДЭМ-114. Электрооборудование
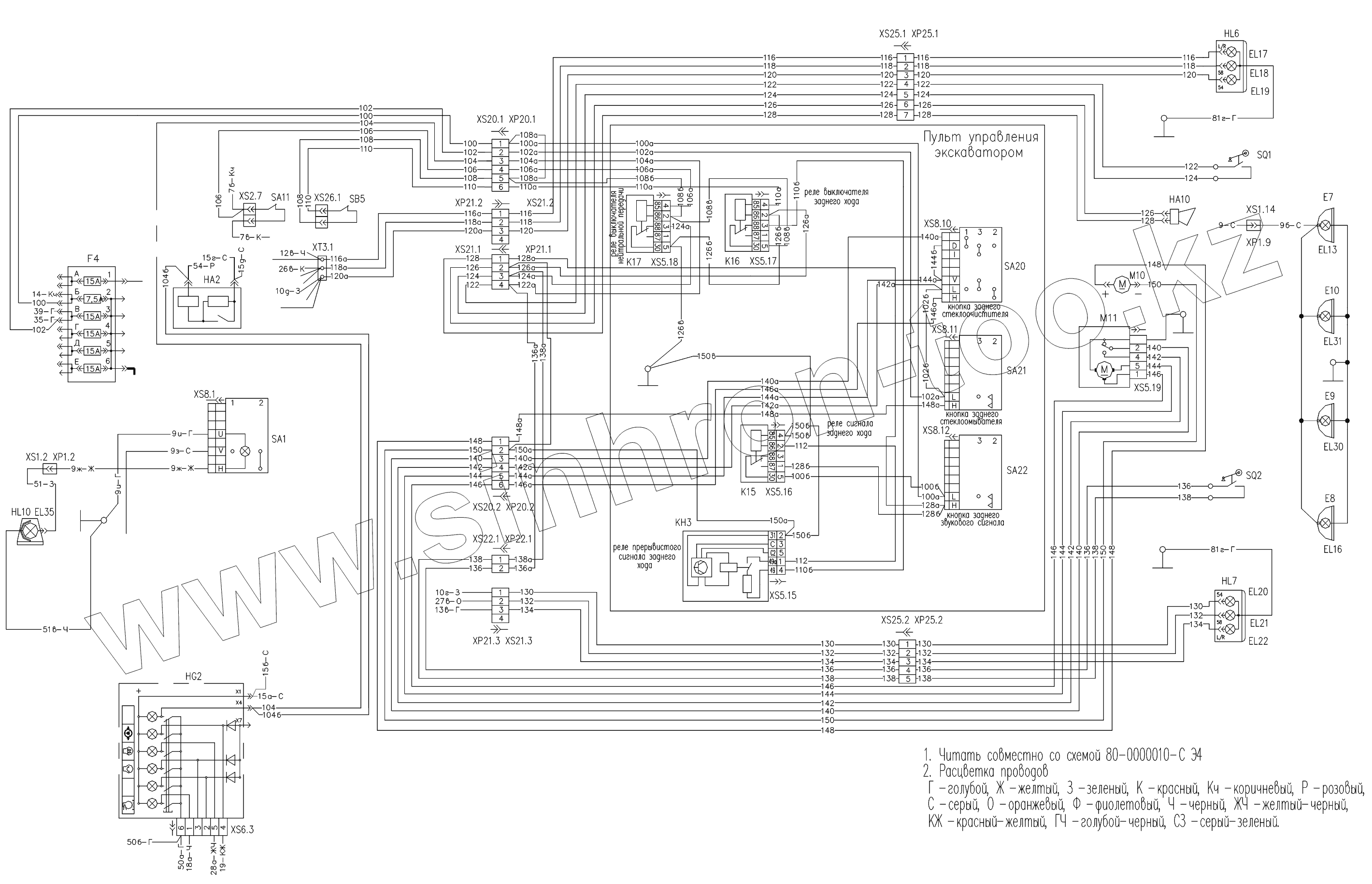
| Позиция на иллюстрации | Заводской номер детали | Название детали | |
|---|---|---|---|
| Е9, Е10 | 8724.304.301 | Фара 8724.304.301 | |
| EL30, EL31 | АКГ12-55-1 | Лампа АКГ12-55-1 | |
| EL35 | А12-21-3 | Лампа А12-21-3 | |
| HA10 | 20.3721-01 | Звуковой сигнальный прибор 20.3721-01 | |
| HL10 | С12-21 | Маяк проблесковый С 12-21 | |
| 90.3747.000 | 90.3747.000 | Реле 90.3747.000 | |
| KH3 | 8586.6/0031 | Прерыватель сигнала заднего хода 8586.6/0031 | |
| M10 | СЭАТ-00 | Стеклоомыватель СЭАТ-00 | |
| M11 | 96.5205 | Мотор-редуктор | |
| SA20 | П147М-09.09 | Переключатель П147М-09.09 | |
| SA21, SA22 | П150М-14.10 | Переключатель П150М-14.10 | |
| SB5 | ВК12-21 | Выключатель ВК12-21 | |
| SQ1, SQ2 | МП1306 | Путевой выключатель МП 1306 | |
| XP20.1, XP20.2 | 502606-4573739011 | Колодка штыревая 502606 4573739011 | |
| XP21.1-XP21.3 | 502604-4573739008 | Колодка штыревая 502604 4573739008 | |
| XP22.1, XP22.2 | 502602-4573739004 | Колодка штыревая 502602 4573739004 | |
| XP25.1, XP25.2 | СШ32П-К12Г | Вилка СШ32П-К12Г | |
| XS5.15-XS5.19 | 607605-4573739016 | Колодка гнездовая 607605 4573739016 | |
| XS8.10-XS8.12 | 605608-4573739014 | Колодка гнездовая 605608 4573739014 | |
| XS20.1, XS20.2 | 602606-4573739009 | Колодка гнездовая 602606 4573739009 | |
| XS21.1-XS21.3 | 602604-4573739007 | Колодка гнездовая 602604 4573739007 | |
| XS22.1, XS22.2 | 602602-4573739003 | Колодка гнездовая 602602 4573739003 | |
| XS25.1, XS25.2 | СШ32П12Г-А-7 | Розетка СШ32П12Г-А-7 | |
| XS26.1 | АМР0-0282189-1 | Колодка гнездовая АМР 0-0282189-1 | |
| АМР0-0880810-1 | АМР0-0880810-1 | Колпачек защитный АМР 0-0880810-1 | |
| АМР0-0929939-1 | АМР0-0929939-1 | Гнездо АМР 0-0929939-1 | |
| АМР0-0828905-1 | АМР0-0828905-1 | Уплотнитель АМР 0-0828905-1 | |
| 80-3801021 | 80-3801021 | Гнездо выключателя 80-3801021 |
Содержащиеся в справочниках-каталогах запасные части и детали не предлагаются к продаже, а носят исключительно информационный характер