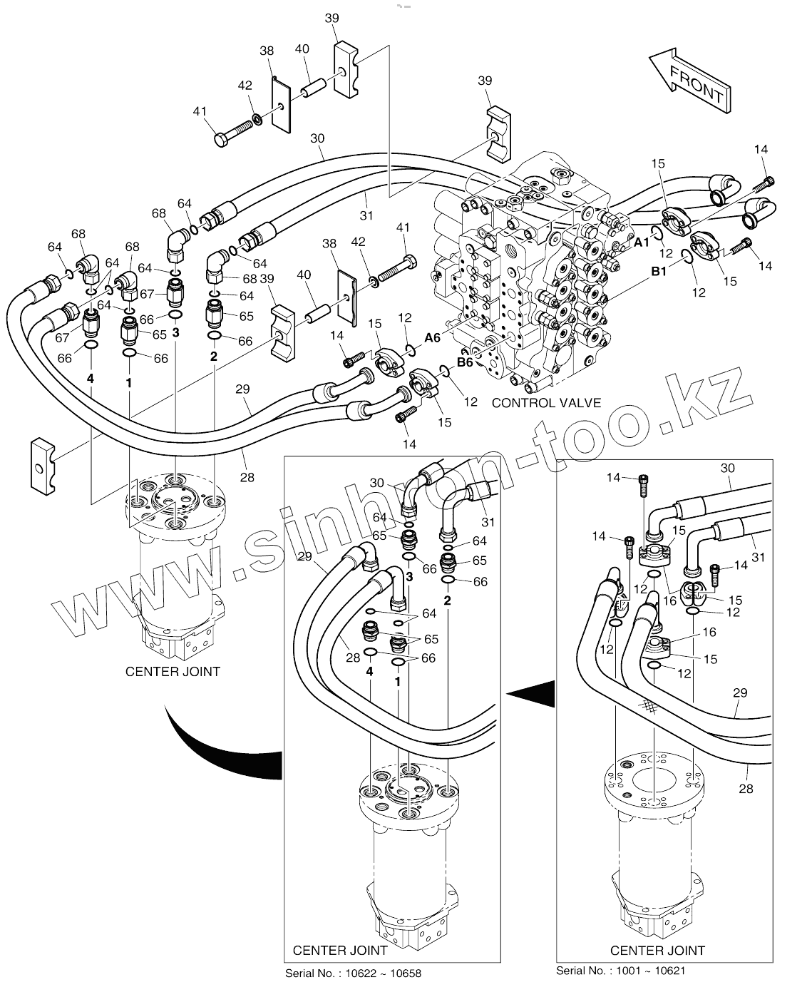
Каталог запасных частей к технике: Doosan SOLAR 420LC-V. MAIN PIPING (5)
12
12
12
12
12
12
12
12
12
12
12
12
12
12
12
12
12
12
14
14
14
14
14
14
14
14
14
14
14
14
14
14
14
14
15
15
15
15
15
15
15
15
15
15
15
15
15
15
16
16
28
28
28
28
28
28
28
28
28
28
28
28
29
29
29
29
29
29
29
29
29
30
30
30
30
30
30
30
30
30
30
30
30
31
31
31
31
31
31
31
31
31
38
38
39
39
39
40
40
41
41
41
41
42
42
64
64
64
64
64
64
64
64
64
64
64
64
64
64
64
64
64
64
64
64
64
64
65
65
65
65
65
65
65
65
65
65
66
66
66
66
66
66
66
67
67
68
68
68
68
| Позиция на иллюстрации | Заводской номер детали | Название детали | |
|---|---|---|---|
| 400-00771 | 400-00771 | MAIN PIPING | |
| 12 | 2180-1026D19 | O-RING | |
| 12 | 2180-1026D19 | O-RING | |
| 14 | S2215466 | BOLT;SOCKET | |
| 14 | S2215466 | BOLT;SOCKET | |
| 15 | 2181-9081 | FLANGE;SPLIT | |
| 15 | 2181-9081 | FLANGE;SPLIT | |
| 16 | 2181-9084A | FLANGE | |
| 28 | DS2045246 | HOSE | |
| 28 | DS2026438 | HOSE,HYDRAULIC | |
| 28 | DS2018413 | HOSE,HYDRAULIC | |
| 29 | DS2045280 | HOSE | |
| 29 | DS2026439 | HOSE,HYDRAULIC | |
| 29 | DS2018429 | HOSE,HYDRAULIC | |
| 30 | DS2018414 | HOSE,HYDRAULIC | |
| 30 | DS2045247 | HOSE | |
| 30 | DS2026440 | HOSE,HYDRAULIC | |
| 31 | DS2045281 | HOSE | |
| 31 | DS2026441 | HOSE,HYDRAULIC | |
| 31 | DS2018415 | HOSE,HYDRAULIC | |
| 38 | 2191-3705C | Plate | |
| 39 | 124-00247 | CLAMP, HOSE | |
| 40 | 114-00456 | SPACER | |
| 41 | S0566066 | BOLT M16X2.0X90 | |
| 41 | S0566053 | Bolt | |
| 42 | S5102903 | WASHER;SPRING | |
| 64 | S8030161 | O-RING | |
| 64 | S8030161 | O-RING | |
| 65 | 2181-4133D6 | ADAPTER PFO1-UNF1 7/16 | |
| 65 | DS2232107 | ADAPTER | |
| 66 | S8000291 | O-RING | |
| 67 | DS2232227 | ADAPTER | |
| 68 | DS2291018 | ELBOW |
Содержащиеся в справочниках-каталогах запасные части и детали не предлагаются к продаже, а носят исключительно информационный характер