Вернуться на главную
Поиск
Каталоги запчастей к технике
Спецтехника
Doosan
SOLAR 420LC-V
ELECTRIC PARTS (7) - RELATED PARTS
Каталог запасных частей к технике: Doosan SOLAR 420LC-V. ELECTRIC PARTS (7) - RELATED PARTS
zoom-in
zoom-out
enlarge
shrink
circle-right
circle-left
file-text2
info
cart
Тип техники
Не выбрано
Легковые автомобили
Грузовые автомобили и прицепы
Автобусы
Сельхозтехника
Спецтехника
Двигатели
Мототехника
Марка
Не выбрано
Ammann
BOMAG
CARMIX
CASE IH
Changlin
ChengGong
Dimex
Doosan
DYNAPAC
Foton
HAMM
Hidromek
Hitachi
Hyundai
JCB
JLG
John Deere
Komatsu
LIEBHERR
LiuGong
Lonking (LongGong)
Luneng
MANITOU
Mitsuber
New Holland
PENGPU
RM-Terex
SANY
SDLG
SEM
Shantui
Shehwa HBXG
Soosan
TIGARBO
VOGELE
Volvo
WAY
WIRTGEN
XCMG
XGMA
Xiamen
YTO
Yuchai
Zoomlion
Автокран
АЗСМ
Алтайлесмаш
Амкодор
АОМЗ
Атек
АТЗ
Балканкар Рекорд
БелАЗ
Беловеж
Борекс
Брянский Арсенал
Булат
ВЭКС
ГАЗ
Геомаш
Гидромаш
Донекс
Дормаш
Дормашина
Дорэлектромаш
ДЭЗ
ЕлАЗ
ЗЗГТ
Ижнефтемаш
Канаш-электрокар
КЗКТ
ККЗ
Клевер
Клинцовский автокрановый завод
КМЗ
КМЗ 1 Мая
Ковровец
Коммаш
Кранэкс
КЭЗ
КЭМЗ
ЛЗА
МАЗ
МЗИК
МЗКМ
МЗКТ
Михневский РМЗ
МоАЗ
Мозырский МЗ
МТЗ
ОЗП
Онежец
ПАО "ТЗА"
ППС Детва
Промтрактор
ПТЗ
Раскат
СпецАгрегат
ТВЭКС
ТТМ
УВЗ
Угличмаш
УЗТМ
ХТЗ
ЧЗКМ
ЧСДМ
ЧТЗ
ЭКСКО
ЭКСМАШ
ЮрМаш
Модель
Не выбрано
DL220 (2010)
DX140W (2017)
DX225LC (2009)
DX225LCA (2012)
S225LC-V (2009)
S340LC-V (2009)
S500LC-V (2007)
SOLAR 130W-V(1) (2017)
SOLAR 130W-V(2) (2017)
SOLAR 140W-V (2017)
SOLAR 140W-V & S160W-V (2017)
SOLAR 160W-V (2017)
SOLAR 170W-V (2017)
SOLAR 180W-V (2017)
SOLAR 210W-V (2017)
SOLAR 255LC-V (DI EXP) (2017)
SOLAR 420LC-V (2017)
Мини-погрузчик 430 Plus (2010)
Мини-погрузчик 440 Plus (2010)
Мини-погрузчик 450 Plus (2010)
Мини-погрузчик 450 Plus (Tier3) (2010)
Мини-погрузчик 460 Plus (2010)
Мини-погрузчик 460 Plus (Tier3) (2010)
Мини-погрузчик 470 Plus (2010)
Экскаватор SOLAR 140LC-V (2010)
Экскаватор SOLAR 175LC-V (2010)
Схема
>
Не выбрано
CYLINDER BLOCK
TIMING GEAR CASE
FLYWHEEL HOUSING
DRIVING SYSTEM
CYLINDER HEAD
CYLINDER HEAD COVER
TIMING SYSTEM
OIL PUMP
OIL FILTER
OIL COOLER
OIL PAN
COOLING WATER PIPE
COOLING WATER PUMP
COOLING FAN
EXHAUST MANIFOLD
INTAKE MANIFOLD
TURBOCHARGER
INJECTION NOZZLE
INJECTION PIPE
INJECTION PUMP
INJECTION PUMP DRIVE
INJECTION PUMP MOUNTING
FUEL PIPE
FUEL FILTER
ALTERNATOR MOUNTING
STARTER
PRESSURE GAUGE
AIR CONDITIONER
ENGINE MOUNTING
OVER HAUL GASKET KIT - TOP
OVER HAUL GASKET KIT - ALL
CYLINDER BLOCK
TIMING GEAR CASE
FLYWHEEL, HOUSING
DRIVING SYSTEM
CYLINDER HEAD
CYLINDER HEAD COVER
TIMING SYSTEM
OIL PUMP
OIL PUMP (120924)
OIL FILTER
OIL COOLER
OIL PAN
COOLING WATER PIPE
WATER PUMP
COOLING FAN
EXHAUST MANIFOLD
INTAKE MANIFOLD
TURBOCHARGER
NOZZLE & HOLDER
INJECTION PIPE
INJECTION PUMP
INJECTION PUMP DRIVE
INJECTION PUMP MOUNTING
FUEL PIPE
FUEL FILTER
ALTERNATOR MOUNTING
STARTER
PRESSURE GAUGE
AIR CONDITIONER
ENGINE MOUNTING
OVER HAUL GASKET KIT - TOP
OVER HAUL GASKET KIT - ALL
MAIN FRAME
ENGINE MOUNTING
RADIATOR (1001 - 10299)
RADIATOR (10300 - )
RESERVE TANK
MUFFLER
CAC PIPING
AIR CLEANER ASSY
AIR CLEANER
PUMP MOUNTING
FUEL PIPING
FUEL TANK
SWING DEVICE ASSY
OIL TANK
OIL COOLER PIPING (1)
OIL COOLER PIPING (2)
OIL COOLER PIPING (3)
MAIN PIPING (1)
MAIN PIPING (2)
MAIN PIPING (3)
MAIN PIPING (4)
MAIN PIPING (5)
ENGINE CONTROL
PILOT PIPING (1)
PILOT PIPING (2)
PILOT PIPING (3)
PILOT PIPING (4)
PILOT PIPING (5)
PILOT PIPING (6)
PILOT PIPING (7)
PILOT PIPING (8)
CONTROL STAND - L.H
CONTROL STAND - R.H
SEAT & ELECTRIC BOX COVER
SEAT MOUNTING - EUROPE & U.S.A
SEAT - EUROPE & U.S.A
SEAT MOUNTING - EXCEPT EUROPE
SEAT - EXCEPT EUROPE & U.S.A (1001 - 1014)
SEAT - EXCEPT EUROPE & U.S.A (1015 - )
DUCT COVER
HEATER COVER
CABIN MOUNT ASSY
CABIN ASSY
CABIN (1)
CABIN (2)
CABIN (3)
CABIN (4)
CABIN (5)
SUPPORT
COVER (1)
COVER (2)
COVER (3)
COVER (4)
COVER (5)
UNDER COVER
BAFFLE
ACOUSTIC FOAM ASSY
LUBRICATION PIPING
ELECTRIC BOX ASSY (1) - BOX
ELECTRIC BOX ASSY (2) - ELECTRIC PARTS
ELECTRIC PARTS (1) - GAUGE & SWITCH PANEL
ELECTRIC PARTS (2) - STAND R.H
ELECTRIC PARTS (3) - STAND L.H
ELECTRIC PARTS (4) - CABIN
ELECTRIC PARTS (5) - BATTERY (1001 - 10365)
ELECTRIC PARTS (5) - BATTERY (10366 - )
ELECTRIC PARTS (6) - ENGINE
ALTERNATOR
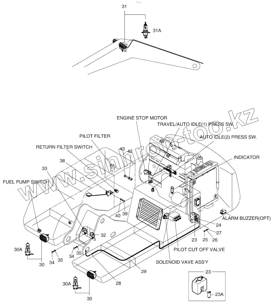
ELECTRIC PARTS (7) - RELATED PARTS
ELECTRIC WIRING (1) - BATTERY
ELECTRIC WIRING (2) - ENGINE
ELECTRIC WIRING (3) - RELATED PARTS
AIR CONDITIONER (1)
AIR CONDITIONER (2) - AIRCON UNIT
HEATER PIPING
TRACK FRAME
IDLER
TRACK SPRING
UPPER ROLLER (1001 - 10049)
UPPER ROLLER (10050 -)
LOWER ROLLER (1001 - 10049)
LOWER ROLLER (10050 -)
TRACK SHOE ASSY - 600G (1001 - 10051)
TRACK SHOE ASSY - 600G (10052 - )
CENTER JOINT (1001 - 2285)
CENTER JOINT (2286 - 10621)
CENTER JOINT (10622 - )
TRAVEL PIPING
BOOM 6.7M
ARM 3.25M
BUCKET 1.9m3
BOOM PIPING
ARM PIPING
FRONT LUBRICATION PIPING
MAIN PUMP
MAIN PUMP - PUMP
MAIN PUMP - CONTROL
MAIN PUMP - EPPR VALVE
SWING MOTOR
SWING REDUCTION GEAR (1001 - 1021)
SWING REDUCTION GEAR (1022 - )
TRAVEL MOTOR (1001 - 1051)
TRAVEL MOTOR (1052 - )
TRAVEL REDUCTION GEAR (1001 - 1051)
CONTROL VALVE (1)
CONTROL VALVE (2)
CONTROL VALVE (3)
REMOTE CONTROL VALVE (1001-1404)
REMOTE CONTROL VALVE (1405 - )
REMOTE CONTROL VALVE - 3 SWITCH
PEDAL VALVE
SOLENOID VALVE
PILOT VALVE
BREAKER VALVE
BOOM CYLINDER (R.H)
BOOM CYLINDER (L.H)
ARM CYLINDER
BUCKET CYLINDER
BOOM CYLINDER (R.H) - LOCK VALVE
BOOM CYLINDER (L.H) - LOCK VALVE
ARM CYLINDER - LOCK VALVE
PEDAL VALVE
OPTION VALVE
LOCK VALVE - BOOM
LOCK VALVE - ARM
TOOLS
SPARE PARTS
FUEL FILLER PUMP ASSY
NOISE FILTER ASSY - EUROPE
CABIN LAMP ASSY
6 - LAMP & BEACON (TELESCOPIC)
ROTATING BEACON
TRAVEL ALARM ASSY
TRAVEL/SWING ALARM ASSY
COVER - EUROPE OPT.
ACOUSTIC FOAM - EUROPE OPT.
RETURN FILTER PRESS SWITCH
ALTERNATOR
SUN VISOR ASSY
SUN ROOF ASSY
FLOOR PLATE - TILTING
OVERLOAD WARNING ASSY
JOYSTICK VALVE ASSY - 3 SWITCH
TRACK SHOE - OPT. (1001 - 10041)
TRACK SHOE - OPT. (10042 - )
ARM - 2.6M
ARM - 4.0M
ARM PIPING - 2.6M
ARM PIPING - 4.0m
BUCKET ASSY - 1.44m3
BUCKET ASSY - 1.68m3
BUCKET ASSY - 2.16m3
BUCKET - 1.55M3 (48") - SIDE PIN
BUCKET - 1.41M3 (48") - VERTICAL PIN
BUCKET - 1.80M3 (63") - SIDE PIN
BUCKET - 1.63M3 (54") - VERTICAL PIN
BUCKET - 2.05M3 (60") - SIDE PIN
BUCKET - 1.85M3 (60") - VERTICAL PIN
BUCKET - 2.31M3 (66") - SIDE PIN
BUCKET - 2.07M3 (66") - VERTICAL PIN
LOCK VALVE PIPING
MAIN PIPING - ONE & TWO WAY
PILOT PIPING - BREAKER
BOOM PIPING - ONE & TWO WAY
ARM PIPING - ARM 3.25M (ONE & TWO WAY)
ARM PIPING - ARM 2.6M (ONE & TWO WAY)
ARM PIPING - ARM 4.0M (ONE & TWO WAY)
NAME PLATE - ONE & TWO WAY
ADDITIONAL WORKING LAMP
F.O.G.S GUARD (1018 - )
CABIN LOW GUARD (1038 - )
TROPICAL COVER (1067 - )
BOOM 6.7M - HEAVY DUTY
ARM - 3.25M - HEAVY DUTY
ROCK BUCKET ASSY 1.31M - HEAVY DUTY
BOOM PIPING - BOOM 6.7M - HEAVY DUTY
LUBRICATION PIPING - H.D ARM 3.25M
BOOM - 9.0M
ARM - 5.0M
BUCKET - 1,46
BOOM PIPING - 9.0m
ARM PIPING - ARM 5.0M
LUBRICATION PIPING - BOOM 9.0m
LUBRICATION PIPING - ARM 5.0M
FLOOR PLATE - ARTI.BOOM
FLOOR ASSY - TILT & ARTI.BOOM
MAIN FRAME & COUNTER WEIGHT
UNDER COVER - LONG FRONT
TRACK FRAME
UNDER COVER - HEAVY DUTY
TRACK FRAME - HEAVY DUTY
TRACK SHOE ASSY - 600G - HEAVY DUTY (1001 - 1999)
TRACK SHOE ASSY - 600G - HEAVY DUTY (2000 - 10051)
TRACK SHOE ASSY - 600G - HEAVY DUTY (10052 - )
DOUBLE FUEL FILTER ASSY
CABIN GUARD - HEAVY DUTY
MAIN PIPING - ROTATION & TILTING
BOOM PIPING - ROTATION & TILTING (BOOM 6.7M)
ARM PIPING - ROTATION & TILTING (ARM 3.25M)
ARM PIPING - ROTATION & TILTING (ARM 2.6M)
MAIN PIPING - PE3C
PILOT PIPING - PE3C & PERO
PILOT PIPING - PE3C
PILOT PIPING - PERO
BOOM PIPING - PE3C (BOOM 6.7m)
FOGS GUARD ASSY
TROPICAL PARTS - TIER 2
RADIATOR - TROPICAL
23
23
23
23
23
23
23A
24
25
26
27
28
29
30
30
30A
30A
31
31A
32
32
33
33
34
34
35
35
38
38
38
39
40
42
43
Позиция на иллюстрации
Заводской номер детали
Название детали
500-00130
500-00130
ELECTRIC PARTS
23
2554-9005A
WINDOW-WASHER
23
450108-00006
Tank, reserve
23A
K9009874
Motor, reserve tank
24
2195-1534
BRACKET PL1.6
25
S0504453
BOLT M6X1.0X12
26
S5102303
WASHER;SPRING M6
27
S5010313
WASHER;PLAIN
28
2415-1018
ADAPTER;HOSE
29
2185-1681D4
Tube, corrugate
30
534-00063
Lamp, head
30A
2515-1016D4
BULB
31
534-00064
Lamp assy, working
31A
2515-1022D1
BULB;HALOGEN
32
516-00014
HORN;HIGH
32
300726-00002
Horn, high
33
516-00015
HORN;LOW
33
300726-00003
Horn, low
34
S0508653
BOLT M8X1.25X16
35
S5102503
WASHER;SPRING
38
2547-9035
SENSOR;FUEL
38
2547-9035A
SENSOR;FUEL
38
301316-00003A
Sensor, fuel
39
S3450833
SCREW M5X0.8X12
40
S5100203
WASHER;SPRING
42
2547-9038B
SENSOR;WATER TEMP
43
S8180251
PACKING M16/D22
Содержащиеся в справочниках-каталогах запасные части и детали не предлагаются к продаже, а носят исключительно информационный характер
Дополнительная информация
×
Название:
Номер:
Примечание: