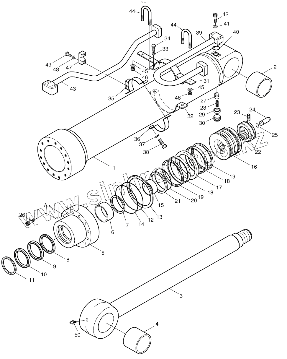
Каталог запасных частей к технике: Doosan SOLAR 420LC-V. ARM CYLINDER - LOCK VALVE
440-00322A
2440-9293KT
440-00322
1
2
3
3
4
5
6
7
8
9
10
11
12
13
14
15
16
17
18
18
19
19
20
21
22
22
23
23
24
25
26
27
28
29
30
31
32
33
34
35
36
37
38
39
40
41
42
43
44
44
45
45
46
46
47
48
49
50
| Позиция на иллюстрации | Заводской номер детали | Название детали | |
|---|---|---|---|
| 440-00322A | 440-00322A | ARM CYLINDER-LOCK VALVE | |
| 2440-9293KT | 2440-9293KT | SEAL KIT, ARM CYL. | |
| 440-00322 | 440-00322 | ARM CYLINDER-LOCK VALVE | |
| 1 | 53A451-3 | TUBE ASSY | |
| 2 | 00B102-1 | BUSH | |
| 3 | 53A456-5 | ROD ASS`Y | |
| 3 | 53A456-3 | ROD ASSY | |
| 4 | 00B102-1 | BUSH | |
| 5 | 53A458-3 | COVER, ROD | |
| 6 | E8412196 | DU-BUSH | |
| 7 | 00M464-0 | RING, RETAINING | |
| 8 | E5500360 | SEAL, BUFFER | |
| 9 | E5303700 | U-PACKING | |
| 10 | E6020360 | WIPER, DUST | |
| 11 | 00M419-0 | RING;RETAINING | |
| 12 | E6311881 | O-ring | |
| 13 | 53A472-0 | Ring, back up | |
| 14 | E6490091 | O-ring | |
| 15 | 00C313-0 | RING, CUSHION | |
| 16 | 53A460-0 | PISTON | |
| 17 | E5130400 | Seal, slipper | |
| 18 | 00Z114-0 | Ring, wear | |
| 19 | 00R106-0 | Ring, slyd | |
| 20 | E6311501 | O-RING | |
| 21 | 53A473-0 | Ring, back up | |
| 22 | 53A461-0 | Nut, piston | |
| 22 | 55A373-0 | NUT, PISTON | |
| 23 | E1330564 | SCREW, SET | |
| 23 | E1330544 | SCREW | |
| 24 | 00C280-0 | PLUNGER, CUSHION | |
| 25 | 03A627-0 | RING, STOP | |
| 26 | E0503289 | BOLT, SOCKET | |
| 27 | 03A727-0 | VALVE;CHECK | |
| 28 | 03A729-0 | SPRING | |
| 29 | 03A728-0 | SUPPORT;SPRING | |
| 30 | E1500030 | PLUG;HEX. | |
| 31 | 53A729-0 | PIPE BAND ASS`Y-H | |
| 32 | 00P382-1 | BAND, PIPE | |
| 33 | E3110112 | WASHER;SPRING | |
| 34 | E0020963 | BOLT;HEX | |
| 35 | 53A566-1 | PIPE BAND ASS`Y-R | |
| 36 | 00P382-1 | BAND, PIPE | |
| 37 | E3110112 | WASHER;SPRING | |
| 38 | E0020963 | BOLT;HEX | |
| 39 | 140-00094 | PIPE ASSY-R | |
| 40 | E6300881 | O-RING | |
| 41 | E3110112 | WASHER;SPRING | |
| 42 | E0501846 | BOLT, SOCKET | |
| 43 | 53A732-0 | PIPE ASS`Y-R | |
| 44 | 03A641-0 | U-BOLT | |
| 45 | E3110112 | WASHER;SPRING | |
| 46 | E2021042 | NUT, HEX. | |
| 47 | 00C271-0 | CLAMP, PIPE | |
| 48 | E3110102 | WASHER;SPRING | |
| 49 | E0020753 | BOLT, HEX. | |
| 50 | E8841022 | NIPPLE;GREASE |
Содержащиеся в справочниках-каталогах запасные части и детали не предлагаются к продаже, а носят исключительно информационный характер