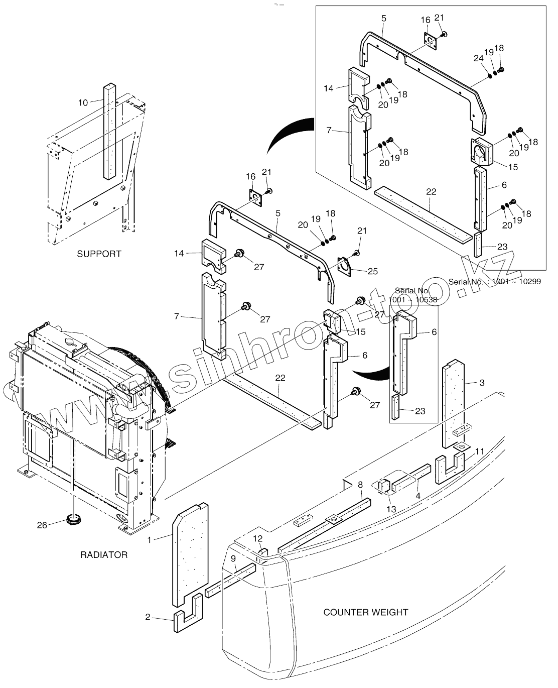
Каталог запасных частей к технике: Doosan SOLAR 420LC-V. ACOUSTIC FOAM ASSY
180102-00503
180102-00503
180102-00503
180102-00503
180102-00503
180102-00503
180102-00503
161-00362
161-00362
161-00362
161-00362
161-00362
161-00362
161-00362
1
2
3
4
5
5
5
5
5
5
5
5
5
5
5
5
6
6
6
6
6
6
6
6
6
6
6
6
7
7
7
7
7
7
8
9
10
11
12
13
14
14
14
14
14
14
14
14
14
15
15
15
15
15
15
15
15
15
15
15
15
16
16
16
16
18
18
18
18
18
18
18
18
18
18
18
18
18
18
19
19
19
19
19
19
19
19
19
19
19
19
20
20
20
20
20
20
20
20
20
20
21
21
21
21
21
21
21
21
22
22
22
22
23
23
24
25
26
27
27
27
27
| Позиция на иллюстрации | Заводской номер детали | Название детали | |
|---|---|---|---|
| 180102-00503 | 180102-00503 | FOAM ASSY,ACOUSTIC | |
| 161-00362 | 161-00362 | ACOUSTIC FOAM ASSY | |
| 1 | 161-00339A | FOAM | |
| 2 | 161-00340 | FOAM | |
| 3 | 161-00341A | FOAM | |
| 4 | 161-00363 | FOAM | |
| 5 | 621-01733B | COVER | |
| 5 | 621-01733C | COVER | |
| 5 | 110508-07735 | COVER | |
| 5 | 110508-07735A | COVER | |
| 6 | 621-01734A | COVER | |
| 6 | 110508-07736 | COVER | |
| 6 | 110508-07736A | COVER | |
| 7 | 621-01735B | COVER | |
| 7 | 110508-07737A | COVER | |
| 7 | 110508-07737 | COVER | |
| 8 | 161-00364 | FOAM | |
| 9 | 161-00343 | FOAM, POLYURETHANE | |
| 10 | 161-00308A | Foam, polyurethane | |
| 11 | 161-00345 | FOAM | |
| 12 | 161-00356 | FOAM | |
| 13 | 161-00357 | FOAM | |
| 14 | 110508-07738A | COVER | |
| 14 | 110508-07738 | COVER | |
| 14 | 621-01736B | COVER | |
| 15 | 621-01737B | COVER | |
| 15 | 621-01737C | COVER | |
| 15 | 110508-07739 | COVER | |
| 15 | 110508-07739A | COVER | |
| 16 | 161-00349A | RUBBER | |
| 16 | 180308-00271 | RUBBER | |
| 18 | S0508853 | BOLT M8X1.25X20 | |
| 18 | S0508866 | BOLT | |
| 19 | S5102503 | WASHER;SPRING | |
| 19 | S5102503 | WASHER;SPRING | |
| 20 | S5010513 | WASHER;PLAIN M8 | |
| 20 | 2114-1058D29 | WASHER | |
| 21 | 124-00070 | Clip, tree | |
| 21 | 124-00070 | Clip, tree | |
| 22 | 161-00350A | FOAM | |
| 22 | K1002726A | FOAM | |
| 23 | 161-00351 | FOAM | |
| 24 | 2114-1058D29 | WASHER | |
| 25 | 180308-00272 | RUBBER | |
| 26 | K1007044 | BUSHING | |
| 27 | DS0025033 | BOLT |
Содержащиеся в справочниках-каталогах запасные части и детали не предлагаются к продаже, а носят исключительно информационный характер