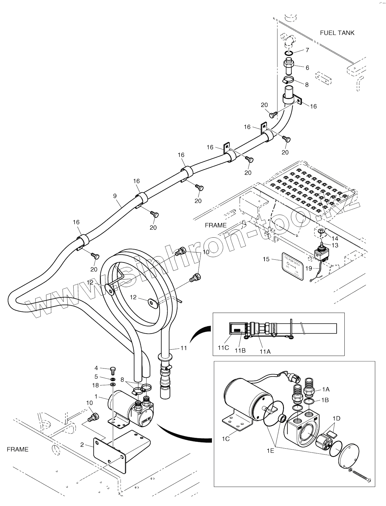
Каталог запасных частей к технике: Doosan SOLAR 255LC-V (DI EXP). FUEL FILLER PUMP ASSY
1
1A
1B
1C
1D
1E
2
4
5
6
7
8
8
9
10
10
11
11A
11B
11C
12
12
13
14
15
16
16
16
16
16
16
16
16
16
16
16
16
16
16
18
19
20
20
20
20
20
20
20
20
20
20
20
20
20
20
| Позиция на иллюстрации | Заводской номер детали | Название детали | |
|---|---|---|---|
| 401-00350 | 401-00350 | Fuel filler pump assy-opt | |
| 1 | 401-00238 | Pump, fuel transfer | |
| 1A | 2181-2755B | ADAPTER | |
| 1B | S8180321 | SEAL;WASHER | |
| 1C | 523-00012 | Motor | |
| 1D | 407-00001 | VANE KIT | |
| 1E | 2401-1276KT | SEAL KIT | |
| 2 | 195-01628 | Bracket | |
| 4 | S0508853 | BOLT M8X1.25X20 | |
| 5 | S5102503 | WASHER;SPRING | |
| 6 | 2181-2104D6 | ADAPTER PF1/2 | |
| 7 | S8000181 | O-RING | |
| 8 | S8470032 | CLAMP;HOSE | |
| 9 | 2185-1247D64 | Hose | |
| 10 | 2120-2196D10 | Bolt, set | |
| 11 | 185-00167D3 | HOSE ASS'Y 3/4-4000L | |
| 11A | 2420-1258 | VALVE;CHECK | |
| 11B | 2471-1152 | STRAINER | |
| 11C | 2160-1336 | CAP;STRAINER | |
| 12 | 195-01630 | Bracket | |
| 13 | 2549-9096 | SWITCH;TOGGLE | |
| 14 | 2114-1683 | Washer, toggle switch | |
| 15 | 190-00519 | Plate, name | |
| 16 | 124-00208D5 | CLIP D32/M8 | |
| 16 | 124-00208D5 | CLIP D32/M8 | |
| 18 | S5010513 | WASHER;PLAIN M8 | |
| 19 | 530-00214 | Harness, toggle switch | |
| 20 | 120-00276 | BOLT M8X1.25X12 | |
| 20 | 120-00276 | BOLT M8X1.25X12 |
Содержащиеся в справочниках-каталогах запасные части и детали не предлагаются к продаже, а носят исключительно информационный характер