Вернуться на главную
Поиск
Каталоги запчастей к технике
Спецтехника
Doosan
SOLAR 255LC-V (DI EXP)
ELECTRIC WIRING (3) - RELATED
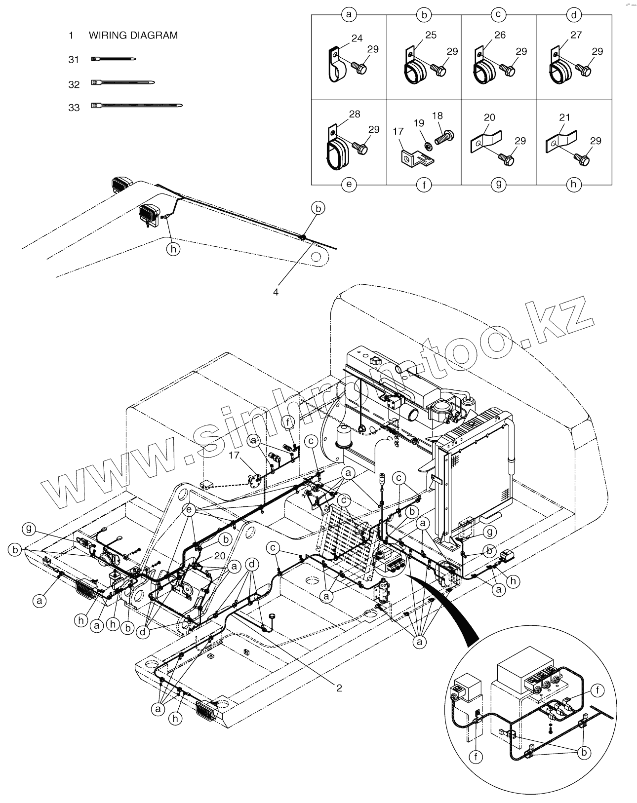
Каталог запасных частей к технике: Doosan SOLAR 255LC-V (DI EXP). ELECTRIC WIRING (3) - RELATED
zoom-in
zoom-out
enlarge
shrink
circle-right
circle-left
file-text2
info
cart
Тип техники
Не выбрано
Легковые автомобили
Грузовые автомобили и прицепы
Автобусы
Сельхозтехника
Спецтехника
Двигатели
Мототехника
Марка
Не выбрано
Ammann
BOMAG
CARMIX
CASE IH
Changlin
ChengGong
Dimex
Doosan
DYNAPAC
Foton
HAMM
Hidromek
Hitachi
Hyundai
JCB
JLG
John Deere
Komatsu
LIEBHERR
LiuGong
Lonking (LongGong)
Luneng
MANITOU
Mitsuber
New Holland
PENGPU
RM-Terex
SANY
SDLG
SEM
Shantui
Shehwa HBXG
Soosan
TIGARBO
VOGELE
Volvo
WAY
WIRTGEN
XCMG
XGMA
Xiamen
YTO
Yuchai
Zoomlion
Автокран
АЗСМ
Алтайлесмаш
Амкодор
АОМЗ
Атек
АТЗ
Балканкар Рекорд
БелАЗ
Беловеж
Борекс
Брянский Арсенал
Булат
ВЭКС
ГАЗ
Геомаш
Гидромаш
Донекс
Дормаш
Дормашина
Дорэлектромаш
ДЭЗ
ЕлАЗ
ЗЗГТ
Ижнефтемаш
Канаш-электрокар
КЗКТ
ККЗ
Клевер
Клинцовский автокрановый завод
КМЗ
КМЗ 1 Мая
Ковровец
Коммаш
Кранэкс
КЭЗ
КЭМЗ
ЛЗА
МАЗ
МЗИК
МЗКМ
МЗКТ
Михневский РМЗ
МоАЗ
Мозырский МЗ
МТЗ
ОЗП
Онежец
ПАО "ТЗА"
ППС Детва
Промтрактор
ПТЗ
Раскат
СпецАгрегат
ТВЭКС
ТТМ
УВЗ
Угличмаш
УЗТМ
ХТЗ
ЧЗКМ
ЧСДМ
ЧТЗ
ЭКСКО
ЭКСМАШ
ЮрМаш
Модель
Не выбрано
DL220 (2010)
DX140W (2017)
DX225LC (2009)
DX225LCA (2012)
S225LC-V (2009)
S340LC-V (2009)
S500LC-V (2007)
SOLAR 130W-V(1) (2017)
SOLAR 130W-V(2) (2017)
SOLAR 140W-V (2017)
SOLAR 140W-V & S160W-V (2017)
SOLAR 160W-V (2017)
SOLAR 170W-V (2017)
SOLAR 180W-V (2017)
SOLAR 210W-V (2017)
SOLAR 255LC-V (DI EXP) (2017)
SOLAR 420LC-V (2017)
Мини-погрузчик 430 Plus (2010)
Мини-погрузчик 440 Plus (2010)
Мини-погрузчик 450 Plus (2010)
Мини-погрузчик 450 Plus (Tier3) (2010)
Мини-погрузчик 460 Plus (2010)
Мини-погрузчик 460 Plus (Tier3) (2010)
Мини-погрузчик 470 Plus (2010)
Экскаватор SOLAR 140LC-V (2010)
Экскаватор SOLAR 175LC-V (2010)
Схема
>
Не выбрано
CYLINDER BLOCK
TIMING GEAR CASE
FLYWHEEL HOUSING
CRANK SHAFT
CYLINDER HEAD
VALVE MECHANISM
OIL PUMP
OIL FILTER
OIL COOLER
OIL PAN
THERMOSTAT
WATER PUMP AND COOLING FAN
INTAKE AND EXHAUST MANIFOLD
TURBO CHARGER AND OIL PIPE
FUEL SYSTEM
FUEL FILTER
ALTERNATOR MOUNTING
STARTER
OVER HAUL GASKET KIT - TOP
OVER HAUL GASKET KIT - ALL
MAIN FRAME
ENGINE MOUNTING
RADIATOR (1001 - 2210)
RADIATOR (2211 - )
RESERVE TANK
MUFFLER
CAC PIPING
AIR CLEANER ASSY
AIR CLEANER
PUMP MOUNTING
FUEL PIPING
FUEL TANK
SWING DEVICE ASSY
OIL TANK
OIL COOLER PIPING (1)
OIL COOLER PIPING (2)
OIL COOLER PIPING (3)
MAIN PIPING (1)
MAIN PIPING (2)
MAIN PIPING (3)
MAIN PIPING (4)
MAIN PIPING (5)
ENGINE CONTROL ASSY
PILOT PIPING (1)
PILOT PIPING (2)
PILOT PIPING (3)
PILOT PIPING (4)
PILOT PIPING (5)
PILOT PIPING (6)
PILOT PIPING (7)
PILOT PIPING (8)
CONTROL STAND - L.H
CONTROL STAND - R.H
SEAT AND ELECTRIC BOX
SEAT MOUNTING
SEAT
SEAT MOUNTING
SEAT
DUCT COVER ASSY
HEATER COVER ASSY
CABIN MOUNT ASSY
CABIN ASSY
CABIN (1)
CABIN (2)
CABIN (3)
CABIN (4)
CABIN (5)
SUPPORT (1)
SUPPORT (2)
COVER (1)
COVER (2)
COVER (3)
COVER (4)
COVER (5)
BAFFLE
ACOUSTIC FOAM
UNDER COVER
LUBRICATION PIPING
ELECTRIC BOX ASSY (1)
ELECTRIC BOX ASSY (2)
ELECTRIC PARTS (1) - GAUGE
ELECTRIC PARTS (2) - STAND R.H.
ELECTRIC PARTS (3) - STAND L.H.
ELECTRIC PARTS (4) - CABIN
ELECTRIC PARTS (5) - BATTERY
ELECTRIC PARTS (6) - ENGINE
ELECTRIC PARTS (7) - RELATED
ELECTRIC WIRING (1) - BATTERY
ELECTRIC WIRING (2) - ENGINE
ELECTRIC WIRING (3) - RELATED
AIRCONDITIONER (1)
AIRCONDITIONER (2) - AIRCON
HEATER PIPING
TRACK FRAME
TRAVEL DEVICE
IDLER
TRACK SPRING
UPPER ROLLER
LOWER ROLLER
CENTER JOINT (1001 - 2066)
CENTER JOINT (2067 - )
TRACK SHOE ASSY - 600G
TRAVEL PIPING COVER
TRAVEL PIPING
BOOM - 5.9m
ARM - 3.0m
BUCKET - 1.10M3
BOOM PIPING
ARM PIPING
FRONT LUBRICATION PIPING
MAIN PUMP (1001 - 2164)
REGULATOR
GEAR PUMP
PTO ASSY
SWING MOTOR
SWING REDUCTION GEAR
TRAVEL MOTOR
TRAVEL REDUCTION GEAR
CONTROL VALVE (1)
CONTROL VALVE (2)
CONTROL VALVE (3)
REMOTE CONTROL VALVE (1001 - )
REMOTE CONTROL VALVE (1388 - )
REMOTE CONTROL VALVE - 3
PEDAL VALVE
SOLENOID VALVE
PILOT VALVE
BREAKER VALVE
BOOM CYLINDER (LH)
BOOM CYLINDER (RH)
ARM CYLINDER
BUCKET CYLINDER
BOOM CYLINDER(L.H) - LOCK
BOOM CYLINDER(R.H) - LOCK
ARM CYLINDER - LOCK VALVE
OPTION VALVE (1001 - 1226)
OPTION VALVE (1227 - )
PEDAL VALVE
TRAVEL REDUCTION GEAR
TRAVEL MOTOR
TOOLS
SPARE PARTS
CABIN NAME PLATE - EUROPE
NAME PLATE - EUROPE
CABIN NAME PLATE - ENGLISH
NAME PLATE - ENGLISH
FUEL FILLER PUMP ASSY
DOUBLE FUEL FILTER ASSY
NOISE FILTER ASSY - EUROPE
CABIN LAMP ASSY
6 - LAMP AND BEACON (TELESCOPIC)
ROTATING BEACON
TRAVEL/SWING ALARM ASSY
TRAVEL ALARM ASSY
RETURN FILTER PRESS SWITCH
ALTERNATOR
OVERLOAD WARNING ASSY
FLOOR PLATE - TILTING
SUN VISOR ASSY
SUN ROOF ASSY
TRACK - NARROW (2.99M)
TRACK SHOE - 700G
TRACK SHOE - 800G
TRACK SHOE - 900G
SEALED TRACK SHOE - 600G
BOOM - 5.3M
ARM - 2.0m
ARM - 2.5m
ARM - 3.5m
BOOM PIPING - 5.3M
ARM PIPING - 2.0m
ARM PIPING - 2.5m
ARM PIPING - 3.5m
FRONT LUBRICATION PIPING
BUCKET - 0.50m3
BUCKET - 0.81m3
BUCKET - 0.93m3
BUCKET - 1.05m3
BUCKET - 1.17m3
BUCKET - 1.18m3
BUCKET - 0.73M3 (36") - SIDE PIN
BUCKET - 0.673M3 (36") - VERTICAL PIN
BUCKET - 0.90M3 (42") - SIDE PIN
BUCKET - 0.80M3 (42") - VERTICAL PIN
BUCKET - 1.07M3 (48") - SIDE PIN
BUCKET - 0.95M3 (48") - VERTICAL PIN
BUCKET - 1.24m3 (54") - SIDE PIN
BUCKET - 1.24m3 (54") - VERTICAL
BUCKET - 1.32m3 (57") - SIDE PIN
BUCKET - 1.173m3 (57") - VERTICAL PIN
BUCKET - 1.49M3(63") - SIDE PIN
BUCKET - 1.31m3 (63") - VERTICAL PIN
BREAKER PIPING
PILOT PIPING - BREAKER
BOOM PIPING - 5.9m BOOM (ONE)
BOOM PIPING - 5.3m BOOM (ONE)
ARM PIPING - ARM 2.0M (ONE AND TWO WAY) (1001-1030)
ARM PIPING - ARM 2.0M (ONE AND TWO WAY) (1031-)
ARM PIPING - ARM 2.5M (ONE AND TWO WAY) (1001-1030)
ARM PIPING - ARM 2.5M (ONE AND TWO WAY) (1031-)
ARM PIPING - ARM 3.0M (ONE AND TWO WAY) (1001-1030)
ARM PIPING - ARM 3.0M (ONE AND TWO WAY) (1031-)
ARM PIPING - ARM 3.5M (ONE AND TWO WAY) (1001-1030)
ARM PIPING - ARM 3.5M (ONE AND TWO WAY) (1031-)
NAME PLATE - ONE and TWO WAY
LOCK VALVE PIPING - 5.9M
PILOT PIPING and ROTATING
MAIN PIPING - ROTATING
BOOM PIPING - ROTATING
ARM PIPING ROTATION
JOYSTICK VALVE ASSY 3 - SWITCH
CABIN LOW GUARD
F.O.G.S ASSY (1012 - )
SEALED TRACK SHOE - 700G (1012 - )
SEALED TRACK SHOE - 800G (1012 - )
SEALED TRACK SHOE - 900G (1012 - )
TROPICAL COVER (1072 - )
FLOOR PLATE - ARTI.BOOM
FLOOR ASSY - TILT AND ARTI.BOOM
BOOM PIPING - BOOM 5.9m(PE3C)
MAIN PIPING - PE3C
PILOT PIPING - PE3C AND PERO
PILOT PIPING - PE3C
PILOT PIPING - PERO
ACOUSTIC FOAM
1
1
2
2
2
4
17
17
18
19
20
20
21
24
25
26
27
28
29
29
29
29
29
29
29
31
32
33
Позиция на иллюстрации
Заводской номер детали
Название детали
500-00139
500-00139
Electric wiring
300619-01024
300619-01024
Electric assy
1
599-00043
Wiring diagram
1
599-00043A
Wiring diagram
2
530-00114A
Harness, main
2
310207-01013
Harness, main
2
310207-01013A
Harness, main
2A
2548-1027
DIODE ASS'Y 3A
2A
2548-1027
DIODE ASS'Y 3A
2B
548-00003A
DIODE ASS'Y 3A
4
530-00311D3
HARNESS;WORKING LAMP
17
2195-3500
BRACKET;HOUSING
18
S3450953
SCREW M6X1.0X12
19
S5102303
WASHER;SPRING M6
20
S5102303
WASHER;SPRING M6
21
2197-1660
BRACKET;HOUSING W15
24
2124-1509D1
CLIP D12/M8
25
124-00208D2
CLIP D14/M8
26
124-00208D3
CLIP D20/M8
27
124-00208D4
CLIP D26/M8
28
124-00208D5
CLIP D32/M8
29
120-00276
BOLT M8X1.25X12
31
2124-1622D1
CLIP;BAND (146L)
32
2124-1622D2
CLIP;BAND (200L)
33
2124-1622D3
CLIP;BAND (280L)
Содержащиеся в справочниках-каталогах запасные части и детали не предлагаются к продаже, а носят исключительно информационный характер
Дополнительная информация
×
Название:
Номер:
Примечание: