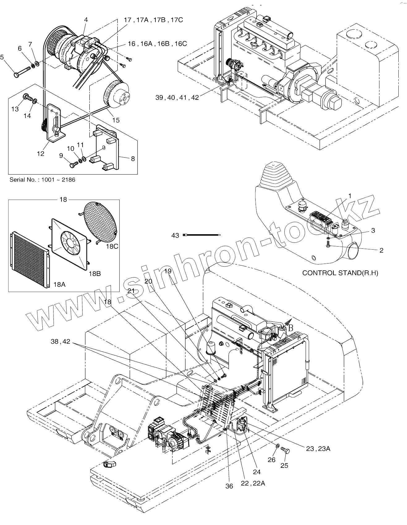
Каталог запасных частей к технике: Doosan SOLAR 255LC-V (DI EXP). AIRCONDITIONER (1)
1
2
3
4
4
6
7
8
9
10
11
12
13
14
15
15
16
16A
16B
16C
17
17A
17B
17C
18
18
18A
18B
18C
19
20
21
22
22A
23
23A
24
24
25
26
36
38
39
40
41
42
42
| Позиция на иллюстрации | Заводской номер детали | Название детали | |
|---|---|---|---|
| 920-00082 | 920-00082 | Cooler assy | |
| 1 | 543-00049 | PANEL;AIRCON CONTROL | |
| 2 | S3450583 | SCREW M4X0.7X12 | |
| 3 | S5000113 | WASHER;PLAIN M4 | |
| 4 | 2208-6013B | COMPRESSOR | |
| 4 | 440205-00070 | Compressor | |
| 5 | S0557153 | BOLT M8X1.25X90 | |
| 6 | S5102503 | WASHER;SPRING | |
| 7 | S5010513 | WASHER;PLAIN M8 | |
| 8 | 2197-1798B | BRACKET;COMPRESSOR | |
| 9 | S0712153 | BOLT M10X1.25X28 | |
| 10 | S5102603 | WASHER;SPRING M10 | |
| 11 | S5010613 | WASHER;PLAIN | |
| 12 | 2107-6006 | PULLEY ASS'Y;IDLE 4PK | |
| 13 | S0759853 | BOLT M10X1.25X115 | |
| 14 | S5102603 | WASHER;SPRING M10 | |
| 15 | 2106-1019D10 | V-BELT;COMPRESSOR | |
| 15 | 2106-1019D11 | V-belt | |
| 16 | 185-00321 | Hose, discharge | |
| 16A | 2180-6089 | O-RING(COMP) | |
| 16B | 2180-6088 | O-ring | |
| 16C | 1.161-00018 | CAP;CHECK PORT(H) | |
| 17 | 185-00322 | Hose, suction | |
| 17A | 2180-6086 | O-RING(COMP) | |
| 17B | 2180-6087 | O-RING(EVA) | |
| 17C | 1.161-00019 | CAP;CHECK PORT(L) | |
| 18 | 2520-6004 | CONDENSER ASS'Y | |
| 18A | 2520-6005 | CONDENSER CORE | |
| 18B | 2538-6018 | MOTOR;CONDENSER | |
| 18C | 2520-6006 | NET;CONDENSER | |
| 19 | S0512053 | BOLT M10X1.5X25 | |
| 20 | S5102603 | WASHER;SPRING M10 | |
| 21 | S5010613 | WASHER;PLAIN | |
| 22 | 2185-1697D1 | Hose, liquid | |
| 22A | 2180-6090 | O-RING | |
| 23 | 2185-1698D1 | HOSE;LIQUID(2) | |
| 23A | 2180-6090 | O-RING | |
| 24 | 2204-6039A | RECEIVER DRIER | |
| 24 | 300720-00003 | Dryer, receiver | |
| 25 | S0508653 | BOLT M8X1.25X16 | |
| 26 | S5102503 | WASHER;SPRING | |
| 36 | 124-00208D3 | CLIP D20/M8 | |
| 38 | 124-00208D7 | CLIP;BAND | |
| 39 | 124-00209D1 | CLIP 2-D20/M8 | |
| 40 | 2120-2187 | BOLT;STUD M8X1.25X20/M8 | |
| 41 | S5102503 | WASHER;SPRING | |
| 42 | 120-00276 | BOLT M8X1.25X12 | |
| 43 | 2124-1622D3 | CLIP;BAND (280L) |
Содержащиеся в справочниках-каталогах запасные части и детали не предлагаются к продаже, а носят исключительно информационный характер