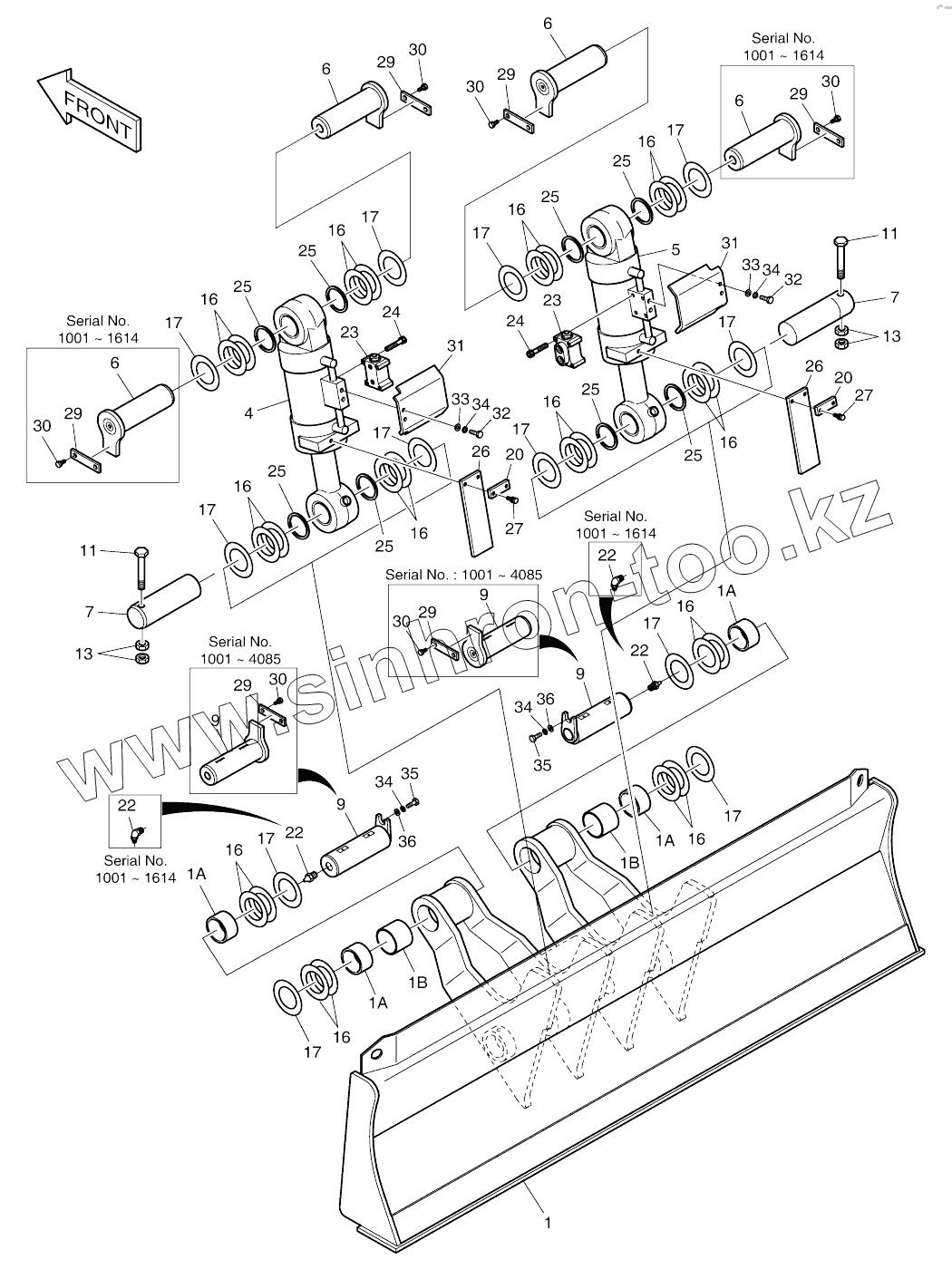
Каталог запасных частей к технике: Doosan SOLAR 210W-V. BLADE-REAR
29
29
29
29
29
29
20
20
22
22
22
22
22
22
22
22
23
23
24
24
25
25
25
25
25
25
25
25
26
26
26
26
27
27
17
17
17
17
17
17
17
17
17
17
17
17
29
29
29
29
29
29
30
30
30
30
30
30
30
30
30
30
30
30
31
31
32
32
33
33
34
34
34
34
35
35
36
36
6
6
6
6
1
1
1A
1A
1A
1A
1B
1B
4
4
5
5
6
6
6
6
7
7
7
7
9
9
9
9
9
9
9
9
9
9
9
9
11
11
13
13
16
16
16
16
16
16
16
16
16
16
16
16
| Позиция на иллюстрации | Заводской номер детали | Название детали | |
|---|---|---|---|
| 29 | 621-02256 | Plate | |
| 20 | 191-03733 | Plate | |
| 22 | S6710041 | NIPPLE;GREASE | |
| 22 | S6710042 | NIPPLE;GREASE(PT1/8) | |
| 23 | 2426-9026B | Valve, pilot check | |
| 24 | S2212966 | Bolt | |
| 25 | 2180-9055 | Seal, dust | |
| 26 | 161-00629 | Plate | |
| 26 | 161-00629A | Plate | |
| 27 | 2120-2196D15 | Bolt, set | |
| 17 | 2114-1059D175 | SHIM | |
| 29 | 621-02256 | Plate | |
| 30 | 2120-2196D2 | BOLT;SET M10X1.5X25 | |
| 30 | 2120-2196D2 | BOLT;SET M10X1.5X25 | |
| 31 | 110406-02891 | Bracket | |
| 32 | S0515366 | Bolt | |
| 33 | S5010703 | Washer, plain | |
| 34 | S5102703 | WASHER;SPRING M10 | |
| 35 | S0515066 | Bolt | |
| 36 | 4114-4078A | Washer | |
| 6 | 120501-01013 | Pin | |
| 1 | K1000691 | Blade, dozer | |
| 1 | K1000691A | Blade, dozer | |
| 1A | 2110-1027D21 | Bushing | |
| 1B | 114-00524 | Spacer | |
| 4 | 440-00341 | Cylinder, blade | |
| 4 | 400312-00070 | Cylinder, blade | |
| 5 | 440-00342 | Cylinder, blade | |
| 5 | 400312-00071 | Cylinder, blade | |
| 6 | 123-00453 | Pin | |
| K1002137B | K1002137B | Blade assy | |
| 7 | 123-00431 | Pin | |
| 7 | 120501-01014 | Pin | |
| 9 | 123-00448A | Pin | |
| 9 | 120501-01015 | Pin | |
| 9 | 120501-02776 | Pin | |
| 11 | S0571666 | Bolt | |
| 13 | S4013133 | Nut | |
| 16 | 2114-1059D174 | SHIM |
Содержащиеся в справочниках-каталогах запасные части и детали не предлагаются к продаже, а носят исключительно информационный характер