Вернуться на главную
Поиск
Каталоги запчастей к технике
Спецтехника
Doosan
SOLAR 210W-V
BLADE PIPING (1001-1989)
Каталог запасных частей к технике: Doosan SOLAR 210W-V. BLADE PIPING (1001-1989)
zoom-in
zoom-out
enlarge
shrink
circle-right
circle-left
file-text2
info
cart
Тип техники
Не выбрано
Легковые автомобили
Грузовые автомобили и прицепы
Автобусы
Сельхозтехника
Спецтехника
Двигатели
Мототехника
Марка
Не выбрано
Ammann
BOMAG
CARMIX
CASE IH
Changlin
ChengGong
Dimex
Doosan
DYNAPAC
Foton
HAMM
Hidromek
Hitachi
Hyundai
JCB
JLG
John Deere
Komatsu
LIEBHERR
LiuGong
Lonking (LongGong)
Luneng
MANITOU
Mitsuber
New Holland
PENGPU
RM-Terex
SANY
SDLG
SEM
Shantui
Shehwa HBXG
Soosan
TIGARBO
VOGELE
Volvo
WAY
WIRTGEN
XCMG
XGMA
Xiamen
YTO
Yuchai
Zoomlion
Автокран
АЗСМ
Алтайлесмаш
Амкодор
АОМЗ
Атек
АТЗ
Балканкар Рекорд
БелАЗ
Беловеж
Борекс
Брянский Арсенал
Булат
ВЭКС
ГАЗ
Геомаш
Гидромаш
Донекс
Дормаш
Дормашина
Дорэлектромаш
ДЭЗ
ЕлАЗ
ЗЗГТ
Ижнефтемаш
Канаш-электрокар
КЗКТ
ККЗ
Клевер
Клинцовский автокрановый завод
КМЗ
КМЗ 1 Мая
Ковровец
Коммаш
Кранэкс
КЭЗ
КЭМЗ
ЛЗА
МАЗ
МЗИК
МЗКМ
МЗКТ
Михневский РМЗ
МоАЗ
Мозырский МЗ
МТЗ
ОЗП
Онежец
ПАО "ТЗА"
ППС Детва
Промтрактор
ПТЗ
Раскат
СпецАгрегат
ТВЭКС
ТТМ
УВЗ
Угличмаш
УЗТМ
ХТЗ
ЧЗКМ
ЧСДМ
ЧТЗ
ЭКСКО
ЭКСМАШ
ЮрМаш
Модель
Не выбрано
DL220 (2010)
DX140W (2017)
DX225LC (2009)
DX225LCA (2012)
S225LC-V (2009)
S340LC-V (2009)
S500LC-V (2007)
SOLAR 130W-V(1) (2017)
SOLAR 130W-V(2) (2017)
SOLAR 140W-V (2017)
SOLAR 140W-V & S160W-V (2017)
SOLAR 160W-V (2017)
SOLAR 170W-V (2017)
SOLAR 180W-V (2017)
SOLAR 210W-V (2017)
SOLAR 255LC-V (DI EXP) (2017)
SOLAR 420LC-V (2017)
Мини-погрузчик 430 Plus (2010)
Мини-погрузчик 440 Plus (2010)
Мини-погрузчик 450 Plus (2010)
Мини-погрузчик 450 Plus (Tier3) (2010)
Мини-погрузчик 460 Plus (2010)
Мини-погрузчик 460 Plus (Tier3) (2010)
Мини-погрузчик 470 Plus (2010)
Экскаватор SOLAR 140LC-V (2010)
Экскаватор SOLAR 175LC-V (2010)
Схема
>
Не выбрано
CYLINDER BLOCK
TIMING GEAR CASE
FLYWHEEL HOUSING
CRANK SHAFT
CYLINDER HEAD
VALVE MECHANISM
OIL PUMP
OIL FILTER
OIL COOLER
OIL PAN
THERMOSTAT
WATER PUMP AND COOLING FAN
INTAKE AND EXHAUST MANIFOLD
TURBO CHARGER AND OIL PIPE
FUEL SYSTEM
FUEL FILTER
ALTERNATOR MOUNTING
STARTER
OVER HAUL GASKET KIT-TOP
OVER HAUL GASKET KIT-ALL
FRAME
ENGINE MOUNTING
RADIATOR
RESERVE TANK
MUFFLER
AIR CLEANER ASSY
AIR CLEANER
PUMP ASSY
SWING DEVICE
FUEL TANK
OIL TANK
ENGINE CONTROL ASSY
LEVER ASSY-ENGINE SUB
OIL COOLER PIPING (1)
OIL COOLER PIPING (2)
OIL COOLER PIPING (3)
MAIN PIPING (1)-PUMP
MAIN PIPING (2)-BOOM
MAIN PIPING (3)-ARM.BUCKET
MAIN PIPING (4)-SWING
MAIN PIPING (5)-TRAVEL.DOZER
PILOT PIPING (1)
PILOT PIPING (2)
PILOT PIPING (3)
PILOT PIPING (4)
PILOT PIPING (5)
PILOT PIPING (6)
PILOT PIPING (7)
PILOT PIPING (8)
PILOT PIPING (9)
PILOT PIPING (10)
PILOT PIPING (11)
PILOT PIPING (12)
PILOT PIPING (13)
BRAKE PIPING (1)
BRAKE PIPING (2)
STEERING PIPING
STEERING WHEEL
STEERING COLUMN ASSY
COLUMN ASSY
CONTROL STAND-L.H.
CONTROL STAND-R.H.
SEAT AND ELECTRIC BOX COVER
SEAT MOUNTING
SEAT
SEAT MOUNTING-EXCEPT EUROPE AND U.S.A (1001-1019)
SEAT-EXCEPT EUROPE AND U.S.A (1001-1019)
DUCT COVER ASSY
HEATER COVER ASSY
CABIN MOUNTING
CABIN ASSY
CABIN (1)
CABIN (2)
CABIN (3)
CABIN (4)
CABIN (5)
SUPPORT (1)
SUPPORT (2)
COVER (1)
COVER (2)
COVER (3)
COVER (4)
COVER (5)
BAFFLE
ACOUSTIC FOAM
UNDER COVER
LUBRICATOR PIPING
ELECTRIC BOX ASSY
ELECTRIC BOX ASSY-ELECTRIC
ELECTRIC PARTS (1)-GAUGE
ELECTRIC PARTS (2)-STAND (R.H)
ELECTRIC PARTS (3)-STAND (L.H)
ELECTRIC PARTS (4)-CABIN
ELECTRIC PARTS (5)-BATTERY
ELECTRIC PARTS (6)-ENGINE
ELECTRIC PARTS (7)-RELATED
ELECTRIC PARTS (8)-LAMP PARTS
ELECTRIC WIRING (1)-BATTERY
ELECTRIC WIRING (2)-ENGINE
ELECTRIC WIRING (3)-RELATED
COOLER AND HEATER
AIRCON UNIT
COOLER AND HEATER
CHASSIS FRAME-PIN TYPE
POWER TRAIN (1)-FRONT AXLE
POWER TRAIN (2)-REAR AXLE
POWER
POWER TRAIN (4)-SHAFT
CHASSIS COMPONENT
DOZER AND OUTRIGGER PIPING
BRAKE PIPING (1)-FRONT
BRAKE PIPING (2)-REAR
STEERING PIPING
CHOCKING PIPING
PROPELLING PIPING (1)-TRAVEL MOTOR (1001-1041)
PROPELLING PIPING (1)-TRAVEL MOTOR (1042-2131)
PROPELLING PIPING (2)-GEAR SHIFT AND TEST PORT (1001-1041)
PROPELLING PIPING (2)-GEAR SHIFT AND TEST PORT (1042-1626)
PROPELLING PIPING (2)-GEAR SHIFT AND TEST PORT (1627-2131)
PROPELLING PIPING (3)-DRAIN (1001-1041)
PROPELLING PIPING (3)-DRAIN (1042-2131)
PROPELLING PIPING (4)-MOTOR MAKE UP (1001-1041)
PROPELLING PIPING (4)-MOTOR MAKE UP (1042-2131)
PROPELLING PIPING (2132-)
BLADE-REAR
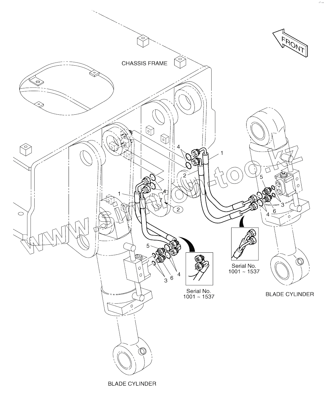
BLADE PIPING (1001-1989)
DOSER PIPING (1990-4085)
DOSER PIPING (4086-)
OUTRIGGER-STABILIZER
OUTRIGGER-FRONT
BOOM-5.7M
ARM-2.9m
BUCKET-0.86m
FRONT PIPING
FRONT LUBRICATOR PIPING
LUBRICATOR PIPING-ARM (1166-1626)
LUBRICATOR PIPING-ARM (1627-2194)
MAIN PUMP (1001-4009)
PUMP REGULATOR
PTO ASSY
GEAR PUMP
GEAR PUMP(2 PORT) (1001-1814)
GEAR PUMP(2 PORT) (1815-)
SWING MOTOR
SWING REDUCTION GEAR (1001-1742)
SWING REDUCTION GEAR (1743-)
TRAVEL MOTOR (1001-1041)
TRAVEL MOTOR (1042-2131)
TRAVEL MOTOR (2132-)
PISTON MOTOR-TRAVEL MOTOR (1001-1041)
ROTARY GROUP-TRAVEL MOTOR (1001-1041)
ROTARY GROUP-TRAVEL MOTOR (1042-)
REGULATOR-TRAVEL MOTOR (1001-1041)
RELIEF VALVE-TRAVEL MOTOR (1001-1041)
CONTROL PARTS-TRAVEL MOTOR (1001-1041)
CONTROL PARTS-TRAVEL MOTOR (1042-2131)
CONTROL PARTS-TRAVEL MOTOR (2132-)
COUNTER BALANCE VALVE-TRAVEL MOTOR (1001-1041)
COUNTER BALANCE VALVE-TRAVEL MOTOR (1042-)
STROKE LIMIT-TRAVEL MOTOR (1001-1041)
STROKE LIMIT-TRAVEL MOTOR (1042-2131)
STROKE LIMIT-TRAVEL MOTOR (1538-1626)
STROKE LIMIT-TRAVEL MOTOR (2132-)
CONTROL VALVE
CONTROL VALVE-ARTI.BOOM (1001-1630)
CONTROL VALVE-ARTI.BOOM (1631-)
STEERING VALVE
PILOT AND T/M SUPPLY VALVE
PILOT CHECK VALVE-OUTRIGGER
REMOTE CONTROL VALVE (1001-1864)
REMOTE CONTROL VALVE (1865-)
REMOTE CONTROL VALVE-3
REMOTE CONTROL VALVE-DOZER
BRAKE SUPPLY VALVE
FOOT BRAKE VALVE
BREAKER PACKAGE VALVE
PEDAL VALVE-ARTI.BOOM
SOLENOID VALVE
CENTER JOINT
CENTER JOINT
BOOM CYLINDER (L.H.)
BOOM CYLINDER (R.H.)
ARM CYLINDER
BUCKET CYLINDER
DOZER CYLINDER (L.H.)
DOZER CYLINDER (R.H.)
CHOCKING CYLINDER (1001-1259)
CHOCKING CYLINDER (L.H.) (1260-3173)
CHOCKING CYLINDER (L.H.) (3174-)
CHOCKING CYLINDER (R.H) (1260-3173)
CHOCKING CYLINDER (R.H) (3174-)
OUTRIGGER CYLINDER
BOOM CYLINDER (L.H)-LOCK
BOOM CYLINDER (R.H)-LOCK
ARM CYLINDER-LOCK VALVE
BOOM CYLINDER(L.H.)-ARTI.BOOM
BOOM
ARTI.BOOM CYLINDER
ARM CYLINDER-ARTI.BOOM
BOOM CYLINDER(L.H.)-L/V FOR ARTI.BOOM
BOOM CYLINDER(R.H.)-L/V FOR ARTI.BOOM
ARTI.BOOM CYLINDER-LOCK VALVE
ARM CYLINDER-L/V FOR ARTI.BOOM
INPUT HOUSING-TRANSMISSION (1001-2131)
INPUT SHAFT-TRANSMISSION (1001-2131)
INPUT-MISSION (2132-)
HOUSING-TRANSMISSION (1001-2131)
HOUSING-MISSION (2132-)
PIPING-TRANSMISSION (1001-2131)
OIL PIPE-MISSION (2132-)
2ND GEAR CLUTCH-TRANSMISSION (1001-2131)
MIDDLE DISC-MISSION (2132-)
1SD GEAR CLUTCH-TRANSMISSION (1001-2131)
COUPLING-MISSION (2132-)
PLANETARY GEAR-TRANSMISSION (1001-2131)
PLANETARY GEAR-MISSION (2132-)
DISCONNECTION DEVICE-TRANSMISSION (1001-2131)
SPUR GEAR-TRANSMISSION (1001-2131)
GEAR SHIFTING GOVERNOR-TRANSMISSION (1001-2131)
GEAR SHIFTING GOVERNOR-TRANSMISSION (2132-)
OUTPUT SHAFT-TRANSMISSION (1001-2131)
OUTPUT-MISSION (2132-)
AXLE CASING-FRONT AXLE (1001-2131)
AXLE CASING-FRONT AXLE (2132-)
DIFFERENTIAL-FRONT AXLE (1001-2131)
DIFFERENTIAL GEAR-FRONT AXLE (2132-2790)
DIFFERENTIAL GEAR-FRONT AXLE (2791-)
DIFF. CARRIER-FRONT AXLE (1001-2131)
INPUT-FRONT AXLE (2132-)
JOINT HOUSING-FRONT AXLE (1001-2131)
JOINT HOUSING-FRONT AXLE (2132-2790)
JOINT HOUSING-FRONT AXLE (2791-)
OUTPUT-FRONT AXLE (1001-2131)
OUTPUT-FRONT AXLE (2132-2790)
OUTPUT-FRONT AXLE (2791-)
STEERING CYLINDER-FRONT AXLE (1001-2131)
STEERING CYLINDER-FRONT (2132-)
AXLE CASING-REAR AXLE (1001-2131)
AXLE CASING-REAR AXLE (2132-)
DIFFERENTIAL-REAR AXLE (1001-2131)
DIFFERENTIAL-REAR AXLE (2132-2790)
DIFFERENTIAL-REAR AXLE (2791-)
DIFF. CARRIER-REAR AXLE (1001-2131)
INPUT-REAR AXLE (2132-)
HUB CARRIER-REAR AXLE (1001-2131)
HUB CARRIER-REAR AXLE (2132-)
OUTPUT-REAR AXLE (1001-2131)
OUTPUT-REAR AXLE (2132-2790)
OUTPUT-REAR AXLE (2791-)
OPTION VALVE (1597-)
TOOL
SPARE PARTS
FUEL FILTER PUMP ASSY
AIR CLEANER
SUN VISOR ASSY
SUN ROOF ASSY
NOISE FILTER ASSY-EUROPE
2-CABIN LAMP ASSY
6-LAMP AND BEACON (TELESCOPIC)
BEACON
RETURN FILTER PRESS SWITCH
ALTERNATOR
OVERLOAD WARNING ASSY
CABIN LOW GUARD
JOYSTICK VALVE ASSY 3-SWITCH
OUTRIGGER-REAR
OUTRIGGER PIPING-REAR
BLADE-FRONT
BLADE AND O/RIGGER PIPING-PIN
POWER TRAIN-SINGLE OPT.
POWER TRAIN-10.0-20 16PR TIRE (1600-)
ARM-2.0M
ARM ASSY-2.4m
ARM PIPING-ARM 2.0m
ARM PIPING-ARM 2.4m
BUCKET 0.50mВі
BUCKET 0.81mВі
BUCKET 1.05mВі
BUCKET 1.17mВі
BUCKET 1.18mВі
BUCKET 0.73mВі (36")-SIDE PIN
BUCKET 0.67mВі (36")-VERTICAL PIN
BUCKET 0.90mВі (42")-SIDE PIN
BUCKET 0.90mВі (42")-VERTICAL PIN
BUCKET 1.07mВі (48")-SIDE PIN
BUCKET 1.07mВі (48")-VERTICAL PIN
BUCKET 1.24mВі (54")-SIDE PIN
BUCKET 1.24mВі (54")-VERTICAL PIN
BUCKET 1.32mВі (57")-SIDE PIN
BUCKET 1.32mВі (57")-VERTICAL PIN
BUCKET 1.49mВі (63")-SIDE PIN
BUCKET 1.49mВі (63")-VERTICAL PIN
MAIN PIPING-ONE WAY
PILOT PIPING-ONE WAY
BOOM PIPING-ONE WAY-BOOM 5.7M
BOOM PIPING-ONE WAY-BOOM 5.7M-KOREA
ARM PIPING-ARM 2.0M (ONE AND TWO WAY)
ARM PIPING-ARM 2.4M (ONE AND TWO WAY)
ARM PIPING-ARM 2.9M (ONE AND TWO WAY)
MAIN PIPING-TILTING (1001-1596)
MAIN PIPING-TILTING (1597-)
PILOT PIPING-TILTING
BOOM PIPING-ROTATING
ARM PIPING-ROTATING
LOCK VALVE PIPING
ARTI.BOOM-3.8M+1.87M
FLOOR ASSY-ROTATING TILTING ARTI (SINGLE)
FLOOR ASSY-TILT AND ARTI.BOOM (DOUBLE)
MAIN PIPING-ARTI.BOOM
PILOT PIPING-ARTI.BOOM
BOOM PIPING-ARTI.BOOM
FRONT LUBRICATION PIPING-ARTI.BOOM
LOCK VALVE PIPING-ARTI.BOOM
STAY ASSY-ARTI.BOOM
MAIN PIPING-ARTI.BOOM-1 AND 2
PILOT PIPING-ARTI.BOOM-1 WAY
FRONT PIPING-ARTI.BOOM-1 WAY
ARM-2.65M (1102-)
ARM PIPING-ARM 2.65m (1102-)
ARM PIPING-ARM 2.65M (ONE AND TWO WAY) (1102-)
FRONT COMBI. LAMP-EUROPE (1133-)
F.O.G.S GUARD (1366-1594)
F.O.G.S GUARD (1595-)
FRONT PIPING-PERO-ARTI.BOOM (1420-)
ARM PIPING-2.4M-ROTATING AND TILTING (1420-)
FLOOR ASSY-MULTI PIPING (1420-)
BOOM PIPING-PE3C
MAIN PIPING-PE3C
PILOT PIPING-PE3C AND PERO
PILOT PIPING-PE3C
PILOT PIPING-PERO
COUNTER WEIGHT-4TON
LOW NOISE KIT-EUROPE
DOUBLE FUEL FILTER
F.O.G.S GUARD-TURBO
FOGS GUARD ASSY
1
1
1
1
2
2
2
3
3
4
4
4
4
5
5
6
6
7
Позиция на иллюстрации
Заводской номер детали
Название детали
400-00957
400-00957
Blade piping
K1005826
K1005826
Blade piping
1
DS2023107
Hose unf
1
DS2021095
Hose unf
2
DS2023108
Hose unf
2
DS2021096
Hose unf
2
DS2021103
Hose unf
3
S8000181
O-RING
4
S8030081
O-RING
5
2181-4133D3
ADAPTER
6
DS2455002
Adapter, orifice
7
DS2021104
Hose unf
Содержащиеся в справочниках-каталогах запасные части и детали не предлагаются к продаже, а носят исключительно информационный характер
Дополнительная информация
×
Название:
Номер:
Примечание: