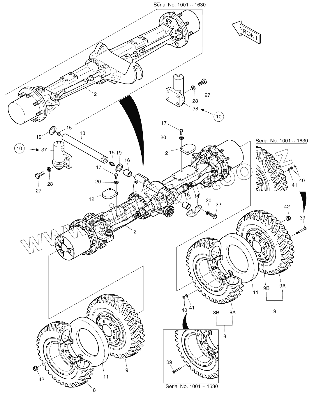
Каталог запасных частей к технике: Doosan SOLAR 180W-V. POWER TRAIN (1)-FRONT AXLE
2200-1043A
2200-1043A
2200-1043G
2200-1043G
130809-00021
130809-00021
2
2
2
2
2
2
8
8
8
8
8
8
8
8
8A
8B
8B
8B
8B
9
9
9
9
9
9
9
9
9A
9B
9B
9B
9B
10
10
11
11
11
11
11
11
12
12
13
13
14
15
15
16
16
17
17
19
19
20
20
20
22
27
27
27
27
28
28
37
37
37
38
38
38
39
39
39
39
39
39
40
40
40
40
40
40
41
41
41
41
41
41
42
42
42
42
| Позиция на иллюстрации | Заводской номер детали | Название детали | |
|---|---|---|---|
| 2200-1043A | 2200-1043A | POWER TRAIN | |
| 2200-1043G | 2200-1043G | POWER TRAIN | |
| 130809-00021 | 130809-00021 | POWERTRAIN ASSY | |
| 2 | 2211-9074 | AXLE, FRONT | |
| 2 | K1012711 | AXLE, FRONT | |
| 2 | 190102-00010 | AXLE,FRONT | |
| 8 | 2276-9062B | TIRE AND WHEEL | |
| 8 | 2276-9062C | TIRE AND WHEEL | |
| 8 | 2276-9062E | TIRE AND WHEEL | |
| 8 | K1029615 | Tire and wheel | |
| 8A | 2276-9005A | Tire | |
| 8B | 278-00001B | RIM | |
| 8B | 278-00001C | RIM | |
| 8B | 278-00001E | RIM | |
| 8B | K1029617 | Rim | |
| 9 | 2276-9063B | TIRE AND WHEEL | |
| 9 | 2276-9063C | TIRE AND WHEEL | |
| 9 | 2276-9063E | TIRE AND WHEEL | |
| 9 | K1029616 | Tire and wheel | |
| 9A | 2276-9005A | Tire | |
| 9B | 278-00001B | RIM | |
| 9B | 278-00001C | RIM | |
| 9B | 278-00001E | RIM | |
| 9B | K1029617 | Rim | |
| 10 | 2440-9406E | CYLINDER, CHOCKING | |
| 11 | 2161-9039D5 | RUBBER, SPACER | |
| 11 | 161-00616B | RUBBER, SPACER | |
| 11 | 161-00616E | Spacer, rubber | |
| 12 | 191-01785 | PAD, CHOCK | |
| 13 | 2123-2435B | PIN | |
| 13 | 120501-01248 | PIN | |
| 14 | 2891-1724A | PLATE, LOCK | |
| 15 | S6710041 | NIPPLE;GREASE | |
| 16 | 2110-1424 | BUSH | |
| 17 | S0521666 | BOLT M16X2.0X50 | |
| 19 | 2114-1879 | Shim | |
| 20 | S5102903 | WASHER;SPRING | |
| 22 | S0521356 | BOLT M16X2.0X35 | |
| 27 | S0570161 | BOLT | |
| 27 | S0570166 | BOLT M20X2.5X65 | |
| 28 | S5103103 | WASHER;SPRING | |
| 37 | 440-00461A | CYLINDER, CHOCKING | |
| 37 | 440-00461B | CYLINDER, CHOCKING | |
| 37 | 400327-00024 | CYLINDER,CHOCKING | |
| 38 | 440-00462A | CYLINDER, CHOCKING | |
| 38 | 440-00462B | CYLINDER, CHOCKING | |
| 38 | 400327-00025 | CYLINDER,CHOCKING | |
| 39 | 120-00316 | Bolt | |
| 39 | K1010750 | BOLT | |
| 39 | S0516066 | Bolt | |
| 40 | S4012633 | NUT M10X1.5 | |
| 40 | S4012733 | NUT M12 | |
| 40 | S4012733 | NUT M12 | |
| 41 | 114-00582 | Washer | |
| 41 | K1010751 | WASHER | |
| 41 | 4114-1792A | Washer | |
| 42 | K1002433 | Nut, wheel | |
| 42 | 120312-00427 | Nut, wheel |
Содержащиеся в справочниках-каталогах запасные части и детали не предлагаются к продаже, а носят исключительно информационный характер