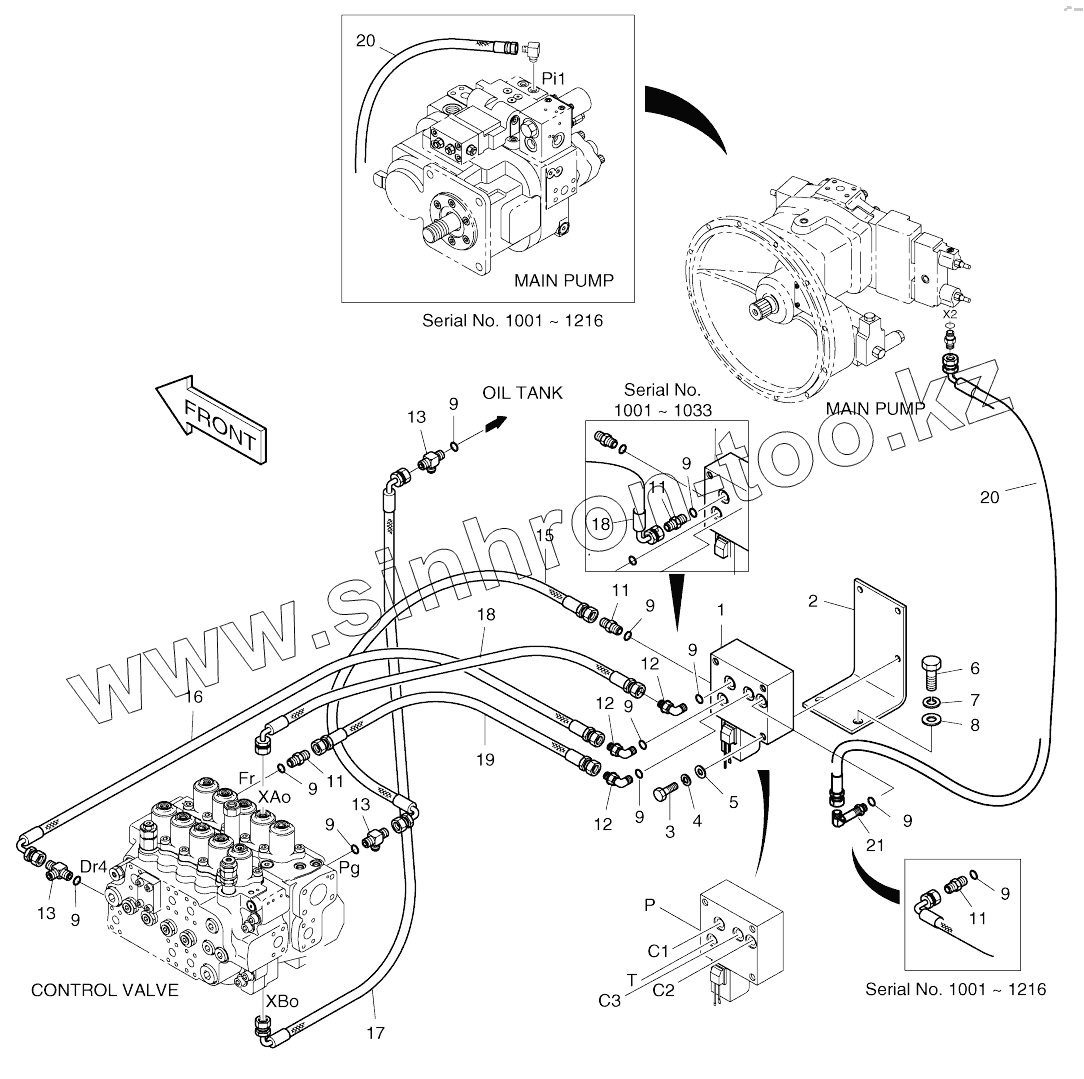
Каталог запасных частей к технике: Doosan SOLAR 170W-V. PILOT PIPING-ONE WAY
1
2
2
3
4
5
6
7
8
9
9
9
9
9
9
9
9
9
9
9
9
9
9
9
9
9
9
9
9
9
9
9
9
11
11
11
11
11
11
11
11
11
11
11
11
11
11
11
12
12
12
12
12
12
13
13
13
15
15
16
17
18
18
18
18
19
20
20
20
20
20
20
20
20
20
21
| Позиция на иллюстрации | Заводской номер детали | Название детали | |
|---|---|---|---|
| 400-00028A | 400-00028A | PILOT PIPING-ONE WAY | |
| 1 | 2420-9227A | Valve, breaker | |
| 2 | 195-00224 | BRACKET | |
| 2 | 195-00224A | BRACKET | |
| 3 | S0558953 | BOLT M10X1.5X70 | |
| 4 | S5102603 | WASHER;SPRING M10 | |
| 5 | S5010613 | WASHER;PLAIN | |
| 6 | S0515253 | BOLT M12X1.75X30 | |
| 7 | S5102703 | WASHER;SPRING M10 | |
| 8 | S5010713 | WASHER;PLAIN | |
| 9 | S8000111 | O-RING | |
| 9 | S8000111 | O-RING | |
| 11 | 2181-1126D14 | ADAPTER;S PFO-PF1/4 | |
| 11 | 2181-1126D14 | ADAPTER;S PFO-PF1/4 | |
| 11 | 2181-1126D14 | ADAPTER;S PFO-PF1/4 | |
| 12 | 2181-1702D4 | ELBOW | |
| 12 | 2181-1702D4 | ELBOW | |
| 13 | 2181-1951D1 | TEE PFO1/4-2PF1/4 | |
| 15 | 2184-1046D130 | HOSE PF1/4-750L | |
| 15 | 2184-1046D81 | HOSE PF1/4-650L | |
| 16 | 2184-1046D130 | HOSE PF1/4-750L | |
| 17 | 2184-1061D216 | HOSE | |
| 18 | 2184-1061D216 | HOSE | |
| 18 | 2184-1046D68 | HOSE PF1/4-600L | |
| 19 | 2184-1045D99 | HOSE | |
| 20 | 2184-1046D130 | HOSE PF1/4-750L | |
| 20 | 2184-1046D142 | HOSE PF1/4-900L | |
| 20 | 2184-1046D61 | HOSE PF1/4-1750L | |
| 21 | 2181-1702D56 | ELBOW |
Содержащиеся в справочниках-каталогах запасные части и детали не предлагаются к продаже, а носят исключительно информационный характер