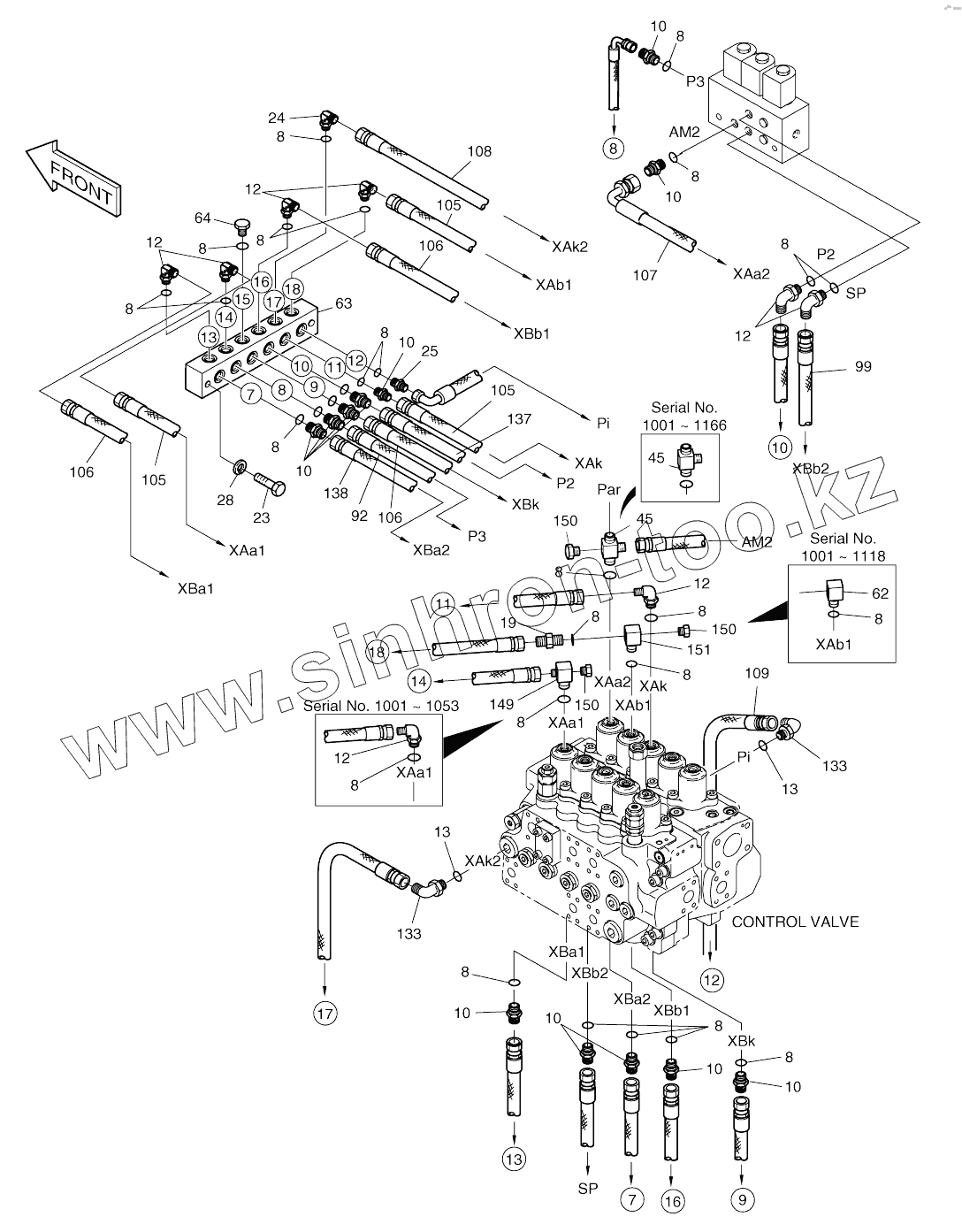
Каталог запасных частей к технике: Doosan SOLAR 170W-V. PILOT PIPING (7)
8
8
8
8
8
8
8
8
8
8
8
8
8
8
8
8
8
8
8
8
10
10
10
10
10
10
10
10
10
10
12
12
12
12
12
12
12
12
12
12
12
12
13
13
13
19
23
24
25
28
45
45
45
45
45
45
62
63
64
92
99
99
105
105
105
106
106
106
107
108
109
133
133
137
138
149
150
150
150
150
150
150
150
150
150
151
| Позиция на иллюстрации | Заводской номер детали | Название детали | |
|---|---|---|---|
| 400-00014B | 400-00014B | PILOT PIPING | |
| 400-00014A | 400-00014A | PILOT PIPING | |
| 400-00014C | 400-00014C | PILOT PIPING | |
| 8 | S8000141 | O-RING | |
| 10 | 2181-1126D7 | ADAPTER PFO3/8-PF3/8 | |
| 12 | 2181-1702D5 | ELBOW PF3/8-PF3/8 | |
| 12 | 2181-1702D5 | ELBOW PF3/8-PF3/8 | |
| 13 | S8000111 | O-RING | |
| 19 | 181-00144D4 | ADAPTER;ORIFICE | |
| 23 | S0512953 | BOLT M10X1.5X65 | |
| 24 | 2181-1702D10 | ELBOW | |
| 25 | 2181-1126D36 | ADAPTER PFO3/8-PF1/4 | |
| 28 | S5102603 | WASHER;SPRING M10 | |
| 45 | 2181-1951D11 | TEE PFO3/8-PF3/8-PF1/4 | |
| 45 | DS2462002 | Tee | |
| 62 | 2181-2295D16 | Elbow | |
| 63 | 2423-1550 | Block | |
| 64 | 2181-1950D2 | PLUG PFO1/2 | |
| 92 | 2184-1036D251 | Hose | |
| 99 | 2184-1045D133 | Hose | |
| 99 | 2184-1045D250 | HOSE | |
| 105 | 2184-1045D214 | Hose | |
| 106 | 2184-1045D215 | Hose | |
| 107 | 2184-1046D125 | HOSE PF3/8-750L | |
| 108 | 2184-1045D152 | HOSE PF1/4-2000L | |
| 109 | 2184-1046D146 | Hose | |
| 133 | 2181-1702D4 | ELBOW | |
| 137 | 2184-1026D222 | HOSE | |
| 138 | 2184-1045D238 | Hose | |
| 149 | 2181-2590D2 | Adapter | |
| 150 | 2181-2047 | PLUG | |
| 150 | 2181-2047 | PLUG | |
| 150 | 2181-2047 | PLUG | |
| 151 | DS2459002 | ELBOW PFO3/8-PFO3/8 |
Содержащиеся в справочниках-каталогах запасные части и детали не предлагаются к продаже, а носят исключительно информационный характер