Вернуться на главную
Поиск
Каталоги запчастей к технике
Спецтехника
Doosan
SOLAR 170W-V
ELECTRIC PARTS (6)-ENGINE
Каталог запасных частей к технике: Doosan SOLAR 170W-V. ELECTRIC PARTS (6)-ENGINE
zoom-in
zoom-out
enlarge
shrink
circle-right
circle-left
file-text2
info
cart
Тип техники
Не выбрано
Легковые автомобили
Грузовые автомобили и прицепы
Автобусы
Сельхозтехника
Спецтехника
Двигатели
Мототехника
Марка
Не выбрано
Ammann
BOMAG
CARMIX
CASE IH
Changlin
ChengGong
Dimex
Doosan
DYNAPAC
Foton
HAMM
Hidromek
Hitachi
Hyundai
JCB
JLG
John Deere
Komatsu
LIEBHERR
LiuGong
Lonking (LongGong)
Luneng
MANITOU
Mitsuber
New Holland
PENGPU
RM-Terex
SANY
SDLG
SEM
Shantui
Shehwa HBXG
Soosan
TIGARBO
VOGELE
Volvo
WAY
WIRTGEN
XCMG
XGMA
Xiamen
YTO
Yuchai
Zoomlion
Автокран
АЗСМ
Алтайлесмаш
Амкодор
АОМЗ
Атек
АТЗ
Балканкар Рекорд
БелАЗ
Беловеж
Борекс
Брянский Арсенал
Булат
ВЭКС
ГАЗ
Геомаш
Гидромаш
Донекс
Дормаш
Дормашина
Дорэлектромаш
ДЭЗ
ЕлАЗ
ЗЗГТ
Ижнефтемаш
Канаш-электрокар
КЗКТ
ККЗ
Клевер
Клинцовский автокрановый завод
КМЗ
КМЗ 1 Мая
Ковровец
Коммаш
Кранэкс
КЭЗ
КЭМЗ
ЛЗА
МАЗ
МЗИК
МЗКМ
МЗКТ
Михневский РМЗ
МоАЗ
Мозырский МЗ
МТЗ
ОЗП
Онежец
ПАО "ТЗА"
ППС Детва
Промтрактор
ПТЗ
Раскат
СпецАгрегат
ТВЭКС
ТТМ
УВЗ
Угличмаш
УЗТМ
ХТЗ
ЧЗКМ
ЧСДМ
ЧТЗ
ЭКСКО
ЭКСМАШ
ЮрМаш
Модель
Не выбрано
DL220 (2010)
DX140W (2017)
DX225LC (2009)
DX225LCA (2012)
S225LC-V (2009)
S340LC-V (2009)
S500LC-V (2007)
SOLAR 130W-V(1) (2017)
SOLAR 130W-V(2) (2017)
SOLAR 140W-V (2017)
SOLAR 140W-V & S160W-V (2017)
SOLAR 160W-V (2017)
SOLAR 170W-V (2017)
SOLAR 180W-V (2017)
SOLAR 210W-V (2017)
SOLAR 255LC-V (DI EXP) (2017)
SOLAR 420LC-V (2017)
Мини-погрузчик 430 Plus (2010)
Мини-погрузчик 440 Plus (2010)
Мини-погрузчик 450 Plus (2010)
Мини-погрузчик 450 Plus (Tier3) (2010)
Мини-погрузчик 460 Plus (2010)
Мини-погрузчик 460 Plus (Tier3) (2010)
Мини-погрузчик 470 Plus (2010)
Экскаватор SOLAR 140LC-V (2010)
Экскаватор SOLAR 175LC-V (2010)
Схема
>
Не выбрано
CYLINDER BLOCK
TIMING GEAR CASE
FLYWHEEL HOUSING
CRANK SHAFT
CYLINDER HEAD
VALVE MECHANISM
OIL PUMP
OIL FILTER
OIL COOLER
OIL PAN
THERMOSTAT
WATER PUMP AND COOLING FAN
INTAKE AND EXHAUST MANIFOLD
FUEL SYSTEM
FUEL FILTER
ALTERNATOR MOUNTING
STARTER
OVER HAUL GASKET KIT-TOP
OVER HAUL GASKET KIT-ALL
FRAME
ENGINE MOUNTING
MUFFLER
RADIATOR
RESERVE TANK
AIR CLEANER ASSY
AIR CLEANER
PUMP INSTALLATION (1001-1216)
PUMP INSTALLATION (1217-)
SWING DEVICE
FUEL TANK
OIL TANK
ENGINE CONTROL ASSY
LEVER ASSY-ENGINE SUB
MAIN PIPING (1)-PUMP (1001-1216)
MAIN PIPING (1)-PUMP (1217-)
MAIN PIPING (2)-BOOM
MAIN PIPING (3)-ARM.BUCKET
MAIN PIPING (4)-SWING
MAIN PIPING (5)-TRAVEL
OIL COOLER PIPING (1)
OIL COOLER PIPING (2) (1001-1216)
OIL COOLER PIPING (2) (1217-)
OIL COOLER PIPING (3)
STEERING PIPING
PILOT PIPING (1) (1001-1216)
PILOT PIPING (1) (1217-)
PILOT PIPING (2)
PILOT PIPING (3)
PILOT PIPING (4)
PILOT PIPING (5)
PILOT PIPING (6)
PILOT PIPING (7)
PILOT PIPING (8)
PILOT PIPING (9)
PILOT PIPING (10)
PILOT PIPING (11)
PILOT PIPING (12)
PILOT PIPING (13) (1001-1216)
PILOT PIPING (13) (1217-)
BRAKE PIPING (1)
BRAKE PIPING (2)
STEERING ASSY
STEERING COLUMN ASSY
CABIN ASSY
CABIN (1)
CABIN (2)
CABIN (3)
CABIN (4)
CABIN (5)
CONTROL STAND-L.H.
CONTROL STAND-R.H.
SEAT AND ELECTRIC BOX COVER
SEAT MOUNTING ASSY (1003-)
SEAT MOUNTING ASSY-EUROPE
SEAT-EXCEPT EUROPE AND U.S.A
SEAT-EUROPE AND U.S.A
DUCT COVER ASSY
HEATER COVER ASSY
ELECTRIC BOX ASSY
ELECTRIC BOX ASSY-ELECTRIC PARTS
ELECTRIC PARTS (1)-CONTROL STAND (R.H.)
ELECTRIC PARTS (2)-CONTROL STAND (L.H.)
ELECTRIC PARTS (3)-CABIN
ELECTRIC PARTS (4)-CONSOLE BOX
ELECTRIC PARTS (5)-BATTERY
ELECTRIC PARTS (6)-ENGINE
ALTERNATOR [1001-1132]
ELECTRIC PARTS (7)-RELATED PARTS
ELECTRIC WIRING (1)-RELATED PARTS
ELECTRIC WIRING (2)-ENGINE
AIRCONDITIONER (1)
AIRCONDITIONER (2)-AIRCON UNIT
HEATER PIPING
SUPPORT
SUPPORT-CONDENSER
COVER (1)
COVER (2)
COVER (3)
COVER (4)
COVER (5)
BAFFLE
ACOUSTIC FOAM
ACOUSTIC FOAM-EUROPE OPT. (1095-)
UNDER COVER
LUBRICATOR PIPING
CHASSIS FRAME
POWER TRAIN (1)-FRONT AXLE
POWER TRAIN (2)-REAR AXLE
POWER TRAIN (3)-T/MISSION.T/MOTOR.C/JOINT
POWER TRAIN (4)-PROPELLER SHAFT
CHASSIS COMPONENTS
DOZER AND OUTRIGGER PIPING
BRAKE PIPING (1)-FRONT
BRAKE PIPING (2)-REAR
STEERING PIPING
CHOCKING PIPING
PROPELLING PIPING (1)-TRAVEL MOTOR
PROPELLING PIPING (2)-GEAR SHIFT AND TEST PORT
PROPELLING PIPING (3)-DRAIN
PROPELLING PIPING (4)-MOTOR MAKE UP
BLADE (1001-1145)
BLADE (1146-)
BLADE PIPING (1001-1145)
BLADE PIPING (1146-)
OUTRIGGER
BOOM-5.15m
ARM-2.6m
BUCKE-0.76m3
FRONT PIPING
FRONT LUBRICATOR
MAIN PUMP (1001-1216)
MAIN PUMP (1217-)
MAIN PUMP-PUMP (1217-)
MAIN PUMP-CONTROL (1217-)
MAIN PUMP-COVER AND HYD. LINE (1217-)
CONTROL VALVE
SWING MOTOR
REDUCTION GEAR
TRAVEL MOTOR
PISTON MOTOR
ROTARY GROUP
REGULATOR-TRAVEL MOTOR
CONTROL PARTS
VALVE ASSY
COUNTER BALANCE VALVE
STROKE LIMIT
STEERING VALVE
PILOT AND T/M SUPPLY VALVE
REMOTE CONTROL VALVE (1001-1029)
REMOTE CONTROL VALVE (1030-)
DOZER REMOCON VALVE OUTRIGGER
BRAKE VALVE
PILOT CHECK VALVE-OUTRIGGER CYL.
SOLENOID VALVE
BRAKE SUPPLY VALVE
BREAKER PACKAGE VALVE
BOOM CYLINDER-L.H.
BOOM CYLINDER-R.H.
ARM CYLINDER
BUCKET CYLINDER
DOZER CYLINDER-L.H.
DOZER CYLINDER-R.H.
CHOCKING CYLINDER (1001-1239)
CHOCKING CYLINDER-L.H (1240-)
CHOCKING CYLINDER-R.H (1240-)
OUTRIGGER CYLINDER
CENTER JOINT
INPUT HOUSING-TRANSMISSION
INPUT SHAFT-TRANSMISSION
HOUSING-TRANSMISSION
PIPING-TRANSMISSION
2ND GEAR CLUTCH-TRANSMISSION
1ST GEAR CLUTCH-TRANSMISSION
PLANETARY GEAR-TRANSMISSION
DISCONNECTION DEVICE-TRANSMISSION
SPUR GEAR-TRANSMISSION
GEAR SHIFTING GOVERNOR-TRANSMISSION
OUTPUT SHAFT-TRANSMISSION
INPUT-REAR AXLE
DIFFERENTIAL-REAR AXLE
AXLE CASING-REAR AXLE
HUB. CARRIER-REAR AXLE
OUTPUT-REAR AXLE
INPUT-FRONT AXLE
DIFFERENTIAL-FRONT AXLE
AXLE CASING-FRONT AXLE
JOINT HOUSING-FRONT AXLE
OUTPUT-FRONT AXLE
STEERING GEAR-FRONT AXLE
BOOM CYLINDER (L.H)-LOCK VALVE
BOOM CYLINDER (R.H)-LOCK VALVE
ARM CYLINDER-LOCK VALVE
CONTROL VALVE-ARTI.BOOM (1034-)
PEDAL VALVE-ARTI.BOOM (1034-)
BOOM CYLINDER (L.H)-ARTI.BOOM (1034-)
BOOM CYLINDER (R.H)-ARTI.BOOM (1034-)
ARTI.BOOM CYLINDER (1034-)
BOOM CYLINDER (L.H)-L/V FOR ARTI.BOOM (1034-)
BOOM CYLINDER (R.H)-L/V FOR ARTI.BOOM (1034-)
ARTI.BOOM CYLINDER-LOCK VALVE (1034-)
TOOLS
SPARE PARTS
FUEL FILLER PUMP ASSY
AIRCLEANER-CLEANER
CABIN LAMP-OPT.
ROTATING BEACON-OPT.
SWING ALARM-OPT.
CABIN-WINDOW GUARD
NOISE FILTER ASSY-EUROPE
SUN VISOR
ROOF COVER
CHASSIS FRAME-OUTRIGGER (BOLTING) (1001-1145)
OUTRIGGER-REAR (1001-1145)
OUTRIGGER-REAR (1146-)
OUTRIGGER PIPING-REAR (1001-1145)
OUTRIGGER PIPING-REAR (1146-)
CHASSIS FRAME-FRONT DOZER (BOLTING)
DOZER PIPING-FRONT DOZER
RETURN FILTER SWITCH
CHASSIS COMPONENT-EXPORT
ARM-2.2M
ARM PIPING-ARM 2.2M
ARM-3.1M
ARM PIPING-ARM 3.1M
BUCKET-0.34m3
BUCKET-0.45m3
BUCKET-0.57m3
BUCKET-0.70m3
BUCKET-0.81m3
BUCKET-0.93m3
BUCKET-0.66M3 (39")-SIDE PIN
BUCKET-0.60M3 (36")-VERTICAL PIN
BUCKET-0.73M3 (36")-SIDE PIN
BUCKET-0.66M3 (39")-VERTICAL PIN
BUCKET-0.80M3 (42")-SIDE PIN
BUCKET-0.72M3 (42")-VERTICAL PIN
MAIN PIPING-ONE AND TWO WAY
PILOT PIPING-ONE WAY
BOOM PIPING-ONE AND TWO WAY
BOOM PIPING-ONE AND TWO WAY (1075-)
ARM PIPING-ARM 2.6M (ONE AND TWO WAY)
ARM PIPING-ARM 2.2M (ONE AND TWO WAY)
ARM PIPING-ARM 3.1M (ONE AND TWO WAY)
NAME PLATE-ONE AND TWO WAY
LOCK VALVE PIPING
BOOM ASSY (1034-)
MAIN PIPING-ARTI.BOOM (1034-1139)
MAIN PIPING FOR ARTI. BOOM (1140-)
PILOT PIPING-ARTI.BOOM (1034-)
FRONT PIPING-ARTI.BOOM (1034-)
ARM PIPING-ARM 2.6M (ARTI.BOOM) (1034-)
ARM PIPING-ARM 2.2M (ARTI.BOOM) (1034-)
FRONT LUBRICATION PIPING-ARTI.BOOM (1034-)
LOCK VALVE PIPING-ARTI.BOOM (1034-)
MAIN PIPING-ONE AND TWO WAY (ARTI.BOOM) (1034-)
FRONT PIPING-ONE AND TWO WAY (ARTI.BOOM) (1034-)
WORKING LAMP ASSY-ARTI.BOOM (1034-)
CABIN ASSY (1034-1099)
FLOOR ASSY-ARTI.BOOM (1023-)
STAY ASSY-ARTI.BOOM (1182-)
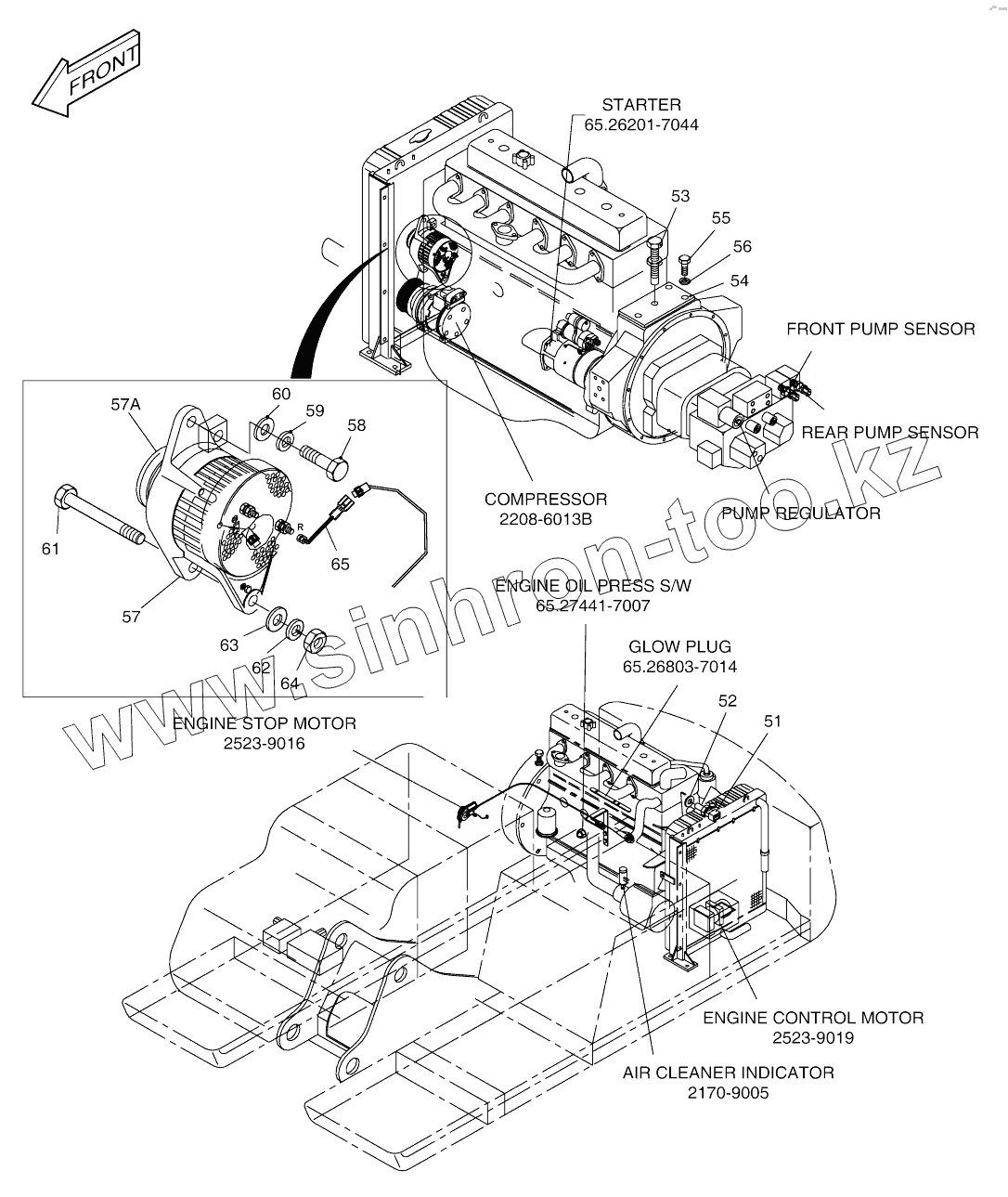
51
52
53
54
55
56
57
57
57A
58
58
59
60
61
61
62
63
64
65
Позиция на иллюстрации
Заводской номер детали
Название детали
2500-1265
2500-1265
ELECTRIC PARTS
51
2547-9038B
SENSOR;WATER TEMP
52
S8180251
PACKING M16/D22
53
2547-1015
SENSOR;ENGINE SPEED
54
2197-1793
BRACKET;SPEED SENSOR
55
S0512053
BOLT M10X1.5X25
56
S5102603
WASHER;SPRING M10
57
2502-9009
Alternator
57
2502-9007B
ALTERNATOR 24V 60A
57A
130707-00030
Pulley, alternator
58
S0786653
Bolt
58
S0760853
BOLT M12X1.25X55
59
S5102703
WASHER;SPRING M10
60
2114-1058D54
WASHER
61
S0562553
Bolt
61
S0562653
BOLT M12X1.75X160
62
S5102703
WASHER;SPRING M10
63
S5010713
WASHER;PLAIN
64
S4012733
NUT M12
65
530-00123
HARNESS;ALTERNATOR
Содержащиеся в справочниках-каталогах запасные части и детали не предлагаются к продаже, а носят исключительно информационный характер
Дополнительная информация
×
Название:
Номер:
Примечание: