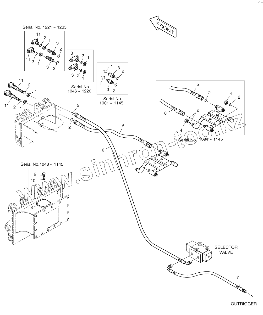
Каталог запасных частей к технике: Doosan SOLAR 170W-V. DOZER PIPING-FRONT DOZER
2400-2106
1
1
1
1
1
1
1
1
1
1
1
1
1
1
1
1
2
2
2
2
2
2
2
2
2
2
2
2
2
2
2
2
2
2
2
2
2
2
2
2
2
2
2
2
2
2
2
2
2
2
2
2
2
2
2
2
2
2
2
2
2
3
3
3
3
3
3
3
3
3
3
3
3
3
3
3
3
3
3
4
4
5
5
5
5
6
6
6
6
7
7
8
9
10
11
11
11
11
11
11
11
11
| Позиция на иллюстрации | Заводской номер детали | Название детали | |
|---|---|---|---|
| 2400-2106 | 2400-2106 | BLADE PIPING AND OUTRIGGER | |
| 1 | S8000181 | O-RING | |
| 1 | 121-00010D5 | Nut | |
| 2 | S8030081 | O-RING | |
| 2 | S8030081 | O-RING | |
| 2 | S8030081 | O-RING | |
| 3 | 2181-4133D46 | ADAPTER | |
| 3 | DS2416010 | TEE | |
| 3 | DS2415008 | Adapter | |
| 4 | 2181-2817D4 | CAP | |
| 5 | 2184-1196D141 | HOSE UNF13/16-590L | |
| 5 | DS2020014 | HOSE | |
| 6 | 2184-1196D142 | HOSE ASSY,HYDRAULIC | |
| 6 | DS2021048 | HOSE | |
| 7 | DS2013325 | Hose | |
| 7 | DS2013442 | Hose | |
| 8 | 2627-1803A | COVER | |
| 9 | S0511853 | BOLT M10X1.5X20 | |
| 10 | S5102603 | WASHER;SPRING M10 | |
| 11 | 181-00137 | Tee | |
| 11 | 181-00819 | Tee |
Содержащиеся в справочниках-каталогах запасные части и детали не предлагаются к продаже, а носят исключительно информационный характер