Вернуться на главную
Поиск
Каталоги запчастей к технике
Спецтехника
Doosan
SOLAR 140W-V & S160W-V
ELECTRIC WIRING (2)-ENGINE
Каталог запасных частей к технике: Doosan SOLAR 140W-V & S160W-V. ELECTRIC WIRING (2)-ENGINE
zoom-in
zoom-out
enlarge
shrink
circle-right
circle-left
file-text2
info
cart
Тип техники
Не выбрано
Легковые автомобили
Грузовые автомобили и прицепы
Автобусы
Сельхозтехника
Спецтехника
Двигатели
Мототехника
Марка
Не выбрано
Ammann
BOMAG
CARMIX
CASE IH
Changlin
ChengGong
Dimex
Doosan
DYNAPAC
Foton
HAMM
Hidromek
Hitachi
Hyundai
JCB
JLG
John Deere
Komatsu
LIEBHERR
LiuGong
Lonking (LongGong)
Luneng
MANITOU
Mitsuber
New Holland
PENGPU
RM-Terex
SANY
SDLG
SEM
Shantui
Shehwa HBXG
Soosan
TIGARBO
VOGELE
Volvo
WAY
WIRTGEN
XCMG
XGMA
Xiamen
YTO
Yuchai
Zoomlion
Автокран
АЗСМ
Алтайлесмаш
Амкодор
АОМЗ
Атек
АТЗ
Балканкар Рекорд
БелАЗ
Беловеж
Борекс
Брянский Арсенал
Булат
ВЭКС
ГАЗ
Геомаш
Гидромаш
Донекс
Дормаш
Дормашина
Дорэлектромаш
ДЭЗ
ЕлАЗ
ЗЗГТ
Ижнефтемаш
Канаш-электрокар
КЗКТ
ККЗ
Клевер
Клинцовский автокрановый завод
КМЗ
КМЗ 1 Мая
Ковровец
Коммаш
Кранэкс
КЭЗ
КЭМЗ
ЛЗА
МАЗ
МЗИК
МЗКМ
МЗКТ
Михневский РМЗ
МоАЗ
Мозырский МЗ
МТЗ
ОЗП
Онежец
ПАО "ТЗА"
ППС Детва
Промтрактор
ПТЗ
Раскат
СпецАгрегат
ТВЭКС
ТТМ
УВЗ
Угличмаш
УЗТМ
ХТЗ
ЧЗКМ
ЧСДМ
ЧТЗ
ЭКСКО
ЭКСМАШ
ЮрМаш
Модель
Не выбрано
DL220 (2010)
DX140W (2017)
DX225LC (2009)
DX225LCA (2012)
S225LC-V (2009)
S340LC-V (2009)
S500LC-V (2007)
SOLAR 130W-V(1) (2017)
SOLAR 130W-V(2) (2017)
SOLAR 140W-V (2017)
SOLAR 140W-V & S160W-V (2017)
SOLAR 160W-V (2017)
SOLAR 170W-V (2017)
SOLAR 180W-V (2017)
SOLAR 210W-V (2017)
SOLAR 255LC-V (DI EXP) (2017)
SOLAR 420LC-V (2017)
Мини-погрузчик 430 Plus (2010)
Мини-погрузчик 440 Plus (2010)
Мини-погрузчик 450 Plus (2010)
Мини-погрузчик 450 Plus (Tier3) (2010)
Мини-погрузчик 460 Plus (2010)
Мини-погрузчик 460 Plus (Tier3) (2010)
Мини-погрузчик 470 Plus (2010)
Экскаватор SOLAR 140LC-V (2010)
Экскаватор SOLAR 175LC-V (2010)
Схема
>
Не выбрано
CYLINDER BLOCK
TIMING GEAR CASE
FLYWHEEL HOUSING
CRANK SHAFT
CYLINDER HEAD
VALVE MECHANISM
OIL PUMP
OIL FILTER
OIL COOLER
OIL PAN
THERMOSTAT
WATER PUMP AND COOLING FAN
INTAKE AND EXHAUST MANIFOLD
TURBO CHARGER AND OIL PIPE
FUEL SYSTEM
FUEL FILTER
ALTERNATOR MOUNTING
STARTER
OVER HAUL GASKET KIT-TOP
OVER HAUL GASKET KIT-ALL
MAIN FRAME
ENGINE MOUNTING
RADIATOR AND OIL COOLER
RESERVE TANK
MUFFLER
AIR CLEANER ASSY
AIR CLEANER
PUMP INSTALLATION
FUEL TANK
OIL TANK
SWING DEVICE
ENGINE CONTROL ASSY
LEVER ASSY-ENGINE SUB
OIL COOLER PIPING (1)
OIL COOLER PIPING (2)
OIL COOLER PIPING (3)
MAIN PIPING MONO BOOM (1) - PUMP
MAIN PIPING MONO BOOM (2) - SWING
MAIN PIPING MONO BOOM (3) - TRAVEL
MAIN PIPING MONO BOOM (4) - BOOM
MAIN PIPING MONO BOOM (5) - ARM. BUCKET
PILOT PIPING (1)
PILOT PIPING (2)
PILOT PIPING (3)
PILOT PIPING (4)-JOYSTICK LEFT
PILOT PIPING (5)-JOYSTICK RIGHT
PILOT PIPING (6)
PILOT PIPING (7)
PILOT PIPING (8)
PILOT PIPING (9)
PILOT PIPING (10)
PILOT PIPING (11)
PILOT PIPING (12)
BRAKE PIPING (1)
BRAKE PIPING (2)
STEERING PIPING
STEERING WHEEL ASSY
STEERING COLUMN ASSY
COLUMN ASSY
CONTROL STAND-L.H.
CONTROL STAND-R.H.
SEAT AND ELECTRIC BOX
SEAT MOUNTING
SEAT
DUCT COVER ASSY
HEATER COVER ASSY
CABIN MOUNT ASSY
CABIN ASSY
CABIN (1)
CABIN (2)
CABIN (3)
CABIN (4)
CABIN (5)
SUPPORT
SUPPORT-CONDENSER
COVER (1)-L.H.
COVER (2)-R.H.
COVER (3)-TOP
COVER (4)-BATTERY
COVER (5)-ENGINE
BAFFLE ASSY (1)
BAFFLE ASSY (2)
ACOUSTIC FOAM
UNDER COVER
LUBRICATOR PIPING
ELECTRIC BOX ASSY
ELECTRIC BOX ASSY-ELECTRIC PARTS
ELECTRIC PARTS (1)-GUAGE AND SWITCH PANEL
ELECTRIC PARTS (2)-STAND R.H.
ELECTRIC PARTS (3)-STAND L.H.
ELECTRIC PARTS (4)-CABIN
ELECTRIC PARTS (5)-BATTERY
ELECTRIC PARTS (6)-ENGINE
ELECTRIC PARTS (7)-RELATED PART
ELECTRIC PARTS (8)-LAMP PART
ELECTRIC WIRING (1)-BATTERY
ELECTRIC WIRING (2)-ENGINE
ELECTRIC WIRING (3)-RELATED PART
AIRCONDITIONER (1)
AIRCONDITIONER (2)-AIRCON
HEATER PIPING
FUEL FILLER PUMP ASSY
RETURN FILTER PRESS SWITCH
CHASSIS FRAME-CRADDLE
POWER TRAIN
CHASSIS COMPONENTS
DOZER AND OUTRIGGER PIPING
BRAKE PIPING
STEER AND CHOCK PIPING
PROPELLING PIPING
BLADE-REAR
BLADE PIPING-REAR
BOOM-4.6M
ARM -2.5m
BUCKET-0.5m3
FRONT PIPING-BOOM 4.6M+ARM 2.5m-NO L.V.
LOCK VALVE PIPING-BOOM 4.6M
FRONT LUBRICATOR PIPING-BOOM 4.6M
MAIN PIPING-ONE AND TWO WAYS (50001~50160)
MAIN PIPING-ONE AND TWO WAYS (50161~)
PILOT PIPING-BREAKER-MONO AND ARTI.
BOOM PIPING-BOOM 4.6M (ONE WAY)
ARM PIPING-ARM 2.5M (ONE WAY)
MAIN PUMP
REGULATOR-FRONT
REGULATOR-REAR
PTO ASSY
GEAR PUMP
GEAR PUMP (2 PORT)
SWING MOTOR
SWING REDUCTION GEAR
TRAVEL MOTOR
PISTON MOTOR-TRAVEL MOTOR
ROTARY GROUP-TRAVEL MOTOR
REGULATOR-TRAVEL MOTOR
CONTROL PARTS-TRAVEL MOTOR
COUNTER BALANCE VALVE-TRAVEL MOTOR
CONTROL VALVE
CONTROL VALVE-ARTI.BOOM
STEERING VALVE
PILOT AND T/M SUPPLY VALVE
PILOT AND T/M SUPPLY VALVE-DOZER AND OUTRIGGER
PILOT CHECK VALVE-OUTRIGGER CYL.
REMOTE CONTROL VALVE
REMOTE CONTROL VALVE-3 SWITCH
REMOTE CONTROL VALVE-DOZER
BRAKE SUPPLY VALVE
FOOT BRAKE VALVE
BREAKER PACKAGE VALVE
PEDAL VALVE-ARTI.BOOM
SOLENOID VALVE
CENTER JOINT
CENTER JOINT
BOOM CYLINDER-L.H.
BOOM CYLINDER-R.H.
ARM CYLINDER
BUCKET CYLINDER
CHOCKING CYLINDER (50001~50030)
CHOCKING CYLINDER-L.H. (50031-)
CHOCKING CYLINDER-R.H. (50031-)
OUTRIGGER CYLINDER-FRONT
OUTRIGGER CYLINDER-REAR (50030~)
BOOM CYLINDER-L.H-BOOM 4.6M
BOOM CYLINDER-R.H-BOOM 4.6M
ARM CYLINDER-ARM 2.5M 3.0M
BOOM CYLINDER (L.H)-LOCK VALVE
BOOM CYLINDER (R.H)-LOCK VALVE
ARM CYLINDER-LOCK VALVE
BOOM CYLINDER (L.H.)-LOCK VALVE-BOOM 4.6M
BOOM CYLINDER (R.H.)-LOCK VALVE-BOOM 4.6M
ARM CYLINDER -LOCK VALVE-BOOM 4.6M
BOOM CYLINDER (L.H.)-L/V FOR-ARTI.BOOM
BOOM CYLINDER (R.H.)-L/V FOR-ARTI.BOOM
ARTI.BOOM CYLINDER-LOCK VALVE
DIFFERENTIAL HOUSING-FRONT AXLE
DIFFERENTIAL-FRONT AXLE
PLANET GEAR-FRONT AXLE
BRAKE-FRONT AXLE
STEERING CYLINDER-FRONT AXLE
SUPPORT SYSTEM-FRONT AXLE
DIFFERENTIAL HOUSING-REAR AXLE
DIFFERENTIAL-REAR AXLE
PLANET GEAR-REAR AXLE
BRAKE-REAR AXLE
PROPELLING HOUSING-TRANSMISSION
INPUT SHAFT-TRANSMISSION
HOUSING-TRANSMISSION
OIL PIPE-TRANSMISSION
COUPLING-TRANSMISSION
M-DISC BRAKE-TRANSMISSION
PLANETARY DRIVE-TRANSMISSION
DISCONNECTION DEVICE-TRANSMISSION
SPUR GEAR DRIVE-TRANSMISSION
GEAR SHIFT SENSOR-TRANSMISSION
OUTPUT SHAFT-TRANSMISSION
OPTION VALVE
SPARE PARTS
DOUBLE FUEL FILTER
SUN VISOR ASSY
SUN ROOF ASSY
NOISE FILTER ASSY-EUROPE
2-CABIN LAMP ASSY-FROM KOREA
6-LAMP AND BEACON TELESCOPIC-SCANDINAVIA
ROTATING BEACON-FROM KOREA
ALTERNATOR-80AMP
OVERLOAD WARNING ASSY
CABIN LOW GUARD
JOYSTICK VALVE ASSY 3-SWITCH
TROPICAL COVER-NOT IN EU
COUNTER WEIGHT-ADDITIONAL
COUNTER WEIGHT-ARTI-EXTRA
TRACK-CLAMSHELL
POWER TRAIN (10.0 TIRE) AND SMALL TILT ANGLE
POWER TRAIN AND SMALL TILT ANGLE (SINGLE)
OUTRIGGER ASSY-FRONT
OUTRIGGER ASSY-REAR
FRONT OUTRIGGER PIPING
REAR OUTRIGGER PIPING
FRONT OUTRIGGER COMPONENTS
BOOM-4.3m
ARM-1.9m
ARM-2.1m
ARM-2.25m
ARM-3.0m
BUCKET-0.25m3
BUCKET-0.35m3
BUCKET-0.45m3
BUCKET-0.55m3-OLD VERSION
BUCKET-0.55m3-NEW VERSION
BUCKET-0.65m3
BUCKET-0.38m3 (30")-SIDE PIN-HD
BUCKET-0.38m3 (30")-VERTICAL PIN-HD
BUCKET-0.44m3 (33")-SIDE PIN-HD
BUCKET-0.44m3 (33")-VERTICAL PIN-HD
BUCKET-0.48m3 (36")-SIDE PIN-HD
BUCKET-0.48m3 (36")-VERTICAL
FRONT PIPING-BOOM 4.3M+ARM 1.9M-NO L.V.
FRONT PIPING-STD BOOM 4.3M+ARM 2.1M-NO L.V.
FRONT PIPING-BOOM 4.3M+ARM 2.25M-NO L.V.
FRONT PIPING-BOOM 4.3M+ARM 2.5M-NO L.V.
FRONT PIPING-BOOM 4.3M+ARM 3.0M-NO L.V.
FRONT PIPING-BOOM 4.6M+ARM 2.1M-NO L.V.
FRONT PIPING-BOOM 4.6M+ARM 2.25M-NO L.V.
FRONT PIPING-BOOM 4.6M+ARM 3.0M-NO L.V.
FRONT LUBRICATOR-BOOM 4.3M
BOOM PIPING-BOOM 4.3M (ONE WAY)
ARM PIPING-ARM 1.9M (ONE WAY)
ARM PIPING-ARM 2.1M (ONE WAY)
ARM PIPING-ARM 2.25M (ONE WAY)
ARM PIPING-ARM 3.0M (ONE WAY)
NAME PLATE-ONE AND TWO WAY
LOCK VALVE PIPING-BOOM 4.3M
MAIN PIPING-ROTATION AND TILTING (PRO/ERO) - MONO (50001-50120)
PILOT PIPING-ROTATION AND TILTING (PRO) - MONO (50001-50120)
MAIN AND PILOT PIPING-ROTATION AND TILTING (PERO) - MONO (50121~)
MAIN AND PILOT PIPING-ROTATION AND TILTING (PERO) - MONO (50121~)
FLOOR ASSY-ROTAT AND TILT AND ARTI.(SINGLE) (50001-50120)
FLOOR ASSY-TILT AND ARTI.BOOM (DOUBLE) (50001-50120)
BOOM PIPING-4.3M ROTATING AND TILTING
BOOM PIPING-4.6M ROTATING AND TILTING
ARM PIPING-2.1M ROTATING AND TILTING
ARM PIPING-2.5M ROTATING AND TILTING
ARM PIPING-3.0M ROTATING AND TILTING
PILOT PIPING-ROTATION AND TILTING (50001~50120)
PILOT PIPING-P3C (50001~50120)
CLAMSHELL PIPING-ARM 1.9M - FRONT SYSTEM
CLAMSHELL PIPING-ARM 2.1M - FRONT SYSTEM
CLAMSHELL PIPING-ARM 2.25M - FRONT SYSTEM
CLAMSHELL PIPING-ARM 2.5M - FRONT SYSTEM
CLAMSHELL PIPING-ARM 3.0M - FRONT SYSTEM
ARTI. BOOM ASSY
MAIN PIPING-ARTI.BOOM
PILOT PIPING-ARTI.BOOM
FRONT LUBRICATION PIPING-ARTI.BOOM
ARM PIPING-ARM 2.1M (ARTI.BOOM)
ARM PIPING-ARM 2.5M (ARTI.BOOM)
LOCK VALVE PIPING-ARTI.BOOM-2.1M
BATTERY STAY AND MIRROR-ADDITION
MAIN PIPING-ARTI. BOOM-ONE AND TWO WAYS (50001~50160)
MAIN PIPING-ARTI. BOOM-ONE AND TWO WAYS (50161~)
FRONT PIPING-ARTI. BOOM-1 WAY
CHASSIS FRAME-BOLT-ON. CRADLE AND REMOTE
OPTION-GERMAN-STREET REAR RELF. BRACKET
ARM LAMP-HOMOLOGATION
ARM-2.1M-HOMOLOGATION (LAMP BRACKET)
MAIN PIPING-ROTATION AND TILTING (PRO/ERO) - ARTI. BOOM (50001~50120)
PILOT PIPING -ROTATION AND TILTING (PRO) - ARTI. (50001~50120)
MAIN AND PILOT PIPING-ROTATION AND TILTING (PERO) - ARTI. (50121-)
MAIN AND PILOT PIPING-ROTATION AND TILTING (PERO) - ARTI. (50121-)
BOOM PIPING-ROTATION AND TILTING-ARTI.(UP3.5M)
JOYSTICK AND PILOT-ERO (50001~50120)
JOYSTICK-E3C (50001~50120)
MAIN PIPING-P3C-MONO (50001~50120)
PILOT PIPING (1)-P3C-MONO/ARTI (50001~50120)
PILOT PIPING (2)-P3C-MONO/ARTI (50001~50120)
MAIN PIPING-P3C-ARTI. (50001~50120)
MAIN PIPING-PE3C-MONO (50121~)
PILOT PIPING-PE3C (1)-MONO AND ARTI (50121~)
PILOT PIPING-PE3C (2)-MONO AND ARTI (50121~)
BOOM PIPING-BOOM 4.3m-PE3C (50121~)
BOOM PIPING-BOOM 4.6m-PE3C (50121~)
MAIN PIPING-P3C-ARTI. (50121~)
FRONT PIPING-ARTI.-PE3C (50121~)
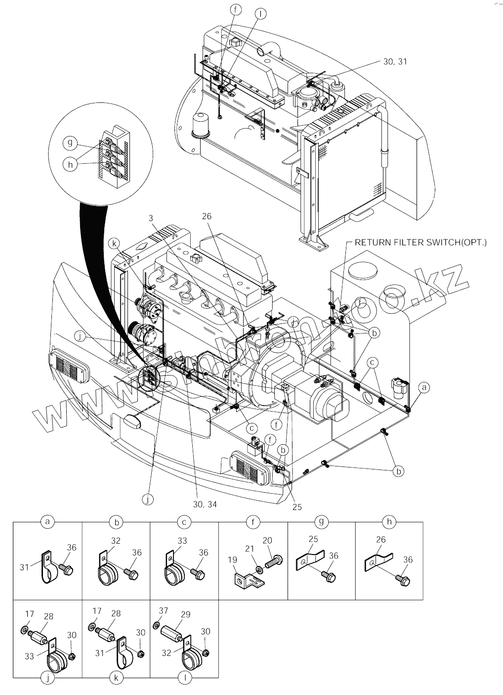
3
17
17
19
20
21
25
25
26
26
28
28
29
30
30
30
30
30
31
31
31
32
32
33
33
34
36
36
36
36
36
37
Позиция на иллюстрации
Заводской номер детали
Название детали
500-00199
500-00199
Electric wiring
500-00199B
500-00199B
Electric wiring
3
530-00278A
Harness, engine
3
530-00278B
Harness, engine
3A
2548-1027
DIODE ASS'Y 3A
17
S5102603
WASHER;SPRING M10
19
2195-3500
BRACKET;HOUSING
20
S3450953
SCREW M6X1.0X12
21
S5102303
WASHER;SPRING M6
25
2197-1660
BRACKET;HOUSING W15
26
2197-1661
BRACKET;HOUSING W9
28
2120-2235
BOLT;STUD M10X1.25X15/M8
29
2120-2187
BOLT;STUD M8X1.25X20/M8
30
2121-1305
NUT M8X1.25
31
2124-1509D1
CLIP D12/M8
32
124-00208D2
CLIP D14/M8
33
124-00208D3
CLIP D20/M8
34
124-00208D4
CLIP D26/M8
36
120-00276
BOLT M8X1.25X12
37
S5102503
WASHER;SPRING
Содержащиеся в справочниках-каталогах запасные части и детали не предлагаются к продаже, а носят исключительно информационный характер
Дополнительная информация
×
Название:
Номер:
Примечание: