Каталог запасных частей к технике: Doosan SOLAR 130W-V(2). AIR CONDITIONER (1)
20C
22B
22A
22
21C
21B
21A
21
22C
20B
20A
20
19
19
19
19
18
18
28
42
35
34
33
30
29
18
18
27A
27
26A
26
25
24
23
6
6
10
10
10
10
10
9
9
9
8
8
8
7
7
7
7
7
7
7
7
7
7
7
7
7
7
7
7
10
10
6
6
5
4
3
2
1
14
14
18
18
17
17
17
17
17
17
17
16
15
14
14
14
14
13
13
13
13
12
12
12
12
12
12
11
11
11
11
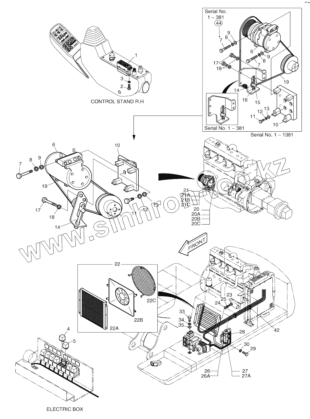
| Позиция на иллюстрации | Заводской номер детали | Название детали | |
|---|---|---|---|
| 20C | 1.161-00018 | CAP;CHECK PORT(H) | |
| 22B | 2538-6018 | MOTOR;CONDENSER | |
| 22A | 2520-6005 | CONDENSER CORE | |
| 22 | 2520-6004 | CONDENSER ASS'Y | |
| 21C | 1.161-00019 | CAP;CHECK PORT(L) | |
| 21B | 2180-6087 | O-RING(EVA) | |
| 21A | 2180-6086 | O-RING(COMP) | |
| 21 | 2185-1702A | HOSE;SUCTION 2305L | |
| 21 | 2185-1701 | Hose, suction | |
| 22C | 2520-6006 | NET;CONDENSER | |
| 20B | 2180-6089 | O-RING(COMP) | |
| 20A | 2180-6088 | O-ring | |
| 20 | 2185-1705 | HOSE;DISCHARGE 1900L | |
| 20 | 2185-1704A | Hose, discharge | |
| 20 | 2185-1704 | Hose, discharge | |
| 19 | 2106-1019D10 | V-BELT;COMPRESSOR | |
| 19 | 2106-1019D1 | V-belt | |
| 18 | S5102603 | WASHER;SPRING M10 | |
| 28 | 2204-6039 | Receiver drier | |
| 44 | S0557353 | Bolt | |
| 42 | 2124-1622D3 | CLIP;BAND (280L) | |
| 35 | 2114-1058D29 | WASHER | |
| 34 | S5102503 | WASHER;SPRING | |
| 33 | S0509053 | BOLT M8X1.25X25 | |
| 30 | S5102503 | WASHER;SPRING | |
| 29 | S0508653 | BOLT M8X1.25X16 | |
| 28 | 2204-6039A | RECEIVER DRIER | |
| 18 | S5102603 | WASHER;SPRING M10 | |
| 27A | 2180-6090 | O-RING | |
| 27 | 2185-1698D1 | HOSE;LIQUID(2) | |
| 26A | 2180-6090 | O-RING | |
| 26 | 2185-1697D2 | HOSE;LIQUID(1) | |
| 25 | S5010613 | WASHER;PLAIN | |
| 24 | S5102603 | WASHER;SPRING M10 | |
| 23 | S0512053 | BOLT M10X1.5X25 | |
| 6 | 2208-6013B | COMPRESSOR | |
| 10 | 2197-1800C | Bracket, compressor | |
| 10 | 2197-1800B | Bracket, compressor | |
| 9 | S5010513 | WASHER;PLAIN M8 | |
| 8 | S5102503 | WASHER;SPRING | |
| 7 | S0557153 | BOLT M8X1.25X90 | |
| 7 | S0557553 | Bolt | |
| 7 | S0557153 | BOLT M8X1.25X90 | |
| 7 | S0557553 | Bolt | |
| 10 | 2197-1798B | BRACKET;COMPRESSOR | |
| 6 | 2208-6013A | Compressor | |
| 5 | 2544-9029 | Relay, engine stop | |
| 4 | 2544-9029 | Relay, engine stop | |
| 3 | S5000113 | WASHER;PLAIN M4 | |
| 2 | S3450583 | SCREW M4X0.7X12 | |
| 1 | 2543-9031A | Panel, aircon control | |
| 1 | 2543-9031 | Panel, aircon control | |
| 14 | 2107-6004B | Pulley assy, idle | |
| 18 | S5102603 | WASHER;SPRING M10 | |
| 17 | S0759853 | BOLT M10X1.25X115 | |
| 17 | S0512053 | BOLT M10X1.5X25 | |
| 17 | S0512053 | BOLT M10X1.5X25 | |
| 16 | S4012533 | NUT M8X1.25 | |
| 15 | 2197-1801C | Bracket, idle pulley | |
| 15 | 2197-1801B | Bracket, idle pulley | |
| 14 | 2107-6006 | PULLEY ASS'Y;IDLE 4PK | |
| 2920-1076 | 2920-1076 | Cooler and heater assy | |
| 14 | 2107-6004A | Idle pulley assy | |
| 13 | S5010613 | WASHER;PLAIN | |
| 13 | S5010613 | WASHER;PLAIN | |
| 12 | S5102603 | WASHER;SPRING M10 | |
| 12 | S5102603 | WASHER;SPRING M10 | |
| 11 | S0712153 | BOLT M10X1.25X28 | |
| 11 | S0512153 | BOLT M10X1.5X28 |
Содержащиеся в справочниках-каталогах запасные части и детали не предлагаются к продаже, а носят исключительно информационный характер