Вернуться на главную
Поиск
Каталоги запчастей к технике
Спецтехника
Doosan
SOLAR 130W-V(1)
PILOT PIPING (10)
Каталог запасных частей к технике: Doosan SOLAR 130W-V(1). PILOT PIPING (10)
zoom-in
zoom-out
enlarge
shrink
circle-right
circle-left
file-text2
info
cart
Тип техники
Не выбрано
Легковые автомобили
Грузовые автомобили и прицепы
Автобусы
Сельхозтехника
Спецтехника
Двигатели
Мототехника
Марка
Не выбрано
Ammann
BOMAG
CARMIX
CASE IH
Changlin
ChengGong
Dimex
Doosan
DYNAPAC
Foton
HAMM
Hidromek
Hitachi
Hyundai
JCB
JLG
John Deere
Komatsu
LIEBHERR
LiuGong
Lonking (LongGong)
Luneng
MANITOU
Mitsuber
New Holland
PENGPU
RM-Terex
SANY
SDLG
SEM
Shantui
Shehwa HBXG
Soosan
TIGARBO
VOGELE
Volvo
WAY
WIRTGEN
XCMG
XGMA
Xiamen
YTO
Yuchai
Zoomlion
Автокран
АЗСМ
Алтайлесмаш
Амкодор
АОМЗ
Атек
АТЗ
Балканкар Рекорд
БелАЗ
Беловеж
Борекс
Брянский Арсенал
Булат
ВЭКС
ГАЗ
Геомаш
Гидромаш
Донекс
Дормаш
Дормашина
Дорэлектромаш
ДЭЗ
ЕлАЗ
ЗЗГТ
Ижнефтемаш
Канаш-электрокар
КЗКТ
ККЗ
Клевер
Клинцовский автокрановый завод
КМЗ
КМЗ 1 Мая
Ковровец
Коммаш
Кранэкс
КЭЗ
КЭМЗ
ЛЗА
МАЗ
МЗИК
МЗКМ
МЗКТ
Михневский РМЗ
МоАЗ
Мозырский МЗ
МТЗ
ОЗП
Онежец
ПАО "ТЗА"
ППС Детва
Промтрактор
ПТЗ
Раскат
СпецАгрегат
ТВЭКС
ТТМ
УВЗ
Угличмаш
УЗТМ
ХТЗ
ЧЗКМ
ЧСДМ
ЧТЗ
ЭКСКО
ЭКСМАШ
ЮрМаш
Модель
Не выбрано
DL220 (2010)
DX140W (2017)
DX225LC (2009)
DX225LCA (2012)
S225LC-V (2009)
S340LC-V (2009)
S500LC-V (2007)
SOLAR 130W-V(1) (2017)
SOLAR 130W-V(2) (2017)
SOLAR 140W-V (2017)
SOLAR 140W-V & S160W-V (2017)
SOLAR 160W-V (2017)
SOLAR 170W-V (2017)
SOLAR 180W-V (2017)
SOLAR 210W-V (2017)
SOLAR 255LC-V (DI EXP) (2017)
SOLAR 420LC-V (2017)
Мини-погрузчик 430 Plus (2010)
Мини-погрузчик 440 Plus (2010)
Мини-погрузчик 450 Plus (2010)
Мини-погрузчик 450 Plus (Tier3) (2010)
Мини-погрузчик 460 Plus (2010)
Мини-погрузчик 460 Plus (Tier3) (2010)
Мини-погрузчик 470 Plus (2010)
Экскаватор SOLAR 140LC-V (2010)
Экскаватор SOLAR 175LC-V (2010)
Схема
>
Не выбрано
CYLINDER BLOCK
TIMING GEAR CASE (1-1381)
TIMING GEAR CASE (1382-)
FLYWHEEL HOUSING
CRANK SHAFT
CYLINDER HEAD
VALVE MACHANISM
OIL PUMP
OIL FILTER
OIL COOLER
OIL PAN
THERMOSTAT
WATER PUMP AND COOLING PUMP
INTAKE AND EXHAUST MANIFOLD
FUEL SYSTEM
FUEL FILTER
ALTERNATOR MOUNTING
STARTER
OVER HAUL GASKET KIT (1-1381)
OVER HAUL GASKET KIT (1382-)
FRAME (1-1166)
FRAME (1) (1167-)
ENGINE MOUNTING
AIR CLEANER
MUFFLER
RADIATOR AND OIL COOLER
RESERVE TANK
PUMP ASSY
SWING DEVICE (1-700)
SWING DEVICE (701-1156)
SWING DEVICE (1157-)
FUEL TANK
OIL TANK
ENGINE CONTROL ASSY
LEVER ASSY-ENGINE SUB
MAIN PIPING (1)
MAIN PIPING (2)
MAIN PIPING (3)
MAIN PIPING (4)
MAIN PIPING (5)
OIL COOLER PIPING (1) (1-1381)
OIL COOLER PIPING (1-1) (1382-)
OIL COOLER PIPING (2)
OIL COOLER PIPING (3)
STEERING PIPING (1)-STEER PUMP
STEERING PIPING (2)-STEER VALVE
STEERING PIPING (1382-)
PILOT PIPING (1) (1-1381)
PILOT PIPING (1-1) (1382-)
PILOT PIPING (2)
PILOT PIPING (3)
PILOT PIPING (4)
PILOT PIPING (5)
PILOT PIPING (6)
PILOT PIPING (7)
PILOT PIPING (8)
PILOT PIPING (9)
PILOT PIPING (10)
PILOT PIPING (11)
PILOT PIPING (12)
BRAKE PIPING (1)
BRAKE PIPING (2)
STEERING ASSY (1-1280)
STEERING WHEEL ASSY (1281-)
STEERING WHEEL ASSY (1305-)
STEERING CLOUMN ASSY (1305-)
CABIN ASSY
CABIN (1)
CABIN (2)
CABIN (3)
CABIN (4)
CABIN (5)
CONTROL STAND-L.H.
CONTROL STAND-R.H.
SEAT & ELECTRIC BOX
SEAT MOUNTING-EXCEPT EUROPE
SEAT MOUNTING-EUROPE & U.S.A
SEAT-EUROPE & U.S.A
SEAT-EXCEPT EUROPE & U.S.A
DUCT COVER ASSY
HEATER COVER ASSY
ELECTRIC BOX ASSY
ELECTRIC BOX ASSY-ELECTRIC
ELECTRIC PARTS (1)-STAND R.H.
ELECTRIC PARTS (2)-STAND L.H.
ELECTRIC PARTS (3)-CABIN
ELECTRIC PARTS (4)-CONSOLE BOX
ELECTRIC PARTS (5)-BATTERY
ELECTRIC PARTS (6)-ENGINE
ALTERNATOR (1-946]
ALTERNATOR (947-]
ELECTRIC PARTS (7)-RELATED
ELECTRIC WIRING (1)-RELATED
ELECTRIC WIRING (2)-ENGINE
AIRCONDITIONER (1)
AIRCONDITIONER (2)-AIRCON
HEATER PIPING
SUPPORT (1) (1-607)
SUPPORT (1) (608-)
SUPPORT (2) (1-607)
SUPPORT (2) (608-)
COVER (1)
COVER (2)
COVER (3)
COVER (4)
COVER (5)
BAFFLE ASSY (1) (1-607)
BAFFLE ASSY (2) (1-607)
BAFFLE ASSY (2) (608-)
ACOUSTIC FOAM
UNDER COVER
LUBRICATOR PIPING
POWER TRAIN (1)-FRONT AXLE (1-1146)
POWER TRAIN (1)-FRONT AXLE (1147-)
POWER TRAIN (2)-REAR AXLE (1-1146)
POWER TRAIN (2)-REAR AXLE (1147-)
POWER TRAIN (3)-SHAFT& C/J (1-1146)
POWER TRAIN (3)-SHAFT& C/J (1147-)
CHASSIS COMPONENTS
CHASSIS COMPONENTS-FOR
DOZER & OUTRIGGER PIPING (1~607)
DOZER & OUTRIGGER PIPING (608~)
BRAKE PIPING (1)-FRONT
BRAKE PIPING (2)-REAR
STEER PIPING (1-1146)
STEER PIPING (1147-)
CHOCKING PIPING (1-1146)
CHOCKING PIPING (1147-)
PROPELLING PIPING (1)-TRAVEL (1-1146)
PROPELLING PIPING (1)-REMOTE T/M (1147-)
PROPELLING PIPING (2)-GEARSHIFT (1-1146)
PROPELLING PIPING (2)-GEARSHIFT, TEST PORT (1147-)
PROPELLING PIPING (3)-MAKE-UP (1-1146)
PROPELLING PIPING (3)-MAKE-UP (1147-)
PROPELLING PIPING (4)-DRAIN, TESTPORT (1-607)
PROPELLING PIPING (4-1)-DRAIN, TESTPORT (608-1146)
PROPELLING PIPING (4)-REMOTE T/M (1147-)
DOZER BLADE
BLADE PIPING
CHASSIS FRAME
BOOM 4.3M
ARM 2.1m
BUCKET 0.5MВі
FRONT PIPING
FRONT LUBRICATOR
MAIN PUMP (1-1381)
MAIN PUMP (1) (1382-)
REGULATOR (1-1381)
REGULATOR (1) (1382-)
REGULATOR COVER (1-1381)
REGULATOR COVER (1) (1382-)
CONTROL ASSY (1-1381)
CONTROL ASSY (1) (1382-)
PROPORTINAL VALVE ASSY
PROPORTIONAL VALVE
ROTARY GROUP-L.H. (1-1381)
ROTARY GROUP (1)-L.H. (1382-)
ROTARY GROUP-R.H. (1-1381)
ROTARY GROUP (2)-R.H. (1382-)
PILOT GEAR PUMP
RELIEF VALVE
PTO PUMP (1-1381)
PTO PUMP (1382-)
BRAKE PUMP (1-1381)
BRAKE PUMP (1) (1382-)
STEERING PUMP (1) (1382-)
SPRING CONTROL
STEERING PUMP (1-1381)
SWING MOTOR (1-700)
SWING MOTOR (701-)
SWING REDUCTION GEAR (1-700)
SWING REDUCTION GEAR (701-)
TRAVELING MOTOR
PISTON MOTOR
ROTARY GROUP
REGULATOR
CONTROL PARTS
COUNTER BALANCE VALVE
TRAVEL MOTOR - TBM115VA (1-1146)
CONTROL VALVE (1) (1-620)
CONTROL VALVE (1) (621-1224)
CONTROL VALVE (3) (1225-)
STEERING VALVE
PILOT & T/M SUPPLY VALVE
REMOTE CONTROL VALVE
REMOCON VALVE-DOZER
PILOT CHECK VALVE
BRAKE SUPPLY VALVE
SOLENOID VALVE
BREAKER PACKAGE VALVE
BRAKE FILTER (1-867)
BRAKE FILTER (868-)
BOOM CYLINDER-L.H. (1-600)
BOOM CYLINDER-L.H. (601-)
BOOM CYLINDER-R.H. (1-600)
BOOM CYLINDER-R.H. (601-)
ARM CYLINDER
ARM CYLINDER-OPT. (2.5M,3.0M ARM)
BUCKET CYLINDER
DOZER CYLINDER-L.H.
DOZER CYLINDER-R.H.
CHOCKING CYLINDER
OUTRIGGER CYLINDER (1-1294)
OUTRIGGER CYLINDER (1295-)
BOOM CYLINDER-ARTI.BOOM, L.H
BOOM CYLINDER-ARTI.BOOM, R.H
ARTI.BOOM CYLINDER
ARM CYLINDER-ARTI.BOOM
BUCKET CYLINDER-ARTI.BOOM
CENTER JOINT-STD. (1-607)
CENTER JOINT-STD. (608-1249)
CENTER JOINT-STD. (1250-)
CENTER JOINT-OUTRIGGER (OPT.)
CENTER JOINT-OUTRIGGER (OPT.)
INPUT SHAFT-FRONT AXLE
DIFFERENTIAL GEAR-FRONT AXLE
BODY-FRONT AXLE
STEERING KNUCKLE-FRONT AXLE
HUB-FRONT AXLE
STEERING CYLINDER-FRONT AXLE
UNIVERSAL JOINT-FRONT AXLE
HOUSING-TRANSMISSION
INPUT SHAFT-TRANSMISSION
HOUSING-TRANSMISSION
OIL PIPE-TRANSMISSION
COUPLING-TRANSMISSION
M-DISC BRAKE-TRANSMISSION
PLANETARY
DISCONNECTION
SPUR GEAR DRIVE
GEAR SHIFT
OUTPUT SHAFT-TRANSMISSION (1-1146)
OUTPUT SHAFT (1)-TRANSMISSION (1147-)
DIFFERENTIAL CARRIER-REAR AXLE (1-1146)
INPUT - REAR AXLE (1147-)
DIFFERENTIAL-REAR AXLE
BODY-RAER AXLE (1-1146)
AXLE CASING - REAR AXLE (1147-)
HUB CARRIER-REAR AXLE
HUB-REAR AXLE
CONTROL VALVE-ARTI.BOOM
PEDAL VALVE-ARTI.BOOM (1-1664)
PEDAL VALVE-ARTI.BOOM (1665-)
BOOM CYL. (L.H)-ARTI. BOOM FOR
BOOM CYL. (R.H)-ARTI. BOOM FOR
ARM CYLINDER-ARTI. BOOM FOR
BOOM CYL. (L.H)-BOOM 4.3M FOR
BOOM CYL. (R.H)-BOOM 4.3M FOR
ARM CYLINDER-BOOM 4.3M FOR
ARM CYLINDER-BOOM 4.6M FOR
TOOLS
SPARE PARTS
FRONT OUTRIGGER-WELDING
REAR OUTRIGGER
FRONT OUTRIGGER PIPING (1)-WELDING TIPE (1-1146)
FRONT OUTRIGGER PIPING (1)-BOLTING TIPE (1147-)
FRONT OUTRIGGER PIPING (2)-WELDING TIPE (1-1146)
FRONT OUTRIGGER PIPING (2)-BOLTING TIPE (1147-)
FRONT OUTRIGGER PIPING (3)-WELDING TIPE (1-721)
FRONT OUTRIGGER PIPING (3-1)-WELDING TIPE (722-1146)
FRONT OUTRIGGER PIPING (3-1)-BOLTING TIPE (1147-)
FRONT OUTRIGGER PIPING (4)-WELDING TIPE (1-1146)
FRONT OUTRIGGER PIPING (4)-BOLTING TIPE (1147-)
REAR OUTRIGGER PIPING
CHASSIS FRAME-FRONT OUTRIGGER (WELDING)
CHASSIS FRAME-FRONT DOZER (BOLTING TIPE) (1-1295)
CHASSIS FRAME-FRONT DOZER (BOLTING TIPE) (1296-)
FRONT BLADE-BOLTING TYPE
FRONT DOZER PIPING (1)-BOLTING TIPE (1-1146)
FRONT DOZER PIPING (1-1)-BOLTING TIPE (1147-)
FRONT DOZER PIPING (2)-BOLTING TIPE (1-1146)
FRONT DOZER PIPING (2-1)-BOLTING TIPE (1147-)
FRONT DOZER PIPING (3)-BOLTING TIPE (1-721)
FRONT DOZER PIPING (3-1)-BOLTING TIPE (722-1146)
FRONT DOZER PIPING (3-2)-BOLTING TIPE (1147-)
FRONT DOZER PIPING (4)-BOLTING TIPE (1-1146)
FRONT DOZER PIPING (4-1)-BOLTING TIPE (1147-)
CHASSIS FRAME-F/OUTRIGGER BOLTING TIPE (1-1295)
CHASSIS FRAME-F/OUTRIGGER BOLTING TIPE (1296-)
BUCKET CRADLE-BOLTING TYPE (1146)
CHASSIS FRAME-REAR DOZER, OUTRIGGER
CHASSIS FRAME-F/OUTRIGGER WELDING (1-1146)
CHASSIS FRAME-GERMAN HOMOLOGATION (1-1146)
CHASSIS FRAME-BOLT-ON, CRADLE AND REMOTE (1147-)
DOZER BLADE-GERMAN HOMOLOGATION (1-1295)
CHASSIS COMPONENTS-GERMAN HOMOLOGATION (1-1295)
TRAVEL MOTOR-GERMAN HOMOLOGATION (1-1295)
STAY-GERMAN HOMOLOGATION (1-1295)
OPTION ASSY-GERMAN HOMOLOGATION (1296-)
TIRE-10.0X20X14PR
ELECTRIC BOX-FOR GERMANY
ELECTRIC PARTS-FOR GERMANY
LAMP-FOR GERMANY
ARM LAMP HARNESS-FOR
FUEL FILLER PUMP ASSY
AIR CLEANER-PRE CLEANER
CABIN LAMP-OPT.
ROTATING BEACON-OPT.
SWING ALARM-OPT.
PILOT PIPING-BREAKER
MAIN PIPING-ONE & TWO WAY
NAME PLATE-BREAKER
FRONT-BREAKER (1-1724)
BOOM PIPING-BOOM 4.3M (ONE WAY)
ARM PIPING-ARM 2.1M (ONE WAY)
ARM PIPING-ARM 2.25M (ONE WAY)
BUCKET-0.25 SIDE PIN TYPE
BUCKET-0.35 SIDE PIN TYPE
BUCKET-0.45 SIDE PIN TYPE
BUCKET ASSY-0.45 VERTICAL PIN TYPE (1225-)
BUCKET-0.55 SIDE PIN TYPE
BUCKET-0.65 SIDE PIN TYPE
ARM 2,25M
FRONT PIPING-BOOM 4,3M+ARM 2,25M
FRONT PIPING-BOOM 4,6M+ARM 2,25M
MAIN FRAME-ARTI.BOOM
ARTICULATED UPPER BOOM-2.8M
ARM-1.96M-ARTI.BOOM (1-1245)
ARM-1.96M-ARTI.BOOM (1246-)
ARM-2.5M-ARTI.BOOM
MAIN PIPING-ARTI.BOOM
PILOT PIPING-ARTI.BOOM
FRONT PIPING (1)-ARTI.BOOM
FRONT PIPING (2)-ARTI.BOOM
BREAKER PIPING-ARTI.BOOM (1-1268)
FRONT ONE WAY PIPING-ARTI.BOOM (1269-)
CABIN-ARTI.BOOM (1-2080)
FLOOR ASSY-ARTI.BOOM (2081-)
STEREO ASSY-FOR JAPAN
ENGINE COVER-EUROPE
BOOM-4.6M
ARM-2.5M
FRONT PIPING-BOOM 4,6M+ARM 2,5M
FRONT PIPING-BOOM 4,3M+ARM 2,5M
ARM-3.0M
FRONT PIPING-BOOM 4,6M+ARM 3M
FRONT PIPING-BOOM 4,3M+ARM 3M
ARM-1.9M
FRONT PIPING-BOOM 4,3M+ARM 1,9M
FRONT PIPING-BOOM 4,6M+ARM 2,1M
LUBRICATION PIPING-BOOM 4.6M (2304-)
BUCKET-0.38 (30")-SIDE PIN
BUCKET-0.38 (30")-VERTICAL PIN
BUCKET-0.44 (33")-SIDE PIN
BUCKET-0.44 (33")-VERTICAL PIN
BUCKET-0.48 (36")-SIDE PIN
BUCKET-0.48 (36")-VERTICAL PIN
NOISE FILTER ASSY-EUROPE (682-)
TROPICAL COVER
LOCK VALVE PIPING-ARTI.BOOM
LOCK VALVE PIPING-BOOM 4.3M
BOOM WELDMENT-BOOM 4.6M (ONE WAY) (1724)
BOOM PIPING-BOOM 4.6M (ONE WAY)
ARM WELDMENT-ONE WAY (1724)
ARM PIPING-BOOM 4.6M + ARM 1.9M (ONE WAY)
ARM PIPING-BOOM 4.6M + ARM 2.5M (ONE WAY)
ARM PIPING-BOOM 4.6M + ARM 3.0M (ONE WAY)
LOCK VALVE PIPING-BOOM 4.6M
DOUBLE FUEL FILTER
CABIN LAMP RELAY -REAR CABIN LAMP (1410-)
ALTERNATOR- FOR BEACON LAMP (1410-)
CABIN ASSY-WINDOW GUARD (1281-)
SUN VISOR ASSY (1410-)
SUN ROOF ASSY (1410- )
REMOCON VALVE MOUNT-3 SWITCH (1410-)
REMOCON VALVE MOUNT-5 SWITCH (1410-)
RETURN FILTER SWITCH ASSY (1620-)
COUNTER WEIGHT (1373-)
ARTI. BOOM-UPPER BOOM 3.3M + ARM 2.5M
FRONT PIPING (1)-ARTI. BOOM
FRONT PIPING (2)-ARTI. BOOM
FRONT PIPING (3)-ONE WAY (ARTI.BOOM)
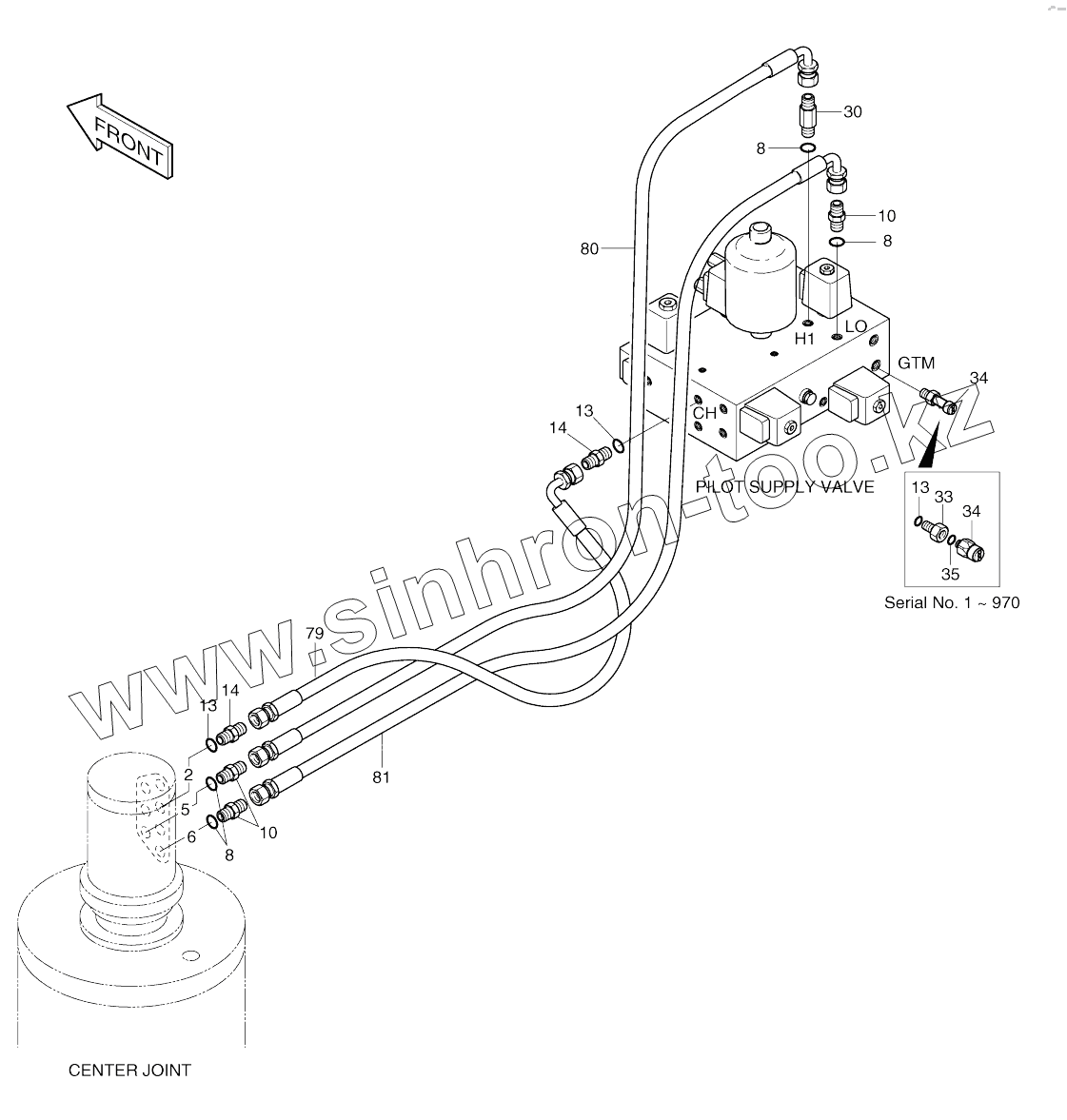
8
8
8
10
10
13
13
13
13
13
13
14
14
30
33
34
34
34
34
34
35
79
80
81
Позиция на иллюстрации
Заводской номер детали
Название детали
2400-1781A
2400-1781A
Pilot piping
8
S8000141
O-RING
10
2181-1126D7
ADAPTER PFO3/8-PF3/8
13
S8000111
O-RING
13
S8000111
O-RING
14
2181-1126D14
ADAPTER;S PFO-PF1/4
30
2181-1126D28
Adapter
33
2181-2489
Reducer
34
2549-1135D6
Switch, press
34
547-00001
Sensor, pressure
35
S8180161
Packing
79
2184-1046D53
Hose
80
2184-1036D180
Hose
80
2184-1036D134
Hose
81
2184-1036D180
Hose
81
2184-1036D134
Hose
Содержащиеся в справочниках-каталогах запасные части и детали не предлагаются к продаже, а носят исключительно информационный характер
Дополнительная информация
×
Название:
Номер:
Примечание: