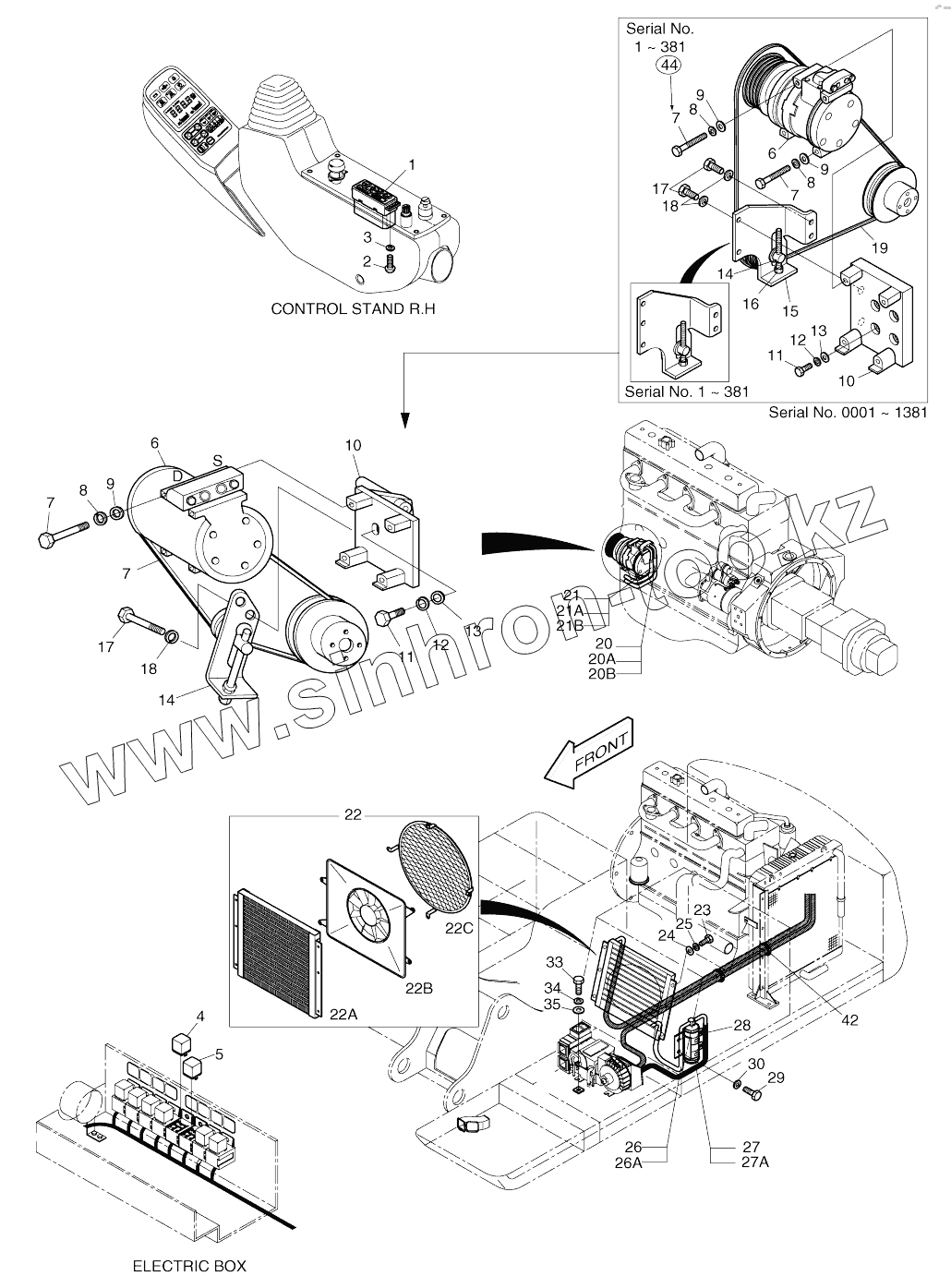
Каталог запасных частей к технике: Doosan SOLAR 130W-V(1). AIRCONDITIONER (1)
20B
22C
22B
22A
22
21B
21A
21
23
20A
20
19
18
18
18
18
24
25
26
26A
27
27A
28
29
30
33
34
35
42
6
6
10
10
10
10
10
10
10
9
9
9
8
8
8
7
7
7
7
7
7
7
7
7
7
7
7
7
7
7
11
11
6
6
5
4
3
2
1
11
11
12
12
12
12
13
13
13
13
14
14
14
14
14
14
15
16
17
17
17
17
17
17
17
18
18
| Позиция на иллюстрации | Заводской номер детали | Название детали | |
|---|---|---|---|
| 20B | 2180-6089 | O-RING(COMP) | |
| 22C | 2520-6006 | NET;CONDENSER | |
| 22B | 2538-6018 | MOTOR;CONDENSER | |
| 22A | 2520-6005 | CONDENSER CORE | |
| 22 | 2520-6004 | CONDENSER ASS'Y | |
| 21B | 2180-6087 | O-RING(EVA) | |
| 21A | 2180-6086 | O-RING(COMP) | |
| 21 | 2185-1702A | HOSE;SUCTION 2305L | |
| 21 | 2185-1701 | Hose, suction | |
| 23 | S0512053 | BOLT M10X1.5X25 | |
| 20A | 2180-6088 | O-ring | |
| 20 | 2185-1705 | HOSE;DISCHARGE 1900L | |
| 20 | 2185-1704A | Hose, discharge | |
| 20 | 2185-1704 | Hose, discharge | |
| 19 | 2106-1019D10 | V-BELT;COMPRESSOR | |
| 19 | 2106-1019D1 | V-belt | |
| 18 | S5102603 | WASHER;SPRING M10 | |
| 18 | S5102603 | WASHER;SPRING M10 | |
| 24 | S5102603 | WASHER;SPRING M10 | |
| 25 | S5010613 | WASHER;PLAIN | |
| 26 | 2185-1697D2 | HOSE;LIQUID(1) | |
| 26A | 2180-6090 | O-RING | |
| 27 | 2185-1698D1 | HOSE;LIQUID(2) | |
| 27A | 2180-6090 | O-RING | |
| 28 | 2204-6039 | Receiver drier | |
| 28 | 2204-6039A | RECEIVER DRIER | |
| 29 | S0508653 | BOLT M8X1.25X16 | |
| 30 | S5102503 | WASHER;SPRING | |
| 33 | S0509053 | BOLT M8X1.25X25 | |
| 34 | S5102503 | WASHER;SPRING | |
| 35 | 2114-1058D29 | WASHER | |
| 42 | 2124-1622D3 | CLIP;BAND (280L) | |
| 44 | S0557353 | Bolt | |
| 6 | 2208-6013B | COMPRESSOR | |
| 10 | 2197-1798B | BRACKET;COMPRESSOR | |
| 10 | 2197-1800C | Bracket, compressor | |
| 10 | 2197-1800B | Bracket, compressor | |
| 9 | S5010513 | WASHER;PLAIN M8 | |
| 8 | S5102503 | WASHER;SPRING | |
| 7 | S0557553 | Bolt | |
| 7 | S0557153 | BOLT M8X1.25X90 | |
| 7 | S0557553 | Bolt | |
| 11 | S0512153 | BOLT M10X1.5X28 | |
| 6 | 2208-6013A | Compressor | |
| 5 | 2544-9029 | Relay, engine stop | |
| 4 | 2544-9029 | Relay, engine stop | |
| 3 | S5000113 | WASHER;PLAIN M4 | |
| 2 | S3450583 | SCREW M4X0.7X12 | |
| 1 | 2543-9031A | Panel, aircon control | |
| 1 | 2543-9031 | Panel, aircon control | |
| 2920-1076 | 2920-1076 | Cooler and heater assy | |
| 11 | S0712153 | BOLT M10X1.25X28 | |
| 12 | S5102603 | WASHER;SPRING M10 | |
| 12 | S5102603 | WASHER;SPRING M10 | |
| 13 | S5010613 | WASHER;PLAIN | |
| 13 | S5010613 | WASHER;PLAIN | |
| 14 | 2107-6004A | Idle pulley assy | |
| 14 | 2107-6004B | Pulley assy, idle | |
| 14 | 2107-6006 | PULLEY ASS'Y;IDLE 4PK | |
| 15 | 2197-1801B | Bracket, idle pulley | |
| 15 | 2197-1801C | Bracket, idle pulley | |
| 16 | S4012533 | NUT M8X1.25 | |
| 17 | S0512053 | BOLT M10X1.5X25 | |
| 17 | S0512053 | BOLT M10X1.5X25 | |
| 17 | S0759853 | BOLT M10X1.25X115 | |
| 18 | S5102603 | WASHER;SPRING M10 |
Содержащиеся в справочниках-каталогах запасные части и детали не предлагаются к продаже, а носят исключительно информационный характер